norelem 使用 Cookies 以优化设计和持续改进网页。您通过继续使用网页,同意使用 Cookies。在我们的数据保护声明中可以找到有关 Cookies 主题的详细信息。同意

商品描述/产品说明

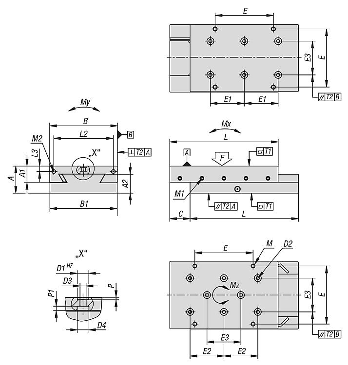
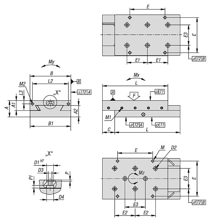
产品说明材料:EN-GJL-250.
规格:亮色,经打磨处理。提示:这种精密滑轨主要用于机器、机械构造和测量仪制造以及光学和精密工程行业。锁紧手柄 06460 可用于替代中间调节螺栓“M1”。
指定的允许负载值 (F) 是针对使用期为 1 百万行程的动态负载而设计的。
对于静态负载,允许 10 倍表格值“F”。
扭矩值仅适用于位于中间的滑撬。

在滑座顶面 D2 和 D3 孔上附有一个定心孔。使用我们的定心环 20240,可精准地将其它连接件安装到滑座上。

TI E = 内部安装孔 E/M 的数量。
TA E= 外部固定孔 E/M 的数量。
TI E1 = 内部固定孔 E1/D1 的数量。
TA E1 = 外部安装孔 E1/D1 的数量。
特点:
RoHS
下载此处为收集信息的 PDF:

查找 CAD 数据?请直接在产品列表中查找。
 Datasheet 21060 燕尾槽导轨 带定位孔 312 kB
 norelem Service Instructions Guide Rails 2020 1,3 MB

图纸

燕尾槽导轨 带定位孔

商品选择/筛选

订货号AA1A2B

B1CD1D2D3D4EE1E2E3TI
E
TA
E
TI
E1
TA
E1
CAD配件价格订购
21060-050080251517,55049,5157M44,38,2-142828--106 根据要求
21060-050105251517,55049,5207M44,38,2-142828--148 根据要求
21060-050130251517,55049,5257M44,38,2-282828--1010 根据要求
21060-0751053219,5227574,52010M55,310622525504466 根据要求
21060-0751303219,5227574,52510M55,31062252550441010 根据要求
21060-10011040242810099,52010M55,310,2862525504466 根据要求
21060-10013540242810099,52510M55,310,2865050504466 根据要求
21060-10016040242810099,53010M55,310,2865050504466 根据要求
订货号L

L2L3PP1MM1M2T1T2F
N
Mx
Nm
My
Nm
Mz
Nm
CAD配件价格订购
21060-05008080405,51,63,2-M5M40,020,0275465 根据要求
21060-050105105405,51,63,2-M5M40,020,0290778 根据要求
21060-050130130405,51,63,2-M5M40,0250,02512010912 根据要求
21060-075105105605,52,13,6M5M5M50,020,0213091510 根据要求
21060-075130130605,52,13,6M5M5M50,0250,025160151815 根据要求
21060-100110110--2,13,8M6M6-0,020,02155112612 根据要求
21060-1001351358882,13,8M6M6M60,0250,025190173219 根据要求
21060-1001601608882,13,8M6M6M60,0250,025230243726 根据要求
我的 norelemE-Mail密码
购物车
商品数量: 0
总数: 0.00  
点击购物车
欢迎扫描二维码
咨询诺瑞朗官方客服微信
中国
苏ICP备20011289号-1  苏公网安备32058502011222 网页地图 打印 推荐 Top
Copyright © 2025 norelem. 保留所有权利。 电话 +49 71 45/206-44 至 45 · 传真 +49 71 45/206-83