|
|
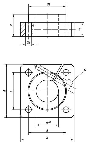
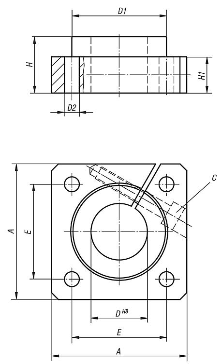
产品说明材料:铝制。规格:亮色。提示:带定位孔,用于简单和安全地夹紧与固定导向轴。附件:精密导向轴 21595。 固定螺栓 07160 或 07161。特点: 下载此处为收集信息的 PDF:
查找 CAD 数据?请直接在产品列表中查找。
|
| 订货号 | A | D | D1 | D2 | E | H | H1 | C (DIN 912) | CAD | 配件 | 价格 | 订购 |
|---|
| 21585-12 | 40 | 12 | 23,5 | 5,5 | 30 ±0,12 | 20 | 12 | M4 |  |  | 根据要求 | | | 21585-20 | 50 | 20 | 33,5 | 6,6 | 38 ±0,15 | 23 | 14 | M5 |  |  | 根据要求 | | | 21585-25 | 60 | 25 | 42 | 6,6 | 42 ±0,15 | 25 | 16 | M6 |  |  | 根据要求 | | | 21585-16 | 50 | 16 | 27,5 | 5,5 | 35 ±0,12 | 20 | 12 | M4 |  |  | 根据要求 | | | 21585-30 | 70 | 30 | 49,5 | 9 | 54 ±0,25 | 30 | 19 | M8 |  |  | 根据要求 | | | 21585-40 | 100 | 40 | 65 | 11 | 68±0,25 | 40 | 26 | M10 |  | | 根据要求 | | | 21585-50 | 100 | 50 | 75 | 11 | 75±0,25 | 50 | 36 | M10 |  | | 根据要求 | |
|
|