norelem 使用 Cookies 以优化设计和持续改进网页。您通过继续使用网页,同意使用 Cookies。在我们的数据保护声明中可以找到有关 Cookies 主题的详细信息。同意

商品描述/产品说明

查看/筛选所有商品
产品说明材料:使用石墨,铜质。
钢制。
规格:自润滑性,铜质。
淬火钢,滑动表面烧结金属涂层。
提示:滑板具有垂直的滑动方向。
铜质滑动元件免维护且耐磨损。
石墨嵌件可提供终身润滑效果。
钢制滑板经过淬火处理,滑动表面涂有烧结金属滑动层。
由于采用了烧结金属滑动层,钢制滑板无需维护。
技术参数:材料特性:
基础合金:CuZn25Al5Mn4Fe3-C。
密度:8.2 kg/dm³。
抗弯曲疲劳强度:+/- 150 MPa。
弹性模数:120,000 N/mm²。
摩擦系数:0.05 - 0.12。
最大速度:0.5 m/s。
导热系数:50 W/(mK)。
热膨胀系数:18x10-6 K-1。
电导率:7-8 m/(Ω·m-1)。
固体润滑剂含量:20-25%。
静态表面压力:50 N/mm²。
动态表面压力:35 N/mm²。
温度范围:最高 230 °C。特点:
RoHS
下载此处为收集信息的 PDF:

查找 CAD 数据?请直接在产品列表中查找。
 Datasheet 23765 铜质或钢制滑板,免维护 296 kB

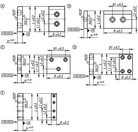
图片(总概述)

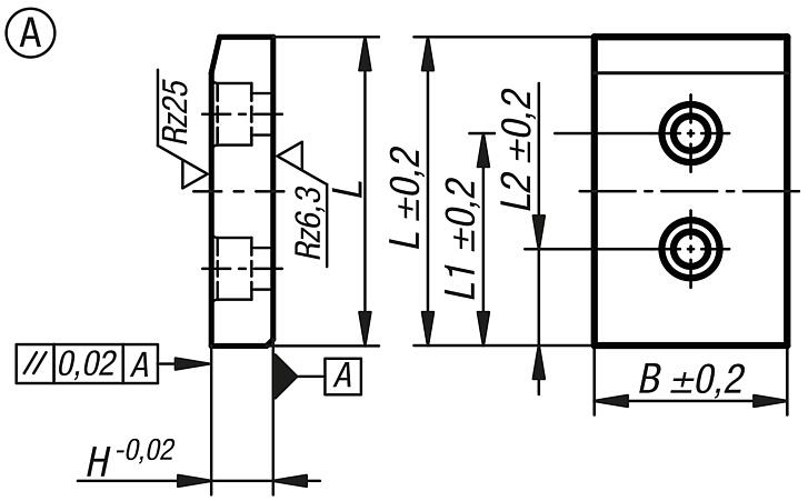
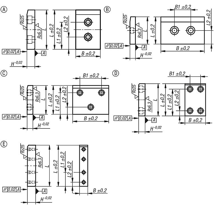
铜质或钢制滑板,免维护

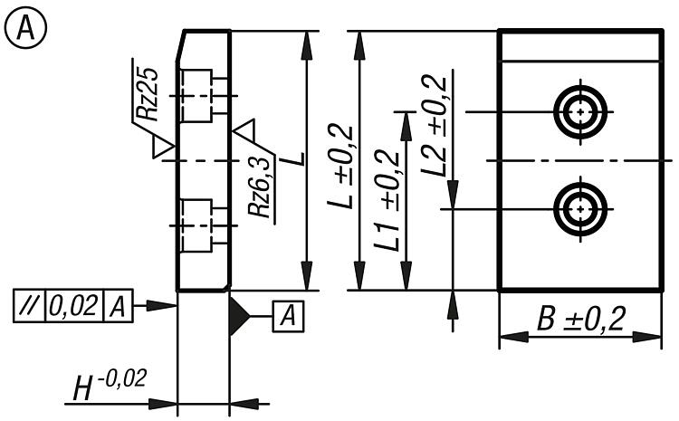
铜质或钢制滑板,免维护,A 型

更多信息

图纸

铜质或钢制滑板,免维护,A 型

商品选择/筛选

订货号类型主体
材料
主体
表面
材料B

HLL1L2CAD配件价格订购
23765-0050080A钢制硬化处理-5020805525 根据要求
23765-0050100A钢制硬化处理-50201007525 根据要求
23765-0050125A钢制硬化处理-502012510025 根据要求
23765-0050160A钢制硬化处理-502016013525 根据要求
23765-0050200A钢制硬化处理-502020017525 根据要求
23765-0080080A钢制硬化处理-8020805525 根据要求
23765-0080100A钢制硬化处理-80201007525 根据要求
23765-0080125A钢制硬化处理-802012510025 根据要求
23765-0080160A钢制硬化处理-802016013525 根据要求
23765-0080200A钢制硬化处理-802020017525 根据要求
23765-0080250A钢制硬化处理-802025021040 根据要求
23765-0080315A钢制硬化处理-802031527540 根据要求
23765-0100100A钢制硬化处理-100201007525 根据要求
23765-0100125A钢制硬化处理-1002012510025 根据要求
23765-0100160A钢制硬化处理-1002016013525 根据要求
23765-0100200A钢制硬化处理-1002020017525 根据要求
23765-0100250A钢制硬化处理-1002025021040 根据要求
23765-0100315A钢制硬化处理-1002031527540 根据要求
23765-00500801A青铜-石墨5020805525 根据要求
23765-00501001A青铜-石墨50201007525 根据要求
23765-00501251A青铜-石墨502012510025 根据要求
23765-00501601A青铜-石墨502016013525 根据要求
23765-00502001A青铜-石墨502020017525 根据要求
23765-00800801A青铜-石墨8020805525 根据要求
23765-00801001A青铜-石墨80201007525 根据要求
23765-00801251A青铜-石墨802012510025 根据要求
23765-00801601A青铜-石墨802016013525 根据要求
23765-00802001A青铜-石墨802020017525 根据要求
23765-00802501A青铜-石墨802025021040 根据要求
23765-00803151A青铜-石墨802031527540 根据要求
23765-01001001A青铜-石墨100201007525 根据要求
23765-01001251A青铜-石墨1002012510025 根据要求
23765-01001601A青铜-石墨1002016013525 根据要求
23765-01002001A青铜-石墨1002020017525 根据要求
23765-01002501A青铜-石墨1002025021040 根据要求
23765-01003151A青铜-石墨1002031527540 根据要求

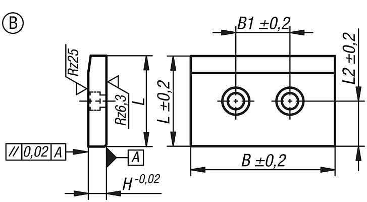
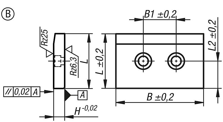
铜质或钢制滑板,免维护,B 型

更多信息

图纸

铜质或钢制滑板,免维护,B 型

商品选择/筛选

订货号类型主体
材料
主体
表面
材料B

B1HLL2CAD配件价格订购
23765-1080050B钢制硬化处理-8030205025 根据要求
23765-1100050B钢制硬化处理-10050205025 根据要求
23765-1100080B钢制硬化处理-10050208040 根据要求
23765-1125050B钢制硬化处理-12575205025 根据要求
23765-1125080B钢制硬化处理-12575208040 根据要求
23765-1160050B钢制硬化处理-160110205025 根据要求
23765-1160080B钢制硬化处理-160110208040 根据要求
23765-10800501B青铜-石墨8030205025 根据要求
23765-11000501B青铜-石墨10050205025 根据要求
23765-11000801B青铜-石墨10050208040 根据要求
23765-11250501B青铜-石墨12575205025 根据要求
23765-11250801B青铜-石墨12575208040 根据要求
23765-11600501B青铜-石墨160110205025 根据要求
23765-11600801B青铜-石墨160110208040 根据要求

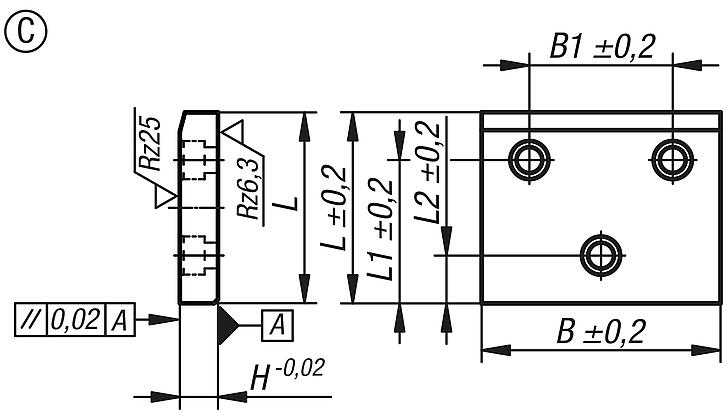
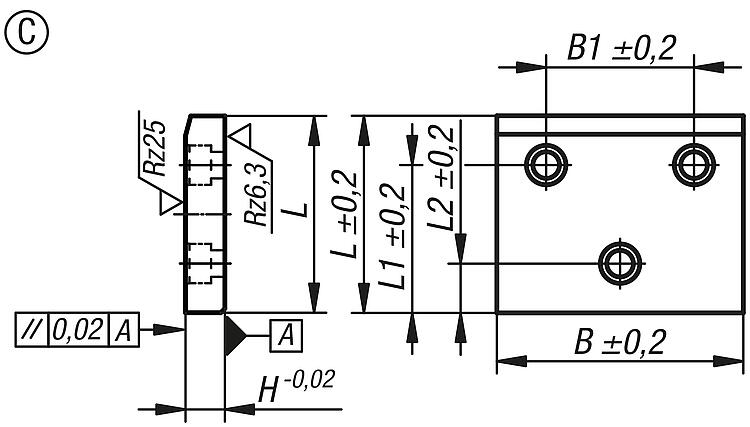
铜质或钢制滑板,免维护,C 型

更多信息

图纸

铜质或钢制滑板,免维护,C 型

商品选择/筛选

订货号类型主体
材料
主体
表面
材料B

B1HLL1L2CAD配件价格订购
23765-2125100C钢制硬化处理-12575201007525 根据要求
23765-2125125C钢制硬化处理-125752012510025 根据要求
23765-2125160C钢制硬化处理-125752016013525 根据要求
23765-2125200C钢制硬化处理-125752020017525 根据要求
23765-2125250C钢制硬化处理-125752025021040 根据要求
23765-2125315C钢制硬化处理-125752031527540 根据要求
23765-2160100C钢制硬化处理-160110201007525 根据要求
23765-2160125C钢制硬化处理-1601102012510025 根据要求
23765-2160160C钢制硬化处理-1601102016013525 根据要求
23765-2160200C钢制硬化处理-1601102020017525 根据要求
23765-21251001C青铜-石墨12575201007525 根据要求
23765-21251251C青铜-石墨125752012510025 根据要求
23765-21251601C青铜-石墨125752016013525 根据要求
23765-21252001C青铜-石墨125752020017525 根据要求
23765-21252501C青铜-石墨125752025021040 根据要求
23765-21253151C青铜-石墨125752031527540 根据要求
23765-21601001C青铜-石墨160110201007525 根据要求
23765-21601251C青铜-石墨1601102012510025 根据要求
23765-21601601C青铜-石墨1601102016013525 根据要求
23765-21602001C青铜-石墨1601102020017525 根据要求

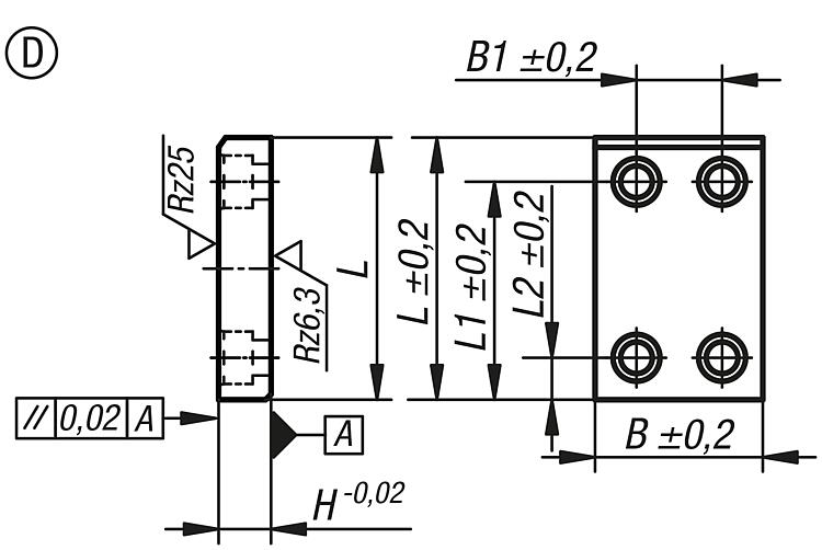
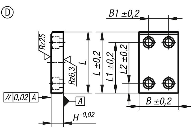
铜质或钢制滑板,免维护,D 型

更多信息

图纸

铜质或钢制滑板,免维护,D 型

商品选择/筛选

订货号类型主体
材料
主体
表面
材料B

B1HLL1L2CAD配件价格订购
23765-3160250D钢制硬化处理-1601102025021040 根据要求
23765-3160315D钢制硬化处理-1601102031527540 根据要求
23765-31602501D青铜-石墨1601102025021040 根据要求
23765-31603151D青铜-石墨1601102031527540 根据要求

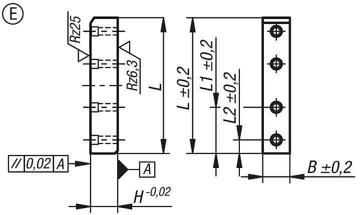
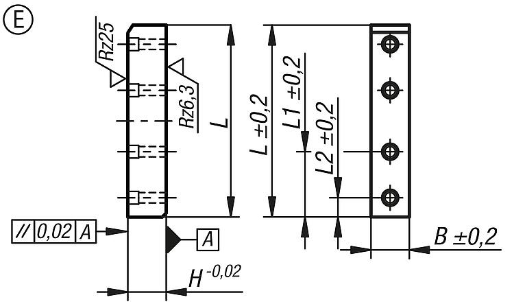
铜质或钢制滑板,免维护,E 型

更多信息

图纸

铜质或钢制滑板,免维护,E 型

商品选择/筛选

订货号类型主体
材料
材料B

HLL1L2CAD配件价格订购
23765-40502501E青铜石墨50202508525 根据要求
23765-40503001E青铜石墨502030010525 根据要求
23765-40503501E青铜石墨502035012525 根据要求
23765-40504001E青铜石墨502040014525 根据要求
23765-40504501E青铜石墨502045016525 根据要求
23765-40505001E青铜石墨502050017525 根据要求
23765-40802501E青铜石墨80202508525 根据要求
23765-40803001E青铜石墨802030010525 根据要求
23765-40803501E青铜石墨802035012525 根据要求
23765-40804001E青铜石墨802040014525 根据要求
23765-40804501E青铜石墨802045016525 根据要求
23765-40805001E青铜石墨802050017525 根据要求
23765-41004501E青铜石墨1002045016525 根据要求
23765-41005001E青铜石墨1002050017525 根据要求
23765-41254501E青铜石墨1252045016525 根据要求
23765-41255001E青铜石墨1252050017525 根据要求
我的 norelemE-Mail密码
购物车
商品数量: 0
总数: 0.00  
点击购物车
欢迎扫描二维码
咨询诺瑞朗官方客服微信
中国
苏ICP备20011289号-1  苏公网安备32058502011222 网页地图 打印 推荐 Top
Copyright © 2025 norelem. 保留所有权利。 电话 +49 71 45/206-44 至 45 · 传真 +49 71 45/206-83