|
|
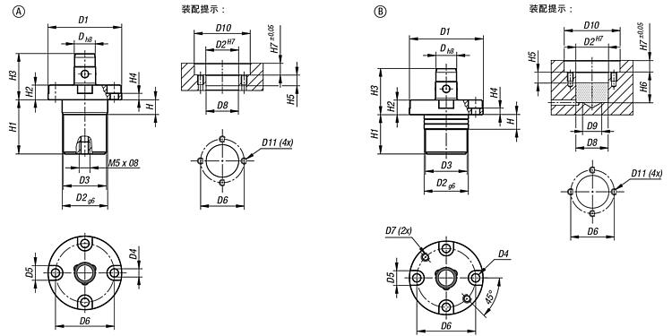
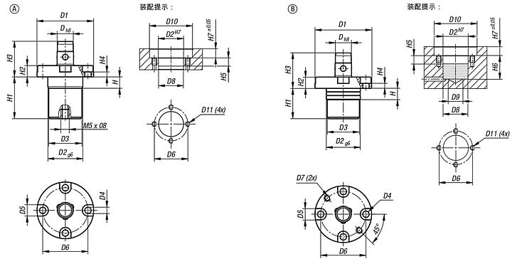
产品说明材料:调制钢。规格:镀镍。提示:通过控制空气,可松开 3 个夹紧顶珠。 3 个夹紧顶珠向内缩回,并且可更换夹具。排出空气后,3 个夹紧顶珠向外延伸,并夹紧夹具。 这种易于使用的系统大大缩短了转换时间。
重复精度为 ± 0.01 mm。附件:03162 气动定位柱固定衬套。特点: 下载此处为收集信息的 PDF:
查找 CAD 数据?请直接在产品列表中查找。
|
| 订货号 | 类型 | D
| D1 | D2 | D3 | D4 | D5 | D6 | D8 | D10 | D11 | H | H2 | H1 | H3 | H4 | H5 | H7 | 夹持力 F1 N | CAD | 配件 | 价格 | 订购 |
|---|
| 03161-112 | A | 12 | 40 | 24 | 23,4 | 4,5 | 8 | 32 | 23,8 | 41 | M4 | 8 | 8 | 29,5 | 25 | 3,5 | 8,5 | 8,5 | 250 |  | | 根据要求 | | | 03161-116 | A | 16 | 51 | 32 | 31,4 | 5,5 | 9,5 | 41 | 31,8 | 52 | M5 | 8,5 | 9,5 | 31,7 | 28,5 | 4 | 9 | 10 | 350 |  | | 根据要求 | |
|
| 订货号 | 类型 | D
| D1 | D2 | D3 | D4 | D5 | D6 | D7 | D8 | D9 | D10 | D11 | H | H2 | H1 | H3 | H4 | H5 | H6 | H7 | 夹持力 F1 N | CAD | 配件 | 价格 | 订购 |
|---|
| 03161-212 | B | 12 | 40 | 24 | 23,4 | 4,5 | 8 | 32 | M4 | 23,8 | 14 | 41 | M4 | 8 | 8 | 24,5 | 25 | 3,5 | 8,5 | 25,5 | 8,5 | 250 |  | | 根据要求 | | | 03161-216 | B | 16 | 51 | 32 | 31,4 | 5,5 | 9,5 | 41 | M5 | 31,8 | 20 | 52 | M5 | 8,5 | 9,5 | 25,5 | 28,5 | 4 | 9 | 26,5 | 10 | 350 |  | | 根据要求 | |
|
|
|