norelem 使用 Cookies 以优化设计和持续改进网页。您通过继续使用网页,同意使用 Cookies。在我们的数据保护声明中可以找到有关 Cookies 主题的详细信息。同意
不锈钢固定衬套 适用于状态传感器
03197-16

不锈钢固定衬套 适用于状态传感器

返回

商品描述/产品说明

查看/筛选所有商品
产品说明产品描述:固定衬套是球形锁销或插销的安装点,它们可以安全准确地卡入其中。

状态传感器的固定衬套有一个夹紧螺母,用于将传感器 Ø3 连接到衬套上。该传感器使其能够以电子方式查询螺栓是否在固定衬套中。
使用多个衬套,可确定球形锁销或插销位于其中哪个衬套中。
材料:

不锈钢制固定衬套 $s14035.
黄铜夹紧螺母。

规格:固定衬套经抛光处理。
夹紧螺母镀镍。
提示:夹紧螺母在供货时未组装。
夹紧螺母的最大紧固扭矩:1.2 Nm。
应用:固定衬套与状态传感器相结合,可实现与驱动相关的过程控制。此外,还可以确保球形锁销或插销处于所需位置。装配:传感器通过夹紧螺母固定在衬套上,并进行轴向调整。最终通过拧紧夹紧螺母将传感器固定到位。

装配说明中描述了详细程序。
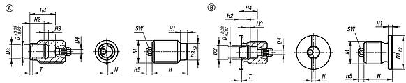
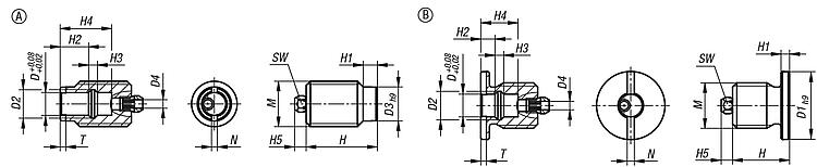
图纸提示:
A型:贯穿螺纹
B型:带螺纹和套圈
特点:
RoHS
下载此处为收集信息的 PDF:

查找 CAD 数据?请直接在产品列表中查找。
 Datasheet 03197-16 不锈钢固定衬套 适用于状态传感器 638 kB

图片(总概述)

不锈钢固定衬套 适用于状态传感器

不锈钢固定衬套,适用于状态传感器,A 型,连续螺纹

更多信息

图纸

不锈钢固定衬套,适用于状态传感器,A 型,连续螺纹

商品选择/筛选

订货号类型形状类型D

D2D3D4HH1H2H3H4H5MNTSWCAD配件价格订购
03197-16-1105120A贯穿螺纹5693254101,516,24M121,51,55 根据要求
03197-16-1106160A贯穿螺纹67,512325510217,14M16225 根据要求
03197-16-1108160A贯穿螺纹810123255103,118,14M16225 根据要求
03197-16-1110240A贯穿螺纹10131833068417,24M242,535 根据要求
03197-16-1112240A贯穿螺纹121518330684,818,24M242,535 根据要求
03197-16-1116300A贯穿螺纹162024335811624,24M302,535 根据要求

不锈钢固定衬套,适用于状态传感器,B 型,带螺纹和轴环

更多信息

图纸

不锈钢固定衬套,适用于状态传感器,B 型,带螺纹和轴环

商品选择/筛选

订货号类型形状类型D

D1D2D4HH1H2H3H4H5MNTSWCAD配件价格订购
03197-16-1205120B带螺纹和套圈5206320351,511,24M12225 根据要求
03197-16-1206160B带螺纹和套圈6247,532035212,14M162,525 根据要求
03197-16-1208160B带螺纹和套圈82410320353,113,14M162,525 根据要求
03197-16-1210240B带螺纹和套圈103413325510419,24M242,535 根据要求
03197-16-1212240B带螺纹和套圈1234153255104,820,24M242,535 根据要求
03197-16-1216300B带螺纹和套圈164020330510623,24M302,535 根据要求
我的 norelemE-Mail密码
购物车
商品数量: 0
总数: 0.00  
点击购物车
欢迎扫描二维码
咨询诺瑞朗官方客服微信
中国
苏ICP备20011289号-1  苏公网安备32058502011222 网页地图 打印 推荐 Top
Copyright © 2025 norelem. 保留所有权利。 电话 +49 71 45/206-44 至 45 · 传真 +49 71 45/206-83