norelem 使用 Cookies 以优化设计和持续改进网页。您通过继续使用网页,同意使用 Cookies。在我们的
数据保护声明
中可以找到有关 Cookies 主题的详细信息。
同意
全球分布
创意
AGB
版权说明
数据保护
产品
企业信息
服务
下载
新闻
联系方式
产品概览
固定
灵活的标准件系统
装配
装配系统
运动
用于机床和设备制造的系统/组件
检查
量具检具组件
夹紧
夹紧技术
控制和调节
电动机构
输送
输送和移动技术
technoshop
norelem inch
英制产品目录
03089
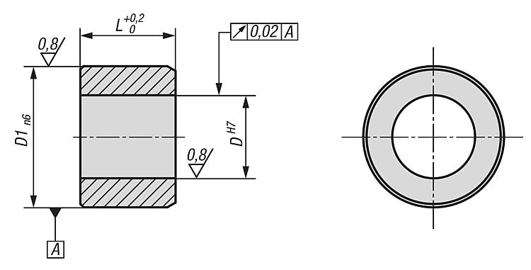
钢制或不锈钢圆柱形衬套,适用于优质锁紧柱塞
返回
产品
产品概览
灵活的标准件系统
弹簧柱塞、 分度销、 挡块、 定心和定位元件、 固定装置、 型槽螺母
锁紧柱塞
钢制或不锈钢圆柱形衬套,适用于优质锁紧柱塞
商品描述/产品说明
产品说明
材料:
钢制或不锈钢 1.4034。
规格:
钢制:
经硬化、抛光和黑色氧化处理。
不锈钢:
亮色,经硬化、抛光处理。
提示:
圆柱顶销精密分度销 03089 配套定位衬套。
装配:
为了提高同心度,可以一起加工套筒和定位衬套的安装孔。
特点:
下载
此处为收集信息的 PDF:
查找 CAD 数据?请直接在产品列表中查找。
Datasheet 03089 钢制或不锈钢圆柱形衬套,适用于优质锁紧柱塞
137 kB
图纸
商品选择/筛选
订货号
主体
材料
D
D1
L
CAD
配件
价格
订购
03089-9005
钢制
5
8
6
根据要求
03089-9006
钢制
6
10
7
根据要求
03089-9008
钢制
8
13,5
9,5
根据要求
03089-9010
钢制
10
17
11,5
根据要求
03089-90005
不锈钢
5
8
6
根据要求
03089-90006
不锈钢
6
10
7
根据要求
03089-90008
不锈钢
8
13,5
9,5
根据要求
03089-90010
不锈钢
10
17
11,5
根据要求
本类目的其他商品
<<
|
<
|
1-10
|
11-20
|
21-30
|
31-40
|
41-50
|
51-60
|
61-70
|
>
|
>>
03089
钢制或不锈钢锁紧柱塞,带塑料蘑菇头把手
03089
钢制或不锈钢锁紧柱塞,带塑料蘑菇头把手和螺纹锁扣
03089
钢制或不锈钢锁紧柱塞,带塑料蘑菇头把手和加长锁紧销
03089
钢制或不锈钢短型锁紧柱塞,带塑料蘑菇头把手
03089
钢制或不锈钢短型锁紧柱塞,带塑料蘑菇头把手和螺纹锁扣
03089
钢制或不锈钢锁紧柱塞,带不锈钢蘑菇头把手
03089
不锈钢锁紧柱塞,带不锈钢蘑菇头把手和加长柱塞顶销
03089
不锈钢短型分度销,带不锈钢蘑菇头把手
03089
用于薄壁部件钢制或不锈钢锁紧柱塞,带塑料蘑菇头把手
03089
特级钢制或不锈钢锁紧柱塞,带塑料蘑菇头把手和圆柱形锁紧销
<<
|
<
|
1-10
|
11-20
|
21-30
|
31-40
|
41-50
|
51-60
|
61-70
|
>
|
>>
我的 norelem
E-Mail
密码
忘记密码
首次登陆
购物车
商品数量:
0
总数:
0.00
€
点击购物车
欢迎扫描二维码
咨询诺瑞朗官方客服微信
Algérie
Andorra
Argentina
Australia
België
Bolivia
Bosna i Hercegovina
Brasil
Canada
Česká republika
Chile
中国
Colombia
Costa Rica
Cuba
Danmark
Dem. Peop. Rep. of Korea
Deutschland
Ecuador
Eesti
España
Georgia
香港
Hrvatska
India
Ireland
Ísland
Italia
Jamaica
日本
Latvija
Liechtenstein
Lietuvos
Luxemburg
Magyarország
Malaysia
Malta
México
Nederland
New Zealand
Norge
Österreich
Pakistan
Paraguay
Perú
Polska
Portugal
Principauté de Monaco
台灣
Rep. di San Marino
대한민국
România
Schweiz
Singapore
Slovenija
Slovensko
South Africa
Suomi
Sverige
Türkiye
United Kingdom
United States of America
Uruguay
Venezuela
Việt Nam
Ελλάδα
Κύπρος
Беларусь
България
Република Србија
Россия
Србија и Црна Гора
Україна
ישראל
الامارات العربية المتحدة
السعودية
ايران
مصر
ประเทศไทย
Chinese
English
苏ICP备20011289号-1
苏公网安备32058502011222
网页地图
打印
推荐
Top
Copyright © 2025 norelem. 保留所有权利。
电话 +49 71 45/206-44 至 45 · 传真 +49 71 45/206-83