|
|
|
03089钢制或不锈钢锁紧柱塞,带塑料蘑菇头把手和螺纹锁扣 |
返回 |
|
|
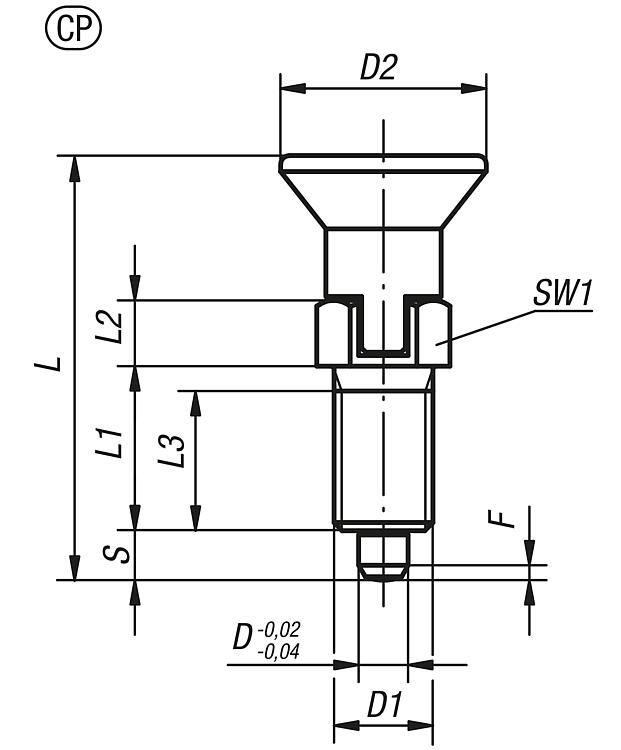
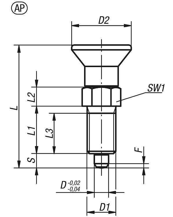
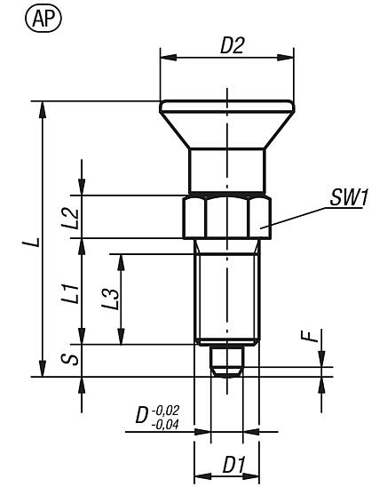
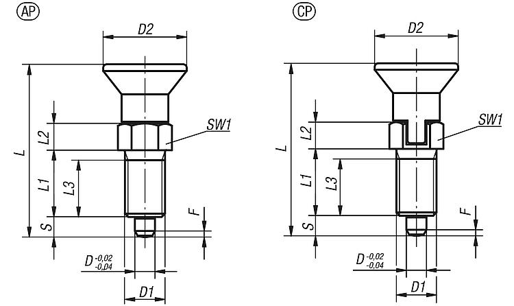
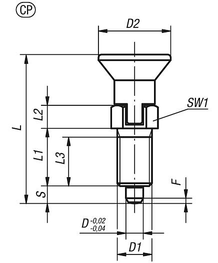
产品说明产品描述:分度销用于防止横向力导致锁紧位置更改。只有用手将顶销拔出后才能移动到新的锁紧位置。如果柱塞需要维持在拔出状态较长时间并避免顶销弹回,可选用 CP 型。
通过螺纹锁可将安装深度精确设置为与现有部件相同,因此无需限位器。 材料:钢制规格:
螺纹套筒和柱塞顶销采用易切削钢。
不锈钢规格:
螺纹套筒 1.4305。
柱塞顶销 1.4034。
热塑性塑料蘑菇头把手。
尼龙螺纹锁。 规格:钢制版本: 螺纹套筒经氧化处理。 锁销经过硬化、研磨和氧化处理。
不锈钢规格: 亮色螺纹套筒。 柱塞顶销经硬化并打磨处理,亮色。
黑灰色 RAL7021 蘑菇头把手。
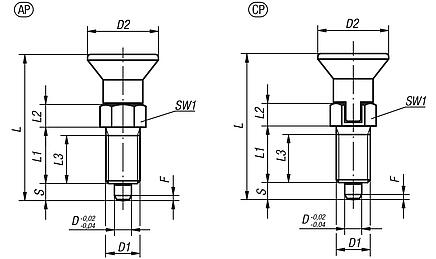
蓝色螺纹锁。提示:螺纹锁是一种夹紧的尼龙涂层,是点状(斑点)涂覆的。根据要求:特殊类型。图纸提示:AP型: 不带拔出锁槽, 不带锁紧螺母 CP型: 带拔出锁槽, 不带锁紧螺母 特点: 下载此处为收集信息的 PDF:
查找 CAD 数据?请直接在产品列表中查找。
|
钢制或不锈钢锁紧柱塞,带塑料蘑菇头把手和螺纹锁扣 |
更多信息 |
订货号 钢制 | 订货号 不锈钢 | 类型 | D
| D1 | D2 | L | L1 | L2 | L3 | 行程 S | SW1 | Fx30° | 初始位置 弹簧弹力 F1 约 N | 终点位置 弹簧弹力 F2 约 N | 筛选 |
|---|
| 03089-91903 | 03089-091903 | AP | 3 | M6x0,75 | 14 | 31,5 | 12 | 5 | 10 | 3,5 | 8 | 0,8 | 4,5 | 10 |  | | 03089-91004 | 03089-091004 | AP | 4 | M8x1 | 18 | 38,5 | 15 | 6 | 13 | 4 | 10 | 1 | 6 | 12 |  | | 03089-91105 | 03089-091105 | AP | 5 | M10x1 | 21 | 43,5 | 17 | 7 | 15 | 5 | 13 | 1,3 | 5 | 12 |  | | 03089-91206 | 03089-091206 | AP | 6 | M12x1,5 | 25 | 51,7 | 20 | 8 | 17 | 6 | 14 | 1,8 | 6 | 14 |  | | 03089-91308 | 03089-091308 | AP | 8 | M16x1,5 | 33 | 68 | 26 | 10 | 23 | 8 | 19 | 2,3 | 15 | 35 |  | | 03089-91410 | 03089-091410 | AP | 10 | M20x1,5 | 33 | 74 | 28 | 12 | 25 | 10 | 22 | 2,8 | 15 | 34 |  | | 03089-91412 | 03089-091412 | AP | 12 | M20x1,5 | 33 | 78 | 28 | 14 | 25 | 12 | 22 | 2,8 | 15 | 39 |  | | 03089-91516 | 03089-091516 | AP | 16 | M24x2 | 40 | 96 | 32 | 18 | 28 | 16 | 27 | 3,2 | 20 | 46 |  |
|
钢制或不锈钢锁紧柱塞,带塑料蘑菇头把手、螺纹锁扣和拔出锁槽 |
更多信息 |
订货号 钢制 | 订货号 不锈钢 | 类型 | D
| D1 | D2 | L | L1 | L2 | L3 | 行程 S | SW1 | Fx30° | 初始位置 弹簧弹力 F1 约 N | 终点位置 弹簧弹力 F2 约 N | 筛选 |
|---|
| 03089-93903 | 03089-093903 | CP | 3 | M6x0,75 | 14 | 31,5 | 12 | 5 | 10 | 3,5 | 8 | 0,8 | 4,5 | 10 |  | | 03089-93004 | 03089-093004 | CP | 4 | M8x1 | 18 | 38,5 | 15 | 6 | 13 | 4 | 10 | 1 | 6 | 12 |  | | 03089-93105 | 03089-093105 | CP | 5 | M10x1 | 21 | 43,5 | 17 | 7 | 15 | 5 | 13 | 1,3 | 5 | 12 |  | | 03089-93206 | 03089-093206 | CP | 6 | M12x1,5 | 25 | 51,7 | 20 | 8 | 17 | 6 | 14 | 1,8 | 6 | 14 |  | | 03089-93308 | 03089-093308 | CP | 8 | M16x1,5 | 33 | 68 | 26 | 10 | 23 | 8 | 19 | 2,3 | 15 | 35 |  | | 03089-93410 | 03089-093410 | CP | 10 | M20x1,5 | 33 | 74 | 28 | 12 | 25 | 10 | 22 | 2,8 | 15 | 34 |  | | 03089-93412 | 03089-093412 | CP | 12 | M20x1,5 | 33 | 78 | 28 | 14 | 25 | 12 | 22 | 2,8 | 15 | 39 |  | | 03089-93516 | 03089-093516 | CP | 16 | M24x2 | 40 | 96 | 32 | 18 | 28 | 16 | 27 | 3,2 | 20 | 46 |  |
|
|
|