|
|
|
03089钢制或不锈钢短型锁紧柱塞,带塑料蘑菇头把手 |
返回 |
|
|
产品说明产品描述:分度销用于固定工件防止侧向位置移动。只有将顶销拔出后才能移动到新位置。如果柱塞需要维持在拔出状态较长时间,为避免顶销弹回,可选用C型或D型。材料:钢制规格:
易切削钢螺纹套筒和柱塞顶销。
不锈钢规格:
螺纹套筒和柱塞顶销 1.4305。
热塑性塑料蘑菇头把手。
规格:钢制规格: 螺纹套筒经氧化处理。 锁销经过硬化、研磨和氧化处理。
不锈钢规格: 亮色螺纹套筒。 柱塞顶销未经硬化并打磨处理,亮色。
RAL7021 黑灰色或 RAL3020 交通红色把手。根据要求:特殊类型。图纸提示:A型: 不带拔出锁槽, 不带锁紧螺母 B型: 不带拔出锁槽, 带锁紧螺母 C型: 带拔出锁槽, 不带锁紧螺母 D型: 带拔出锁槽, 带锁紧螺母 下载此处为收集信息的 PDF:
查找 CAD 数据?请直接在产品列表中查找。
|
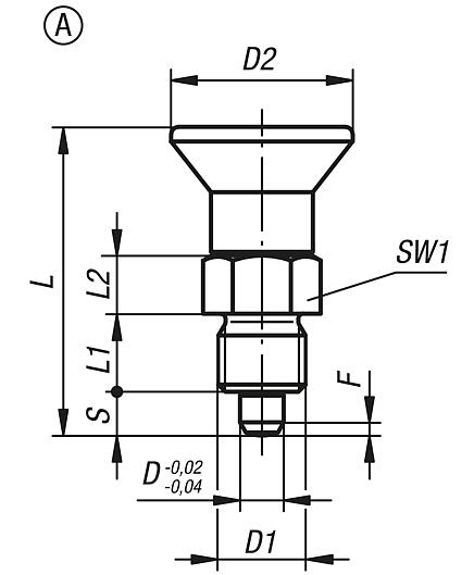
钢制或不锈钢短型锁紧柱塞,带塑料蘑菇头把手,无拔出锁槽,无锁紧螺母 |
更多信息 |
| 订货号 | 类型 | 主体 材料 | 主体 表面 | 组件 颜色 | D
| D1 | D2 | L | L1 | L2 | 行程 S | SW1 | Fx30° | 初始位置 弹簧弹力 F1 约 N | 终点位置 弹簧弹力 F2 约 N | CAD | 配件 | 价格 | 订购 |
|---|
| 03089-5903 | A | 钢制 | 硬化处理 | 黑灰色 RAL 7021 | 3 | M6x0,75 | 14 | 25,5 | 6 | 5 | 3,5 | 8 | 0,8 | 4 | 10 |  | | 根据要求 | | | 03089-5004 | A | 钢制 | 硬化处理 | 黑灰色 RAL 7021 | 4 | M8x1 | 18 | 29,5 | 6 | 6 | 4 | 10 | 1 | 4 | 12 |  |  | 根据要求 | | | 03089-5105 | A | 钢制 | 硬化处理 | 黑灰色 RAL 7021 | 5 | M10x1 | 21 | 34,5 | 8 | 7 | 5 | 13 | 1,3 | 5 | 12 |  |  | 根据要求 | | | 03089-5206 | A | 钢制 | 硬化处理 | 黑灰色 RAL 7021 | 6 | M12x1,5 | 25 | 41,7 | 10 | 8 | 6 | 14 | 1,8 | 6 | 14 |  |  | 根据要求 | | | 03089-5308 | A | 钢制 | 硬化处理 | 黑灰色 RAL 7021 | 8 | M16x1,5 | 33 | 54 | 12 | 10 | 8 | 19 | 2,3 | 14 | 28 |  |  | 根据要求 | | | 03089-5410 | A | 钢制 | 硬化处理 | 黑灰色 RAL 7021 | 10 | M20x1,5 | 33 | 61 | 15 | 12 | 10 | 22 | 2,8 | 15 | 32 |  | | 根据要求 | | | 03089-590384 | A | 钢制 | 硬化处理 | 红色 RAL 3020 | 3 | M6x0,75 | 14 | 25,5 | 6 | 5 | 3,5 | 8 | 0,8 | 4 | 10 |  | | 根据要求 | | | 03089-500484 | A | 钢制 | 硬化处理 | 红色 RAL 3020 | 4 | M8x1 | 18 | 29,5 | 6 | 6 | 4 | 10 | 1 | 4 | 12 |  | | 根据要求 | | | 03089-510584 | A | 钢制 | 硬化处理 | 红色 RAL 3020 | 5 | M10x1 | 21 | 34,5 | 8 | 7 | 5 | 13 | 1,3 | 5 | 12 |  | | 根据要求 | | | 03089-520684 | A | 钢制 | 硬化处理 | 红色 RAL 3020 | 6 | M12x1,5 | 25 | 41,7 | 10 | 8 | 6 | 14 | 1,8 | 6 | 14 |  | | 根据要求 | | | 03089-530884 | A | 钢制 | 硬化处理 | 红色 RAL 3020 | 8 | M16x1,5 | 33 | 54 | 12 | 10 | 8 | 19 | 2,3 | 14 | 28 |  | | 根据要求 | | | 03089-541084 | A | 钢制 | 硬化处理 | 红色 RAL 3020 | 10 | M20x1,5 | 33 | 61 | 15 | 12 | 10 | 22 | 2,8 | 15 | 32 |  | | 根据要求 | | | 03089-15903 | A | 不锈钢 | 未硬化处理 | 黑灰色 RAL 7021 | 3 | M6x0,75 | 14 | 25,5 | 6 | 5 | 3,5 | 8 | 0,8 | 4 | 10 |  | | 根据要求 | | | 03089-15004 | A | 不锈钢 | 未硬化处理 | 黑灰色 RAL 7021 | 4 | M8x1 | 18 | 29,5 | 6 | 6 | 4 | 10 | 1 | 4 | 12 |  |  | 根据要求 | | | 03089-15105 | A | 不锈钢 | 未硬化处理 | 黑灰色 RAL 7021 | 5 | M10x1 | 21 | 34,5 | 8 | 7 | 5 | 13 | 1,3 | 5 | 12 |  |  | 根据要求 | | | 03089-15206 | A | 不锈钢 | 未硬化处理 | 黑灰色 RAL 7021 | 6 | M12x1,5 | 25 | 41,7 | 10 | 8 | 6 | 14 | 1,8 | 6 | 14 |  |  | 根据要求 | | | 03089-15308 | A | 不锈钢 | 未硬化处理 | 黑灰色 RAL 7021 | 8 | M16x1,5 | 33 | 54 | 12 | 10 | 8 | 19 | 2,3 | 14 | 28 |  |  | 根据要求 | | | 03089-15410 | A | 不锈钢 | 未硬化处理 | 黑灰色 RAL 7021 | 10 | M20x1,5 | 33 | 61 | 15 | 12 | 10 | 22 | 2,8 | 15 | 32 |  | | 根据要求 | | | 03089-1590384 | A | 不锈钢 | 未硬化处理 | 红色 RAL 3020 | 3 | M6x0,75 | 14 | 25,5 | 6 | 5 | 3,5 | 8 | 0,8 | 4 | 10 |  | | 根据要求 | | | 03089-1500484 | A | 不锈钢 | 未硬化处理 | 红色 RAL 3020 | 4 | M8x1 | 18 | 29,5 | 6 | 6 | 4 | 10 | 1 | 4 | 12 |  | | 根据要求 | | | 03089-1510584 | A | 不锈钢 | 未硬化处理 | 红色 RAL 3020 | 5 | M10x1 | 21 | 34,5 | 8 | 7 | 5 | 13 | 1,3 | 5 | 12 |  | | 根据要求 | | | 03089-1520684 | A | 不锈钢 | 未硬化处理 | 红色 RAL 3020 | 6 | M12x1,5 | 25 | 41,7 | 10 | 8 | 6 | 14 | 1,8 | 6 | 14 |  | | 根据要求 | | | 03089-1530884 | A | 不锈钢 | 未硬化处理 | 红色 RAL 3020 | 8 | M16x1,5 | 33 | 54 | 12 | 10 | 8 | 19 | 2,3 | 14 | 28 |  | | 根据要求 | | | 03089-1541084 | A | 不锈钢 | 未硬化处理 | 红色 RAL 3020 | 10 | M20x1,5 | 33 | 61 | 15 | 12 | 10 | 22 | 2,8 | 15 | 32 |  | | 根据要求 | |
|
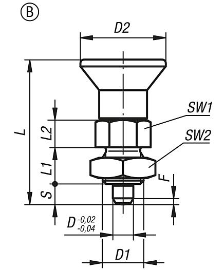
钢制或不锈钢短型锁紧柱塞,带塑料蘑菇头把手,无拔出锁槽,带锁紧螺母
|
更多信息 |
| 订货号 | 类型 | 主体 材料 | 主体 表面 | 组件 颜色 | D
| D1 | D2 | L | L1 | L2 | 行程 S | SW1 | SW2 | Fx30° | 初始位置 弹簧弹力 F1 约 N | 终点位置 弹簧弹力 F2 约 N | CAD | 配件 | 价格 | 订购 |
|---|
| 03089-6903 | B | 钢制 | 硬化处理 | 黑灰色 RAL 7021 | 3 | M6x0,75 | 14 | 25,5 | 6 | 5 | 3,5 | 8 | 10 | 0,8 | 4 | 10 |  | | 根据要求 | | | 03089-6004 | B | 钢制 | 硬化处理 | 黑灰色 RAL 7021 | 4 | M8x1 | 18 | 29,5 | 6 | 6 | 4 | 10 | 13 | 1 | 4 | 12 |  |  | 根据要求 | | | 03089-6105 | B | 钢制 | 硬化处理 | 黑灰色 RAL 7021 | 5 | M10x1 | 21 | 34,5 | 8 | 7 | 5 | 13 | 17 | 1,3 | 5 | 12 |  |  | 根据要求 | | | 03089-6206 | B | 钢制 | 硬化处理 | 黑灰色 RAL 7021 | 6 | M12x1,5 | 25 | 41,7 | 10 | 8 | 6 | 14 | 19 | 1,8 | 6 | 14 |  |  | 根据要求 | | | 03089-6308 | B | 钢制 | 硬化处理 | 黑灰色 RAL 7021 | 8 | M16x1,5 | 33 | 54 | 12 | 10 | 8 | 19 | 24 | 2,3 | 14 | 28 |  |  | 根据要求 | | | 03089-6410 | B | 钢制 | 硬化处理 | 黑灰色 RAL 7021 | 10 | M20x1,5 | 33 | 61 | 15 | 12 | 10 | 22 | 30 | 2,8 | 15 | 32 |  | | 根据要求 | | | 03089-690384 | B | 钢制 | 硬化处理 | 红色 RAL 3020 | 3 | M6x0,75 | 14 | 25,5 | 6 | 5 | 3,5 | 8 | 10 | 0,8 | 4 | 10 |  | | 根据要求 | | | 03089-600484 | B | 钢制 | 硬化处理 | 红色 RAL 3020 | 4 | M8x1 | 18 | 29,5 | 6 | 6 | 4 | 10 | 13 | 1 | 4 | 12 |  | | 根据要求 | | | 03089-610584 | B | 钢制 | 硬化处理 | 红色 RAL 3020 | 5 | M10x1 | 21 | 34,5 | 8 | 7 | 5 | 13 | 17 | 1,3 | 5 | 12 |  | | 根据要求 | | | 03089-620684 | B | 钢制 | 硬化处理 | 红色 RAL 3020 | 6 | M12x1,5 | 25 | 41,7 | 10 | 8 | 6 | 14 | 19 | 1,8 | 6 | 14 |  | | 根据要求 | | | 03089-630884 | B | 钢制 | 硬化处理 | 红色 RAL 3020 | 8 | M16x1,5 | 33 | 54 | 12 | 10 | 8 | 19 | 24 | 2,3 | 14 | 28 |  | | 根据要求 | | | 03089-641084 | B | 钢制 | 硬化处理 | 红色 RAL 3020 | 10 | M20x1,5 | 33 | 61 | 15 | 12 | 10 | 22 | 30 | 2,8 | 15 | 32 |  | | 根据要求 | | | 03089-16903 | B | 不锈钢 | 未硬化处理 | 黑灰色 RAL 7021 | 3 | M6x0,75 | 14 | 25,5 | 6 | 5 | 3,5 | 8 | 10 | 0,8 | 4 | 10 |  | | 根据要求 | | | 03089-16004 | B | 不锈钢 | 未硬化处理 | 黑灰色 RAL 7021 | 4 | M8x1 | 18 | 29,5 | 6 | 6 | 4 | 10 | 13 | 1 | 4 | 12 |  |  | 根据要求 | | | 03089-16105 | B | 不锈钢 | 未硬化处理 | 黑灰色 RAL 7021 | 5 | M10x1 | 21 | 34,5 | 8 | 7 | 5 | 13 | 17 | 1,3 | 5 | 12 |  |  | 根据要求 | | | 03089-16206 | B | 不锈钢 | 未硬化处理 | 黑灰色 RAL 7021 | 6 | M12x1,5 | 25 | 41,7 | 10 | 8 | 6 | 14 | 19 | 1,8 | 6 | 14 |  |  | 根据要求 | | | 03089-16308 | B | 不锈钢 | 未硬化处理 | 黑灰色 RAL 7021 | 8 | M16x1,5 | 33 | 54 | 12 | 10 | 8 | 19 | 24 | 2,3 | 14 | 28 |  |  | 根据要求 | | | 03089-16410 | B | 不锈钢 | 未硬化处理 | 黑灰色 RAL 7021 | 10 | M20x1,5 | 33 | 61 | 15 | 12 | 10 | 22 | 30 | 2,8 | 15 | 32 |  | | 根据要求 | | | 03089-1690384 | B | 不锈钢 | 未硬化处理 | 红色 RAL 3020 | 3 | M6x0,75 | 14 | 25,5 | 6 | 5 | 3,5 | 8 | 10 | 0,8 | 4 | 10 |  | | 根据要求 | | | 03089-1600484 | B | 不锈钢 | 未硬化处理 | 红色 RAL 3020 | 4 | M8x1 | 18 | 29,5 | 6 | 6 | 4 | 10 | 13 | 1 | 4 | 12 |  | | 根据要求 | | | 03089-1610584 | B | 不锈钢 | 未硬化处理 | 红色 RAL 3020 | 5 | M10x1 | 21 | 34,5 | 8 | 7 | 5 | 13 | 17 | 1,3 | 5 | 12 |  | | 根据要求 | | | 03089-1620684 | B | 不锈钢 | 未硬化处理 | 红色 RAL 3020 | 6 | M12x1,5 | 25 | 41,7 | 10 | 8 | 6 | 14 | 19 | 1,8 | 6 | 14 |  | | 根据要求 | | | 03089-1630884 | B | 不锈钢 | 未硬化处理 | 红色 RAL 3020 | 8 | M16x1,5 | 33 | 54 | 12 | 10 | 8 | 19 | 24 | 2,3 | 14 | 28 |  | | 根据要求 | | | 03089-1641084 | B | 不锈钢 | 未硬化处理 | 红色 RAL 3020 | 10 | M20x1,5 | 33 | 61 | 15 | 12 | 10 | 22 | 30 | 2,8 | 15 | 32 |  | | 根据要求 | |
|
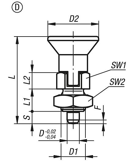
钢制或不锈钢短型锁紧柱塞,带塑料蘑菇头把手和拔出锁槽,无锁紧螺母 |
更多信息 |
| 订货号 | 类型 | 主体 材料 | 主体 表面 | 组件 颜色 | D
| D1 | D2 | L | L1 | L2 | 行程 S | SW1 | Fx30° | 初始位置 弹簧弹力 F1 约 N | 终点位置 弹簧弹力 F2 约 N | CAD | 配件 | 价格 | 订购 |
|---|
| 03089-7903 | C | 钢制 | 硬化处理 | 黑灰色 RAL 7021 | 3 | M6x0,75 | 14 | 25,5 | 6 | 5 | 3,5 | 8 | 0,8 | 4 | 10 |  | | 根据要求 | | | 03089-7004 | C | 钢制 | 硬化处理 | 黑灰色 RAL 7021 | 4 | M8x1 | 18 | 29,5 | 6 | 6 | 4 | 10 | 1 | 4 | 12 |  |  | 根据要求 | | | 03089-7105 | C | 钢制 | 硬化处理 | 黑灰色 RAL 7021 | 5 | M10x1 | 21 | 34,5 | 8 | 7 | 5 | 13 | 1,3 | 5 | 12 |  |  | 根据要求 | | | 03089-7206 | C | 钢制 | 硬化处理 | 黑灰色 RAL 7021 | 6 | M12x1,5 | 25 | 41,7 | 10 | 8 | 6 | 14 | 1,8 | 6 | 14 |  |  | 根据要求 | | | 03089-7308 | C | 钢制 | 硬化处理 | 黑灰色 RAL 7021 | 8 | M16x1,5 | 33 | 54 | 12 | 10 | 8 | 19 | 2,3 | 14 | 28 |  |  | 根据要求 | | | 03089-7410 | C | 钢制 | 硬化处理 | 黑灰色 RAL 7021 | 10 | M20x1,5 | 33 | 61 | 15 | 12 | 10 | 22 | 2,8 | 15 | 32 |  | | 根据要求 | | | 03089-790384 | C | 钢制 | 硬化处理 | 红色 RAL 3020 | 3 | M6x0,75 | 14 | 25,5 | 6 | 5 | 3,5 | 8 | 0,8 | 4 | 10 |  | | 根据要求 | | | 03089-700484 | C | 钢制 | 硬化处理 | 红色 RAL 3020 | 4 | M8x1 | 18 | 29,5 | 6 | 6 | 4 | 10 | 1 | 4 | 12 |  | | 根据要求 | | | 03089-710584 | C | 钢制 | 硬化处理 | 红色 RAL 3020 | 5 | M10x1 | 21 | 34,5 | 8 | 7 | 5 | 13 | 1,3 | 5 | 12 |  | | 根据要求 | | | 03089-720684 | C | 钢制 | 硬化处理 | 红色 RAL 3020 | 6 | M12x1,5 | 25 | 41,7 | 10 | 8 | 6 | 14 | 1,8 | 6 | 14 |  | | 根据要求 | | | 03089-730884 | C | 钢制 | 硬化处理 | 红色 RAL 3020 | 8 | M16x1,5 | 33 | 54 | 12 | 10 | 8 | 19 | 2,3 | 14 | 28 |  | | 根据要求 | | | 03089-741084 | C | 钢制 | 硬化处理 | 红色 RAL 3020 | 10 | M20x1,5 | 33 | 61 | 15 | 12 | 10 | 22 | 2,8 | 15 | 32 |  | | 根据要求 | | | 03089-17903 | C | 不锈钢 | 未硬化处理 | 黑灰色 RAL 7021 | 3 | M6x0,75 | 14 | 25,5 | 6 | 5 | 3,5 | 8 | 0,8 | 4 | 10 |  | | 根据要求 | | | 03089-17004 | C | 不锈钢 | 未硬化处理 | 黑灰色 RAL 7021 | 4 | M8x1 | 18 | 29,5 | 6 | 6 | 4 | 10 | 1 | 4 | 12 |  |  | 根据要求 | | | 03089-17105 | C | 不锈钢 | 未硬化处理 | 黑灰色 RAL 7021 | 5 | M10x1 | 21 | 34,5 | 8 | 7 | 5 | 13 | 1,3 | 5 | 12 |  |  | 根据要求 | | | 03089-17206 | C | 不锈钢 | 未硬化处理 | 黑灰色 RAL 7021 | 6 | M12x1,5 | 25 | 41,7 | 10 | 8 | 6 | 14 | 1,8 | 6 | 14 |  |  | 根据要求 | | | 03089-17308 | C | 不锈钢 | 未硬化处理 | 黑灰色 RAL 7021 | 8 | M16x1,5 | 33 | 54 | 12 | 10 | 8 | 19 | 2,3 | 14 | 28 |  |  | 根据要求 | | | 03089-17410 | C | 不锈钢 | 未硬化处理 | 黑灰色 RAL 7021 | 10 | M20x1,5 | 33 | 61 | 15 | 12 | 10 | 22 | 2,8 | 15 | 32 |  | | 根据要求 | | | 03089-1790384 | C | 不锈钢 | 未硬化处理 | 红色 RAL 3020 | 3 | M6x0,75 | 14 | 25,5 | 6 | 5 | 3,5 | 8 | 0,8 | 4 | 10 |  | | 根据要求 | | | 03089-1700484 | C | 不锈钢 | 未硬化处理 | 红色 RAL 3020 | 4 | M8x1 | 18 | 29,5 | 6 | 6 | 4 | 10 | 1 | 4 | 12 |  | | 根据要求 | | | 03089-1710584 | C | 不锈钢 | 未硬化处理 | 红色 RAL 3020 | 5 | M10x1 | 21 | 34,5 | 8 | 7 | 5 | 13 | 1,3 | 5 | 12 |  | | 根据要求 | | | 03089-1720684 | C | 不锈钢 | 未硬化处理 | 红色 RAL 3020 | 6 | M12x1,5 | 25 | 41,7 | 10 | 8 | 6 | 14 | 1,8 | 6 | 14 |  | | 根据要求 | | | 03089-1730884 | C | 不锈钢 | 未硬化处理 | 红色 RAL 3020 | 8 | M16x1,5 | 33 | 54 | 12 | 10 | 8 | 19 | 2,3 | 14 | 28 |  | | 根据要求 | | | 03089-1741084 | C | 不锈钢 | 未硬化处理 | 红色 RAL 3020 | 10 | M20x1,5 | 33 | 61 | 15 | 12 | 10 | 22 | 2,8 | 15 | 32 |  | | 根据要求 | |
|
钢制或不锈钢短型锁紧柱塞,带塑料蘑菇头把手、拔出锁槽和锁紧螺母 |
更多信息 |
| 订货号 | 类型 | 主体 材料 | 主体 表面 | 组件 颜色 | D
| D1 | D2 | L | L1 | L2 | 行程 S | SW1 | SW2 | Fx30° | 初始位置 弹簧弹力 F1 约 N | 终点位置 弹簧弹力 F2 约 N | CAD | 配件 | 价格 | 订购 |
|---|
| 03089-8903 | D | 钢制 | 硬化处理 | 黑灰色 RAL 7021 | 3 | M6x0,75 | 14 | 25,5 | 6 | 5 | 3,5 | 8 | 10 | 0,8 | 4 | 10 |  | | 根据要求 | | | 03089-8004 | D | 钢制 | 硬化处理 | 黑灰色 RAL 7021 | 4 | M8x1 | 18 | 29,5 | 6 | 6 | 4 | 10 | 13 | 1 | 4 | 12 |  |  | 根据要求 | | | 03089-8105 | D | 钢制 | 硬化处理 | 黑灰色 RAL 7021 | 5 | M10x1 | 21 | 34,5 | 8 | 7 | 5 | 13 | 17 | 1,3 | 5 | 12 |  |  | 根据要求 | | | 03089-8206 | D | 钢制 | 硬化处理 | 黑灰色 RAL 7021 | 6 | M12x1,5 | 25 | 41,7 | 10 | 8 | 6 | 14 | 19 | 1,8 | 6 | 14 |  |  | 根据要求 | | | 03089-8308 | D | 钢制 | 硬化处理 | 黑灰色 RAL 7021 | 8 | M16x1,5 | 33 | 54 | 12 | 10 | 8 | 19 | 24 | 2,3 | 14 | 28 |  |  | 根据要求 | | | 03089-8410 | D | 钢制 | 硬化处理 | 黑灰色 RAL 7021 | 10 | M20x1,5 | 33 | 61 | 15 | 12 | 10 | 22 | 30 | 2,8 | 15 | 32 |  | | 根据要求 | | | 03089-890384 | D | 钢制 | 硬化处理 | 红色 RAL 3020 | 3 | M6x0,75 | 14 | 25,5 | 6 | 5 | 3,5 | 8 | 10 | 0,8 | 4 | 10 |  | | 根据要求 | | | 03089-800484 | D | 钢制 | 硬化处理 | 红色 RAL 3020 | 4 | M8x1 | 18 | 29,5 | 6 | 6 | 4 | 10 | 13 | 1 | 4 | 12 |  | | 根据要求 | | | 03089-810584 | D | 钢制 | 硬化处理 | 红色 RAL 3020 | 5 | M10x1 | 21 | 34,5 | 8 | 7 | 5 | 13 | 17 | 1,3 | 5 | 12 |  | | 根据要求 | | | 03089-820684 | D | 钢制 | 硬化处理 | 红色 RAL 3020 | 6 | M12x1,5 | 25 | 41,7 | 10 | 8 | 6 | 14 | 19 | 1,8 | 6 | 14 |  | | 根据要求 | | | 03089-830884 | D | 钢制 | 硬化处理 | 红色 RAL 3020 | 8 | M16x1,5 | 33 | 54 | 12 | 10 | 8 | 19 | 24 | 2,3 | 14 | 28 |  | | 根据要求 | | | 03089-841084 | D | 钢制 | 硬化处理 | 红色 RAL 3020 | 10 | M20x1,5 | 33 | 61 | 15 | 12 | 10 | 22 | 30 | 2,8 | 15 | 32 |  | | 根据要求 | | | 03089-18903 | D | 不锈钢 | 未硬化处理 | 黑灰色 RAL 7021 | 3 | M6x0,75 | 14 | 25,5 | 6 | 5 | 3,5 | 8 | 10 | 0,8 | 4 | 10 |  | | 根据要求 | | | 03089-18004 | D | 不锈钢 | 未硬化处理 | 黑灰色 RAL 7021 | 4 | M8x1 | 18 | 29,5 | 6 | 6 | 4 | 10 | 13 | 1 | 4 | 12 |  |  | 根据要求 | | | 03089-18105 | D | 不锈钢 | 未硬化处理 | 黑灰色 RAL 7021 | 5 | M10x1 | 21 | 34,5 | 8 | 7 | 5 | 13 | 17 | 1,3 | 5 | 12 |  |  | 根据要求 | | | 03089-18206 | D | 不锈钢 | 未硬化处理 | 黑灰色 RAL 7021 | 6 | M12x1,5 | 25 | 41,7 | 10 | 8 | 6 | 14 | 19 | 1,8 | 6 | 14 |  |  | 根据要求 | | | 03089-18308 | D | 不锈钢 | 未硬化处理 | 黑灰色 RAL 7021 | 8 | M16x1,5 | 33 | 54 | 12 | 10 | 8 | 19 | 24 | 2,3 | 14 | 28 |  |  | 根据要求 | | | 03089-18410 | D | 不锈钢 | 未硬化处理 | 黑灰色 RAL 7021 | 10 | M20x1,5 | 33 | 61 | 15 | 12 | 10 | 22 | 30 | 2,8 | 15 | 32 |  | | 根据要求 | | | 03089-1890384 | D | 不锈钢 | 未硬化处理 | 红色 RAL 3020 | 3 | M6x0,75 | 14 | 25,5 | 6 | 5 | 3,5 | 8 | 10 | 0,8 | 4 | 10 |  | | 根据要求 | | | 03089-1800484 | D | 不锈钢 | 未硬化处理 | 红色 RAL 3020 | 4 | M8x1 | 18 | 29,5 | 6 | 6 | 4 | 10 | 13 | 1 | 4 | 12 |  | | 根据要求 | | | 03089-1810584 | D | 不锈钢 | 未硬化处理 | 红色 RAL 3020 | 5 | M10x1 | 21 | 34,5 | 8 | 7 | 5 | 13 | 17 | 1,3 | 5 | 12 |  | | 根据要求 | | | 03089-1820684 | D | 不锈钢 | 未硬化处理 | 红色 RAL 3020 | 6 | M12x1,5 | 25 | 41,7 | 10 | 8 | 6 | 14 | 19 | 1,8 | 6 | 14 |  | | 根据要求 | | | 03089-1830884 | D | 不锈钢 | 未硬化处理 | 红色 RAL 3020 | 8 | M16x1,5 | 33 | 54 | 12 | 10 | 8 | 19 | 24 | 2,3 | 14 | 28 |  | | 根据要求 | | | 03089-1841084 | D | 不锈钢 | 未硬化处理 | 红色 RAL 3020 | 10 | M20x1,5 | 33 | 61 | 15 | 12 | 10 | 22 | 30 | 2,8 | 15 | 32 |  | | 根据要求 | |
|
|
|