|
|
|
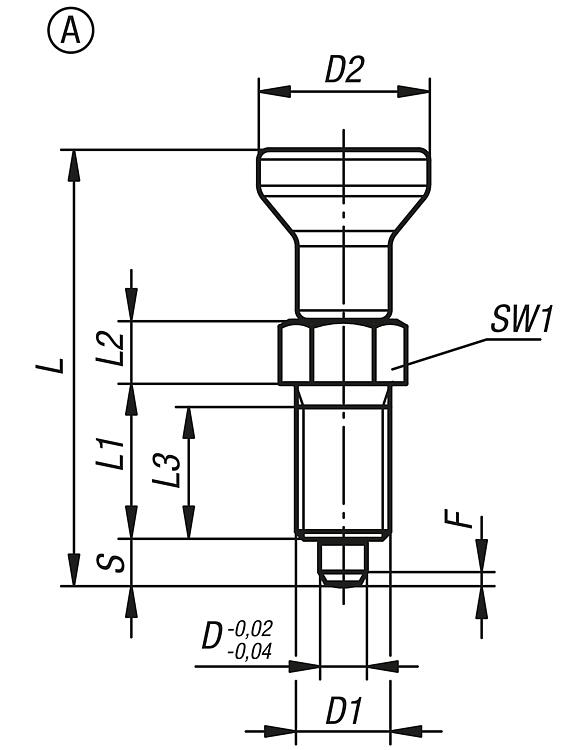
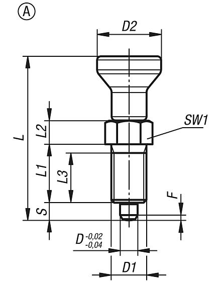
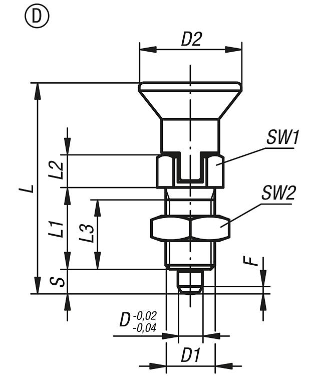
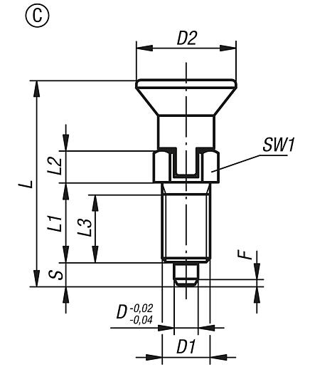
03089钢制或不锈钢锁紧柱塞,带不锈钢蘑菇头把手 |
返回 |
|
|
产品说明产品描述:分度销用于固定工件防止侧向位置移动。只有将顶销拔出后才能移动到新位置。如果柱塞需要维持在拔出状态较长时间,为避免顶销弹回,可选用C型或D型。材料:不锈钢规格 A1:
螺纹套筒和蘑菇头把手 1.4305。
柱塞顶销经硬化处理 1.4034。
柱塞顶销未经硬化处理 1.4305。
不锈钢规格 A4:
螺纹套筒、蘑菇头把手和柱塞顶销 1.4404。
规格:不锈钢版本 A1: 亮色螺纹套筒和蘑菇头把手。 柱塞顶销经硬化并打磨处理,亮色。 柱塞顶销未经硬化并打磨处理,亮色。
不锈钢版本 A4: 亮色螺纹套筒。 蘑菇型手柄经抛光或喷砂处理。 柱塞顶销经打磨和化学镀镍处理。 柱塞顶销经打磨处理,亮色。提示:所使用的材料可广泛应用。 对于耐腐蚀性要求极高的情况,建议使用 A4 不锈钢制分度销。 根据要求:特殊类型。附件:间隔环 03089。 连接嵌入件 用于薄壁部件 03094-10。图纸提示:A型: 不带拔出锁槽, 不带锁紧螺母 B型: 不带拔出锁槽, 带锁紧螺母 C型: 带拔出锁槽, 不带锁紧螺母 D型: 带拔出锁槽, 带锁紧螺母 特点: 下载此处为收集信息的 PDF:
查找 CAD 数据?请直接在产品列表中查找。
|
钢制或不锈钢锁紧柱塞,带不锈钢蘑菇头把手 |
更多信息 |
| 订货号 | 类型 | 主体 材料 | 金属键 | 的蘑菇头把手 | 定位销 | D
| D1 | D2 | L | L1 | L2 | L3 | 行程 S | SW1 | Fx30° | 初始位置 弹簧弹力 F1 约 N | 终点位置 弹簧弹力 F2 约 N | CAD | 配件 | 价格 | 订购 |
|---|
| 03089-001903 | A | 不锈钢 | 1.4034 | - | 硬化处理 | 3 | M6x0,75 | 14 | 34,5 | 12 | 5 | 10 | 3,5 | 8 | 0,8 | 4,5 | 10 |  | | 根据要求 | | | 03089-001004 | A | 不锈钢 | 1.4034 | - | 硬化处理 | 4 | M8x1 | 18 | 43 | 15 | 6 | 13 | 4 | 10 | 1 | 6 | 12 |  |  | 根据要求 | | | 03089-001105 | A | 不锈钢 | 1.4034 | - | 硬化处理 | 5 | M10x1 | 21 | 50 | 17 | 7 | 15 | 5 | 13 | 1,3 | 5 | 12 |  |  | 根据要求 | | | 03089-001206 | A | 不锈钢 | 1.4034 | - | 硬化处理 | 6 | M12x1,5 | 25 | 59 | 20 | 8 | 17 | 6 | 14 | 1,8 | 6 | 14 |  |  | 根据要求 | | | 03089-001308 | A | 不锈钢 | 1.4034 | - | 硬化处理 | 8 | M16x1,5 | 33 | 77 | 26 | 10 | 23 | 8 | 19 | 2,3 | 15 | 35 |  |  | 根据要求 | | | 03089-001410 | A | 不锈钢 | 1.4034 | - | 硬化处理 | 10 | M20x1,5 | 33 | 83 | 28 | 12 | 25 | 10 | 22 | 2,8 | 15 | 34 |  | | 根据要求 | | | 03089-001412 | A | 不锈钢 | 1.4034 | - | 硬化处理 | 12 | M20x1,5 | 33 | 87 | 28 | 14 | 25 | 12 | 22 | 2,8 | 15 | 39 |  | | 根据要求 | | | 03089-001516 | A | 不锈钢 | 1.4034 | - | 硬化处理 | 16 | M24x2 | 40 | 106 | 32 | 18 | 28 | 16 | 27 | 3,2 | 20 | 46 |  | | 根据要求 | | | 03089-111903 | A | 不锈钢 | 1.4305 | - | 未硬化处理 | 3 | M6x0,75 | 14 | 34,5 | 12 | 5 | 10 | 3,5 | 8 | 0,8 | 4,5 | 10 |  | | 根据要求 | | | 03089-111004 | A | 不锈钢 | 1.4305 | - | 未硬化处理 | 4 | M8x1 | 18 | 43 | 15 | 6 | 13 | 4 | 10 | 1 | 6 | 12 |  |  | 根据要求 | | | 03089-111105 | A | 不锈钢 | 1.4305 | - | 未硬化处理 | 5 | M10x1 | 21 | 50 | 17 | 7 | 15 | 5 | 13 | 1,3 | 5 | 12 |  |  | 根据要求 | | | 03089-111206 | A | 不锈钢 | 1.4305 | - | 未硬化处理 | 6 | M12x1,5 | 25 | 59 | 20 | 8 | 17 | 6 | 14 | 1,8 | 6 | 14 |  |  | 根据要求 | | | 03089-111308 | A | 不锈钢 | 1.4305 | - | 未硬化处理 | 8 | M16x1,5 | 33 | 77 | 26 | 10 | 23 | 8 | 19 | 2,3 | 15 | 35 |  |  | 根据要求 | | | 03089-111410 | A | 不锈钢 | 1.4305 | - | 未硬化处理 | 10 | M20x1,5 | 33 | 83 | 28 | 12 | 25 | 10 | 22 | 2,8 | 15 | 34 |  | | 根据要求 | | | 03089-111412 | A | 不锈钢 | 1.4305 | - | 未硬化处理 | 12 | M20x1,5 | 33 | 87 | 28 | 14 | 25 | 12 | 22 | 2,8 | 15 | 39 |  | | 根据要求 | | | 03089-111516 | A | 不锈钢 | 1.4305 | - | 未硬化处理 | 16 | M24x2 | 40 | 106 | 32 | 18 | 28 | 16 | 27 | 3,2 | 20 | 46 |  | | 根据要求 | | | 03089-061903 | A | 不锈钢 | 1.4404 | 亮色 | 镀镍 | 3 | M6x0,75 | 14 | 34,5 | 12 | 5 | 10 | 3,5 | 8 | 0,8 | 3 | 6,5 |  | | 根据要求 | | | 03089-061004 | A | 不锈钢 | 1.4404 | 亮色 | 镀镍 | 4 | M8x1 | 18 | 43 | 15 | 6 | 13 | 4 | 10 | 1 | 7 | 15,5 |  | | 根据要求 | | | 03089-061105 | A | 不锈钢 | 1.4404 | 亮色 | 镀镍 | 5 | M10x1 | 21 | 50 | 17 | 7 | 15 | 5 | 13 | 1,3 | 4 | 12,5 |  | | 根据要求 | | | 03089-061206 | A | 不锈钢 | 1.4404 | 亮色 | 镀镍 | 6 | M12x1,5 | 25 | 59 | 20 | 8 | 17 | 6 | 14 | 1,8 | 7 | 14,5 |  | | 根据要求 | | | 03089-061308 | A | 不锈钢 | 1.4404 | 亮色 | 镀镍 | 8 | M16x1,5 | 33 | 77 | 26 | 10 | 23 | 8 | 19 | 2,3 | 15 | 35 |  | | 根据要求 | | | 03089-061410 | A | 不锈钢 | 1.4404 | 亮色 | 镀镍 | 10 | M20x1,5 | 33 | 83 | 28 | 12 | 25 | 10 | 22 | 2,8 | 15 | 30 |  | | 根据要求 | | | 03089-061412 | A | 不锈钢 | 1.4404 | 亮色 | 镀镍 | 12 | M20x1,5 | 33 | 87 | 28 | 14 | 25 | 12 | 22 | 2,8 | 15 | 39 |  | | 根据要求 | | | 03089-061516 | A | 不锈钢 | 1.4404 | 亮色 | 镀镍 | 16 | M24x2 | 40 | 106 | 32 | 18 | 28 | 16 | 27 | 3,2 | 20 | 40 |  | | 根据要求 | | | 03089-171903 | A | 不锈钢 | 1.4404 | 亮色 | 亮色 | 3 | M6x0,75 | 14 | 34,5 | 12 | 5 | 10 | 3,5 | 8 | 0,8 | 3 | 6,5 |  | | 根据要求 | | | 03089-171004 | A | 不锈钢 | 1.4404 | 亮色 | 亮色 | 4 | M8x1 | 18 | 43 | 15 | 6 | 13 | 4 | 10 | 1 | 7 | 15,5 |  | | 根据要求 | | | 03089-171105 | A | 不锈钢 | 1.4404 | 亮色 | 亮色 | 5 | M10x1 | 21 | 50 | 17 | 7 | 15 | 5 | 13 | 1,3 | 4 | 12,5 |  | | 根据要求 | | | 03089-171206 | A | 不锈钢 | 1.4404 | 亮色 | 亮色 | 6 | M12x1,5 | 25 | 59 | 20 | 8 | 17 | 6 | 14 | 1,8 | 7 | 14,5 |  | | 根据要求 | | | 03089-171308 | A | 不锈钢 | 1.4404 | 亮色 | 亮色 | 8 | M16x1,5 | 33 | 77 | 26 | 10 | 23 | 8 | 19 | 2,3 | 15 | 35 |  | | 根据要求 | | | 03089-171410 | A | 不锈钢 | 1.4404 | 亮色 | 亮色 | 10 | M20x1,5 | 33 | 83 | 28 | 12 | 25 | 10 | 22 | 2,8 | 15 | 30 |  | | 根据要求 | | | 03089-171412 | A | 不锈钢 | 1.4404 | 亮色 | 亮色 | 12 | M20x1,5 | 33 | 87 | 28 | 14 | 25 | 12 | 22 | 2,8 | 15 | 39 |  | | 根据要求 | | | 03089-171516 | A | 不锈钢 | 1.4404 | 亮色 | 亮色 | 16 | M24x2 | 40 | 106 | 32 | 18 | 28 | 16 | 27 | 3,2 | 20 | 40 |  | | 根据要求 | | | 03089-0619031 | A | 不锈钢 | 1.4404 | 抛光 | 镀镍 | 3 | M6x0,75 | 14 | 34,5 | 12 | 5 | 10 | 3,5 | 8 | 0,8 | 3 | 6,5 |  | | 根据要求 | | | 03089-0610041 | A | 不锈钢 | 1.4404 | 抛光 | 镀镍 | 4 | M8x1 | 18 | 43 | 15 | 6 | 13 | 4 | 10 | 1 | 7 | 15,5 |  | | 根据要求 | | | 03089-0611051 | A | 不锈钢 | 1.4404 | 抛光 | 镀镍 | 5 | M10x1 | 21 | 50 | 17 | 7 | 15 | 5 | 13 | 1,3 | 4 | 12,5 |  | | 根据要求 | | | 03089-0612061 | A | 不锈钢 | 1.4404 | 抛光 | 镀镍 | 6 | M12x1,5 | 25 | 59 | 20 | 8 | 17 | 6 | 14 | 1,8 | 7 | 14,5 |  | | 根据要求 | | | 03089-0613081 | A | 不锈钢 | 1.4404 | 抛光 | 镀镍 | 8 | M16x1,5 | 33 | 77 | 26 | 10 | 23 | 8 | 19 | 2,3 | 15 | 35 |  | | 根据要求 | | | 03089-0614101 | A | 不锈钢 | 1.4404 | 抛光 | 镀镍 | 10 | M20x1,5 | 33 | 83 | 28 | 12 | 25 | 10 | 22 | 2,8 | 15 | 30 |  | | 根据要求 | | | 03089-0614121 | A | 不锈钢 | 1.4404 | 抛光 | 镀镍 | 12 | M20x1,5 | 33 | 87 | 28 | 14 | 25 | 12 | 22 | 2,8 | 15 | 39 |  | | 根据要求 | | | 03089-0615161 | A | 不锈钢 | 1.4404 | 抛光 | 镀镍 | 16 | M24x2 | 40 | 106 | 32 | 18 | 28 | 16 | 27 | 3,2 | 20 | 40 |  | | 根据要求 | | | 03089-1719031 | A | 不锈钢 | 1.4404 | 抛光 | 亮色 | 3 | M6x0,75 | 14 | 34,5 | 12 | 5 | 10 | 3,5 | 8 | 0,8 | 3 | 6,5 |  | | 根据要求 | | | 03089-1710041 | A | 不锈钢 | 1.4404 | 抛光 | 亮色 | 4 | M8x1 | 18 | 43 | 15 | 6 | 13 | 4 | 10 | 1 | 7 | 15,5 |  | | 根据要求 | | | 03089-1711051 | A | 不锈钢 | 1.4404 | 抛光 | 亮色 | 5 | M10x1 | 21 | 50 | 17 | 7 | 15 | 5 | 13 | 1,3 | 4 | 12,5 |  | | 根据要求 | | | 03089-1712061 | A | 不锈钢 | 1.4404 | 抛光 | 亮色 | 6 | M12x1,5 | 25 | 59 | 20 | 8 | 17 | 6 | 14 | 1,8 | 7 | 14,5 |  | | 根据要求 | | | 03089-1713081 | A | 不锈钢 | 1.4404 | 抛光 | 亮色 | 8 | M16x1,5 | 33 | 77 | 26 | 10 | 23 | 8 | 19 | 2,3 | 15 | 35 |  | | 根据要求 | | | 03089-1714101 | A | 不锈钢 | 1.4404 | 抛光 | 亮色 | 10 | M20x1,5 | 33 | 83 | 28 | 12 | 25 | 10 | 22 | 2,8 | 15 | 30 |  | | 根据要求 | | | 03089-1714121 | A | 不锈钢 | 1.4404 | 抛光 | 亮色 | 12 | M20x1,5 | 33 | 87 | 28 | 14 | 25 | 12 | 22 | 2,8 | 15 | 39 |  | | 根据要求 | | | 03089-1715161 | A | 不锈钢 | 1.4404 | 抛光 | 亮色 | 16 | M24x2 | 40 | 106 | 32 | 18 | 28 | 16 | 27 | 3,2 | 20 | 40 |  | | 根据要求 | |
|
钢制或不锈钢锁紧柱塞,带不锈钢蘑菇头把手和锁紧螺母 |
更多信息 |
| 订货号 | 类型 | 主体 材料 | 金属键 | 的蘑菇头把手 | 定位销 | D
| D1 | D2 | L | L1 | L2 | L3 | 行程 S | SW1 | SW2 | Fx30° | 初始位置 弹簧弹力 F1 约 N | 终点位置 弹簧弹力 F2 约 N | CAD | 配件 | 价格 | 订购 |
|---|
| 03089-002903 | B | 不锈钢 | 1.4034 | - | 硬化处理 | 3 | M6x0,75 | 14 | 34,5 | 12 | 5 | 10 | 3,5 | 8 | 10 | 0,8 | 4,5 | 10 |  | | 根据要求 | | | 03089-002004 | B | 不锈钢 | 1.4034 | - | 硬化处理 | 4 | M8x1 | 18 | 43 | 15 | 6 | 13 | 4 | 10 | 13 | 1 | 6 | 12 |  |  | 根据要求 | | | 03089-002105 | B | 不锈钢 | 1.4034 | - | 硬化处理 | 5 | M10x1 | 21 | 50 | 17 | 7 | 15 | 5 | 13 | 17 | 1,3 | 5 | 12 |  |  | 根据要求 | | | 03089-002206 | B | 不锈钢 | 1.4034 | - | 硬化处理 | 6 | M12x1,5 | 25 | 59 | 20 | 8 | 17 | 6 | 14 | 19 | 1,8 | 6 | 14 |  |  | 根据要求 | | | 03089-002308 | B | 不锈钢 | 1.4034 | - | 硬化处理 | 8 | M16x1,5 | 33 | 77 | 26 | 10 | 23 | 8 | 19 | 24 | 2,3 | 15 | 35 |  |  | 根据要求 | | | 03089-002410 | B | 不锈钢 | 1.4034 | - | 硬化处理 | 10 | M20x1,5 | 33 | 83 | 28 | 12 | 25 | 10 | 22 | 30 | 2,8 | 15 | 34 |  | | 根据要求 | | | 03089-002412 | B | 不锈钢 | 1.4034 | - | 硬化处理 | 12 | M20x1,5 | 33 | 87 | 28 | 14 | 25 | 12 | 22 | 30 | 2,8 | 15 | 39 |  | | 根据要求 | | | 03089-002516 | B | 不锈钢 | 1.4034 | - | 硬化处理 | 16 | M24x2 | 40 | 106 | 32 | 18 | 28 | 16 | 27 | 36 | 3,2 | 20 | 46 |  | | 根据要求 | | | 03089-112903 | B | 不锈钢 | 1.4305 | - | 未硬化处理 | 3 | M6x0,75 | 14 | 34,5 | 12 | 5 | 10 | 3,5 | 8 | 10 | 0,8 | 4,5 | 10 |  | | 根据要求 | | | 03089-112004 | B | 不锈钢 | 1.4305 | - | 未硬化处理 | 4 | M8x1 | 18 | 43 | 15 | 6 | 13 | 4 | 10 | 13 | 1 | 6 | 12 |  |  | 根据要求 | | | 03089-112105 | B | 不锈钢 | 1.4305 | - | 未硬化处理 | 5 | M10x1 | 21 | 50 | 17 | 7 | 15 | 5 | 13 | 17 | 1,3 | 5 | 12 |  |  | 根据要求 | | | 03089-112206 | B | 不锈钢 | 1.4305 | - | 未硬化处理 | 6 | M12x1,5 | 25 | 59 | 20 | 8 | 17 | 6 | 14 | 19 | 1,8 | 6 | 14 |  |  | 根据要求 | | | 03089-112308 | B | 不锈钢 | 1.4305 | - | 未硬化处理 | 8 | M16x1,5 | 33 | 77 | 26 | 10 | 23 | 8 | 19 | 24 | 2,3 | 15 | 35 |  |  | 根据要求 | | | 03089-112410 | B | 不锈钢 | 1.4305 | - | 未硬化处理 | 10 | M20x1,5 | 33 | 83 | 28 | 12 | 25 | 10 | 22 | 30 | 2,8 | 15 | 34 |  | | 根据要求 | | | 03089-112412 | B | 不锈钢 | 1.4305 | - | 未硬化处理 | 12 | M20x1,5 | 33 | 87 | 28 | 14 | 25 | 12 | 22 | 30 | 2,8 | 15 | 39 |  | | 根据要求 | | | 03089-112516 | B | 不锈钢 | 1.4305 | - | 未硬化处理 | 16 | M24x2 | 40 | 106 | 32 | 18 | 28 | 16 | 27 | 36 | 3,2 | 20 | 46 |  | | 根据要求 | | | 03089-062903 | B | 不锈钢 | 1.4404 | 亮色 | 镀镍 | 3 | M6x0,75 | 14 | 34,5 | 12 | 5 | 10 | 3,5 | 8 | 10 | 0,8 | 3 | 6,5 |  | | 根据要求 | | | 03089-062004 | B | 不锈钢 | 1.4404 | 亮色 | 镀镍 | 4 | M8x1 | 18 | 43 | 15 | 6 | 13 | 4 | 10 | 13 | 1 | 7 | 15,5 |  | | 根据要求 | | | 03089-062105 | B | 不锈钢 | 1.4404 | 亮色 | 镀镍 | 5 | M10x1 | 21 | 50 | 17 | 7 | 15 | 5 | 13 | 17 | 1,3 | 4 | 12,5 |  | | 根据要求 | | | 03089-062206 | B | 不锈钢 | 1.4404 | 亮色 | 镀镍 | 6 | M12x1,5 | 25 | 59 | 20 | 8 | 17 | 6 | 14 | 19 | 1,8 | 7 | 14,5 |  | | 根据要求 | | | 03089-062308 | B | 不锈钢 | 1.4404 | 亮色 | 镀镍 | 8 | M16x1,5 | 33 | 77 | 26 | 10 | 23 | 8 | 19 | 24 | 2,3 | 15 | 35 |  | | 根据要求 | | | 03089-062410 | B | 不锈钢 | 1.4404 | 亮色 | 镀镍 | 10 | M20x1,5 | 33 | 83 | 28 | 12 | 25 | 10 | 22 | 30 | 2,8 | 15 | 30 |  | | 根据要求 | | | 03089-062412 | B | 不锈钢 | 1.4404 | 亮色 | 镀镍 | 12 | M20x1,5 | 33 | 87 | 28 | 14 | 25 | 12 | 22 | 30 | 2,8 | 15 | 39 |  | | 根据要求 | | | 03089-062516 | B | 不锈钢 | 1.4404 | 亮色 | 镀镍 | 16 | M24x2 | 40 | 106 | 32 | 18 | 28 | 16 | 27 | 36 | 3,2 | 20 | 40 |  | | 根据要求 | | | 03089-172903 | B | 不锈钢 | 1.4404 | 亮色 | 亮色 | 3 | M6x0,75 | 14 | 34,5 | 12 | 5 | 10 | 3,5 | 8 | 10 | 0,8 | 3 | 6,5 |  | | 根据要求 | | | 03089-172004 | B | 不锈钢 | 1.4404 | 亮色 | 亮色 | 4 | M8x1 | 18 | 43 | 15 | 6 | 13 | 4 | 10 | 13 | 1 | 7 | 15,5 |  | | 根据要求 | | | 03089-172105 | B | 不锈钢 | 1.4404 | 亮色 | 亮色 | 5 | M10x1 | 21 | 50 | 17 | 7 | 15 | 5 | 13 | 17 | 1,3 | 4 | 12,5 |  | | 根据要求 | | | 03089-172206 | B | 不锈钢 | 1.4404 | 亮色 | 亮色 | 6 | M12x1,5 | 25 | 59 | 20 | 8 | 17 | 6 | 14 | 19 | 1,8 | 7 | 14,5 |  | | 根据要求 | | | 03089-172308 | B | 不锈钢 | 1.4404 | 亮色 | 亮色 | 8 | M16x1,5 | 33 | 77 | 26 | 10 | 23 | 8 | 19 | 24 | 2,3 | 15 | 35 |  | | 根据要求 | | | 03089-172410 | B | 不锈钢 | 1.4404 | 亮色 | 亮色 | 10 | M20x1,5 | 33 | 83 | 28 | 12 | 25 | 10 | 22 | 30 | 2,8 | 15 | 30 |  | | 根据要求 | | | 03089-172412 | B | 不锈钢 | 1.4404 | 亮色 | 亮色 | 12 | M20x1,5 | 33 | 87 | 28 | 14 | 25 | 12 | 22 | 30 | 2,8 | 15 | 39 |  | | 根据要求 | | | 03089-172516 | B | 不锈钢 | 1.4404 | 亮色 | 亮色 | 16 | M24x2 | 40 | 106 | 32 | 18 | 28 | 16 | 27 | 36 | 3,2 | 20 | 40 |  | | 根据要求 | | | 03089-0629031 | B | 不锈钢 | 1.4404 | 抛光 | 镀镍 | 3 | M6x0,75 | 14 | 34,5 | 12 | 5 | 10 | 3,5 | 8 | 10 | 0,8 | 3 | 6,5 |  | | 根据要求 | | | 03089-0620041 | B | 不锈钢 | 1.4404 | 抛光 | 镀镍 | 4 | M8x1 | 18 | 43 | 15 | 6 | 13 | 4 | 10 | 13 | 1 | 7 | 15,5 |  | | 根据要求 | | | 03089-0621051 | B | 不锈钢 | 1.4404 | 抛光 | 镀镍 | 5 | M10x1 | 21 | 50 | 17 | 7 | 15 | 5 | 13 | 17 | 1,3 | 4 | 12,5 |  | | 根据要求 | | | 03089-0622061 | B | 不锈钢 | 1.4404 | 抛光 | 镀镍 | 6 | M12x1,5 | 25 | 59 | 20 | 8 | 17 | 6 | 14 | 19 | 1,8 | 7 | 14,5 |  | | 根据要求 | | | 03089-0623081 | B | 不锈钢 | 1.4404 | 抛光 | 镀镍 | 8 | M16x1,5 | 33 | 77 | 26 | 10 | 23 | 8 | 19 | 24 | 2,3 | 15 | 35 |  | | 根据要求 | | | 03089-0624101 | B | 不锈钢 | 1.4404 | 抛光 | 镀镍 | 10 | M20x1,5 | 33 | 83 | 28 | 12 | 25 | 10 | 22 | 30 | 2,8 | 15 | 30 |  | | 根据要求 | | | 03089-0624121 | B | 不锈钢 | 1.4404 | 抛光 | 镀镍 | 12 | M20x1,5 | 33 | 87 | 28 | 14 | 25 | 12 | 22 | 30 | 2,8 | 15 | 39 |  | | 根据要求 | | | 03089-0625161 | B | 不锈钢 | 1.4404 | 抛光 | 镀镍 | 16 | M24x2 | 40 | 106 | 32 | 18 | 28 | 16 | 27 | 36 | 3,2 | 20 | 40 |  | | 根据要求 | | | 03089-1729031 | B | 不锈钢 | 1.4404 | 抛光 | 亮色 | 3 | M6x0,75 | 14 | 34,5 | 12 | 5 | 10 | 3,5 | 8 | 10 | 0,8 | 3 | 6,5 |  | | 根据要求 | | | 03089-1720041 | B | 不锈钢 | 1.4404 | 抛光 | 亮色 | 4 | M8x1 | 18 | 43 | 15 | 6 | 13 | 4 | 10 | 13 | 1 | 7 | 15,5 |  | | 根据要求 | | | 03089-1721051 | B | 不锈钢 | 1.4404 | 抛光 | 亮色 | 5 | M10x1 | 21 | 50 | 17 | 7 | 15 | 5 | 13 | 17 | 1,3 | 4 | 12,5 |  | | 根据要求 | | | 03089-1722061 | B | 不锈钢 | 1.4404 | 抛光 | 亮色 | 6 | M12x1,5 | 25 | 59 | 20 | 8 | 17 | 6 | 14 | 19 | 1,8 | 7 | 14,5 |  | | 根据要求 | | | 03089-1723081 | B | 不锈钢 | 1.4404 | 抛光 | 亮色 | 8 | M16x1,5 | 33 | 77 | 26 | 10 | 23 | 8 | 19 | 24 | 2,3 | 15 | 35 |  | | 根据要求 | | | 03089-1724101 | B | 不锈钢 | 1.4404 | 抛光 | 亮色 | 10 | M20x1,5 | 33 | 83 | 28 | 12 | 25 | 10 | 22 | 30 | 2,8 | 15 | 30 |  | | 根据要求 | | | 03089-1724121 | B | 不锈钢 | 1.4404 | 抛光 | 亮色 | 12 | M20x1,5 | 33 | 87 | 28 | 14 | 25 | 12 | 22 | 30 | 2,8 | 15 | 39 |  | | 根据要求 | | | 03089-1725161 | B | 不锈钢 | 1.4404 | 抛光 | 亮色 | 16 | M24x2 | 40 | 106 | 32 | 18 | 28 | 16 | 27 | 36 | 3,2 | 20 | 40 |  | | 根据要求 | |
|
不锈钢锁紧柱塞,带不锈钢蘑菇头把手和拔出锁槽 |
更多信息 |
| 订货号 | 类型 | 主体 材料 | 金属键 | 的蘑菇头把手 | 定位销 | D
| D1 | D2 | L | L1 | L2 | L3 | 行程 S | SW1 | Fx30° | 初始位置 弹簧弹力 F1 约 N | 终点位置 弹簧弹力 F2 约 N | CAD | 配件 | 价格 | 订购 |
|---|
| 03089-003903 | C | 不锈钢 | 1.4034 | - | 硬化处理 | 3 | M6x0,75 | 14 | 31,5 | 12 | 5 | 10 | 3,5 | 8 | 0,8 | 4,5 | 10 |  | | 根据要求 | | | 03089-003004 | C | 不锈钢 | 1.4034 | - | 硬化处理 | 4 | M8x1 | 18 | 38,5 | 15 | 6 | 13 | 4 | 10 | 1 | 6 | 12 |  |  | 根据要求 | | | 03089-003105 | C | 不锈钢 | 1.4034 | - | 硬化处理 | 5 | M10x1 | 21 | 43,5 | 17 | 7 | 15 | 5 | 13 | 1,3 | 5 | 12 |  |  | 根据要求 | | | 03089-003206 | C | 不锈钢 | 1.4034 | - | 硬化处理 | 6 | M12x1,5 | 25 | 51,7 | 20 | 8 | 17 | 6 | 14 | 1,8 | 6 | 14 |  |  | 根据要求 | | | 03089-003308 | C | 不锈钢 | 1.4034 | - | 硬化处理 | 8 | M16x1,5 | 33 | 68 | 26 | 10 | 23 | 8 | 19 | 2,3 | 15 | 35 |  |  | 根据要求 | | | 03089-003410 | C | 不锈钢 | 1.4034 | - | 硬化处理 | 10 | M20x1,5 | 33 | 74 | 28 | 12 | 25 | 10 | 22 | 2,8 | 15 | 34 |  | | 根据要求 | | | 03089-003412 | C | 不锈钢 | 1.4034 | - | 硬化处理 | 12 | M20x1,5 | 33 | 78 | 28 | 14 | 25 | 12 | 22 | 2,8 | 15 | 39 |  | | 根据要求 | | | 03089-003516 | C | 不锈钢 | 1.4034 | - | 硬化处理 | 16 | M24x2 | 40 | 96 | 32 | 18 | 28 | 16 | 27 | 3,2 | 20 | 46 |  | | 根据要求 | | | 03089-113903 | C | 不锈钢 | 1.4305 | - | 未硬化处理 | 3 | M6x0,75 | 14 | 31,5 | 12 | 5 | 10 | 3,5 | 8 | 0,8 | 4,5 | 10 |  | | 根据要求 | | | 03089-113004 | C | 不锈钢 | 1.4305 | - | 未硬化处理 | 4 | M8x1 | 18 | 38,5 | 15 | 6 | 13 | 4 | 10 | 1 | 6 | 12 |  |  | 根据要求 | | | 03089-113105 | C | 不锈钢 | 1.4305 | - | 未硬化处理 | 5 | M10x1 | 21 | 43,5 | 17 | 7 | 15 | 5 | 13 | 1,3 | 5 | 12 |  |  | 根据要求 | | | 03089-113206 | C | 不锈钢 | 1.4305 | - | 未硬化处理 | 6 | M12x1,5 | 25 | 51,7 | 20 | 8 | 17 | 6 | 14 | 1,8 | 6 | 14 |  |  | 根据要求 | | | 03089-113308 | C | 不锈钢 | 1.4305 | - | 未硬化处理 | 8 | M16x1,5 | 33 | 68 | 26 | 10 | 23 | 8 | 19 | 2,3 | 15 | 35 |  |  | 根据要求 | | | 03089-113410 | C | 不锈钢 | 1.4305 | - | 未硬化处理 | 10 | M20x1,5 | 33 | 74 | 28 | 12 | 25 | 10 | 22 | 2,8 | 15 | 34 |  | | 根据要求 | | | 03089-113412 | C | 不锈钢 | 1.4305 | - | 未硬化处理 | 12 | M20x1,5 | 33 | 78 | 28 | 14 | 25 | 12 | 22 | 2,8 | 15 | 39 |  | | 根据要求 | | | 03089-113516 | C | 不锈钢 | 1.4305 | - | 未硬化处理 | 16 | M24x2 | 40 | 96 | 32 | 18 | 28 | 16 | 27 | 3,2 | 20 | 46 |  | | 根据要求 | | | 03089-063903 | C | 不锈钢 | 1.4404 | 亮色 | 镀镍 | 3 | M6x0,75 | 14 | 31,5 | 12 | 5 | 10 | 3,5 | 8 | 0,8 | 3 | 6,5 |  | | 根据要求 | | | 03089-063004 | C | 不锈钢 | 1.4404 | 亮色 | 镀镍 | 4 | M8x1 | 18 | 38,5 | 15 | 6 | 13 | 4 | 10 | 1 | 7 | 15,5 |  | | 根据要求 | | | 03089-063105 | C | 不锈钢 | 1.4404 | 亮色 | 镀镍 | 5 | M10x1 | 21 | 43,5 | 17 | 7 | 15 | 5 | 13 | 1,3 | 4 | 12,5 |  | | 根据要求 | | | 03089-063206 | C | 不锈钢 | 1.4404 | 亮色 | 镀镍 | 6 | M12x1,5 | 25 | 51,7 | 20 | 8 | 17 | 6 | 14 | 1,8 | 7 | 14,5 |  | | 根据要求 | | | 03089-063308 | C | 不锈钢 | 1.4404 | 亮色 | 镀镍 | 8 | M16x1,5 | 33 | 68 | 26 | 10 | 23 | 8 | 19 | 2,3 | 15 | 35 |  | | 根据要求 | | | 03089-063410 | C | 不锈钢 | 1.4404 | 亮色 | 镀镍 | 10 | M20x1,5 | 33 | 74 | 28 | 12 | 25 | 10 | 22 | 2,8 | 15 | 30 |  | | 根据要求 | | | 03089-063412 | C | 不锈钢 | 1.4404 | 亮色 | 镀镍 | 12 | M20x1,5 | 33 | 78 | 28 | 14 | 25 | 12 | 22 | 2,8 | 15 | 39 |  | | 根据要求 | | | 03089-063516 | C | 不锈钢 | 1.4404 | 亮色 | 镀镍 | 16 | M24x2 | 40 | 96 | 32 | 18 | 28 | 16 | 27 | 3,2 | 20 | 40 |  | | 根据要求 | | | 03089-173903 | C | 不锈钢 | 1.4404 | 亮色 | 亮色 | 3 | M6x0,75 | 14 | 31,5 | 12 | 5 | 10 | 3,5 | 8 | 0,8 | 3 | 6,5 |  | | 根据要求 | | | 03089-173004 | C | 不锈钢 | 1.4404 | 亮色 | 亮色 | 4 | M8x1 | 18 | 38,5 | 15 | 6 | 13 | 4 | 10 | 1 | 7 | 15,5 |  | | 根据要求 | | | 03089-173105 | C | 不锈钢 | 1.4404 | 亮色 | 亮色 | 5 | M10x1 | 21 | 43,5 | 17 | 7 | 15 | 5 | 13 | 1,3 | 4 | 12,5 |  | | 根据要求 | | | 03089-173206 | C | 不锈钢 | 1.4404 | 亮色 | 亮色 | 6 | M12x1,5 | 25 | 51,7 | 20 | 8 | 17 | 6 | 14 | 1,8 | 7 | 14,5 |  | | 根据要求 | | | 03089-173308 | C | 不锈钢 | 1.4404 | 亮色 | 亮色 | 8 | M16x1,5 | 33 | 68 | 26 | 10 | 23 | 8 | 19 | 2,3 | 15 | 35 |  | | 根据要求 | | | 03089-173410 | C | 不锈钢 | 1.4404 | 亮色 | 亮色 | 10 | M20x1,5 | 33 | 74 | 28 | 12 | 25 | 10 | 22 | 2,8 | 15 | 30 |  | | 根据要求 | | | 03089-173412 | C | 不锈钢 | 1.4404 | 亮色 | 亮色 | 12 | M20x1,5 | 33 | 78 | 28 | 14 | 25 | 12 | 22 | 2,8 | 15 | 39 |  | | 根据要求 | | | 03089-173516 | C | 不锈钢 | 1.4404 | 亮色 | 亮色 | 16 | M24x2 | 40 | 96 | 32 | 18 | 28 | 16 | 27 | 3,2 | 20 | 40 |  | | 根据要求 | | | 03089-0639031 | C | 不锈钢 | 1.4404 | 抛光 | 镀镍 | 3 | M6x0,75 | 14 | 31,5 | 12 | 5 | 10 | 3,5 | 8 | 0,8 | 3 | 6,5 |  | | 根据要求 | | | 03089-0630041 | C | 不锈钢 | 1.4404 | 抛光 | 镀镍 | 4 | M8x1 | 18 | 38,5 | 15 | 6 | 13 | 4 | 10 | 1 | 7 | 15,5 |  | | 根据要求 | | | 03089-0631051 | C | 不锈钢 | 1.4404 | 抛光 | 镀镍 | 5 | M10x1 | 21 | 43,5 | 17 | 7 | 15 | 5 | 13 | 1,3 | 4 | 12,5 |  | | 根据要求 | | | 03089-0632061 | C | 不锈钢 | 1.4404 | 抛光 | 镀镍 | 6 | M12x1,5 | 25 | 51,7 | 20 | 8 | 17 | 6 | 14 | 1,8 | 7 | 14,5 |  | | 根据要求 | | | 03089-0633081 | C | 不锈钢 | 1.4404 | 抛光 | 镀镍 | 8 | M16x1,5 | 33 | 68 | 26 | 10 | 23 | 8 | 19 | 2,3 | 15 | 35 |  | | 根据要求 | | | 03089-0634101 | C | 不锈钢 | 1.4404 | 抛光 | 镀镍 | 10 | M20x1,5 | 33 | 74 | 28 | 12 | 25 | 10 | 22 | 2,8 | 15 | 30 |  | | 根据要求 | | | 03089-0634121 | C | 不锈钢 | 1.4404 | 抛光 | 镀镍 | 12 | M20x1,5 | 33 | 78 | 28 | 14 | 25 | 12 | 22 | 2,8 | 15 | 39 |  | | 根据要求 | | | 03089-0635161 | C | 不锈钢 | 1.4404 | 抛光 | 镀镍 | 16 | M24x2 | 40 | 96 | 32 | 18 | 28 | 16 | 27 | 3,2 | 20 | 40 |  | | 根据要求 | | | 03089-1739031 | C | 不锈钢 | 1.4404 | 抛光 | 亮色 | 3 | M6x0,75 | 14 | 31,5 | 12 | 5 | 10 | 3,5 | 8 | 0,8 | 3 | 6,5 |  | | 根据要求 | | | 03089-1730041 | C | 不锈钢 | 1.4404 | 抛光 | 亮色 | 4 | M8x1 | 18 | 38,5 | 15 | 6 | 13 | 4 | 10 | 1 | 7 | 15,5 |  | | 根据要求 | | | 03089-1731051 | C | 不锈钢 | 1.4404 | 抛光 | 亮色 | 5 | M10x1 | 21 | 43,5 | 17 | 7 | 15 | 5 | 13 | 1,3 | 4 | 12,5 |  | | 根据要求 | | | 03089-1732061 | C | 不锈钢 | 1.4404 | 抛光 | 亮色 | 6 | M12x1,5 | 25 | 51,7 | 20 | 8 | 17 | 6 | 14 | 1,8 | 7 | 14,5 |  | | 根据要求 | | | 03089-1733081 | C | 不锈钢 | 1.4404 | 抛光 | 亮色 | 8 | M16x1,5 | 33 | 68 | 26 | 10 | 23 | 8 | 19 | 2,3 | 15 | 35 |  | | 根据要求 | | | 03089-1734101 | C | 不锈钢 | 1.4404 | 抛光 | 亮色 | 10 | M20x1,5 | 33 | 74 | 28 | 12 | 25 | 10 | 22 | 2,8 | 15 | 30 |  | | 根据要求 | | | 03089-1734121 | C | 不锈钢 | 1.4404 | 抛光 | 亮色 | 12 | M20x1,5 | 33 | 78 | 28 | 14 | 25 | 12 | 22 | 2,8 | 15 | 39 |  | | 根据要求 | | | 03089-1735161 | C | 不锈钢 | 1.4404 | 抛光 | 亮色 | 16 | M24x2 | 40 | 96 | 32 | 18 | 28 | 16 | 27 | 3,2 | 20 | 40 |  | | 根据要求 | |
|
钢制或不锈钢锁紧柱塞,带不锈钢蘑菇头把手。拔出锁槽和锁紧螺母 |
更多信息 |
| 订货号 | 类型 | 主体 材料 | 金属键 | 的蘑菇头把手 | 定位销 | D
| D1 | D2 | L | L1 | L2 | L3 | 行程 S | SW1 | SW2 | Fx30° | 初始位置 弹簧弹力 F1 约 N | 终点位置 弹簧弹力 F2 约 N | CAD | 配件 | 价格 | 订购 |
|---|
| 03089-004903 | D | 不锈钢 | 1.4034 | - | 硬化处理 | 3 | M6x0,75 | 14 | 31,5 | 12 | 5 | 10 | 3,5 | 8 | 10 | 0,8 | 4,5 | 10 |  | | 根据要求 | | | 03089-004004 | D | 不锈钢 | 1.4034 | - | 硬化处理 | 4 | M8x1 | 18 | 38,5 | 15 | 6 | 13 | 4 | 10 | 13 | 1 | 6 | 12 |  |  | 根据要求 | | | 03089-004105 | D | 不锈钢 | 1.4034 | - | 硬化处理 | 5 | M10x1 | 21 | 43,5 | 17 | 7 | 15 | 5 | 13 | 17 | 1,3 | 5 | 12 |  |  | 根据要求 | | | 03089-004206 | D | 不锈钢 | 1.4034 | - | 硬化处理 | 6 | M12x1,5 | 25 | 51,7 | 20 | 8 | 17 | 6 | 14 | 19 | 1,8 | 6 | 14 |  |  | 根据要求 | | | 03089-004308 | D | 不锈钢 | 1.4034 | - | 硬化处理 | 8 | M16x1,5 | 33 | 68 | 26 | 10 | 23 | 8 | 19 | 24 | 2,3 | 15 | 35 |  |  | 根据要求 | | | 03089-004410 | D | 不锈钢 | 1.4034 | - | 硬化处理 | 10 | M20x1,5 | 33 | 74 | 28 | 12 | 25 | 10 | 22 | 30 | 2,8 | 15 | 34 |  | | 根据要求 | | | 03089-004412 | D | 不锈钢 | 1.4034 | - | 硬化处理 | 12 | M20x1,5 | 33 | 78 | 28 | 14 | 25 | 12 | 22 | 30 | 2,8 | 15 | 39 |  | | 根据要求 | | | 03089-004516 | D | 不锈钢 | 1.4034 | - | 硬化处理 | 16 | M24x2 | 40 | 96 | 32 | 18 | 28 | 16 | 27 | 36 | 3,2 | 20 | 46 |  | | 根据要求 | | | 03089-114903 | D | 不锈钢 | 1.4305 | - | 未硬化处理 | 3 | M6x0,75 | 14 | 31,5 | 12 | 5 | 10 | 3,5 | 8 | 10 | 0,8 | 4,5 | 10 |  | | 根据要求 | | | 03089-114004 | D | 不锈钢 | 1.4305 | - | 未硬化处理 | 4 | M8x1 | 18 | 38,5 | 15 | 6 | 13 | 4 | 10 | 13 | 1 | 6 | 12 |  |  | 根据要求 | | | 03089-114105 | D | 不锈钢 | 1.4305 | - | 未硬化处理 | 5 | M10x1 | 21 | 43,5 | 17 | 7 | 15 | 5 | 13 | 17 | 1,3 | 5 | 12 |  |  | 根据要求 | | | 03089-114206 | D | 不锈钢 | 1.4305 | - | 未硬化处理 | 6 | M12x1,5 | 25 | 51,7 | 20 | 8 | 17 | 6 | 14 | 19 | 1,8 | 6 | 14 |  |  | 根据要求 | | | 03089-114308 | D | 不锈钢 | 1.4305 | - | 未硬化处理 | 8 | M16x1,5 | 33 | 68 | 26 | 10 | 23 | 8 | 19 | 24 | 2,3 | 15 | 35 |  |  | 根据要求 | | | 03089-114410 | D | 不锈钢 | 1.4305 | - | 未硬化处理 | 10 | M20x1,5 | 33 | 74 | 28 | 12 | 25 | 10 | 22 | 30 | 2,8 | 15 | 34 |  | | 根据要求 | | | 03089-114412 | D | 不锈钢 | 1.4305 | - | 未硬化处理 | 12 | M20x1,5 | 33 | 78 | 28 | 14 | 25 | 12 | 22 | 30 | 2,8 | 15 | 39 |  | | 根据要求 | | | 03089-114516 | D | 不锈钢 | 1.4305 | - | 未硬化处理 | 16 | M24x2 | 40 | 96 | 32 | 18 | 28 | 16 | 27 | 36 | 3,2 | 20 | 46 |  | | 根据要求 | | | 03089-064903 | D | 不锈钢 | 1.4404 | 亮色 | 镀镍 | 3 | M6x0,75 | 14 | 31,5 | 12 | 5 | 10 | 3,5 | 8 | 10 | 0,8 | 3 | 6,5 |  | | 根据要求 | | | 03089-064004 | D | 不锈钢 | 1.4404 | 亮色 | 镀镍 | 4 | M8x1 | 18 | 38,5 | 15 | 6 | 13 | 4 | 10 | 13 | 1 | 7 | 15,5 |  | | 根据要求 | | | 03089-064105 | D | 不锈钢 | 1.4404 | 亮色 | 镀镍 | 5 | M10x1 | 21 | 43,5 | 17 | 7 | 15 | 5 | 13 | 17 | 1,3 | 4 | 12,5 |  | | 根据要求 | | | 03089-064206 | D | 不锈钢 | 1.4404 | 亮色 | 镀镍 | 6 | M12x1,5 | 25 | 51,7 | 20 | 8 | 17 | 6 | 14 | 19 | 1,8 | 7 | 14,5 |  | | 根据要求 | | | 03089-064308 | D | 不锈钢 | 1.4404 | 亮色 | 镀镍 | 8 | M16x1,5 | 33 | 68 | 26 | 10 | 23 | 8 | 19 | 24 | 2,3 | 15 | 35 |  | | 根据要求 | | | 03089-064410 | D | 不锈钢 | 1.4404 | 亮色 | 镀镍 | 10 | M20x1,5 | 33 | 74 | 28 | 12 | 25 | 10 | 22 | 30 | 2,8 | 15 | 30 |  | | 根据要求 | | | 03089-064412 | D | 不锈钢 | 1.4404 | 亮色 | 镀镍 | 12 | M20x1,5 | 33 | 78 | 28 | 14 | 25 | 12 | 22 | 30 | 2,8 | 15 | 39 |  | | 根据要求 | | | 03089-064516 | D | 不锈钢 | 1.4404 | 亮色 | 镀镍 | 16 | M24x2 | 40 | 96 | 32 | 18 | 28 | 16 | 27 | 36 | 3,2 | 20 | 40 |  | | 根据要求 | | | 03089-174903 | D | 不锈钢 | 1.4404 | 亮色 | 亮色 | 3 | M6x0,75 | 14 | 31,5 | 12 | 5 | 10 | 3,5 | 8 | 10 | 0,8 | 3 | 6,5 |  | | 根据要求 | | | 03089-174004 | D | 不锈钢 | 1.4404 | 亮色 | 亮色 | 4 | M8x1 | 18 | 38,5 | 15 | 6 | 13 | 4 | 10 | 13 | 1 | 7 | 15,5 |  | | 根据要求 | | | 03089-174105 | D | 不锈钢 | 1.4404 | 亮色 | 亮色 | 5 | M10x1 | 21 | 43,5 | 17 | 7 | 15 | 5 | 13 | 17 | 1,3 | 4 | 12,5 |  | | 根据要求 | | | 03089-174206 | D | 不锈钢 | 1.4404 | 亮色 | 亮色 | 6 | M12x1,5 | 25 | 51,7 | 20 | 8 | 17 | 6 | 14 | 19 | 1,8 | 7 | 14,5 |  | | 根据要求 | | | 03089-174308 | D | 不锈钢 | 1.4404 | 亮色 | 亮色 | 8 | M16x1,5 | 33 | 68 | 26 | 10 | 23 | 8 | 19 | 24 | 2,3 | 15 | 35 |  | | 根据要求 | | | 03089-174410 | D | 不锈钢 | 1.4404 | 亮色 | 亮色 | 10 | M20x1,5 | 33 | 74 | 28 | 12 | 25 | 10 | 22 | 30 | 2,8 | 15 | 30 |  | | 根据要求 | | | 03089-174412 | D | 不锈钢 | 1.4404 | 亮色 | 亮色 | 12 | M20x1,5 | 33 | 78 | 28 | 14 | 25 | 12 | 22 | 30 | 2,8 | 15 | 39 |  | | 根据要求 | | | 03089-174516 | D | 不锈钢 | 1.4404 | 亮色 | 亮色 | 16 | M24x2 | 40 | 96 | 32 | 18 | 28 | 16 | 27 | 36 | 3,2 | 20 | 40 |  | | 根据要求 | | | 03089-0649031 | D | 不锈钢 | 1.4404 | 抛光 | 镀镍 | 3 | M6x0,75 | 14 | 31,5 | 12 | 5 | 10 | 3,5 | 8 | 10 | 0,8 | 3 | 6,5 |  | | 根据要求 | | | 03089-0640041 | D | 不锈钢 | 1.4404 | 抛光 | 镀镍 | 4 | M8x1 | 18 | 38,5 | 15 | 6 | 13 | 4 | 10 | 13 | 1 | 7 | 15,5 |  | | 根据要求 | | | 03089-0641051 | D | 不锈钢 | 1.4404 | 抛光 | 镀镍 | 5 | M10x1 | 21 | 43,5 | 17 | 7 | 15 | 5 | 13 | 17 | 1,3 | 4 | 12,5 |  | | 根据要求 | | | 03089-0642061 | D | 不锈钢 | 1.4404 | 抛光 | 镀镍 | 6 | M12x1,5 | 25 | 51,7 | 20 | 8 | 17 | 6 | 14 | 19 | 1,8 | 7 | 14,5 |  | | 根据要求 | | | 03089-0643081 | D | 不锈钢 | 1.4404 | 抛光 | 镀镍 | 8 | M16x1,5 | 33 | 68 | 26 | 10 | 23 | 8 | 19 | 24 | 2,3 | 15 | 35 |  | | 根据要求 | | | 03089-0644101 | D | 不锈钢 | 1.4404 | 抛光 | 镀镍 | 10 | M20x1,5 | 33 | 74 | 28 | 12 | 25 | 10 | 22 | 30 | 2,8 | 15 | 30 |  | | 根据要求 | | | 03089-0644121 | D | 不锈钢 | 1.4404 | 抛光 | 镀镍 | 12 | M20x1,5 | 33 | 78 | 28 | 14 | 25 | 12 | 22 | 30 | 2,8 | 15 | 39 |  | | 根据要求 | | | 03089-0645161 | D | 不锈钢 | 1.4404 | 抛光 | 镀镍 | 16 | M24x2 | 40 | 96 | 32 | 18 | 28 | 16 | 27 | 36 | 3,2 | 20 | 40 |  | | 根据要求 | | | 03089-1749031 | D | 不锈钢 | 1.4404 | 抛光 | 亮色 | 3 | M6x0,75 | 14 | 31,5 | 12 | 5 | 10 | 3,5 | 8 | 10 | 0,8 | 3 | 6,5 |  | | 根据要求 | | | 03089-1740041 | D | 不锈钢 | 1.4404 | 抛光 | 亮色 | 4 | M8x1 | 18 | 38,5 | 15 | 6 | 13 | 4 | 10 | 13 | 1 | 7 | 15,5 |  | | 根据要求 | | | 03089-1741051 | D | 不锈钢 | 1.4404 | 抛光 | 亮色 | 5 | M10x1 | 21 | 43,5 | 17 | 7 | 15 | 5 | 13 | 17 | 1,3 | 4 | 12,5 |  | | 根据要求 | | | 03089-1742061 | D | 不锈钢 | 1.4404 | 抛光 | 亮色 | 6 | M12x1,5 | 25 | 51,7 | 20 | 8 | 17 | 6 | 14 | 19 | 1,8 | 7 | 14,5 |  | | 根据要求 | | | 03089-1743081 | D | 不锈钢 | 1.4404 | 抛光 | 亮色 | 8 | M16x1,5 | 33 | 68 | 26 | 10 | 23 | 8 | 19 | 24 | 2,3 | 15 | 35 |  | | 根据要求 | | | 03089-1744101 | D | 不锈钢 | 1.4404 | 抛光 | 亮色 | 10 | M20x1,5 | 33 | 74 | 28 | 12 | 25 | 10 | 22 | 30 | 2,8 | 15 | 30 |  | | 根据要求 | | | 03089-1744121 | D | 不锈钢 | 1.4404 | 抛光 | 亮色 | 12 | M20x1,5 | 33 | 78 | 28 | 14 | 25 | 12 | 22 | 30 | 2,8 | 15 | 39 |  | | 根据要求 | | | 03089-1745161 | D | 不锈钢 | 1.4404 | 抛光 | 亮色 | 16 | M24x2 | 40 | 96 | 32 | 18 | 28 | 16 | 27 | 36 | 3,2 | 20 | 40 |  | | 根据要求 | |
|
|
|