norelem 使用 Cookies 以优化设计和持续改进网页。您通过继续使用网页,同意使用 Cookies。在我们的数据保护声明中可以找到有关 Cookies 主题的详细信息。同意
用于薄壁部件钢制或不锈钢锁紧柱塞,带塑料蘑菇头把手
03089

用于薄壁部件钢制或不锈钢锁紧柱塞,带塑料蘑菇头把手

返回

商品描述/产品说明

查看/筛选所有商品
产品说明产品描述:用锁紧柱塞可防止锁紧位置由于受横向力的作用而发生移动。只有在手动松开螺栓后,才能将其移动到另一个锁定位置。如果要在较长时间内进行脱离并避免锁销回弹,则应使用 C 型或 D 型。

本锁紧柱塞特别适用于薄壁零件。
材料:

钢制规格:
易切削钢螺纹套筒和柱塞顶销。

不锈钢规格:
螺纹套筒和柱塞顶销 1.4305。

热塑性塑料蘑菇头把手。

规格:钢制规格:
螺纹套筒经氧化处理。
锁销经过硬化、研磨和氧化处理。

不锈钢规格:
亮色螺纹套筒。
柱塞顶销未经硬化并打磨处理,亮色。

黑灰色 RAL7021 蘑菇头把手。
根据要求:特殊类型。附件:可提供一把双头环形扳手作为附件用于锁紧螺母。图纸提示:
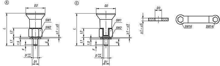
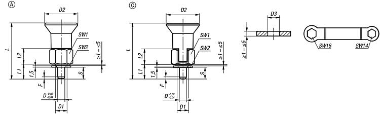
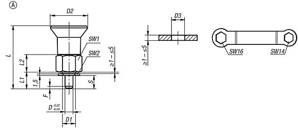
A型: 不带拔出锁槽
C型: 带拔出锁槽
下载此处为收集信息的 PDF:

查找 CAD 数据?请直接在产品列表中查找。
 Datasheet 03089 用于薄壁部件钢制或不锈钢锁紧柱塞,带塑料蘑菇头把手 221 kB

图片(总概述)

用于薄壁部件钢制或不锈钢锁紧柱塞,带塑料蘑菇头把手

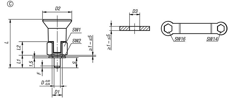
钢制或不锈钢锁紧柱塞,适用于薄壁部件,带塑料蘑菇头把手,无拔出锁槽

更多信息

图纸

钢制或不锈钢锁紧柱塞,适用于薄壁部件,带塑料蘑菇头把手,无拔出锁槽

商品选择/筛选

订货号类型主体
材料
主体
表面
D

D1D2D3LL1L2行程
S
SW1SW2Fx30°初始位置
弹簧弹力
F1 约 N
终点位置
弹簧弹力
F2 约 N
双头梅花扳手
订货号
CAD配件价格订购
03089-31105A钢制硬化处理5M10x1281046,511,5135-917141,361503089-91416  根据要求
03089-31206A钢制硬化处理6M10x1281047,512,5136-1017141,871903089-91416  根据要求
03089-311105A不锈钢未硬化处理5M10x1281046,511,5135-917141,361503089-91416  根据要求
03089-311206A不锈钢未硬化处理6M10x1281047,512,5136-1017141,871903089-91416  根据要求

用于薄壁部件钢制或不锈钢锁紧柱塞,带塑料蘑菇头把手和拔出锁槽

更多信息

图纸

用于薄壁部件钢制或不锈钢锁紧柱塞,带塑料蘑菇头把手和拔出锁槽

商品选择/筛选

订货号类型主体
材料
主体
表面
D

D1D2D3LL1L2行程
S
SW1SW2Fx30°初始位置
弹簧弹力
F1 约 N
终点位置
弹簧弹力
F2 约 N
双头梅花扳手
订货号
CAD配件价格订购
03089-33105C钢制硬化处理5M10x1281046,511,5135-917141,361503089-91416  根据要求
03089-33206C钢制硬化处理6M10x1281047,512,5136-1017141,871903089-91416  根据要求
03089-313105C不锈钢未硬化处理5M10x1281046,511,5135-917141,361503089-91416  根据要求
03089-313206C不锈钢未硬化处理6M10x1281047,512,5136-1017141,871903089-91416  根据要求

双头环形扳手

更多信息

图纸

双头环形扳手

商品选择/筛选

订货号产品名称

CAD配件价格订购
03089-91416双环钥匙根据要求
我的 norelemE-Mail密码
购物车
商品数量: 0
总数: 0.00  
点击购物车
欢迎扫描二维码
咨询诺瑞朗官方客服微信
中国
苏ICP备20011289号-1  苏公网安备32058502011222 网页地图 打印 推荐 Top
Copyright © 2025 norelem. 保留所有权利。 电话 +49 71 45/206-44 至 45 · 传真 +49 71 45/206-83