|
|
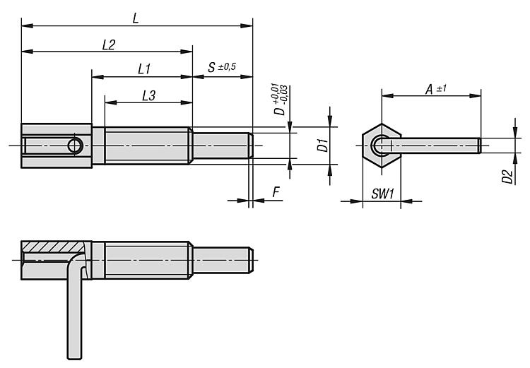
产品说明产品描述:分度销用于固定工件防止侧向位置移动。只有将顶销拔出后才能移动到新位置。材料:易切削钢。规格:蓝色钝化处理。根据要求:特殊类型。特点: 下载此处为收集信息的 PDF:
查找 CAD 数据?请直接在产品列表中查找。
|
订货号 | A | D
| D1 | D2 | L | L1 | L2 | L3 | 行程 S | SW1 | Fx30° | 初始位置 弹簧弹力 F1 约 N | 终点位置 弹簧弹力 F2 约 N | 锁紧扭矩 max. Nm | CAD | 配件 | 价格 | 订购 |
|---|
| 03091-1104 | 16 | 4 | M6 | 2,3 | 41,5 | 20 | 32 | 17 | 9,5 | 6 | 0,7 | 3 | 10 | 1,6 |  | | 根据要求 | | | 03091-1905 | 19 | 5 | M8 | 3 | 54 | 27 | 42 | 24 | 12 | 8 | 0,9 | 3,5 | 13,5 | 4,5 |  | | 根据要求 | | | 03091-1206 | 23,5 | 6 | M10 | 3,5 | 65 | 33,5 | 51 | 30 | 14 | 10 | 1,1 | 4 | 16 | 10 |  | | 根据要求 | | | 03091-1308 | 31 | 8 | M12 | 4,7 | 73 | 31,8 | 54 | 28 | 19 | 12 | 1,3 | 4 | 22 | 13 |  | | 根据要求 | | | 03091-1410 | 33 | 10 | M16 | 4,7 | 102,5 | 50,5 | 77,5 | 44,5 | 25 | 16 | 1,6 | 4 | 23 | 42 |  | | 根据要求 | |
|
|