|
|
|
03096-10不锈钢锁紧柱塞,带塑料蘑菇头把手和远程控制功能 |
返回 |
|
|
产品说明产品描述:用锁紧柱塞可防止锁紧位置由于受横向力的作用而发生移动。 只有在手动松开螺栓后,才能将其移动到另一个锁定位置。
当无法触及的安装空间增加了操作难度或者出于人体工学方面和安全方面的考虑而需要进行远距离操纵时,带远程控制功能的锁紧柱塞就可以大显身手。
锁紧柱塞和操作人员侧的连接通过鲍登索来完成。锁紧柱塞搭配控制机构形成了一整套系统,可应对许多应用情况。如果柱塞顶销需要长时间维持在拔出状态时,为避免顶销弹回,可选用带有锁定功能 D 型控制机构。材料:锁紧柱塞:
螺纹套筒 1.4305。
柱塞顶销 1.4034。
操作元件 1.4305。
热塑性塑料蘑菇头把手。
1.4401 绞索。
钢丝索套采用内外塑料索套。
端套、调节螺丝和螺纹接线柱采用黄铜制成。 规格:螺纹套筒,亮色。 柱塞顶销经硬化并打磨处理,亮色。 黑色鲍登索套。 黑灰色 RAL7021 热塑性塑料蘑菇头把手。订购须知:带远程控制功能的锁紧柱塞和控制机构必须另行订购。提示:除了控制机构外,随附的螺纹接线柱 (Ø5 x 7 mm) 也用于将独立的控制机构连入系统。
鲍登索有不同的长度可供选择。 为确保相关应用中的配合精度,可在安装时将鲍登索相应地截短。
防腐保护通过选择适合的材料和涂层来实现。绞索或鲍登索套可根据需要直接更换。
安装鲍登电缆时,请注意以下事项: 索裸端的长度可因敷设角度、曲率半径和负荷这些因素而发生变化。因此支座(索套)的长度必须根据鲍登电缆的敷设情况借助随附的调节螺丝进行调节。同时通过调节螺丝调节鲍登电缆系统的预紧力。 敷设时需特别注意,切勿低于最小曲率半径,本例为 R = 65 mm。半径太紧可导致磨损加剧,增加摩擦。 安装时也需避免短时间的低于最小曲率半径,否则可导致索套损坏。此外,索套仅用作吸收压应力之用。过度拉紧可撑大内部螺旋线导致永久性损坏。根据要求:特殊类型。附件:六角螺母 07212。 固定支架 03099。 间隔环 03089。 定位插座 03099-50。 控制元件 03096-10-12420。 软套管钢丝索 03096-14。 绞线 03096-15。 软管拉索 03096-20。 端套 03096-25。 调节螺栓 03096-30。 螺纹接头 03096-35。 供货范围带远程控制功能的锁紧柱塞: 锁紧柱塞带预装绞索、索套、端套,调节螺丝 M6 x 34 mm 和螺丝接线柱 Ø5 x 7 mm。
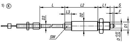
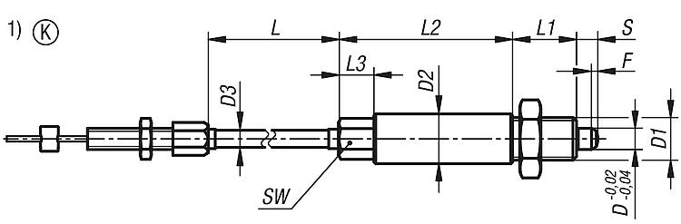
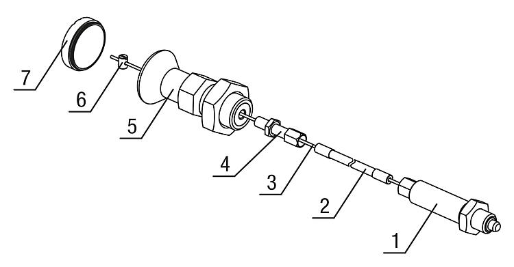
控制机构: 控制机构带塑料盖。图纸提示:1) 锁紧柱塞 2) 鲍登索套 3) 鲍登索 4) 调节螺丝 5) 控制机构 6) 螺纹接线柱 7) 盖
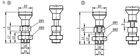
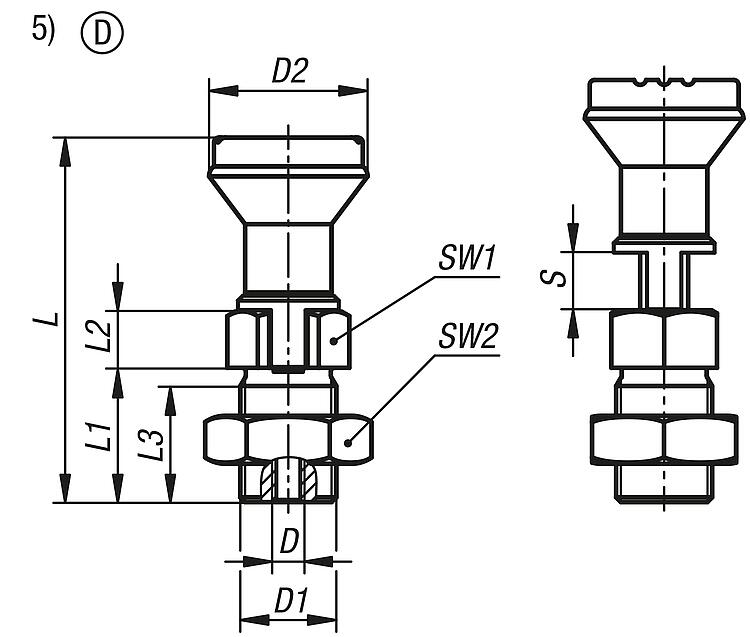
B型: 不带拔出锁槽, 带锁紧螺母 D型: 带拔出锁槽, 带锁紧螺母 特点: 下载此处为收集信息的 PDF:
查找 CAD 数据?请直接在产品列表中查找。
|
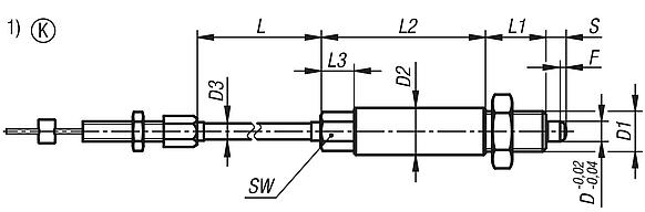
| 订货号 | D | D1 | D2 | D3 | L | L1 | L2 | L3 | 行程 S | SW | Fx30° | 初始位置 弹簧弹力 F1 约 N | 终点位置 弹簧弹力 F2 约 N | CAD | 配件 | 价格 | 订购 |
|---|
| 03096-10-02206X1000 | 6 | M12x1,5 | 14 | 5 | 1000 | 18 | 49 | 10 | 6 | 10 | 1,8 | 6 | 14 |  | | 根据要求 | | | 03096-10-02206X3000 | 6 | M12x1,5 | 14 | 5 | 3000 | 18 | 49 | 10 | 6 | 10 | 1,8 | 6 | 14 |  | | 根据要求 | | | 03096-10-02206X5000 | 6 | M12x1,5 | 14 | 5 | 5000 | 18 | 49 | 10 | 6 | 10 | 1,8 | 6 | 14 |  | | 根据要求 | | | 03096-10-02308X1000 | 8 | M16x1,5 | 19 | 5 | 1000 | 23 | 59 | 10 | 8 | 13 | 2,3 | 15 | 35 |  | | 根据要求 | | | 03096-10-02308X3000 | 8 | M16x1,5 | 19 | 5 | 3000 | 23 | 59 | 10 | 8 | 13 | 2,3 | 15 | 35 |  | | 根据要求 | | | 03096-10-02308X5000 | 8 | M16x1,5 | 19 | 5 | 5000 | 23 | 59 | 10 | 8 | 13 | 2,3 | 15 | 35 |  | | 根据要求 | | | 03096-10-02410X1000 | 10 | M20x1,5 | 23 | 5 | 1000 | 24 | 65 | 10 | 10 | 16 | 2,8 | 15 | 34 |  | | 根据要求 | | | 03096-10-02410X3000 | 10 | M20x1,5 | 23 | 5 | 3000 | 24 | 65 | 10 | 10 | 16 | 2,8 | 15 | 34 |  | | 根据要求 | | | 03096-10-02410X5000 | 10 | M20x1,5 | 23 | 5 | 5000 | 24 | 65 | 10 | 10 | 16 | 2,8 | 15 | 34 |  | | 根据要求 | | | 03096-10-02412X1000 | 12 | M20x1,5 | 23 | 5 | 1000 | 26 | 65 | 10 | 12 | 16 | 2,8 | 15 | 39 |  | | 根据要求 | | | 03096-10-02412X3000 | 12 | M20x1,5 | 23 | 5 | 3000 | 26 | 65 | 10 | 12 | 16 | 2,8 | 15 | 39 |  | | 根据要求 | | | 03096-10-02412X5000 | 12 | M20x1,5 | 23 | 5 | 5000 | 26 | 65 | 10 | 12 | 16 | 2,8 | 15 | 39 |  | | 根据要求 | |
|
|
带远程控制功能的锁紧柱塞的控制机构,带塑料蘑菇头把手、拔出锁槽和锁紧螺母 |
更多信息 |
| 订货号 | 颜色 盖子
| D 内螺纹 | D1 | D2 | L | L1 | L2 | L3 | 行程 S | SW1 | SW2 | CAD | 配件 | 价格 | 订购 |
|---|
| 03096-10-1442006 | 黑灰色 RAL 7021 | M6 | M20x1,5 | 33 | 76 | 28 | 12 | 25 | 6 | 22 | 30 |  | | 根据要求 | | | 03096-10-14420106 | 橙色 RAL 2004 | M6 | M20x1,5 | 33 | 76 | 28 | 12 | 25 | 6 | 22 | 30 |  | | 根据要求 | | | 03096-10-14420206 | 灰色 RAL 6032 | M6 | M20x1,5 | 33 | 76 | 28 | 12 | 25 | 6 | 22 | 30 |  | | 根据要求 | | | 03096-10-14420306 | 蓝色 RAL 5017 | M6 | M20x1,5 | 33 | 76 | 28 | 12 | 25 | 6 | 22 | 30 |  | | 根据要求 | | | 03096-10-14420506 | 灰色 RAL 7035 | M6 | M20x1,5 | 33 | 76 | 28 | 12 | 25 | 6 | 22 | 30 |  | | 根据要求 | | | 03096-10-14420606 | 红色 RAL 3020 | M6 | M20x1,5 | 33 | 76 | 28 | 12 | 25 | 6 | 22 | 30 |  | | 根据要求 | | | 03096-10-14420706 | 黄色 RAL 1021 | M6 | M20x1,5 | 33 | 76 | 28 | 12 | 25 | 6 | 22 | 30 |  | | 根据要求 | | | 03096-10-1442008 | 黑灰色 RAL 7021 | M6 | M20x1,5 | 33 | 76 | 28 | 12 | 25 | 8 | 22 | 30 |  | | 根据要求 | | | 03096-10-14420108 | 橙色 RAL 2004 | M6 | M20x1,5 | 33 | 76 | 28 | 12 | 25 | 8 | 22 | 30 |  | | 根据要求 | | | 03096-10-14420208 | 灰色 RAL 6032 | M6 | M20x1,5 | 33 | 76 | 28 | 12 | 25 | 8 | 22 | 30 |  | | 根据要求 | | | 03096-10-14420308 | 蓝色 RAL 5017 | M6 | M20x1,5 | 33 | 76 | 28 | 12 | 25 | 8 | 22 | 30 |  | | 根据要求 | | | 03096-10-14420508 | 灰色 RAL 7035 | M6 | M20x1,5 | 33 | 76 | 28 | 12 | 25 | 8 | 22 | 30 |  | | 根据要求 | | | 03096-10-14420608 | 红色 RAL 3020 | M6 | M20x1,5 | 33 | 76 | 28 | 12 | 25 | 8 | 22 | 30 |  | | 根据要求 | | | 03096-10-14420708 | 黄色 RAL 1021 | M6 | M20x1,5 | 33 | 76 | 28 | 12 | 25 | 8 | 22 | 30 |  | | 根据要求 | | | 03096-10-1442010 | 黑灰色 RAL 7021 | M6 | M20x1,5 | 33 | 76 | 28 | 12 | 25 | 10 | 22 | 30 |  | | 根据要求 | | | 03096-10-14420110 | 橙色 RAL 2004 | M6 | M20x1,5 | 33 | 76 | 28 | 12 | 25 | 10 | 22 | 30 |  | | 根据要求 | | | 03096-10-14420210 | 灰色 RAL 6032 | M6 | M20x1,5 | 33 | 76 | 28 | 12 | 25 | 10 | 22 | 30 |  | | 根据要求 | | | 03096-10-14420310 | 蓝色 RAL 5017 | M6 | M20x1,5 | 33 | 76 | 28 | 12 | 25 | 10 | 22 | 30 |  | | 根据要求 | | | 03096-10-14420510 | 灰色 RAL 7035 | M6 | M20x1,5 | 33 | 76 | 28 | 12 | 25 | 10 | 22 | 30 |  | | 根据要求 | | | 03096-10-14420610 | 红色 RAL 3020 | M6 | M20x1,5 | 33 | 76 | 28 | 12 | 25 | 10 | 22 | 30 |  | | 根据要求 | | | 03096-10-14420710 | 黄色 RAL 1021 | M6 | M20x1,5 | 33 | 76 | 28 | 12 | 25 | 10 | 22 | 30 |  | | 根据要求 | | | 03096-10-1442012 | 黑灰色 RAL 7021 | M6 | M20x1,5 | 33 | 76 | 28 | 12 | 25 | 12 | 22 | 30 |  | | 根据要求 | | | 03096-10-14420112 | 橙色 RAL 2004 | M6 | M20x1,5 | 33 | 76 | 28 | 12 | 25 | 12 | 22 | 30 |  | | 根据要求 | | | 03096-10-14420212 | 灰色 RAL 6032 | M6 | M20x1,5 | 33 | 76 | 28 | 12 | 25 | 12 | 22 | 30 |  | | 根据要求 | | | 03096-10-14420312 | 蓝色 RAL 5017 | M6 | M20x1,5 | 33 | 76 | 28 | 12 | 25 | 12 | 22 | 30 |  | | 根据要求 | | | 03096-10-14420512 | 灰色 RAL 7035 | M6 | M20x1,5 | 33 | 76 | 28 | 12 | 25 | 12 | 22 | 30 |  | | 根据要求 | | | 03096-10-14420612 | 红色 RAL 3020 | M6 | M20x1,5 | 33 | 76 | 28 | 12 | 25 | 12 | 22 | 30 |  | | 根据要求 | | | 03096-10-14420712 | 黄色 RAL 1021 | M6 | M20x1,5 | 33 | 76 | 28 | 12 | 25 | 12 | 22 | 30 |  | | 根据要求 | |
|
|
|