|
|
|
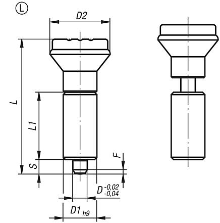
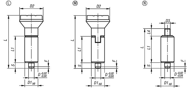
03098钢制或不锈钢锁紧柱塞,光滑型,无轴环,带塑料蘑菇头把手,带顶盖 |
返回 |
|
|
产品说明产品描述:用锁紧柱塞可防止锁紧位置由于受横向力的作用而发生移动。用手将顶销拔出后才能移动到新锁紧位置。 如果柱塞需要维持在拔出状态较长时间,为避免顶销弹回,可选用 M 型。 顶销后端 N 型螺纹上可以安装特定的把手。此外,这种柱塞还可以通过电控气缸实现自动控制,或者通过鲍登线进行远程控制。 如果锁紧柱塞已焊接,则应将套筒固定好,以防止弹簧因高温而受到热损坏。材料:钢制规格:
套筒 1.0403 可焊接。
易切削柱塞顶销。
不锈钢规格:
套筒 $s14301。 柱塞顶销经硬化处理s14034。 柱塞顶销未经硬化处理s14305。
热塑性塑料蘑菇头把手。 规格:钢制规格: 套筒经氧化处理,可焊接。 锁销经过硬化、研磨和氧化处理。
不锈钢规格: 亮色套筒,可焊接。 柱塞顶销经硬化并打磨处理,亮色。 柱塞顶销未经硬化并打磨处理,亮色。
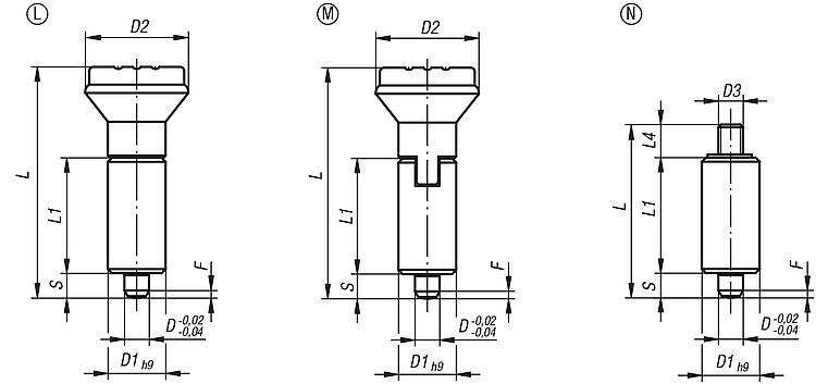
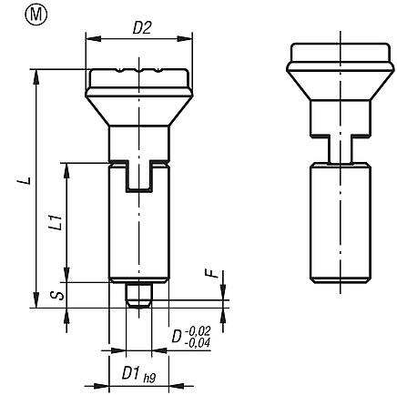
黑灰色 RAL7021 蘑菇头把手。提示:如果锁紧柱塞已焊接,则应将套筒固定好,以防止弹簧因高温而受到热损坏。根据要求:特殊类型。图纸提示:L型: 不带拔出锁槽 M型: 带拔出锁槽 N型: 带顶销 下载此处为收集信息的 PDF:
查找 CAD 数据?请直接在产品列表中查找。
|
钢制或不锈钢锁紧柱塞,光滑型,无轴环,带塑料蘑菇头把手,带顶盖,无拔出锁槽 |
更多信息 |
| 订货号 | 类型 | 主体 材料 | 主体 表面 | D
| D1 | D2 | L | L1 | 行程 S | Fx30° | 初始位置 弹簧弹力 F1 约 N | 终点位置 弹簧弹力 F2 约 N | CAD | 配件 | 价格 | 订购 |
|---|
| 03098-1105 | L | 钢制 | 硬化处理 | 5 | 12 | 21 | 47 | 24 | 5 | 1,3 | 5 | 12 |  | | 根据要求 | | | 03098-1206 | L | 钢制 | 硬化处理 | 6 | 14 | 25 | 56 | 28 | 6 | 1,8 | 6 | 14 |  | | 根据要求 | | | 03098-1308 | L | 钢制 | 硬化处理 | 8 | 18 | 33 | 74 | 36 | 8 | 2,3 | 15 | 35 |  | | 根据要求 | | | 03098-1410 | L | 钢制 | 硬化处理 | 10 | 22 | 33 | 80 | 40 | 10 | 2,8 | 15 | 34 |  | | 根据要求 | | | 03098-01105 | L | 不锈钢 | 硬化处理 | 5 | 12 | 21 | 47 | 24 | 5 | 1,3 | 5 | 12 |  | | 根据要求 | | | 03098-01206 | L | 不锈钢 | 硬化处理 | 6 | 14 | 25 | 56 | 28 | 6 | 1,8 | 6 | 14 |  | | 根据要求 | | | 03098-01308 | L | 不锈钢 | 硬化处理 | 8 | 18 | 33 | 74 | 36 | 8 | 2,3 | 15 | 35 |  | | 根据要求 | | | 03098-01410 | L | 不锈钢 | 硬化处理 | 10 | 22 | 33 | 80 | 40 | 10 | 2,8 | 15 | 34 |  | | 根据要求 | | | 03098-11105 | L | 不锈钢 | 未硬化处理 | 5 | 12 | 21 | 47 | 24 | 5 | 1,3 | 5 | 12 |  | | 根据要求 | | | 03098-11206 | L | 不锈钢 | 未硬化处理 | 6 | 14 | 25 | 56 | 28 | 6 | 1,8 | 6 | 14 |  | | 根据要求 | | | 03098-11308 | L | 不锈钢 | 未硬化处理 | 8 | 18 | 33 | 74 | 36 | 8 | 2,3 | 15 | 35 |  | | 根据要求 | | | 03098-11410 | L | 不锈钢 | 未硬化处理 | 10 | 22 | 33 | 80 | 40 | 10 | 2,8 | 15 | 34 |  | | 根据要求 | |
|
钢制或不锈钢锁紧柱塞,光滑型,无轴环,带塑料蘑菇头把手,带顶盖和拔出锁槽 |
更多信息 |
| 订货号 | 类型 | 主体 材料 | 主体 表面 | D
| D1 | D2 | L | L1 | 行程 S | Fx30° | 初始位置 弹簧弹力 F1 约 N | 终点位置 弹簧弹力 F2 约 N | CAD | 配件 | 价格 | 订购 |
|---|
| 03098-2105 | M | 钢制 | 硬化处理 | 5 | 12 | 21 | 47 | 24 | 5 | 1,3 | 5 | 12 |  | | 根据要求 | | | 03098-2206 | M | 钢制 | 硬化处理 | 6 | 14 | 25 | 56 | 28 | 6 | 1,8 | 6 | 14 |  | | 根据要求 | | | 03098-2308 | M | 钢制 | 硬化处理 | 8 | 18 | 33 | 74 | 36 | 8 | 2,3 | 15 | 35 |  | | 根据要求 | | | 03098-2410 | M | 钢制 | 硬化处理 | 10 | 22 | 33 | 80 | 40 | 10 | 2,8 | 15 | 34 |  | | 根据要求 | | | 03098-02105 | M | 不锈钢 | 硬化处理 | 5 | 12 | 21 | 47 | 24 | 5 | 1,3 | 5 | 12 |  | | 根据要求 | | | 03098-02206 | M | 不锈钢 | 硬化处理 | 6 | 14 | 25 | 56 | 28 | 6 | 1,8 | 6 | 14 |  | | 根据要求 | | | 03098-02308 | M | 不锈钢 | 硬化处理 | 8 | 18 | 33 | 74 | 36 | 8 | 2,3 | 15 | 35 |  | | 根据要求 | | | 03098-02410 | M | 不锈钢 | 硬化处理 | 10 | 22 | 33 | 80 | 40 | 10 | 2,8 | 15 | 34 |  | | 根据要求 | | | 03098-12105 | M | 不锈钢 | 未硬化处理 | 5 | 12 | 21 | 47 | 24 | 5 | 1,3 | 5 | 12 |  | | 根据要求 | | | 03098-12206 | M | 不锈钢 | 未硬化处理 | 6 | 14 | 25 | 56 | 28 | 6 | 1,8 | 6 | 14 |  | | 根据要求 | | | 03098-12308 | M | 不锈钢 | 未硬化处理 | 8 | 18 | 33 | 74 | 36 | 8 | 2,3 | 15 | 35 |  | | 根据要求 | | | 03098-12410 | M | 不锈钢 | 未硬化处理 | 10 | 22 | 33 | 80 | 40 | 10 | 2,8 | 15 | 34 |  | | 根据要求 | |
|
钢制或不锈钢锁紧柱塞,光滑型,无轴环,带埋头螺栓 |
更多信息 |
| 订货号 | 类型 | 主体 材料 | 主体 表面 | D
| D1 | D3 | L | L1 | L4 | 行程 S | Fx30° | 初始位置 弹簧弹力 F1 约 N | 终点位置 弹簧弹力 F2 约 N | CAD | 配件 | 价格 | 订购 |
|---|
| 03098-3105 | N | 钢制 | 硬化处理 | 5 | 12 | M4 | 37 | 24 | 8 | 5 | 1,3 | 5 | 12 |  | | 根据要求 | | | 03098-3206 | N | 钢制 | 硬化处理 | 6 | 14 | M6 | 43 | 28 | 9 | 6 | 1,8 | 6 | 14 |  | | 根据要求 | | | 03098-3308 | N | 钢制 | 硬化处理 | 8 | 18 | M8 | 56 | 36 | 12 | 8 | 2,3 | 15 | 35 |  | | 根据要求 | | | 03098-3410 | N | 钢制 | 硬化处理 | 10 | 22 | M8 | 62 | 40 | 12 | 10 | 2,8 | 15 | 34 |  | | 根据要求 | | | 03098-03105 | N | 不锈钢 | 硬化处理 | 5 | 12 | M4 | 37 | 24 | 8 | 5 | 1,3 | 5 | 12 |  | | 根据要求 | | | 03098-03206 | N | 不锈钢 | 硬化处理 | 6 | 14 | M6 | 43 | 28 | 9 | 6 | 1,8 | 6 | 14 |  | | 根据要求 | | | 03098-03308 | N | 不锈钢 | 硬化处理 | 8 | 18 | M8 | 56 | 36 | 12 | 8 | 2,3 | 15 | 35 |  | | 根据要求 | | | 03098-03410 | N | 不锈钢 | 硬化处理 | 10 | 22 | M8 | 62 | 40 | 12 | 10 | 2,8 | 15 | 34 |  | | 根据要求 | | | 03098-13105 | N | 不锈钢 | 未硬化处理 | 5 | 12 | M4 | 37 | 24 | 8 | 5 | 1,3 | 5 | 12 |  | | 根据要求 | | | 03098-13206 | N | 不锈钢 | 未硬化处理 | 6 | 14 | M6 | 43 | 28 | 9 | 6 | 1,8 | 6 | 14 |  | | 根据要求 | | | 03098-13308 | N | 不锈钢 | 未硬化处理 | 8 | 18 | M8 | 56 | 36 | 12 | 8 | 2,3 | 15 | 35 |  | | 根据要求 | | | 03098-13410 | N | 不锈钢 | 未硬化处理 | 10 | 22 | M8 | 62 | 40 | 12 | 10 | 2,8 | 15 | 34 |  | | 根据要求 | |
|
|
|