|
|
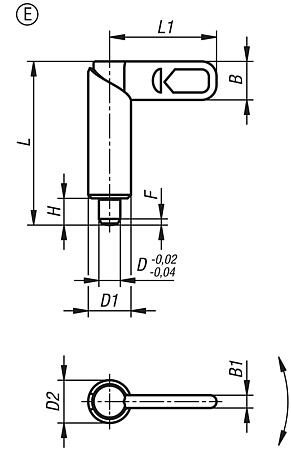
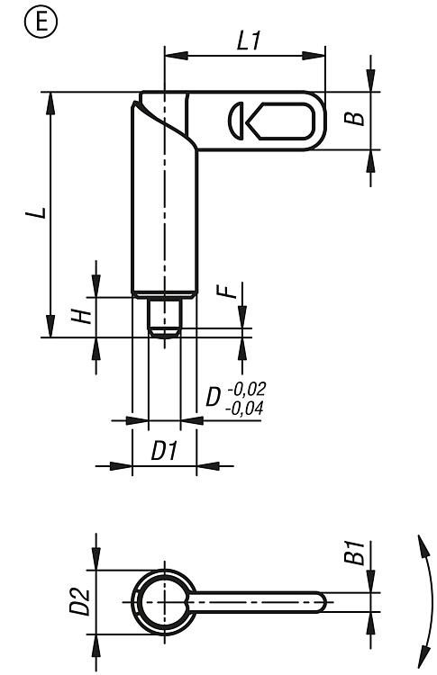
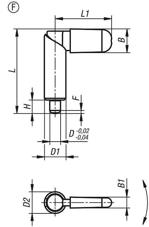
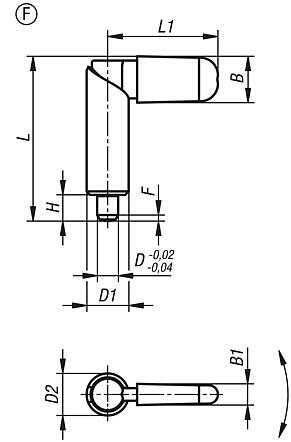
产品说明产品描述:用凸轮旋柄柱塞可防止锁紧位置由于受横向力的作用而发生移动。手柄旋转 180° 柱塞顶销缩回,因此可以改变锁紧位置。凹槽确保手柄保持在此位置,柱塞顶销保持缩回状态。材料:手柄 1.0503。 套管 1.0403。 柱塞顶销采用易切削钢。 压力弹簧 1.4310。 螺栓帽热塑性 PA。规格:套管和手柄黑色氧化。 柱塞顶销硬化,经打磨和黑色氧化。 压力弹簧亮色。 不同颜色的螺栓帽: - 黑灰色 RAL 7021 - 纯橙色 RAL 2004 - 油菜籽黄色 RAL 1021 - 交通红色 RAL 3020 - 信号绿色 RAL 6032 - 交通蓝色 RAL 5017 - 浅灰色 RAL 7035提示:如果凸轮旋柄柱塞是焊接的,应该粘焊套筒,以免弹簧因高温而热损坏。优点:手柄旋转 180° 即可将柱塞顶销缩回。 可选择彩色塑料螺栓帽。 光滑的套管,可通过定位套连接。根据要求:特殊类型。 附件:定位衬套 03099-50, 03099-60, 03099-61。 图纸提示:特点: 下载此处为收集信息的 PDF:
查找 CAD 数据?请直接在产品列表中查找。
|
| 订货号 | 类型 | D
| D1 | L | L1 | B | B1 | H | Fx30° | 初始位置 弹簧弹力 F1 约 N | 终点位置 弹簧弹力 F2 约 N | CAD | 配件 | 价格 | 订购 |
|---|
| 03099-10-080410 | E | 4 | 10 | 38,5 | 25 | 9 | 3 | 6 | 1 | 8 | 14 |  | | 根据要求 | | | 03099-10-080510 | E | 5 | 10 | 38,5 | 25 | 9 | 3 | 6 | 1,3 | 8 | 14 |  | | 根据要求 | | | 03099-10-080610 | E | 6 | 10 | 38,5 | 25 | 9 | 3 | 6 | 1,8 | 8 | 14 |  | | 根据要求 | | | 03099-10-080512 | E | 5 | 12 | 47,4 | 30 | 10,8 | 3,6 | 8 | 1,3 | 8 | 14 |  | | 根据要求 | | | 03099-10-080612 | E | 6 | 12 | 47,4 | 30 | 10,8 | 3,6 | 8 | 1,8 | 8 | 14 |  | | 根据要求 | | | 03099-10-080812 | E | 8 | 12 | 47,4 | 30 | 10,8 | 3,6 | 8 | 2,3 | 8 | 14 |  | | 根据要求 | | | 03099-10-080616 | E | 6 | 16 | 61,2 | 40 | 14,4 | 4,8 | 10 | 1,8 | 15 | 35 |  | | 根据要求 | | | 03099-10-080816 | E | 8 | 16 | 61,2 | 40 | 14,4 | 4,8 | 10 | 2,3 | 15 | 35 |  | | 根据要求 | | | 03099-10-081016 | E | 10 | 16 | 61,2 | 40 | 14,4 | 4,8 | 10 | 2,8 | 15 | 35 |  | | 根据要求 | | | 03099-10-080820 | E | 8 | 20 | 71 | 50 | 18 | 6 | 12 | 2,3 | 20 | 60 |  | | 根据要求 | | | 03099-10-081020 | E | 10 | 20 | 71 | 50 | 18 | 6 | 12 | 2,8 | 20 | 60 |  | | 根据要求 | | | 03099-10-081220 | E | 12 | 20 | 71 | 50 | 18 | 6 | 12 | 3 | 20 | 60 |  | | 根据要求 | |
|
| 订货号 | 类型 | 组件 颜色 | D
| D1 | L | L1 | B | B1 | H | Fx30° | 初始位置 弹簧弹力 F1 约 N | 终点位置 弹簧弹力 F2 约 N | CAD | 配件 | 价格 | 订购 |
|---|
| 03099-10-090410 | F | 黑灰色 RAL 7021 | 4 | 10 | 39,5 | 26,3 | 10,9 | 4,9 | 6 | 1 | 8 | 14 |  | | 根据要求 | | | 03099-10-090510 | F | 黑灰色 RAL 7021 | 5 | 10 | 39,5 | 26,3 | 10,9 | 4,9 | 6 | 1,3 | 8 | 14 |  | | 根据要求 | | | 03099-10-090610 | F | 黑灰色 RAL 7021 | 6 | 10 | 39,5 | 26,3 | 10,9 | 4,9 | 6 | 1,8 | 8 | 14 |  | | 根据要求 | | | 03099-10-090512 | F | 黑灰色 RAL 7021 | 5 | 12 | 48,4 | 31,1 | 12,9 | 5,7 | 8 | 1,3 | 8 | 14 |  | | 根据要求 | | | 03099-10-090612 | F | 黑灰色 RAL 7021 | 6 | 12 | 48,4 | 31,1 | 12,9 | 5,7 | 8 | 1,8 | 8 | 14 |  | | 根据要求 | | | 03099-10-090812 | F | 黑灰色 RAL 7021 | 8 | 12 | 48,4 | 31,1 | 12,9 | 5,7 | 8 | 2,3 | 8 | 14 |  | | 根据要求 | | | 03099-10-090616 | F | 黑灰色 RAL 7021 | 6 | 16 | 62,3 | 41,5 | 16,6 | 7 | 10 | 1,8 | 15 | 35 |  | | 根据要求 | | | 03099-10-090816 | F | 黑灰色 RAL 7021 | 8 | 16 | 62,3 | 41,5 | 16,6 | 7 | 10 | 2,3 | 15 | 35 |  | | 根据要求 | | | 03099-10-091016 | F | 黑灰色 RAL 7021 | 10 | 16 | 62,8 | 41,5 | 16,6 | 7 | 10 | 2,8 | 15 | 35 |  | | 根据要求 | | | 03099-10-090820 | F | 黑灰色 RAL 7021 | 8 | 20 | 72,3 | 51,3 | 20,5 | 8,5 | 12 | 2,3 | 20 | 60 |  | | 根据要求 | | | 03099-10-091020 | F | 黑灰色 RAL 7021 | 10 | 20 | 72,3 | 51,3 | 20,5 | 8,5 | 12 | 2,8 | 20 | 60 |  | | 根据要求 | | | 03099-10-091220 | F | 黑灰色 RAL 7021 | 12 | 20 | 72,3 | 51,3 | 20,5 | 8,5 | 12 | 3 | 20 | 60 |  | | 根据要求 | | | 03099-10-0904102 | F | 橙色 RAL 2004 | 4 | 10 | 39,5 | 26,3 | 10,9 | 4,9 | 6 | 1 | 8 | 14 |  | | 根据要求 | | | 03099-10-0905102 | F | 橙色 RAL 2004 | 5 | 10 | 39,5 | 26,3 | 10,9 | 4,9 | 6 | 1,3 | 8 | 14 |  | | 根据要求 | | | 03099-10-0906102 | F | 橙色 RAL 2004 | 6 | 10 | 39,5 | 26,3 | 10,9 | 4,9 | 6 | 1,8 | 8 | 14 |  | | 根据要求 | | | 03099-10-0905122 | F | 橙色 RAL 2004 | 5 | 12 | 48,4 | 31,1 | 12,9 | 5,7 | 8 | 1,3 | 8 | 14 |  | | 根据要求 | | | 03099-10-0906122 | F | 橙色 RAL 2004 | 6 | 12 | 48,4 | 31,1 | 12,9 | 5,7 | 8 | 1,8 | 8 | 14 |  | | 根据要求 | | | 03099-10-0908122 | F | 橙色 RAL 2004 | 8 | 12 | 48,4 | 31,1 | 12,9 | 5,7 | 8 | 2,3 | 8 | 14 |  | | 根据要求 | | | 03099-10-0906162 | F | 橙色 RAL 2004 | 6 | 16 | 62,3 | 41,5 | 16,6 | 7 | 10 | 1,8 | 15 | 35 |  | | 根据要求 | | | 03099-10-0908162 | F | 橙色 RAL 2004 | 8 | 16 | 62,3 | 41,5 | 16,6 | 7 | 10 | 2,3 | 15 | 35 |  | | 根据要求 | | | 03099-10-0910162 | F | 橙色 RAL 2004 | 10 | 16 | 62,8 | 41,5 | 16,6 | 7 | 10 | 2,8 | 15 | 35 |  | | 根据要求 | | | 03099-10-0908202 | F | 橙色 RAL 2004 | 8 | 20 | 72,3 | 51,3 | 20,5 | 8,5 | 12 | 2,3 | 20 | 60 |  | | 根据要求 | | | 03099-10-0910202 | F | 橙色 RAL 2004 | 10 | 20 | 72,3 | 51,3 | 20,5 | 8,5 | 12 | 2,8 | 20 | 60 |  | | 根据要求 | | | 03099-10-0912202 | F | 橙色 RAL 2004 | 12 | 20 | 72,3 | 51,3 | 20,5 | 8,5 | 12 | 3 | 20 | 60 |  | | 根据要求 | | | 03099-10-09041016 | F | 黄色 RAL 1021 | 4 | 10 | 39,5 | 26,3 | 10,9 | 4,9 | 6 | 1 | 8 | 14 |  | | 根据要求 | | | 03099-10-09051016 | F | 黄色 RAL 1021 | 5 | 10 | 39,5 | 26,3 | 10,9 | 4,9 | 6 | 1,3 | 8 | 14 |  | | 根据要求 | | | 03099-10-09061016 | F | 黄色 RAL 1021 | 6 | 10 | 39,5 | 26,3 | 10,9 | 4,9 | 6 | 1,8 | 8 | 14 |  | | 根据要求 | | | 03099-10-09051216 | F | 黄色 RAL 1021 | 5 | 12 | 48,4 | 31,1 | 12,9 | 5,7 | 8 | 1,3 | 8 | 14 |  | | 根据要求 | | | 03099-10-09061216 | F | 黄色 RAL 1021 | 6 | 12 | 48,4 | 31,1 | 12,9 | 5,7 | 8 | 1,8 | 8 | 14 |  | | 根据要求 | | | 03099-10-09081216 | F | 黄色 RAL 1021 | 8 | 12 | 48,4 | 31,1 | 12,9 | 5,7 | 8 | 2,3 | 8 | 14 |  | | 根据要求 | | | 03099-10-09061616 | F | 黄色 RAL 1021 | 6 | 16 | 62,3 | 41,5 | 16,6 | 7 | 10 | 1,8 | 15 | 35 |  | | 根据要求 | | | 03099-10-09081616 | F | 黄色 RAL 1021 | 8 | 16 | 62,3 | 41,5 | 16,6 | 7 | 10 | 2,3 | 15 | 35 |  | | 根据要求 | | | 03099-10-09101616 | F | 黄色 RAL 1021 | 10 | 16 | 62,8 | 41,5 | 16,6 | 7 | 10 | 2,8 | 15 | 35 |  | | 根据要求 | | | 03099-10-09082016 | F | 黄色 RAL 1021 | 8 | 20 | 72,3 | 51,3 | 20,5 | 8,5 | 12 | 2,3 | 20 | 60 |  | | 根据要求 | | | 03099-10-09102016 | F | 黄色 RAL 1021 | 10 | 20 | 72,3 | 51,3 | 20,5 | 8,5 | 12 | 2,8 | 20 | 60 |  | | 根据要求 | | | 03099-10-09122016 | F | 黄色 RAL 1021 | 12 | 20 | 72,3 | 51,3 | 20,5 | 8,5 | 12 | 3 | 20 | 60 |  | | 根据要求 | | | 03099-10-09041084 | F | 红色 RAL 3020 | 4 | 10 | 39,5 | 26,3 | 10,9 | 4,9 | 6 | 1 | 8 | 14 |  | | 根据要求 | | | 03099-10-09051084 | F | 红色 RAL 3020 | 5 | 10 | 39,5 | 26,3 | 10,9 | 4,9 | 6 | 1,3 | 8 | 14 |  | | 根据要求 | | | 03099-10-09061084 | F | 红色 RAL 3020 | 6 | 10 | 39,5 | 26,3 | 10,9 | 4,9 | 6 | 1,8 | 8 | 14 |  | | 根据要求 | | | 03099-10-09051284 | F | 红色 RAL 3020 | 5 | 12 | 48,4 | 31,1 | 12,9 | 5,7 | 8 | 1,3 | 8 | 14 |  | | 根据要求 | | | 03099-10-09061284 | F | 红色 RAL 3020 | 6 | 12 | 48,4 | 31,1 | 12,9 | 5,7 | 8 | 1,8 | 8 | 14 |  | | 根据要求 | | | 03099-10-09081284 | F | 红色 RAL 3020 | 8 | 12 | 48,4 | 31,1 | 12,9 | 5,7 | 8 | 2,3 | 8 | 14 |  | | 根据要求 | | | 03099-10-09061684 | F | 红色 RAL 3020 | 6 | 16 | 62,3 | 41,5 | 16,6 | 7 | 10 | 1,8 | 15 | 35 |  | | 根据要求 | | | 03099-10-09081684 | F | 红色 RAL 3020 | 8 | 16 | 62,3 | 41,5 | 16,6 | 7 | 10 | 2,3 | 15 | 35 |  | | 根据要求 | | | 03099-10-09101684 | F | 红色 RAL 3020 | 10 | 16 | 62,8 | 41,5 | 16,6 | 7 | 10 | 2,8 | 15 | 35 |  | | 根据要求 | | | 03099-10-09082084 | F | 红色 RAL 3020 | 8 | 20 | 72,3 | 51,3 | 20,5 | 8,5 | 12 | 2,3 | 20 | 60 |  | | 根据要求 | | | 03099-10-09102084 | F | 红色 RAL 3020 | 10 | 20 | 72,3 | 51,3 | 20,5 | 8,5 | 12 | 2,8 | 20 | 60 |  | | 根据要求 | | | 03099-10-09122084 | F | 红色 RAL 3020 | 12 | 20 | 72,3 | 51,3 | 20,5 | 8,5 | 12 | 3 | 20 | 60 |  | | 根据要求 | | | 03099-10-09041086 | F | 灰色 RAL 6032 | 4 | 10 | 39,5 | 26,3 | 10,9 | 4,9 | 6 | 1 | 8 | 14 |  | | 根据要求 | | | 03099-10-09051086 | F | 灰色 RAL 6032 | 5 | 10 | 39,5 | 26,3 | 10,9 | 4,9 | 6 | 1,3 | 8 | 14 |  | | 根据要求 | | | 03099-10-09061086 | F | 灰色 RAL 6032 | 6 | 10 | 39,5 | 26,3 | 10,9 | 4,9 | 6 | 1,8 | 8 | 14 |  | | 根据要求 | | | 03099-10-09051286 | F | 灰色 RAL 6032 | 5 | 12 | 48,4 | 31,1 | 12,9 | 5,7 | 8 | 1,3 | 8 | 14 |  | | 根据要求 | | | 03099-10-09061286 | F | 灰色 RAL 6032 | 6 | 12 | 48,4 | 31,1 | 12,9 | 5,7 | 8 | 1,8 | 8 | 14 |  | | 根据要求 | | | 03099-10-09081286 | F | 灰色 RAL 6032 | 8 | 12 | 48,4 | 31,1 | 12,9 | 5,7 | 8 | 2,3 | 8 | 14 |  | | 根据要求 | | | 03099-10-09061686 | F | 灰色 RAL 6032 | 6 | 16 | 62,3 | 41,5 | 16,6 | 7 | 10 | 1,8 | 15 | 35 |  | | 根据要求 | | | 03099-10-09081686 | F | 灰色 RAL 6032 | 8 | 16 | 62,3 | 41,5 | 16,6 | 7 | 10 | 2,3 | 15 | 35 |  | | 根据要求 | | | 03099-10-09101686 | F | 灰色 RAL 6032 | 10 | 16 | 62,8 | 41,5 | 16,6 | 7 | 10 | 2,8 | 15 | 35 |  | | 根据要求 | | | 03099-10-09082086 | F | 灰色 RAL 6032 | 8 | 20 | 72,3 | 51,3 | 20,5 | 8,5 | 12 | 2,3 | 20 | 60 |  | | 根据要求 | | | 03099-10-09102086 | F | 灰色 RAL 6032 | 10 | 20 | 72,3 | 51,3 | 20,5 | 8,5 | 12 | 2,8 | 20 | 60 |  | | 根据要求 | | | 03099-10-09122086 | F | 灰色 RAL 6032 | 12 | 20 | 72,3 | 51,3 | 20,5 | 8,5 | 12 | 3 | 20 | 60 |  | | 根据要求 | | | 03099-10-09041087 | F | 蓝色 RAL 5017 | 4 | 10 | 39,5 | 26,3 | 10,9 | 4,9 | 6 | 1 | 8 | 14 |  | | 根据要求 | | | 03099-10-09051087 | F | 蓝色 RAL 5017 | 5 | 10 | 39,5 | 26,3 | 10,9 | 4,9 | 6 | 1,3 | 8 | 14 |  | | 根据要求 | | | 03099-10-09061087 | F | 蓝色 RAL 5017 | 6 | 10 | 39,5 | 26,3 | 10,9 | 4,9 | 6 | 1,8 | 8 | 14 |  | | 根据要求 | | | 03099-10-09051287 | F | 蓝色 RAL 5017 | 5 | 12 | 48,4 | 31,1 | 12,9 | 5,7 | 8 | 1,3 | 8 | 14 |  | | 根据要求 | | | 03099-10-09061287 | F | 蓝色 RAL 5017 | 6 | 12 | 48,4 | 31,1 | 12,9 | 5,7 | 8 | 1,8 | 8 | 14 |  | | 根据要求 | | | 03099-10-09081287 | F | 蓝色 RAL 5017 | 8 | 12 | 48,4 | 31,1 | 12,9 | 5,7 | 8 | 2,3 | 8 | 14 |  | | 根据要求 | | | 03099-10-09061687 | F | 蓝色 RAL 5017 | 6 | 16 | 62,3 | 41,5 | 16,6 | 7 | 10 | 1,8 | 15 | 35 |  | | 根据要求 | | | 03099-10-09081687 | F | 蓝色 RAL 5017 | 8 | 16 | 62,3 | 41,5 | 16,6 | 7 | 10 | 2,3 | 15 | 35 |  | | 根据要求 | | | 03099-10-09101687 | F | 蓝色 RAL 5017 | 10 | 16 | 62,8 | 41,5 | 16,6 | 7 | 10 | 2,8 | 15 | 35 |  | | 根据要求 | | | 03099-10-09082087 | F | 蓝色 RAL 5017 | 8 | 20 | 72,3 | 51,3 | 20,5 | 8,5 | 12 | 2,3 | 20 | 60 |  | | 根据要求 | | | 03099-10-09102087 | F | 蓝色 RAL 5017 | 10 | 20 | 72,3 | 51,3 | 20,5 | 8,5 | 12 | 2,8 | 20 | 60 |  | | 根据要求 | | | 03099-10-09122087 | F | 蓝色 RAL 5017 | 12 | 20 | 72,3 | 51,3 | 20,5 | 8,5 | 12 | 3 | 20 | 60 |  | | 根据要求 | | | 03099-10-09041088 | F | 灰色 RAL 7035 | 4 | 10 | 39,5 | 26,3 | 10,9 | 4,9 | 6 | 1 | 8 | 14 |  | | 根据要求 | | | 03099-10-09051088 | F | 灰色 RAL 7035 | 5 | 10 | 39,5 | 26,3 | 10,9 | 4,9 | 6 | 1,3 | 8 | 14 |  | | 根据要求 | | | 03099-10-09061088 | F | 灰色 RAL 7035 | 6 | 10 | 39,5 | 26,3 | 10,9 | 4,9 | 6 | 1,8 | 8 | 14 |  | | 根据要求 | | | 03099-10-09051288 | F | 灰色 RAL 7035 | 5 | 12 | 48,4 | 31,1 | 12,9 | 5,7 | 8 | 1,3 | 8 | 14 |  | | 根据要求 | | | 03099-10-09061288 | F | 灰色 RAL 7035 | 6 | 12 | 48,4 | 31,1 | 12,9 | 5,7 | 8 | 1,8 | 8 | 14 |  | | 根据要求 | | | 03099-10-09081288 | F | 灰色 RAL 7035 | 8 | 12 | 48,4 | 31,1 | 12,9 | 5,7 | 8 | 2,3 | 8 | 14 |  | | 根据要求 | | | 03099-10-09061688 | F | 灰色 RAL 7035 | 6 | 16 | 62,3 | 41,5 | 16,6 | 7 | 10 | 1,8 | 15 | 35 |  | | 根据要求 | | | 03099-10-09081688 | F | 灰色 RAL 7035 | 8 | 16 | 62,3 | 41,5 | 16,6 | 7 | 10 | 2,3 | 15 | 35 |  | | 根据要求 | | | 03099-10-09101688 | F | 灰色 RAL 7035 | 10 | 16 | 62,8 | 41,5 | 16,6 | 7 | 10 | 2,8 | 15 | 35 |  | | 根据要求 | | | 03099-10-09082088 | F | 灰色 RAL 7035 | 8 | 20 | 72,3 | 51,3 | 20,5 | 8,5 | 12 | 2,3 | 20 | 60 |  | | 根据要求 | | | 03099-10-09102088 | F | 灰色 RAL 7035 | 10 | 20 | 72,3 | 51,3 | 20,5 | 8,5 | 12 | 2,8 | 20 | 60 |  | | 根据要求 | | | 03099-10-09122088 | F | 灰色 RAL 7035 | 12 | 20 | 72,3 | 51,3 | 20,5 | 8,5 | 12 | 3 | 20 | 60 |  | | 根据要求 | |
|
|
|