|
|
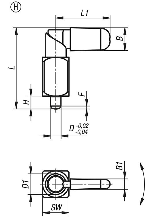
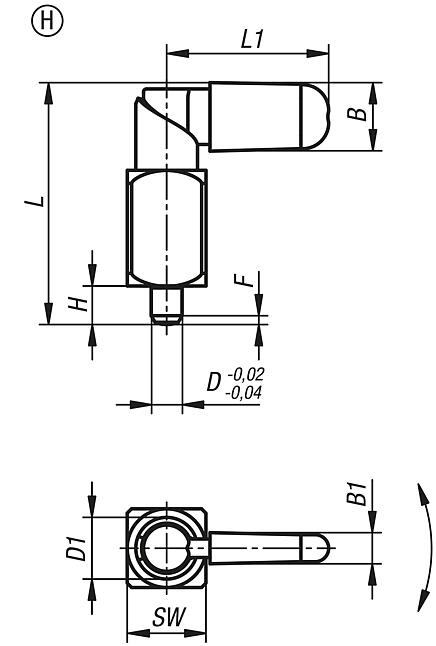
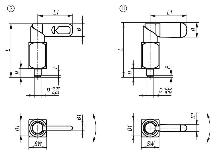
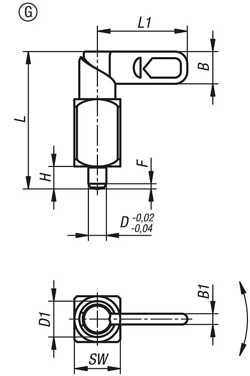
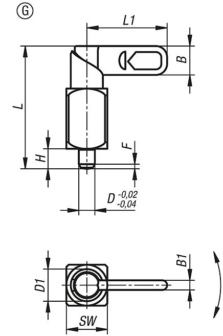
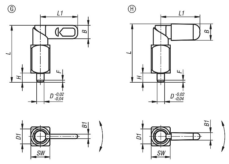
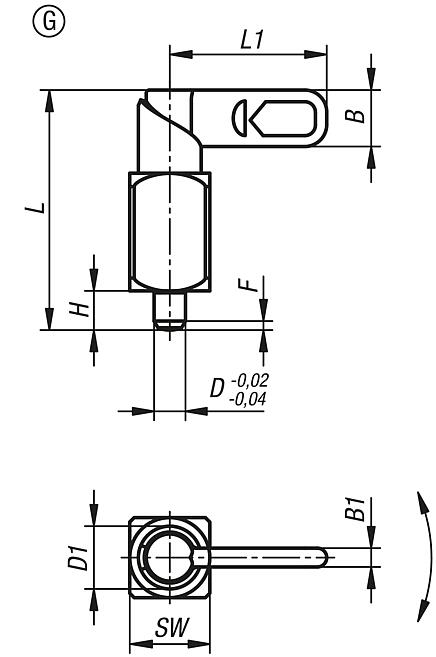
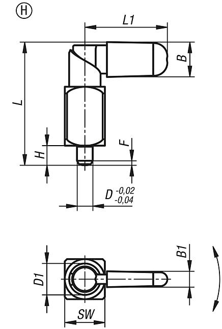
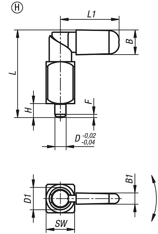
产品说明产品描述:用凸轮旋柄柱塞可防止锁紧位置由于受横向力的作用而发生移动。 手柄旋转 180° 柱塞顶销缩回,因此可以改变锁定位置。 套筒上有沟槽保证手柄可以维持在该位置,从而使柱塞顶销保持缩回状态。 材料:钢制手柄和柱塞顶销。
套筒 1.0403。
压力弹簧 1.4310。
热塑性 PA 螺栓帽。 规格:套管和手柄黑色氧化。 柱塞顶销硬化,经打磨和黑色氧化。 压力弹簧亮色。 不同颜色的螺栓帽: - 黑灰色 RAL 7021 - 纯橙色 RAL 2004 - 油菜籽黄色 RAL 1021 - 交通红色 RAL 3020 - 信号绿色 RAL 6032 - 交通蓝色 RAL 5017 - 浅灰色 RAL 7035提示:由于采用方形套筒,凸轮旋柄柱塞适合焊接。建议采用点焊定位,以避免弹簧过度受热。优点:手柄旋转 180° 即可将柱塞顶销缩回。 可选择彩色塑料螺栓帽。 方形套筒,用于焊接。根据要求:特殊类型。 附件:定位衬套 03099-50, 03099-60, 03099-61。 图纸提示:特点: 下载此处为收集信息的 PDF:
查找 CAD 数据?请直接在产品列表中查找。
|
| 订货号 | 类型 | D
| D1 | L | L1 | B | B1 | H | Fx30° | SW | 初始位置 弹簧弹力 F1 约 N | 终点位置 弹簧弹力 F2 约 N | CAD | 配件 | 价格 | 订购 |
|---|
| 03099-19-100410 | G | 4 | 10 | 38,5 | 25 | 9 | 3 | 6 | 1 | 12 | 8 | 14 |  | | 根据要求 | | | 03099-19-100510 | G | 5 | 10 | 38,5 | 25 | 9 | 3 | 6 | 1,3 | 12 | 8 | 14 |  | | 根据要求 | | | 03099-19-100610 | G | 6 | 10 | 38,5 | 25 | 9 | 3 | 6 | 1,8 | 12 | 8 | 14 |  | | 根据要求 | | | 03099-19-100512 | G | 5 | 12 | 47,4 | 30 | 10,8 | 3,6 | 8 | 1,3 | 16 | 8 | 14 |  | | 根据要求 | | | 03099-19-100612 | G | 6 | 12 | 47,4 | 30 | 10,8 | 3,6 | 8 | 1,8 | 16 | 8 | 14 |  | | 根据要求 | | | 03099-19-100812 | G | 8 | 12 | 47,4 | 30 | 10,8 | 3,6 | 8 | 2,3 | 16 | 8 | 14 |  | | 根据要求 | | | 03099-19-100616 | G | 6 | 16 | 61,2 | 40 | 14,4 | 4,8 | 10 | 1,8 | 20 | 15 | 35 |  | | 根据要求 | | | 03099-19-100816 | G | 8 | 16 | 61,2 | 40 | 14,4 | 4,8 | 10 | 2,3 | 20 | 15 | 35 |  | | 根据要求 | | | 03099-19-101016 | G | 10 | 16 | 61,2 | 40 | 14,4 | 4,8 | 10 | 2,8 | 20 | 15 | 35 |  | | 根据要求 | | | 03099-19-100820 | G | 8 | 20 | 71 | 50 | 18 | 6 | 12 | 2,3 | 24 | 20 | 60 |  | | 根据要求 | | | 03099-19-101020 | G | 10 | 20 | 71 | 50 | 18 | 6 | 12 | 2,8 | 24 | 20 | 60 |  | | 根据要求 | | | 03099-19-101220 | G | 12 | 20 | 71 | 50 | 18 | 6 | 12 | 3 | 24 | 20 | 60 |  | | 根据要求 | |
|
| 订货号 | 类型 | 组件 颜色 | D
| D1 | L | L1 | B | B1 | H | Fx30° | SW | 初始位置 弹簧弹力 F1 约 N | 终点位置 弹簧弹力 F2 约 N | CAD | 配件 | 价格 | 订购 |
|---|
| 03099-19-110410 | H | 黑灰色 RAL 7021 | 4 | 10 | 39,5 | 26,3 | 10,9 | 4,9 | 6 | 1 | 12 | 8 | 14 |  | | 根据要求 | | | 03099-19-110510 | H | 黑灰色 RAL 7021 | 5 | 10 | 39,5 | 26,3 | 10,9 | 4,9 | 6 | 1,3 | 12 | 8 | 14 |  | | 根据要求 | | | 03099-19-110610 | H | 黑灰色 RAL 7021 | 6 | 10 | 39,5 | 26,3 | 10,9 | 4,9 | 6 | 1,8 | 12 | 8 | 14 |  | | 根据要求 | | | 03099-19-110512 | H | 黑灰色 RAL 7021 | 5 | 12 | 48,4 | 31,1 | 12,9 | 5,7 | 8 | 1,3 | 16 | 8 | 14 |  | | 根据要求 | | | 03099-19-110612 | H | 黑灰色 RAL 7021 | 6 | 12 | 48,4 | 31,1 | 12,9 | 5,7 | 8 | 1,8 | 16 | 8 | 14 |  | | 根据要求 | | | 03099-19-110812 | H | 黑灰色 RAL 7021 | 8 | 12 | 48,4 | 31,1 | 12,9 | 5,7 | 8 | 2,3 | 16 | 8 | 14 |  | | 根据要求 | | | 03099-19-110616 | H | 黑灰色 RAL 7021 | 6 | 16 | 62,3 | 41,5 | 16,6 | 7 | 10 | 1,8 | 20 | 15 | 35 |  | | 根据要求 | | | 03099-19-110816 | H | 黑灰色 RAL 7021 | 8 | 16 | 62,3 | 41,5 | 16,6 | 7 | 10 | 2,3 | 20 | 15 | 35 |  | | 根据要求 | | | 03099-19-111016 | H | 黑灰色 RAL 7021 | 10 | 16 | 62,3 | 41,5 | 16,6 | 7 | 10 | 2,8 | 20 | 15 | 35 |  | | 根据要求 | | | 03099-19-110820 | H | 黑灰色 RAL 7021 | 8 | 20 | 72,3 | 51,3 | 20,5 | 8,5 | 12 | 2,3 | 24 | 20 | 60 |  | | 根据要求 | | | 03099-19-111020 | H | 黑灰色 RAL 7021 | 10 | 20 | 72,3 | 51,3 | 20,5 | 8,5 | 12 | 2,8 | 24 | 20 | 60 |  | | 根据要求 | | | 03099-19-111220 | H | 黑灰色 RAL 7021 | 12 | 20 | 72,3 | 51,3 | 20,5 | 8,5 | 12 | 3 | 24 | 20 | 60 |  | | 根据要求 | | | 03099-19-1104102 | H | 橙色 RAL 2004 | 4 | 10 | 39,5 | 26,3 | 10,9 | 4,9 | 6 | 1 | 12 | 8 | 14 |  | | 根据要求 | | | 03099-19-1105102 | H | 橙色 RAL 2004 | 5 | 10 | 39,5 | 26,3 | 10,9 | 4,9 | 6 | 1,3 | 12 | 8 | 14 |  | | 根据要求 | | | 03099-19-1106102 | H | 橙色 RAL 2004 | 6 | 10 | 39,5 | 26,3 | 10,9 | 4,9 | 6 | 1,8 | 12 | 8 | 14 |  | | 根据要求 | | | 03099-19-1105122 | H | 橙色 RAL 2004 | 5 | 12 | 48,4 | 31,1 | 12,9 | 5,7 | 8 | 1,3 | 16 | 8 | 14 |  | | 根据要求 | | | 03099-19-1106122 | H | 橙色 RAL 2004 | 6 | 12 | 48,4 | 31,1 | 12,9 | 5,7 | 8 | 1,8 | 16 | 8 | 14 |  | | 根据要求 | | | 03099-19-1108122 | H | 橙色 RAL 2004 | 8 | 12 | 48,4 | 31,1 | 12,9 | 5,7 | 8 | 2,3 | 16 | 8 | 14 |  | | 根据要求 | | | 03099-19-1106162 | H | 橙色 RAL 2004 | 6 | 16 | 62,3 | 41,5 | 16,6 | 7 | 10 | 1,8 | 20 | 15 | 35 |  | | 根据要求 | | | 03099-19-1108162 | H | 橙色 RAL 2004 | 8 | 16 | 62,3 | 41,5 | 16,6 | 7 | 10 | 2,3 | 20 | 15 | 35 |  | | 根据要求 | | | 03099-19-1110162 | H | 橙色 RAL 2004 | 10 | 16 | 62,3 | 41,5 | 16,6 | 7 | 10 | 2,8 | 20 | 15 | 35 |  | | 根据要求 | | | 03099-19-1108202 | H | 橙色 RAL 2004 | 8 | 20 | 72,3 | 51,3 | 20,5 | 8,5 | 12 | 2,3 | 24 | 20 | 60 |  | | 根据要求 | | | 03099-19-1110202 | H | 橙色 RAL 2004 | 10 | 20 | 72,3 | 51,3 | 20,5 | 8,5 | 12 | 2,8 | 24 | 20 | 60 |  | | 根据要求 | | | 03099-19-1112202 | H | 橙色 RAL 2004 | 12 | 20 | 72,3 | 51,3 | 20,5 | 8,5 | 12 | 3 | 24 | 20 | 60 |  | | 根据要求 | | | 03099-19-11041016 | H | 黄色 RAL 1021 | 4 | 10 | 39,5 | 26,3 | 10,9 | 4,9 | 6 | 1 | 12 | 8 | 14 |  | | 根据要求 | | | 03099-19-11051016 | H | 黄色 RAL 1021 | 5 | 10 | 39,5 | 26,3 | 10,9 | 4,9 | 6 | 1,3 | 12 | 8 | 14 |  | | 根据要求 | | | 03099-19-11061016 | H | 黄色 RAL 1021 | 6 | 10 | 39,5 | 26,3 | 10,9 | 4,9 | 6 | 1,8 | 12 | 8 | 14 |  | | 根据要求 | | | 03099-19-11051216 | H | 黄色 RAL 1021 | 5 | 12 | 48,4 | 31,1 | 12,9 | 5,7 | 8 | 1,3 | 16 | 8 | 14 |  | | 根据要求 | | | 03099-19-11061216 | H | 黄色 RAL 1021 | 6 | 12 | 48,4 | 31,1 | 12,9 | 5,7 | 8 | 1,8 | 16 | 8 | 14 |  | | 根据要求 | | | 03099-19-11081216 | H | 黄色 RAL 1021 | 8 | 12 | 48,4 | 31,1 | 12,9 | 5,7 | 8 | 2,3 | 16 | 8 | 14 |  | | 根据要求 | | | 03099-19-11061616 | H | 黄色 RAL 1021 | 6 | 16 | 62,3 | 41,5 | 16,6 | 7 | 10 | 1,8 | 20 | 15 | 35 |  | | 根据要求 | | | 03099-19-11081616 | H | 黄色 RAL 1021 | 8 | 16 | 62,3 | 41,5 | 16,6 | 7 | 10 | 2,3 | 20 | 15 | 35 |  | | 根据要求 | | | 03099-19-11101616 | H | 黄色 RAL 1021 | 10 | 16 | 62,3 | 41,5 | 16,6 | 7 | 10 | 2,8 | 20 | 15 | 35 |  | | 根据要求 | | | 03099-19-11082016 | H | 黄色 RAL 1021 | 8 | 20 | 72,3 | 51,3 | 20,5 | 8,5 | 12 | 2,3 | 24 | 20 | 60 |  | | 根据要求 | | | 03099-19-11102016 | H | 黄色 RAL 1021 | 10 | 20 | 72,3 | 51,3 | 20,5 | 8,5 | 12 | 2,8 | 24 | 20 | 60 |  | | 根据要求 | | | 03099-19-11122016 | H | 黄色 RAL 1021 | 12 | 20 | 72,3 | 51,3 | 20,5 | 8,5 | 12 | 3 | 24 | 20 | 60 |  | | 根据要求 | | | 03099-19-11041084 | H | 红色 RAL 3020 | 4 | 10 | 39,5 | 26,3 | 10,9 | 4,9 | 6 | 1 | 12 | 8 | 14 |  | | 根据要求 | | | 03099-19-11051084 | H | 红色 RAL 3020 | 5 | 10 | 39,5 | 26,3 | 10,9 | 4,9 | 6 | 1,3 | 12 | 8 | 14 |  | | 根据要求 | | | 03099-19-11061084 | H | 红色 RAL 3020 | 6 | 10 | 39,5 | 26,3 | 10,9 | 4,9 | 6 | 1,8 | 12 | 8 | 14 |  | | 根据要求 | | | 03099-19-11051284 | H | 红色 RAL 3020 | 5 | 12 | 48,4 | 31,1 | 12,9 | 5,7 | 8 | 1,3 | 16 | 8 | 14 |  | | 根据要求 | | | 03099-19-11061284 | H | 红色 RAL 3020 | 6 | 12 | 48,4 | 31,1 | 12,9 | 5,7 | 8 | 1,8 | 16 | 8 | 14 |  | | 根据要求 | | | 03099-19-11081284 | H | 红色 RAL 3020 | 8 | 12 | 48,4 | 31,1 | 12,9 | 5,7 | 8 | 2,3 | 16 | 8 | 14 |  | | 根据要求 | | | 03099-19-11061684 | H | 红色 RAL 3020 | 6 | 16 | 62,3 | 41,5 | 16,6 | 7 | 10 | 1,8 | 20 | 15 | 35 |  | | 根据要求 | | | 03099-19-11081684 | H | 红色 RAL 3020 | 8 | 16 | 62,3 | 41,5 | 16,6 | 7 | 10 | 2,3 | 20 | 15 | 35 |  | | 根据要求 | | | 03099-19-11101684 | H | 红色 RAL 3020 | 10 | 16 | 62,3 | 41,5 | 16,6 | 7 | 10 | 2,8 | 20 | 15 | 35 |  | | 根据要求 | | | 03099-19-11082084 | H | 红色 RAL 3020 | 8 | 20 | 72,3 | 51,3 | 20,5 | 8,5 | 12 | 2,3 | 24 | 20 | 60 |  | | 根据要求 | | | 03099-19-11102084 | H | 红色 RAL 3020 | 10 | 20 | 72,3 | 51,3 | 20,5 | 8,5 | 12 | 2,8 | 24 | 20 | 60 |  | | 根据要求 | | | 03099-19-11122084 | H | 红色 RAL 3020 | 12 | 20 | 72,3 | 51,3 | 20,5 | 8,5 | 12 | 3 | 24 | 20 | 60 |  | | 根据要求 | | | 03099-19-11041086 | H | 灰色 RAL 6032 | 4 | 10 | 39,5 | 26,3 | 10,9 | 4,9 | 6 | 1 | 12 | 8 | 14 |  | | 根据要求 | | | 03099-19-11051086 | H | 灰色 RAL 6032 | 5 | 10 | 39,5 | 26,3 | 10,9 | 4,9 | 6 | 1,3 | 12 | 8 | 14 |  | | 根据要求 | | | 03099-19-11061086 | H | 灰色 RAL 6032 | 6 | 10 | 39,5 | 26,3 | 10,9 | 4,9 | 6 | 1,8 | 12 | 8 | 14 |  | | 根据要求 | | | 03099-19-11051286 | H | 灰色 RAL 6032 | 5 | 12 | 48,4 | 31,1 | 12,9 | 5,7 | 8 | 1,3 | 16 | 8 | 14 |  | | 根据要求 | | | 03099-19-11061286 | H | 灰色 RAL 6032 | 6 | 12 | 48,4 | 31,1 | 12,9 | 5,7 | 8 | 1,8 | 16 | 8 | 14 |  | | 根据要求 | | | 03099-19-11081286 | H | 灰色 RAL 6032 | 8 | 12 | 48,4 | 31,1 | 12,9 | 5,7 | 8 | 2,3 | 16 | 8 | 14 |  | | 根据要求 | | | 03099-19-11061686 | H | 灰色 RAL 6032 | 6 | 16 | 62,3 | 41,5 | 16,6 | 7 | 10 | 1,8 | 20 | 15 | 35 |  | | 根据要求 | | | 03099-19-11081686 | H | 灰色 RAL 6032 | 8 | 16 | 62,3 | 41,5 | 16,6 | 7 | 10 | 2,3 | 20 | 15 | 35 |  | | 根据要求 | | | 03099-19-11101686 | H | 灰色 RAL 6032 | 10 | 16 | 62,3 | 41,5 | 16,6 | 7 | 10 | 2,8 | 20 | 15 | 35 |  | | 根据要求 | | | 03099-19-11082086 | H | 灰色 RAL 6032 | 8 | 20 | 72,3 | 51,3 | 20,5 | 8,5 | 12 | 2,3 | 24 | 20 | 60 |  | | 根据要求 | | | 03099-19-11102086 | H | 灰色 RAL 6032 | 10 | 20 | 72,3 | 51,3 | 20,5 | 8,5 | 12 | 2,8 | 24 | 20 | 60 |  | | 根据要求 | | | 03099-19-11122086 | H | 灰色 RAL 6032 | 12 | 20 | 72,3 | 51,3 | 20,5 | 8,5 | 12 | 3 | 24 | 20 | 60 |  | | 根据要求 | | | 03099-19-11041087 | H | 蓝色 RAL 5017 | 4 | 10 | 39,5 | 26,3 | 10,9 | 4,9 | 6 | 1 | 12 | 8 | 14 |  | | 根据要求 | | | 03099-19-11051087 | H | 蓝色 RAL 5017 | 5 | 10 | 39,5 | 26,3 | 10,9 | 4,9 | 6 | 1,3 | 12 | 8 | 14 |  | | 根据要求 | | | 03099-19-11061087 | H | 蓝色 RAL 5017 | 6 | 10 | 39,5 | 26,3 | 10,9 | 4,9 | 6 | 1,8 | 12 | 8 | 14 |  | | 根据要求 | | | 03099-19-11051287 | H | 蓝色 RAL 5017 | 5 | 12 | 48,4 | 31,1 | 12,9 | 5,7 | 8 | 1,3 | 16 | 8 | 14 |  | | 根据要求 | | | 03099-19-11061287 | H | 蓝色 RAL 5017 | 6 | 12 | 48,4 | 31,1 | 12,9 | 5,7 | 8 | 1,8 | 16 | 8 | 14 |  | | 根据要求 | | | 03099-19-11081287 | H | 蓝色 RAL 5017 | 8 | 12 | 48,4 | 31,1 | 12,9 | 5,7 | 8 | 2,3 | 16 | 8 | 14 |  | | 根据要求 | | | 03099-19-11061687 | H | 蓝色 RAL 5017 | 6 | 16 | 62,3 | 41,5 | 16,6 | 7 | 10 | 1,8 | 20 | 15 | 35 |  | | 根据要求 | | | 03099-19-11081687 | H | 蓝色 RAL 5017 | 8 | 16 | 62,3 | 41,5 | 16,6 | 7 | 10 | 2,3 | 20 | 15 | 35 |  | | 根据要求 | | | 03099-19-11101687 | H | 蓝色 RAL 5017 | 10 | 16 | 62,3 | 41,5 | 16,6 | 7 | 10 | 2,8 | 20 | 15 | 35 |  | | 根据要求 | | | 03099-19-11082087 | H | 蓝色 RAL 5017 | 8 | 20 | 72,3 | 51,3 | 20,5 | 8,5 | 12 | 2,3 | 24 | 20 | 60 |  | | 根据要求 | | | 03099-19-11102087 | H | 蓝色 RAL 5017 | 10 | 20 | 72,3 | 51,3 | 20,5 | 8,5 | 12 | 2,8 | 24 | 20 | 60 |  | | 根据要求 | | | 03099-19-11122087 | H | 蓝色 RAL 5017 | 12 | 20 | 72,3 | 51,3 | 20,5 | 8,5 | 12 | 3 | 24 | 20 | 60 |  | | 根据要求 | | | 03099-19-11051088 | H | 灰色 RAL 7035 | 5 | 10 | 39,5 | 26,3 | 10,9 | 4,9 | 6 | 1,3 | 12 | 8 | 14 |  | | 根据要求 | | | 03099-19-11041088 | H | 灰色 RAL 7035 | 4 | 10 | 39,5 | 26,3 | 10,9 | 4,9 | 6 | 1 | 12 | 8 | 14 |  | | 根据要求 | | | 03099-19-11061088 | H | 灰色 RAL 7035 | 6 | 10 | 39,5 | 26,3 | 10,9 | 4,9 | 6 | 1,8 | 12 | 8 | 14 |  | | 根据要求 | | | 03099-19-11051288 | H | 灰色 RAL 7035 | 5 | 12 | 48,4 | 31,1 | 12,9 | 5,7 | 8 | 1,3 | 16 | 8 | 14 |  | | 根据要求 | | | 03099-19-11061288 | H | 灰色 RAL 7035 | 6 | 12 | 48,4 | 31,1 | 12,9 | 5,7 | 8 | 1,8 | 16 | 8 | 14 |  | | 根据要求 | | | 03099-19-11081288 | H | 灰色 RAL 7035 | 8 | 12 | 48,4 | 31,1 | 12,9 | 5,7 | 8 | 2,3 | 16 | 8 | 14 |  | | 根据要求 | | | 03099-19-11061688 | H | 灰色 RAL 7035 | 6 | 16 | 62,3 | 41,5 | 16,6 | 7 | 10 | 1,8 | 20 | 15 | 35 |  | | 根据要求 | | | 03099-19-11081688 | H | 灰色 RAL 7035 | 8 | 16 | 62,3 | 41,5 | 16,6 | 7 | 10 | 2,3 | 20 | 15 | 35 |  | | 根据要求 | | | 03099-19-11101688 | H | 灰色 RAL 7035 | 10 | 16 | 62,3 | 41,5 | 16,6 | 7 | 10 | 2,8 | 20 | 15 | 35 |  | | 根据要求 | | | 03099-19-11082088 | H | 灰色 RAL 7035 | 8 | 20 | 72,3 | 51,3 | 20,5 | 8,5 | 12 | 2,3 | 24 | 20 | 60 |  | | 根据要求 | | | 03099-19-11102088 | H | 灰色 RAL 7035 | 10 | 20 | 72,3 | 51,3 | 20,5 | 8,5 | 12 | 2,8 | 24 | 20 | 60 |  | | 根据要求 | | | 03099-19-11122088 | H | 灰色 RAL 7035 | 12 | 20 | 72,3 | 51,3 | 20,5 | 8,5 | 12 | 3 | 24 | 20 | 60 |  | | 根据要求 | |
|
|
|