norelem 使用 Cookies 以优化设计和持续改进网页。您通过继续使用网页,同意使用 Cookies。在我们的数据保护声明中可以找到有关 Cookies 主题的详细信息。同意

商品描述/产品说明

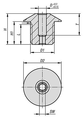
产品说明材料:

钢制或不锈钢 1.4034。

规格:钢经过淬火和黑色氧化处理。
不锈钢经过淬火和亮色处理。
提示:定位衬套适配于分度适配于弹簧柱塞。
与固定件 03099 匹配。
特点:
RoHS
下载此处为收集信息的 PDF:

查找 CAD 数据?请直接在产品列表中查找。
 Datasheet 03099-50 分度销的定位衬套 258 kB

图纸

分度销的定位衬套

商品选择/筛选

订货号主体
材料
D

D1D2HH1LSWTCAD配件价格订购
03099-50-04钢制4M12x1,51915,511,510311 根据要求
03099-50-05钢制5M12x1,51915,511,510410 根据要求
03099-50-06钢制6M12x1,51915,511,510410 根据要求
03099-50-08钢制8M16x1,52619,514,513612 根据要求
03099-50-10钢制10M16x1,52619,514,513612 根据要求
03099-50-104不锈钢4M12x1,51915,511,510311 根据要求
03099-50-108不锈钢8M16x1,52619,514,513612 根据要求
03099-50-105不锈钢5M12x1,51915,511,510410 根据要求
03099-50-106不锈钢6M12x1,51915,511,510410 根据要求
03099-50-110不锈钢10M16x1,52619,514,513612 根据要求
我的 norelemE-Mail密码
购物车
商品数量: 0
总数: 0.00  
点击购物车
欢迎扫描二维码
咨询诺瑞朗官方客服微信
中国
苏ICP备20011289号-1  苏公网安备32058502011222 网页地图 打印 推荐 Top
Copyright © 2025 norelem. 保留所有权利。 电话 +49 71 45/206-44 至 45 · 传真 +49 71 45/206-83