norelem 使用 Cookies 以优化设计和持续改进网页。您通过继续使用网页,同意使用 Cookies。在我们的数据保护声明中可以找到有关 Cookies 主题的详细信息。同意
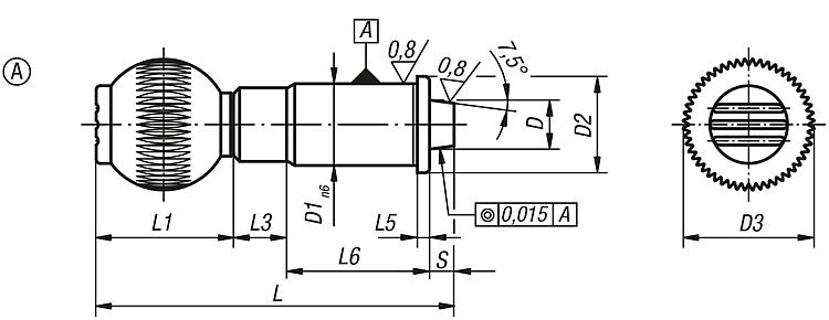
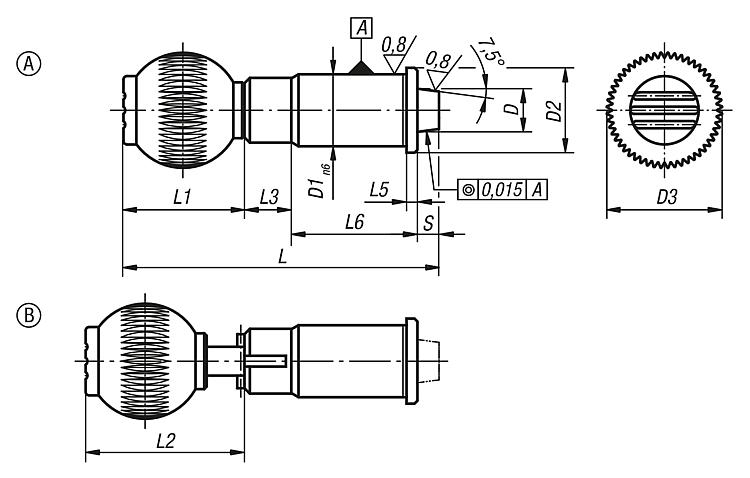
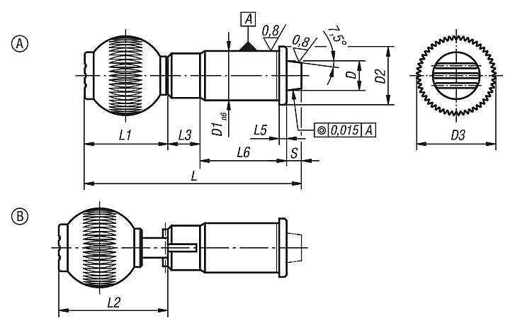
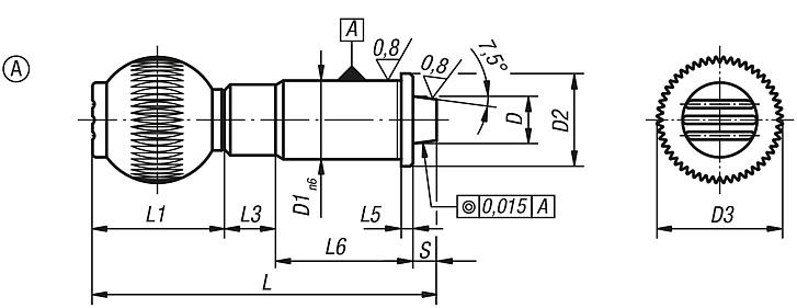
精密钢制锁紧柱塞,带塑料把手球和锥形顶销
03182

精密钢制锁紧柱塞,带塑料把手球和锥形顶销

返回

商品描述/产品说明

查看/筛选所有商品
产品说明产品描述:用锁紧柱塞可防止锁紧位置由于受横向力的作用而发生移动。只有在手动松开螺栓后,才能将其移动到另一个锁定位置。
如果柱塞需要维持在拔出状态较长时间,为避免顶销弹回,可选用 B 型。

这种带衬套的锁紧柱塞特别适合快速定位及安装。精密的柱塞及衬套保证了很高的插接重复精度。
材料:易切削钢。
热塑性塑料球形把手。
规格:硬化、抛光处理,
黑灰色 RAL7021 球形把手。
提示:技术参数参看《安装及装配说明书》。图纸提示:
A型: 标准
B型: 可锁紧
下载此处为收集信息的 PDF:

查找 CAD 数据?请直接在产品列表中查找。
 Datasheet 03182 精密钢制锁紧柱塞,带塑料把手球和锥形顶销 220 kB
 精密锁紧柱塞装配和安装指导书 367 kB

图片(总概述)

精密钢制锁紧柱塞,带塑料把手球和锥形顶销

精密钢制锁紧柱塞,带塑料把手球和锥形顶销

更多信息

图纸

精密钢制锁紧柱塞,带塑料把手球和锥形顶销

商品选择/筛选

订货号类型类型 2D

D1D2D3LL1L3L5L6行程
S
初始位置
弹簧弹力
F1 约 N
终点位置
弹簧弹力
F2 约 N
内螺纹球形把手CAD配件价格订购
03182-010A标准型101619257525132,53161929M6 根据要求
03182-012A标准型1220233287331333562235M8 根据要求
03182-016A标准型16252840102,541,51334263050M10 根据要求
03182-020A标准型20303340110,541,51335064663M10 根据要求
03182-025A标准型25384250130511336063973M10 根据要求

精密钢制锁紧柱塞,带塑料把手球、锥形顶销和拔出锁槽

更多信息

图纸

精密钢制锁紧柱塞,带塑料把手球、锥形顶销和拔出锁槽

商品选择/筛选

订货号类型类型 2D

D1D2D3LL1L2L3L5L6行程
S
初始位置
弹簧弹力
F1 约 N
终点位置
弹簧弹力
F2 约 N
内螺纹球形把手CAD配件价格订购
03182-110B可锁定的10161925752530,5132,53161929M6 根据要求
03182-112B可锁定的12202332873340,51333562235M8 根据要求
03182-116B可锁定的16252840102,541,5491334263050M10 根据要求
03182-120B可锁定的20303340110,541,5491335064663M10 根据要求
03182-125B可锁定的253842501305158,51336063973M10 根据要求
我的 norelemE-Mail密码
购物车
商品数量: 0
总数: 0.00  
点击购物车
欢迎扫描二维码
咨询诺瑞朗官方客服微信
中国
苏ICP备20011289号-1  苏公网安备32058502011222 网页地图 打印 推荐 Top
Copyright © 2025 norelem. 保留所有权利。 电话 +49 71 45/206-44 至 45 · 传真 +49 71 45/206-83