norelem 使用 Cookies 以优化设计和持续改进网页。您通过继续使用网页,同意使用 Cookies。在我们的数据保护声明中可以找到有关 Cookies 主题的详细信息。同意
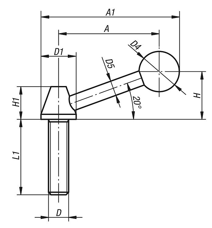
钢制锁紧手柄,带外螺纹和塑料球形头
06430

钢制锁紧手柄,带外螺纹和塑料球形头

返回

商品描述/产品说明

产品说明材料:钢制。
热固塑料材质的手柄球。
规格:钢制 发黑。
黑色手柄球。
特点:
RoHS
下载此处为收集信息的 PDF:

查找 CAD 数据?请直接在产品列表中查找。
 Datasheet 06430 钢制锁紧手柄,带外螺纹和塑料球形头 133 kB

图纸

钢制锁紧手柄,带外螺纹和塑料球形头

商品选择/筛选

订货号

AA1D

D1D4D5HH1L1CAD配件价格订购
06430-1084855M814166191345 根据要求
06430-1106473M1018206241760 根据要求
06430-11297108M12223010421970 根据要求
06430-116126138,5M16253212552375 根据要求
我的 norelemE-Mail密码
购物车
商品数量: 0
总数: 0.00  
点击购物车
欢迎扫描二维码
咨询诺瑞朗官方客服微信
中国
苏ICP备20011289号-1  苏公网安备32058502011222 网页地图 打印 推荐 Top
Copyright © 2025 norelem. 保留所有权利。 电话 +49 71 45/206-44 至 45 · 传真 +49 71 45/206-83