norelem 使用 Cookies 以优化设计和持续改进网页。您通过继续使用网页,同意使用 Cookies。在我们的数据保护声明中可以找到有关 Cookies 主题的详细信息。同意
带外螺纹的不锈钢锁紧手柄,电解抛光或喷砂处理,不锈钢螺纹嵌入件
06464

带外螺纹的不锈钢锁紧手柄,电解抛光或喷砂处理,不锈钢螺纹嵌入件

返回

商品描述/产品说明

产品说明材料:

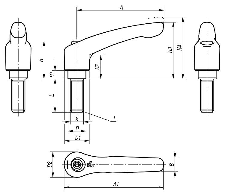
把手为精密铸造件 1.4308。
其他钢制部件 1.4305。

规格:把手经电解或抛光处理。
亮色钢件。
提示:当 L ≥ 60 mm 时,螺纹长度为 60 mm。根据要求:其他外螺纹、螺栓长度和特殊类型。
尺寸“H1”可按照需要提供其他长度,但需另行支付费用。
图纸提示:
1) 平端 DIN EN ISO 4753
特点:
不锈钢RoHS
下载此处为收集信息的 PDF:

查找 CAD 数据?请直接在产品列表中查找。
 Datasheet 06464 带外螺纹的不锈钢锁紧手柄,电解抛光或喷砂处理,不锈钢螺纹嵌入件 294 kB

图纸

带外螺纹的不锈钢锁紧手柄,电解抛光或喷砂处理,不锈钢螺纹嵌入件

商品概述(精简)

商品选择/筛选
订货号主体
颜色
尺寸XD

D1D2HH1H2H3H4AA1B齿数

LCAD配件价格订购
06464-105X10经电解抛光处理1M510131424,5414,53134404771610 根据要求
06464-105X15经电解抛光处理1M510131424,5414,53134404771615 根据要求
06464-105X20经电解抛光处理1M510131424,5414,53134404771620 根据要求
06464-105X25经电解抛光处理1M510131424,5414,53134404771625 根据要求
06464-106X10经电解抛光处理1M610131424,5414,53134404771610 根据要求
06464-106X15经电解抛光处理1M610131424,5414,53134404771615 根据要求
06464-106X20经电解抛光处理1M610131424,5414,53134404771620 根据要求
06464-106X25经电解抛光处理1M610131424,5414,53134404771625 根据要求
06464-106X30经电解抛光处理1M610131424,5414,53134404771630 根据要求
06464-106X40经电解抛光处理1M610131424,5414,53134404771640 根据要求
06464-106X50经电解抛光处理1M610131424,5414,53134404771650 根据要求
06464-206X15经电解抛光处理2M613,518,51928,56,517,542,545,56574,5102015 根据要求
06464-206X20经电解抛光处理2M613,518,51928,56,517,542,545,56574,5102020 根据要求
06464-206X25经电解抛光处理2M613,518,51928,56,517,542,545,56574,5102025 根据要求
06464-206X30经电解抛光处理2M613,518,51928,56,517,542,545,56574,5102030 根据要求
06464-206X40经电解抛光处理2M613,518,51928,56,517,542,545,56574,5102040 根据要求
06464-206X50经电解抛光处理2M613,518,51928,56,517,542,545,56574,5102050 根据要求
06464-206X60经电解抛光处理2M613,518,51928,56,517,542,545,56574,5102060 根据要求
06464-208X15经电解抛光处理2M813,518,51928,56,517,542,545,56574,5102015 根据要求
06464-208X20经电解抛光处理2M813,518,51928,56,517,542,545,56574,5102020 根据要求
06464-208X25经电解抛光处理2M813,518,51928,56,517,542,545,56574,5102025 根据要求
06464-208X30经电解抛光处理2M813,518,51928,56,517,542,545,56574,5102030 根据要求
06464-208X40经电解抛光处理2M813,518,51928,56,517,542,545,56574,5102040 根据要求
06464-208X50经电解抛光处理2M813,518,51928,56,517,542,545,56574,5102050 根据要求
06464-208X60经电解抛光处理2M813,518,51928,56,517,542,545,56574,5102060 根据要求
06464-210X20经电解抛光处理2M1013,518,51928,56,517,542,545,56574,5102020 根据要求
06464-210X25经电解抛光处理2M1013,518,51928,56,517,542,545,56574,5102025 根据要求
06464-210X30经电解抛光处理2M1013,518,51928,56,517,542,545,56574,5102030 根据要求
06464-210X40经电解抛光处理2M1013,518,51928,56,517,542,545,56574,5102040 根据要求
06464-210X50经电解抛光处理2M1013,518,51928,56,517,542,545,56574,5102050 根据要求
06464-210X60经电解抛光处理2M1013,518,51928,56,517,542,545,56574,5102060 根据要求
06464-308X20经电解抛光处理3M816212237102454,558,58091112220 根据要求
06464-308X25经电解抛光处理3M816212237102454,558,58091112225 根据要求
06464-308X30经电解抛光处理3M816212237102454,558,58091112230 根据要求
06464-308X40经电解抛光处理3M816212237102454,558,58091112240 根据要求
06464-308X50经电解抛光处理3M816212237102454,558,58091112250 根据要求
06464-308X60经电解抛光处理3M816212237102454,558,58091112260 根据要求
06464-310X20经电解抛光处理3M1016212237102454,558,58091112220 根据要求
06464-310X25经电解抛光处理3M1016212237102454,558,58091112225 根据要求
06464-310X30经电解抛光处理3M1016212237102454,558,58091112230 根据要求
06464-310X40经电解抛光处理3M1016212237102454,558,58091112240 根据要求
06464-310X50经电解抛光处理3M1016212237102454,558,58091112250 根据要求
06464-310X60经电解抛光处理3M1016212237102454,558,58091112260 根据要求
06464-412X25经电解抛光处理4M12192727,54310276367,595109132425 根据要求
06464-412X30经电解抛光处理4M12192727,54310276367,595109132430 根据要求
06464-412X40经电解抛光处理4M12192727,54310276367,595109132440 根据要求
06464-412X50经电解抛光处理4M12192727,54310276367,595109132450 根据要求
06464-412X60经电解抛光处理4M12192727,54310276367,595109132460 根据要求
06464-516X30经电解抛光处理5M16233132491231,57377,5110126152630 根据要求
06464-516X40经电解抛光处理5M16233132491231,57377,5110126152640 根据要求
06464-516X50经电解抛光处理5M16233132491231,57377,5110126152650 根据要求
06464-516X60经电解抛光处理5M16233132491231,57377,5110126152660 根据要求
06464-105153X10喷丸1M510131424,5414,53134404771610 根据要求
06464-105153X15喷丸1M510131424,5414,53134404771615 根据要求
06464-105153X20喷丸1M510131424,5414,53134404771620 根据要求
06464-105153X25喷丸1M510131424,5414,53134404771625 根据要求
06464-106153X10喷丸1M610131424,5414,53134404771610 根据要求
06464-106153X15喷丸1M610131424,5414,53134404771615 根据要求
06464-106153X20喷丸1M610131424,5414,53134404771620 根据要求
06464-106153X25喷丸1M610131424,5414,53134404771625 根据要求
06464-106153X30喷丸1M610131424,5414,53134404771630 根据要求
06464-106153X40喷丸1M610131424,5414,53134404771640 根据要求
06464-106153X50喷丸1M610131424,5414,53134404771650 根据要求
06464-206153X15喷丸2M613,518,51928,56,517,542,545,56574,5102015 根据要求
06464-206153X20喷丸2M613,518,51928,56,517,542,545,56574,5102020 根据要求
06464-206153X25喷丸2M613,518,51928,56,517,542,545,56574,5102025 根据要求
06464-206153X30喷丸2M613,518,51928,56,517,542,545,56574,5102030 根据要求
06464-206153X40喷丸2M613,518,51928,56,517,542,545,56574,5102040 根据要求
06464-206153X50喷丸2M613,518,51928,56,517,542,545,56574,5102050 根据要求
06464-206153X60喷丸2M613,518,51928,56,517,542,545,56574,5102060 根据要求
06464-208153X15喷丸2M813,518,51928,56,517,542,545,56574,5102015 根据要求
06464-208153X20喷丸2M813,518,51928,56,517,542,545,56574,5102020 根据要求
06464-208153X25喷丸2M813,518,51928,56,517,542,545,56574,5102025 根据要求
06464-208153X30喷丸2M813,518,51928,56,517,542,545,56574,5102030 根据要求
06464-208153X40喷丸2M813,518,51928,56,517,542,545,56574,5102040 根据要求
06464-208153X50喷丸2M813,518,51928,56,517,542,545,56574,5102050 根据要求
06464-208153X60喷丸2M813,518,51928,56,517,542,545,56574,5102060 根据要求
06464-210153X20喷丸2M1013,518,51928,56,517,542,545,56574,5102020 根据要求
06464-210153X25喷丸2M1013,518,51928,56,517,542,545,56574,5102025 根据要求
06464-210153X30喷丸2M1013,518,51928,56,517,542,545,56574,5102030 根据要求
06464-210153X40喷丸2M1013,518,51928,56,517,542,545,56574,5102040 根据要求
06464-210153X50喷丸2M1013,518,51928,56,517,542,545,56574,5102050 根据要求
06464-210153X60喷丸2M1013,518,51928,56,517,542,545,56574,5102060 根据要求
06464-308153X20喷丸3M816212237102454,558,58091112220 根据要求
06464-308153X25喷丸3M816212237102454,558,58091112225 根据要求
06464-308153X30喷丸3M816212237102454,558,58091112230 根据要求
06464-308153X40喷丸3M816212237102454,558,58091112240 根据要求
06464-308153X50喷丸3M816212237102454,558,58091112250 根据要求
06464-308153X60喷丸3M816212237102454,558,58091112260 根据要求
06464-310153X20喷丸3M1016212237102454,558,58091112220 根据要求
06464-310153X25喷丸3M1016212237102454,558,58091112225 根据要求
06464-310153X30喷丸3M1016212237102454,558,58091112230 根据要求
06464-310153X40喷丸3M1016212237102454,558,58091112240 根据要求
06464-310153X50喷丸3M1016212237102454,558,58091112250 根据要求
06464-310153X60喷丸3M1016212237102454,558,58091112260 根据要求
06464-412153X25喷丸4M12192727,54310276367,595109132425 根据要求
06464-412153X30喷丸4M12192727,54310276367,595109132430 根据要求
06464-412153X40喷丸4M12192727,54310276367,595109132440 根据要求
06464-412153X50喷丸4M12192727,54310276367,595109132450 根据要求
06464-412153X60喷丸4M12192727,54310276367,595109132460 根据要求
06464-516153X30喷丸5M16233132491231,57377,5110126152630 根据要求
06464-516153X40喷丸5M16233132491231,57377,5110126152640 根据要求
06464-516153X50喷丸5M16233132491231,57377,5110126152650 根据要求
06464-516153X60喷丸5M16233132491231,57377,5110126152660 根据要求
我的 norelemE-Mail密码
购物车
商品数量: 0
总数: 0.00  
点击购物车
欢迎扫描二维码
咨询诺瑞朗官方客服微信
中国
苏ICP备20011289号-1  苏公网安备32058502011222 网页地图 打印 推荐 Top
Copyright © 2025 norelem. 保留所有权利。 电话 +49 71 45/206-44 至 45 · 传真 +49 71 45/206-83