|
|
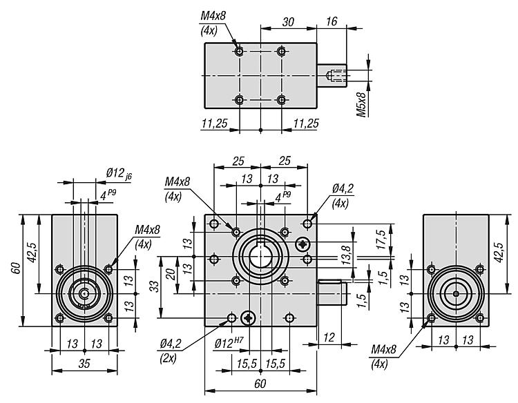
产品说明材料:铝制壳体。 钢制蜗杆,特殊黄铜制作的蜗轮。规格:经阳极氧化处理的壳体。 滚珠轴承,带橡胶密封垫 RS。提示:通用型和免维护型蜗杆传动机构,中心距为 20 mm,有 7 种不同的传动速率。壳体经过封闭处理,以防止润滑脂泄露及受到灰尘影响。蜗轮组为左旋传动。轴的转向可以任意。
- 平稳轻巧地传输动力 - 简单地螺丝安装 - 低噪音技术参数:背隙:±1° 负载时长:20% (为 5 分钟时) 使用寿命:约为 1,000 小时(全负荷时,转速 500 rpm,占空比为 20%)温度范围:-20 °C 至 +60 °C说明:FA = 0 时 FR 允许的径向力 FR = 0 时 FA 允许的轴向力特点: 下载此处为收集信息的 PDF:
查找 CAD 数据?请直接在产品列表中查找。
|
| 订货号 | 传动比 | 自锁 | 转速范围 n 1/min | 最大驱动扭矩 M Nm | 最大输出转矩 M Nm | 轴负载 FR N | 轴负载 FA N | 效率 % | CAD | 配件 | 价格 | 订购 |
|---|
| 22700-13 | 13:1 | 非自锁式 | 100 / 500 / 1000 | 2,1 / 1,8 / 1,5 | 15 / 13 / 11 | 200 | 200 | 56 |  | | 根据要求 | | | 22700-15 | 15:1 | 非自锁式 | 100 / 500 / 1000 | 1,5 / 1,3 / 1,0 | 12 / 10 / 8 | 250 | 250 | 52 |  | | 根据要求 | | | 22700-18 | 18:1 | 非自锁式 | 100 / 500 / 1000 | 1,1 / 0,9 / 0,7 | 11 / 9 / 7 | 250 | 250 | 55 |  | | 根据要求 | | | 22700-23 | 23:1 | 非自锁式 | 100 / 500 / 1000 | 0,9 / 0,7 / 0,5 | 10 / 8 / 6 | 250 | 250 | 50 |  | | 根据要求 | | | 22700-30 | 30:1 | 非自锁式 | 100 / 500 / 1000 | 0,6 / 0,5 / 0,4 | 8,5 / 7 / 5,5 | 350 | 350 | 45 |  | | 根据要求 | | | 22700-40 | 40:1 | 带自锁机构 | 100 / 500 / 1000 | 0,4 / 0,3 / 0,3 | 5,5 / 4,8 / 4 | 400 | 400 | 39 |  | | 根据要求 | | | 22700-65 | 65:1 | 带自锁机构 | 100 / 500 / 1000 | 0,2 / 0,2 / 0,2 | 4,5 / 3,8 / 3 | 500 | 500 | 29 |  | | 根据要求 | |
|
|