norelem 使用 Cookies 以优化设计和持续改进网页。您通过继续使用网页,同意使用 Cookies。在我们的
数据保护声明
中可以找到有关 Cookies 主题的详细信息。
同意
全球分布
创意
AGB
版权说明
数据保护
产品
企业信息
服务
下载
新闻
联系方式
产品概览
固定
灵活的标准件系统
装配
装配系统
运动
用于机床和设备制造的系统/组件
检查
量具检具组件
夹紧
夹紧技术
控制和调节
电动机构
输送
输送和移动技术
technoshop
norelem inch
英制产品目录
22700-10
蜗杆传动机构
返回
产品
产品概览
用于机床和设备制造的系统和组件
驱动技术
传动装置
蜗杆传动机构
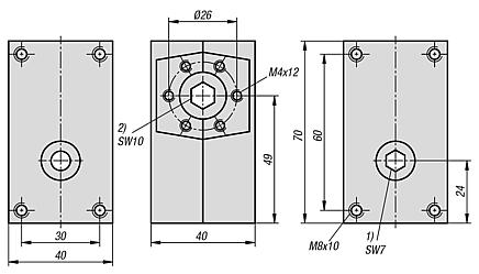
商品描述/产品说明
产品说明
材料:
压铸锌壳体。
钢制蜗杆和蜗轮。
规格:
亮色壳体。
经渗碳硬化处理的蜗杆和涡轮。
提示:
通用紧凑型和免维护型蜗杆传动机构,中心距为 25 mm,有 4 种不同的传动速率。轴的转向可以任意。紧凑型设计的传动机构具有扭矩极大、坚固耐用而且动力传动平稳的特点。柔性螺纹紧固件安装方便。
这种蜗杆传动机构专为手动操作而设计。
驱动通过一个 SW7 内六角实现。传动通过一个 SW10 内六角实现。
图纸提示:
1) 驱动
2) 输出
特点:
下载
此处为收集信息的 PDF:
查找 CAD 数据?请直接在产品列表中查找。
Datasheet 22700-10 蜗杆传动机构
303 kB
图纸
商品选择/筛选
订货号
传动比
自锁
最大输出转矩
M
Nm
CAD
配件
价格
订购
22700-10-1
1:1
非自锁式
2
根据要求
22700-10-2
2:1
非自锁式
3
根据要求
22700-10-20
20:1
带自锁机构
15
根据要求
22700-10-30
30:1
带自锁机构
17
根据要求
本类目的其他商品
22700
蜗杆传动机构
22700-12
蜗杆传动机构
紧凑型
22710
伞齿轮传动机构
塑料壳体
22712
伞齿轮传动机构
22714
锥齿轮,压铸锌壳体
22715
带塑料锥齿轮的锥齿轮减速器
22750
行星齿轮传动机构
适用于步进电机
我的 norelem
E-Mail
密码
忘记密码
首次登陆
购物车
商品数量:
0
总数:
0.00
€
点击购物车
欢迎扫描二维码
咨询诺瑞朗官方客服微信
Algérie
Andorra
Argentina
Australia
België
Bolivia
Bosna i Hercegovina
Brasil
Canada
Česká republika
Chile
中国
Colombia
Costa Rica
Cuba
Danmark
Dem. Peop. Rep. of Korea
Deutschland
Ecuador
Eesti
España
Georgia
香港
Hrvatska
India
Ireland
Ísland
Italia
Jamaica
日本
Latvija
Liechtenstein
Lietuvos
Luxemburg
Magyarország
Malaysia
Malta
México
Nederland
New Zealand
Norge
Österreich
Pakistan
Paraguay
Perú
Polska
Portugal
Principauté de Monaco
台灣
Rep. di San Marino
대한민국
România
Schweiz
Singapore
Slovenija
Slovensko
South Africa
Suomi
Sverige
Türkiye
United Kingdom
United States of America
Uruguay
Venezuela
Việt Nam
Ελλάδα
Κύπρος
Беларусь
България
Република Србија
Россия
Србија и Црна Гора
Україна
ישראל
الامارات العربية المتحدة
السعودية
ايران
مصر
ประเทศไทย
Chinese
English
苏ICP备20011289号-1
苏公网安备32058502011222
网页地图
打印
推荐
Top
Copyright © 2025 norelem. 保留所有权利。
电话 +49 71 45/206-44 至 45 · 传真 +49 71 45/206-83