norelem 使用 Cookies 以优化设计和持续改进网页。您通过继续使用网页,同意使用 Cookies。在我们的数据保护声明中可以找到有关 Cookies 主题的详细信息。同意

商品描述/产品说明

查看/筛选所有商品
产品说明材料:铝制。
钢制凸缘盘。
规格:铝,亮色。
钢制镀锌。
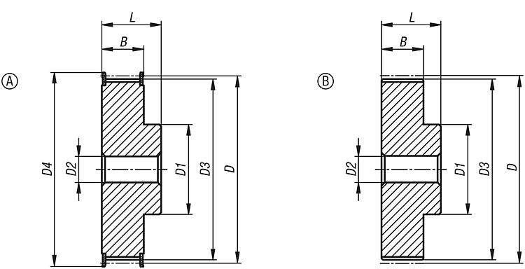
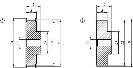
提示:具有米制节距的标准 AT 型材(梯形齿部)。至少一个齿形皮带轮应具有法兰轮。齿盘有定心孔或经过预钻孔(这可能因生产技术而异)。因此,表中给出的 D2 最大尺寸是提供齿盘的孔的最大值。预钻孔/定心孔可根据客户要求设置装配孔、带键槽的装配孔或螺纹孔。或者,客户也可以使用衬套来减小直径。
出于重量方面的考虑,齿盘的平面上可设计凹槽。
特点:
RoHS
下载此处为收集信息的 PDF:

查找 CAD 数据?请直接在产品列表中查找。
 Datasheet 22003 AT 型 齿带轮 259 kB

图片(总概述)

AT 型 齿带轮

AT5 型 齿带轮

更多信息

图纸

AT5 型 齿带轮

商品选择/筛选

订货号型材皮带宽度类型齿数

D

D1D2
max.
D3D4BLCAD配件价格订购
22003-051012AT510A1219,0110617,85231521 根据要求
22003-051014AT510A1422,2913821,05251521 根据要求
22003-051015AT510A1523,88161022,65281521 根据要求
22003-051016AT510A1625,47181124,2321521 根据要求
22003-051018AT510A1828,65201227,4321521 根据要求
22003-051019AT510A1930,25221229361521 根据要求
22003-051020AT510A2031,83231430,6361521 根据要求
22003-051022AT510A2235,12241533,85381521 根据要求
22003-051024AT510A2438,21261537421521 根据要求
22003-051025AT510A2539,8261538,6441521 根据要求
22003-051026AT510A2641,47261640,2441521 根据要求
22003-051027AT510A2742,98301841,8481521 根据要求
22003-051028AT510A2844,62321843,35481521 根据要求
22003-051030AT510A3047,76341846,55511521 根据要求
22003-051032AT510A3250,94362249,7541521 根据要求
22003-051036AT510A3657,31382256,05631521 根据要求
22003-051040AT510A4063,66402362,45661521 根据要求
22003-051042AT510A4266,87402465,6711521 根据要求
22003-051044AT510B4470,07452668,8-1521 根据要求
22003-051048AT510B4876,42502875,15-1521 根据要求
22003-051060AT510B6095,52653594,25-1521 根据要求
22003-051612AT516A1219,0110617,85232127 根据要求
22003-051614AT516A1422,2913821,05252127 根据要求
22003-051615AT516A1523,88161022,65282127 根据要求
22003-051616AT516A1625,47181124,2322127 根据要求
22003-051618AT516A1828,65201227,4322127 根据要求
22003-051619AT516A1930,25221229362127 根据要求
22003-051620AT516A2031,83231430,6362127 根据要求
22003-051622AT516A2235,12241533,85382127 根据要求
22003-051624AT516A2438,21261537422127 根据要求
22003-051625AT516A2539,8261538,6442127 根据要求
22003-051626AT516A2641,47261640,2442127 根据要求
22003-051627AT516A2742,98301841,8482127 根据要求
22003-051628AT516A2844,62321843,35482127 根据要求
22003-051630AT516A3047,76341846,55512127 根据要求
22003-051632AT516A3250,94362249,7542127 根据要求
22003-051636AT516A3657,31382256,05632127 根据要求
22003-051640AT516A4063,66402362,45662127 根据要求
22003-051642AT516A4266,87402465,6712127 根据要求
22003-051644AT516B4470,07452668,8-2127 根据要求
22003-051648AT516B4876,42502875,15-2127 根据要求
22003-051660AT516B6095,52653594,25-2127 根据要求
22003-052512AT525A1219,0110617,85233036 根据要求
22003-052514AT525A1422,2913821,05253036 根据要求
22003-052515AT525A1523,88161022,65283036 根据要求
22003-052516AT525A1625,47181124,2323036 根据要求
22003-052518AT525A1828,65201227,4323036 根据要求
22003-052519AT525A1930,25221229363036 根据要求
22003-052520AT525A2031,83231430,6363036 根据要求
22003-052522AT525A2235,12241533,85383036 根据要求
22003-052524AT525A2438,21261537423036 根据要求
22003-052525AT525A2539,8261538,6443036 根据要求
22003-052526AT525A2641,47261640,2443036 根据要求
22003-052527AT525A2742,98301841,8483036 根据要求
22003-052528AT525A2844,62321843,35483036 根据要求
22003-052530AT525A3047,76341846,55513036 根据要求
22003-052532AT525A3250,94362249,7543036 根据要求
22003-052536AT525A3657,31382256,05633036 根据要求
22003-052540AT525A4063,66402362,45663036 根据要求
22003-052542AT525A4266,87402465,6713036 根据要求
22003-052544AT525B4470,07452668,8-3036 根据要求
22003-052548AT525B4876,42502875,15-3036 根据要求
22003-052560AT525B6095,52653594,25-3036 根据要求

AT10 型 齿带轮

更多信息

图纸

AT10 型 齿带轮

商品选择/筛选

订货号型材皮带宽度类型齿数

D

D1D2
max.
D3D4BLCAD配件价格订购
22003-101615AT1016A1547,75321845,9512131 根据要求
22003-101616AT1016A1650,93352049,05542131 根据要求
22003-101618AT1016A1857,29402255,45602131 根据要求
22003-101619AT1016A1960,48442258,6662131 根据要求
22003-101620AT1016A2063,66462461,8662131 根据要求
22003-101622AT1016A2270,03522868,15752131 根据要求
22003-101624AT1016A2476,39583074,55832131 根据要求
22003-101625AT1016A2579,58603077,7832131 根据要求
22003-101626AT1016A2682,76603080,9872131 根据要求
22003-101627AT1016A2785,95603084,1912131 根据要求
22003-101628AT1016A2889,13603087,25932131 根据要求
22003-101630AT1016A3095,49603093,65972131 根据要求
22003-101632AT1016A32101,8665321001062131 根据要求
22003-101636AT1016A36114,597035112,751192131 根据要求
22003-101640AT1016A40127,328040125,451312131 根据要求
22003-101644AT1016B44140,068846138,2-2131 根据要求
22003-101648AT1016B48152,789548150,95-2131 根据要求
22003-101660AT1016B60190,9811060189,1-2131 根据要求
22003-102515AT1025A1547,75321845,9513040 根据要求
22003-102516AT1025A1650,93352049,05543040 根据要求
22003-102518AT1025A1857,29402255,45603040 根据要求
22003-102519AT1025A1960,48442258,6663040 根据要求
22003-102520AT1025A2063,66462461,8663040 根据要求
22003-102522AT1025A2270,03522868,15753040 根据要求
22003-102524AT1025A2476,39583074,55833040 根据要求
22003-102525AT1025A2579,58603077,7833040 根据要求
22003-102526AT1025A2682,76603080,9873040 根据要求
22003-102527AT1025A2785,95603084,1913040 根据要求
22003-102528AT1025A2889,13603087,25933040 根据要求
22003-102530AT1025A3095,49603093,65973040 根据要求
22003-102532AT1025A32101,8665321001063040 根据要求
22003-102536AT1025A36114,597035112,751193040 根据要求
22003-102540AT1025A40127,328040125,451313040 根据要求
22003-102544AT1025B44140,068846138,2-3040 根据要求
22003-102548AT1025B48152,789548150,95-3040 根据要求
22003-102560AT1025B60190,9811060189,1-3040 根据要求
22003-103218AT1032A1857,29402255,45603747 根据要求
22003-103219AT1032A1960,48442258,6663747 根据要求
22003-103220AT1032A2063,66462461,8663747 根据要求
22003-103222AT1032A2270,03522868,15753747 根据要求
22003-103224AT1032A2476,39583074,55833747 根据要求
22003-103225AT1032A2579,58603077,7833747 根据要求
22003-103226AT1032A2682,76603080,9873747 根据要求
22003-103227AT1032A2785,95603084,1913747 根据要求
22003-103228AT1032A2889,13603087,25933747 根据要求
22003-103230AT1032A3095,49603093,65973747 根据要求
22003-103232AT1032A32101,8665321001063747 根据要求
22003-103236AT1032A36114,597035112,751193747 根据要求
22003-103240AT1032A40127,328040125,451313747 根据要求
22003-103244AT1032B44140,068846138,2-3747 根据要求
22003-103248AT1032B48152,789548150,95-3747 根据要求
22003-103260AT1032B60190,9811060189,1-3747 根据要求
我的 norelemE-Mail密码
购物车
商品数量: 0
总数: 0.00  
点击购物车
欢迎扫描二维码
咨询诺瑞朗官方客服微信
中国
苏ICP备20011289号-1  苏公网安备32058502011222 网页地图 打印 推荐 Top
Copyright © 2025 norelem. 保留所有权利。 电话 +49 71 45/206-44 至 45 · 传真 +49 71 45/206-83