norelem 使用 Cookies 以优化设计和持续改进网页。您通过继续使用网页,同意使用 Cookies。在我们的数据保护声明中可以找到有关 Cookies 主题的详细信息。同意

商品描述/产品说明

查看/筛选所有商品
产品说明材料:钢制。
齿带轮无铝制凸缘轮。
规格:钢制,磷化。
铝制,亮色。
提示:标准 HTD-Profil,具有公制间距(半圆齿)。至少一个齿形皮带轮应具有法兰轮。齿盘有定心孔或经过预钻孔(这可能因生产技术而异)。因此,表中给出的 D2 最大尺寸是提供齿盘的孔的最大值。预钻孔/定心孔可根据客户要求设置装配孔、带键槽的装配孔或螺纹孔。或者,客户也可以使用衬套来减小直径。
出于重量方面的考虑,齿盘的平面上可设计凹槽。
特点:
RoHS
下载此处为收集信息的 PDF:

查找 CAD 数据?请直接在产品列表中查找。
 Datasheet 22004 齿带轮 HTD 5M 型 225 kB
 齿形皮带 22062 使用说明 1.021 kB

图片(总概述)

齿带轮 HTD 5M 型

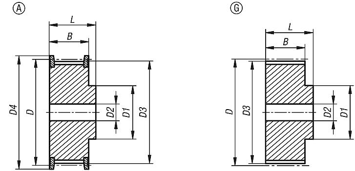
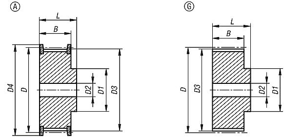
齿带轮 HTD 5M 型,适用皮带宽度 15 mm

更多信息

图纸

齿带轮 HTD 5M 型,适用皮带宽度 15 mm

商品选择/筛选

订货号皮带宽度类型主体
材料
齿数

D

D1
max.
D2
max.
D3D4
max.
BLCAD配件价格订购
22004-05151215A钢制1219,113617,962320,526 根据要求
22004-05151415A钢制1422,2814621,142520,526 根据要求
22004-05151515A钢制1523,8716622,732820,526 根据要求
22004-05151615A钢制1625,4716,5624,322820,526 根据要求
22004-05151815A钢制1828,6520627,513220,526 根据要求
22004-05152015A钢制2031,8323630,693620,526 根据要求
22004-05152115A钢制2133,4224632,283820,526 根据要求
22004-05152215A钢制2235,0125,5633,873920,526 根据要求
22004-05152415A钢制2438,1927637,064220,528 根据要求
22004-05152615A钢制2641,3830640,244620,528 根据要求
22004-05152815A钢制2844,5630,5643,425020,528 根据要求
22004-05153015A钢制3047,7535846,615120,528 根据要求
22004-05153215A钢制3250,9338849,795520,528 根据要求
22004-05153615A钢制3657,338856,166220,528 根据要求
22004-05154015A钢制4063,6638862,527120,528 根据要求
22004-05154415G铝制4470,0338868,89-20,530 根据要求
22004-05154815G铝制4876,3945875,25-20,530 根据要求
22004-05156015G铝制6095,4950894,35-20,530 根据要求
22004-05157215G铝制72114,59508113,45-20,530 根据要求

齿带轮 HTD 5M 型,适用皮带宽度 25 mm

更多信息

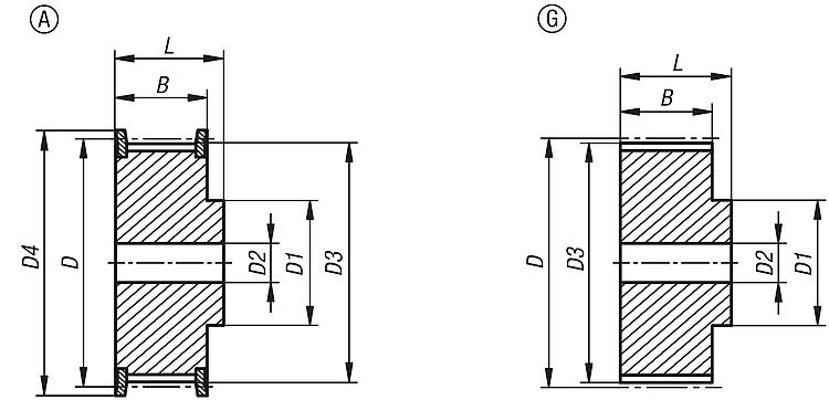
图纸

齿带轮 HTD 5M 型,适用皮带宽度 25 mm

商品选择/筛选

订货号皮带宽度类型主体
材料
齿数

D

D1
max.
D2
max.
D3D4
max.
BLCAD配件价格订购
22004-05251225A钢制1219,113617,96233036 根据要求
22004-05251425A钢制1422,2814621,14253036 根据要求
22004-05251525A钢制1523,8716622,73283036 根据要求
22004-05251625A钢制1625,4716,5624,32283036 根据要求
22004-05251825A钢制1828,6520627,51323036 根据要求
22004-05252025A钢制2031,8323630,69363036 根据要求
22004-05252125A钢制2133,4224632,28383038 根据要求
22004-05252225A钢制2235,0125,5633,87393038 根据要求
22004-05252425A钢制2438,1927637,06423038 根据要求
22004-05252625A钢制2641,3830640,24463038 根据要求
22004-05252825A钢制2844,5630,5643,42503038 根据要求
22004-05253025A钢制3047,7535846,61513038 根据要求
22004-05253225A钢制3250,9338849,79553038 根据要求
22004-05253625A钢制3657,338856,16623038 根据要求
22004-05254025A钢制4063,6638862,52713038 根据要求
22004-05254425G铝制4470,0338868,89-3040 根据要求
22004-05254825G铝制4876,3945875,25-3040 根据要求
22004-05256025G铝制6095,4950894,35-3040 根据要求
22004-05257225G铝制72114,59508113,45-3040 根据要求
我的 norelemE-Mail密码
购物车
商品数量: 0
总数: 0.00  
点击购物车
欢迎扫描二维码
咨询诺瑞朗官方客服微信
中国
苏ICP备20011289号-1  苏公网安备32058502011222 网页地图 打印 推荐 Top
Copyright © 2025 norelem. 保留所有权利。 电话 +49 71 45/206-44 至 45 · 传真 +49 71 45/206-83