|
|
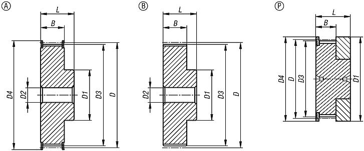
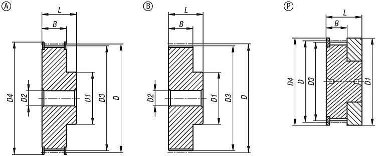
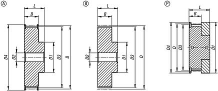
产品说明材料:铝制。 钢制凸缘盘。规格:铝,亮色。 钢制镀锌。提示:具有米制节距的符合 ISO 17396 的标准 T 型材(梯形齿部)。至少一个齿形皮带轮应具有法兰轮。齿盘有定心孔或经过预钻孔(这可能因生产技术而异)。因此,表中给出的 D2 最大尺寸是提供齿盘的孔的最大值。预钻孔/定心孔可根据客户要求设置装配孔、带键槽的装配孔或螺纹孔。或者,客户也可以使用衬套来减小直径。
出于重量方面的考虑,齿盘的平面上可设计凹槽。特点: 下载此处为收集信息的 PDF:
查找 CAD 数据?请直接在产品列表中查找。
|
| 订货号 | 类型 | P=型面 | 皮带宽度 | 齿数 | B | D
| D1 max. | D2 max. | D3 | D4 max. | L | CAD | 配件 | 价格 | 订购 |
|---|
| 22002-250612 | P | T2,5 | 6 | 12 | 9 | 9,05 | 12 | | 9 | 13 | 16 |  | | 根据要求 | | | 22002-250614 | P | T2,5 | 6 | 14 | 9 | 10,64 | 14 | | 10,6 | 15 | 16 |  | | 根据要求 | | | 22002-250615 | P | T2,5 | 6 | 15 | 9 | 11,44 | 15 | | 11 | 15 | 16 |  | | 根据要求 | | | 22002-250616 | P | T2,5 | 6 | 16 | 9 | 12,23 | 16 | | 12,2 | 16 | 16 |  | | 根据要求 | | | 22002-250618 | A | T2,5 | 6 | 18 | 10 | 13,82 | 10 | 3 | 13,8 | 18 | 16 |  | | 根据要求 | | | 22002-250619 | A | T2,5 | 6 | 19 | 10 | 14,62 | 10 | 3 | 14,6 | 18 | 16 |  | | 根据要求 | | | 22002-250620 | A | T2,5 | 6 | 20 | 10 | 15,42 | 11 | 3 | 15,4 | 19,5 | 16 |  | | 根据要求 | | | 22002-250622 | A | T2,5 | 6 | 22 | 10 | 17,01 | 11 | 3 | 17 | 23 | 16 |  | | 根据要求 | | | 22002-250624 | A | T2,5 | 6 | 24 | 10 | 18,6 | 12 | 3 | 18,55 | 23 | 16 |  | | 根据要求 | | | 22002-250625 | A | T2,5 | 6 | 25 | 10 | 19,39 | 13 | 3 | 19,35 | 23 | 16 |  | | 根据要求 | | | 22002-250626 | A | T2,5 | 6 | 26 | 10 | 20,19 | 14 | 4 | 20,15 | 25 | 16 |  | | 根据要求 | | | 22002-250628 | A | T2,5 | 6 | 28 | 10 | 21,78 | 14 | 4 | 21,75 | 25 | 16 |  | | 根据要求 | | | 22002-250630 | A | T2,5 | 6 | 30 | 10 | 23,37 | 16 | 6 | 23,35 | 28 | 16 |  | | 根据要求 | | | 22002-250632 | A | T2,5 | 6 | 32 | 10 | 24,96 | 16 | 6 | 24,95 | 32 | 16 |  | | 根据要求 | | | 22002-250636 | A | T2,5 | 6 | 36 | 10 | 28,15 | 20 | 6 | 28 | 36 | 16 |  | | 根据要求 | | | 22002-250640 | A | T2,5 | 6 | 40 | 10 | 31,33 | 22 | 6 | 31,3 | 38 | 16 |  | | 根据要求 | | | 22002-250644 | B | T2,5 | 6 | 44 | 10 | 34,51 | 24 | 6 | 35 | | 16 |  | | 根据要求 | | | 22002-250648 | B | T2,5 | 6 | 48 | 10 | 37,7 | 26 | 6 | 38 | | 16 |  | | 根据要求 | | | 22002-250660 | B | T2,5 | 6 | 60 | 10 | 47,25 | 34 | 8 | 47 | | 16 |  | | 根据要求 | |
|
| 订货号 | P=型面 | 皮带宽度 | 类型 | 齿数 | D
| D1 max. | D2 max. | D3 | D4 max. | B | L | CAD | 配件 | 价格 | 订购 |
|---|
| 22002-051010 | T5 | 10 | A | 10 | 15,92 | 8 | 5 | 15,05 | 19,5 | 15 | 21 |  | | 根据要求 | | | 22002-051012 | T5 | 10 | A | 12 | 19,01 | 10 | 6 | 18,25 | 23 | 15 | 21 |  | | 根据要求 | | | 22002-051014 | T5 | 10 | A | 14 | 22,29 | 13 | 8 | 21,45 | 25 | 15 | 21 |  | | 根据要求 | | | 22002-051015 | T5 | 10 | A | 15 | 23,88 | 16 | 10 | 23,05 | 28 | 15 | 21 |  | | 根据要求 | | | 22002-051016 | T5 | 10 | A | 16 | 25,47 | 18 | 11 | 24,6 | 32 | 15 | 21 |  | | 根据要求 | | | 22002-051018 | T5 | 10 | A | 18 | 28,65 | 20 | 12 | 27,8 | 30 | 15 | 21 |  | | 根据要求 | | | 22002-051019 | T5 | 10 | A | 19 | 30,25 | 22 | 12 | 29,4 | 36 | 15 | 21 |  | | 根据要求 | | | 22002-051020 | T5 | 10 | A | 20 | 31,83 | 23 | 14 | 31 | 36 | 15 | 21 |  | | 根据要求 | | | 22002-051022 | T5 | 10 | A | 22 | 35,12 | 24 | 15 | 34,25 | 38 | 15 | 21 |  | | 根据要求 | | | 22002-051024 | T5 | 10 | A | 24 | 38,21 | 26 | 15 | 37,4 | 42 | 15 | 21 |  | | 根据要求 | | | 22002-051025 | T5 | 10 | A | 25 | 39,8 | 26 | 15 | 39 | 44 | 15 | 21 |  | | 根据要求 | | | 22002-051026 | T5 | 10 | A | 26 | 41,47 | 26 | 16 | 40,6 | 44 | 15 | 21 |  | | 根据要求 | | | 22002-051027 | T5 | 10 | A | 27 | 42,98 | 30 | 18 | 42,2 | 48 | 15 | 21 |  | | 根据要求 | | | 22002-051028 | T5 | 10 | A | 28 | 44,62 | 32 | 18 | 43,75 | 48 | 15 | 21 |  | | 根据要求 | | | 22002-051030 | T5 | 10 | A | 30 | 47,76 | 34 | 18 | 46,95 | 51 | 15 | 21 |  | | 根据要求 | | | 22002-051032 | T5 | 10 | A | 32 | 50,94 | 38 | 22 | 50,1 | 54 | 15 | 21 |  | | 根据要求 | | | 22002-051036 | T5 | 10 | A | 36 | 57,31 | 38 | 22 | 56,45 | 63 | 15 | 21 |  | | 根据要求 | | | 22002-051040 | T5 | 10 | A | 40 | 63,66 | 40 | 23 | 62,85 | 66 | 15 | 21 |  | | 根据要求 | | | 22002-051042 | T5 | 10 | A | 42 | 66,87 | 40 | 24 | 66 | 71 | 15 | 21 |  | | 根据要求 | | | 22002-051044 | T5 | 10 | B | 44 | 70,07 | 45 | 26 | 69,2 | - | 15 | 21 |  | | 根据要求 | | | 22002-051048 | T5 | 10 | B | 48 | 76,42 | 50 | 28 | 75,55 | - | 15 | 21 |  | | 根据要求 | | | 22002-051060 | T5 | 10 | B | 60 | 95,52 | 65 | 35 | 94,65 | - | 15 | 21 |  | | 根据要求 | | | 22002-051610 | T5 | 16 | A | 10 | 15,92 | 8 | 5 | 15,05 | 19,5 | 21 | 27 |  | | 根据要求 | | | 22002-051612 | T5 | 16 | A | 12 | 19,01 | 10 | 6 | 18,25 | 23 | 21 | 27 |  | | 根据要求 | | | 22002-051614 | T5 | 16 | A | 14 | 22,29 | 13 | 8 | 21,45 | 25 | 21 | 27 |  | | 根据要求 | | | 22002-051615 | T5 | 16 | A | 15 | 23,88 | 16 | 10 | 23,05 | 28 | 21 | 27 |  | | 根据要求 | | | 22002-051616 | T5 | 16 | A | 16 | 25,47 | 18 | 11 | 24,6 | 32 | 21 | 27 |  | | 根据要求 | | | 22002-051618 | T5 | 16 | A | 18 | 28,65 | 20 | 12 | 27,8 | 30 | 21 | 27 |  | | 根据要求 | | | 22002-051619 | T5 | 16 | A | 19 | 30,25 | 22 | 12 | 29,4 | 36 | 21 | 27 |  | | 根据要求 | | | 22002-051620 | T5 | 16 | A | 20 | 31,83 | 23 | 14 | 31 | 36 | 21 | 27 |  | | 根据要求 | | | 22002-051622 | T5 | 16 | A | 22 | 35,12 | 24 | 15 | 34,25 | 38 | 21 | 27 |  | | 根据要求 | | | 22002-051624 | T5 | 16 | A | 24 | 38,21 | 26 | 15 | 37,4 | 42 | 21 | 27 |  | | 根据要求 | | | 22002-051625 | T5 | 16 | A | 25 | 39,8 | 26 | 15 | 39 | 44 | 21 | 27 |  | | 根据要求 | | | 22002-051626 | T5 | 16 | A | 26 | 41,47 | 26 | 16 | 40,6 | 44 | 21 | 27 |  | | 根据要求 | | | 22002-051627 | T5 | 16 | A | 27 | 42,98 | 30 | 18 | 42,2 | 48 | 21 | 27 |  | | 根据要求 | | | 22002-051628 | T5 | 16 | A | 28 | 44,62 | 32 | 18 | 43,75 | 48 | 21 | 27 |  | | 根据要求 | | | 22002-051630 | T5 | 16 | A | 30 | 47,76 | 34 | 18 | 46,95 | 51 | 21 | 27 |  | | 根据要求 | | | 22002-051632 | T5 | 16 | A | 32 | 50,94 | 38 | 22 | 50,1 | 54 | 21 | 27 |  | | 根据要求 | | | 22002-051636 | T5 | 16 | A | 36 | 57,31 | 38 | 22 | 56,45 | 63 | 21 | 27 |  | | 根据要求 | | | 22002-051640 | T5 | 16 | A | 40 | 63,66 | 40 | 23 | 62,85 | 66 | 21 | 27 |  | | 根据要求 | | | 22002-051642 | T5 | 16 | A | 42 | 66,87 | 40 | 24 | 66 | 71 | 21 | 27 |  | | 根据要求 | | | 22002-051644 | T5 | 16 | B | 44 | 70,07 | 45 | 26 | 69,2 | - | 21 | 27 |  | | 根据要求 | | | 22002-051648 | T5 | 16 | B | 48 | 76,42 | 50 | 28 | 75,55 | - | 21 | 27 |  | | 根据要求 | | | 22002-051660 | T5 | 16 | B | 60 | 95,52 | 65 | 35 | 94,65 | - | 21 | 27 |  | | 根据要求 | | | 22002-052510 | T5 | 25 | A | 10 | 15,92 | 8 | 5 | 15,05 | 19,5 | 30 | 36 |  | | 根据要求 | | | 22002-052512 | T5 | 25 | A | 12 | 19,01 | 10 | 6 | 18,25 | 23 | 30 | 36 |  | | 根据要求 | | | 22002-052514 | T5 | 25 | A | 14 | 22,29 | 13 | 8 | 21,45 | 25 | 30 | 36 |  | | 根据要求 | | | 22002-052515 | T5 | 25 | A | 15 | 23,88 | 16 | 10 | 23,05 | 28 | 30 | 36 |  | | 根据要求 | | | 22002-052516 | T5 | 25 | A | 16 | 25,47 | 18 | 11 | 24,6 | 32 | 30 | 36 |  | | 根据要求 | | | 22002-052518 | T5 | 25 | A | 18 | 28,65 | 20 | 12 | 27,8 | 30 | 30 | 36 |  | | 根据要求 | | | 22002-052519 | T5 | 25 | A | 19 | 30,25 | 22 | 12 | 29,4 | 36 | 30 | 36 |  | | 根据要求 | | | 22002-052520 | T5 | 25 | A | 20 | 31,83 | 23 | 14 | 31 | 36 | 30 | 36 |  | | 根据要求 | | | 22002-052522 | T5 | 25 | A | 22 | 35,12 | 24 | 15 | 34,25 | 38 | 30 | 36 |  | | 根据要求 | | | 22002-052524 | T5 | 25 | A | 24 | 38,21 | 26 | 15 | 37,4 | 42 | 30 | 36 |  | | 根据要求 | | | 22002-052525 | T5 | 25 | A | 25 | 39,8 | 26 | 15 | 39 | 44 | 30 | 36 |  | | 根据要求 | | | 22002-052526 | T5 | 25 | A | 26 | 41,47 | 26 | 16 | 40,6 | 44 | 30 | 36 |  | | 根据要求 | | | 22002-052527 | T5 | 25 | A | 27 | 42,98 | 30 | 18 | 42,2 | 48 | 30 | 36 |  | | 根据要求 | | | 22002-052528 | T5 | 25 | A | 28 | 44,62 | 32 | 18 | 43,75 | 48 | 30 | 36 |  | | 根据要求 | | | 22002-052530 | T5 | 25 | A | 30 | 47,76 | 34 | 18 | 46,95 | 51 | 30 | 36 |  | | 根据要求 | | | 22002-052532 | T5 | 25 | A | 32 | 50,94 | 38 | 22 | 50,1 | 54 | 30 | 36 |  | | 根据要求 | | | 22002-052536 | T5 | 25 | A | 36 | 57,31 | 38 | 22 | 56,45 | 63 | 30 | 36 |  | | 根据要求 | | | 22002-052540 | T5 | 25 | A | 40 | 63,66 | 40 | 23 | 62,85 | 66 | 30 | 36 |  | | 根据要求 | | | 22002-052542 | T5 | 25 | A | 42 | 66,87 | 40 | 24 | 66 | 71 | 30 | 36 |  | | 根据要求 | | | 22002-052544 | T5 | 25 | B | 44 | 70,07 | 45 | 26 | 69,2 | - | 30 | 36 |  | | 根据要求 | | | 22002-052548 | T5 | 25 | B | 48 | 76,42 | 50 | 28 | 75,55 | - | 30 | 36 |  | | 根据要求 | | | 22002-052560 | T5 | 25 | B | 60 | 95,52 | 65 | 35 | 94,65 | - | 30 | 36 |  | | 根据要求 | |
|
| 订货号 | 类型 | P=型面 | 皮带宽度 | 齿数 | D
| D1 | D2 max. | D3 | D4 | B | L | CAD | 配件 | 价格 | 订购 |
|---|
| 22002-101612 | A | T10 | 16 | 12 | 38,2 | 28 | 16 | 36,35 | 42 | 21 | 31 |  | | 根据要求 | | | 22002-101614 | A | T10 | 16 | 14 | 44,56 | 32 | 18 | 42,7 | 48 | 21 | 31 |  | | 根据要求 | | | 22002-101615 | A | T10 | 16 | 15 | 47,75 | 32 | 18 | 45,9 | 51 | 21 | 31 |  | | 根据要求 | | | 22002-101616 | A | T10 | 16 | 16 | 50,93 | 35 | 20 | 49,05 | 54 | 21 | 31 |  | | 根据要求 | | | 22002-101618 | A | T10 | 16 | 18 | 57,29 | 40 | 22 | 55,45 | 60 | 21 | 31 |  | | 根据要求 | | | 22002-101619 | A | T10 | 16 | 19 | 60,48 | 44 | 22 | 58,6 | 66 | 21 | 31 |  | | 根据要求 | | | 22002-101620 | A | T10 | 16 | 20 | 63,66 | 46 | 24 | 61,8 | 66 | 21 | 31 |  | | 根据要求 | | | 22002-101622 | A | T10 | 16 | 22 | 70,03 | 52 | 28 | 68,15 | 75 | 21 | 31 |  | | 根据要求 | | | 22002-101624 | A | T10 | 16 | 24 | 76,39 | 58 | 30 | 74,55 | 83 | 21 | 31 |  | | 根据要求 | | | 22002-101625 | A | T10 | 16 | 25 | 79,58 | 60 | 30 | 77,7 | 83 | 21 | 31 |  | | 根据要求 | | | 22002-101626 | A | T10 | 16 | 26 | 82,76 | 60 | 30 | 80,9 | 87 | 21 | 31 |  | | 根据要求 | | | 22002-101627 | A | T10 | 16 | 27 | 85,95 | 60 | 30 | 84,1 | 91 | 21 | 31 |  | | 根据要求 | | | 22002-101628 | A | T10 | 16 | 28 | 89,13 | 60 | 30 | 87,25 | 93 | 21 | 31 |  | | 根据要求 | | | 22002-101630 | A | T10 | 16 | 30 | 95,49 | 60 | 30 | 93,65 | 97 | 21 | 31 |  | | 根据要求 | | | 22002-101632 | A | T10 | 16 | 32 | 101,86 | 65 | 32 | 100 | 106 | 21 | 31 |  | | 根据要求 | | | 22002-101636 | A | T10 | 16 | 36 | 114,59 | 70 | 35 | 112,75 | 119 | 21 | 31 |  | | 根据要求 | | | 22002-101640 | A | T10 | 16 | 40 | 127,32 | 80 | 40 | 125,45 | 131 | 21 | 31 |  | | 根据要求 | | | 22002-101644 | B | T10 | 16 | 44 | 140,06 | 88 | 46 | 138,2 | - | 21 | 31 |  | | 根据要求 | | | 22002-101648 | B | T10 | 16 | 48 | 152,78 | 95 | 48 | 150,95 | - | 21 | 31 |  | | 根据要求 | | | 22002-101660 | B | T10 | 16 | 60 | 190,98 | 110 | 60 | 189,1 | - | 21 | 31 |  | | 根据要求 | | | 22002-102512 | A | T10 | 25 | 12 | 38,2 | 28 | 16 | 36,35 | 42 | 30 | 40 |  | | 根据要求 | | | 22002-102514 | A | T10 | 25 | 14 | 44,56 | 32 | 18 | 42,7 | 48 | 30 | 40 |  | | 根据要求 | | | 22002-102515 | A | T10 | 25 | 15 | 47,75 | 32 | 18 | 45,9 | 51 | 30 | 40 |  | | 根据要求 | | | 22002-102516 | A | T10 | 25 | 16 | 50,93 | 35 | 20 | 49,05 | 54 | 30 | 40 |  | | 根据要求 | | | 22002-102518 | A | T10 | 25 | 18 | 57,29 | 40 | 22 | 55,45 | 60 | 30 | 40 |  | | 根据要求 | | | 22002-102519 | A | T10 | 25 | 19 | 60,48 | 44 | 22 | 58,6 | 66 | 30 | 40 |  | | 根据要求 | | | 22002-102520 | A | T10 | 25 | 20 | 63,66 | 46 | 24 | 61,8 | 66 | 30 | 40 |  | | 根据要求 | | | 22002-102522 | A | T10 | 25 | 22 | 70,03 | 52 | 28 | 68,15 | 75 | 30 | 40 |  | | 根据要求 | | | 22002-102524 | A | T10 | 25 | 24 | 76,39 | 58 | 30 | 74,55 | 83 | 30 | 40 |  | | 根据要求 | | | 22002-102525 | A | T10 | 25 | 25 | 79,58 | 60 | 30 | 77,7 | 83 | 30 | 40 |  | | 根据要求 | | | 22002-102526 | A | T10 | 25 | 26 | 82,76 | 60 | 30 | 80,9 | 87 | 30 | 40 |  | | 根据要求 | | | 22002-102527 | A | T10 | 25 | 27 | 85,95 | 60 | 30 | 84,1 | 91 | 30 | 40 |  | | 根据要求 | | | 22002-102528 | A | T10 | 25 | 28 | 89,13 | 60 | 30 | 87,25 | 93 | 30 | 40 |  | | 根据要求 | | | 22002-102530 | A | T10 | 25 | 30 | 95,49 | 60 | 30 | 93,65 | 97 | 30 | 40 |  | | 根据要求 | | | 22002-102532 | A | T10 | 25 | 32 | 101,86 | 65 | 32 | 100 | 106 | 30 | 40 |  | | 根据要求 | | | 22002-102536 | A | T10 | 25 | 36 | 114,59 | 70 | 35 | 112,75 | 119 | 30 | 40 |  | | 根据要求 | | | 22002-102540 | A | T10 | 25 | 40 | 127,32 | 80 | 40 | 125,45 | 131 | 30 | 40 |  | | 根据要求 | | | 22002-102544 | B | T10 | 25 | 44 | 140,06 | 88 | 46 | 138,2 | - | 30 | 40 |  | | 根据要求 | | | 22002-102548 | B | T10 | 25 | 48 | 152,78 | 95 | 48 | 150,95 | - | 30 | 40 |  | | 根据要求 | | | 22002-102560 | B | T10 | 25 | 60 | 190,98 | 110 | 60 | 189,1 | - | 30 | 40 |  | | 根据要求 | | | 22002-103218 | A | T10 | 32 | 18 | 57,29 | 40 | 22 | 55,45 | 60 | 37 | 47 |  | | 根据要求 | | | 22002-103219 | A | T10 | 32 | 19 | 60,48 | 44 | 22 | 58,6 | 66 | 37 | 47 |  | | 根据要求 | | | 22002-103220 | A | T10 | 32 | 20 | 63,66 | 46 | 24 | 61,8 | 66 | 37 | 47 |  | | 根据要求 | | | 22002-103222 | A | T10 | 32 | 22 | 70,03 | 52 | 28 | 68,15 | 75 | 37 | 47 |  | | 根据要求 | | | 22002-103224 | A | T10 | 32 | 24 | 76,39 | 58 | 30 | 74,55 | 83 | 37 | 47 |  | | 根据要求 | | | 22002-103225 | A | T10 | 32 | 25 | 79,58 | 60 | 30 | 77,7 | 83 | 37 | 47 |  | | 根据要求 | | | 22002-103226 | A | T10 | 32 | 26 | 82,76 | 60 | 30 | 80,9 | 87 | 37 | 47 |  | | 根据要求 | | | 22002-103227 | A | T10 | 32 | 27 | 85,95 | 60 | 30 | 84,1 | 91 | 37 | 47 |  | | 根据要求 | | | 22002-103228 | A | T10 | 32 | 28 | 89,13 | 60 | 30 | 87,25 | 93 | 37 | 47 |  | | 根据要求 | | | 22002-103230 | A | T10 | 32 | 30 | 95,49 | 60 | 30 | 93,65 | 97 | 37 | 47 |  | | 根据要求 | | | 22002-103232 | A | T10 | 32 | 32 | 101,86 | 65 | 32 | 100 | 106 | 37 | 47 |  | | 根据要求 | | | 22002-103236 | A | T10 | 32 | 36 | 114,59 | 70 | 35 | 112,75 | 119 | 37 | 47 |  | | 根据要求 | | | 22002-103240 | A | T10 | 32 | 40 | 127,32 | 80 | 40 | 125,45 | 131 | 37 | 47 |  | | 根据要求 | | | 22002-103244 | B | T10 | 32 | 44 | 140,06 | 88 | 46 | 138,2 | - | 37 | 47 |  | | 根据要求 | | | 22002-103248 | B | T10 | 32 | 48 | 152,78 | 95 | 48 | 150,95 | - | 37 | 47 |  | | 根据要求 | | | 22002-103260 | B | T10 | 32 | 60 | 190,98 | 110 | 60 | 189,1 | - | 37 | 47 |  | | 根据要求 | |
|
|
|