norelem 使用 Cookies 以优化设计和持续改进网页。您通过继续使用网页,同意使用 Cookies。在我们的数据保护声明中可以找到有关 Cookies 主题的详细信息。同意

商品描述/产品说明

查看/筛选所有商品
产品说明材料:铝制。规格:亮色。提示:标准 HTD-Profil,具有公制间距(半圆齿)。至少一个齿形皮带轮应具有法兰轮。齿形皮带轮有一个中心孔。该中心孔可由客户提供装配孔、带凹槽的装配孔或螺纹孔。
出于重量方面的考虑,齿盘的平面上可设计凹槽。
特点:
RoHS
下载此处为收集信息的 PDF:

查找 CAD 数据?请直接在产品列表中查找。
 Datasheet 22004 齿形皮带轮 HTD 3M 型 234 kB
 齿形皮带 22062 使用说明 1.021 kB

图片(总概述)

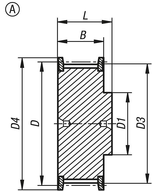
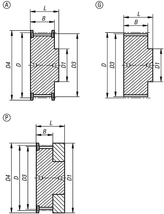
齿形皮带轮 HTD 3M 型

齿形皮带轮 Profil HTD 3M,A 型

更多信息

图纸

齿形皮带轮 Profil HTD 3M,A 型

商品选择/筛选

订货号类型型材B

D

D1
max.
D3D4
max.
L皮带宽度齿数

CAD配件价格订购
22004-030916AHTD3M12,815,281014,5217,520,6916 根据要求
22004-030918AHTD3M12,817,191116,432020,6918 根据要求
22004-030920AHTD3M12,819,11318,342320,6920 根据要求
22004-030921AHTD3M12,820,051319,292520,6921 根据要求
22004-030922AHTD3M12,821,011320,252520,6922 根据要求
22004-030924AHTD3M12,822,921422,162520,6924 根据要求
22004-030926AHTD3M12,824,831624,072820,6926 根据要求
22004-030928AHTD3M12,826,741825,983220,6928 根据要求
22004-030930AHTD3M12,828,652027,893220,6930 根据要求
22004-030932AHTD3M12,830,562229,83620,6932 根据要求
22004-030936AHTD3M13,434,382633,623922,2936 根据要求
22004-030940AHTD3M13,438,22837,444222,2940 根据要求
22004-030944AHTD3M13,442,023341,264822,2944 根据要求
22004-031516AHTD3M19,515,281014,5217,5261516 根据要求
22004-031518AHTD3M19,517,191116,4320261518 根据要求
22004-031520AHTD3M19,519,11318,3423261520 根据要求
22004-031521AHTD3M19,520,051319,2925261521 根据要求
22004-031522AHTD3M19,521,011320,2525261522 根据要求
22004-031524AHTD3M19,522,921422,1625261524 根据要求
22004-031526AHTD3M19,524,831624,0728261526 根据要求
22004-031528AHTD3M19,526,741825,9832261528 根据要求
22004-031530AHTD3M19,528,652027,8932261530 根据要求
22004-031532AHTD3M19,530,562229,836261532 根据要求
22004-031536AHTD3M2034,382633,6239301536 根据要求
22004-031540AHTD3M2038,22837,4442301540 根据要求
22004-031544AHTD3M2042,023341,2648301544 根据要求

齿形皮带轮 Profil HTD 3M,G 型

更多信息

图纸

齿形皮带轮 Profil HTD 3M,G 型

商品选择/筛选

订货号类型型材B

D

D1
max.
D3L皮带宽度齿数

CAD配件价格订购
22004-030948GHTD3M13,445,843345,0822,2948 根据要求
22004-030960GHTD3M13,457,33356,5422,2960 根据要求
22004-030972GHTD3M13,468,753367,9922,2972 根据要求
22004-031548GHTD3M2045,843345,08301548 根据要求
22004-031560GHTD3M2057,33356,54301560 根据要求
22004-031572GHTD3M2068,753367,99301572 根据要求

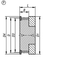
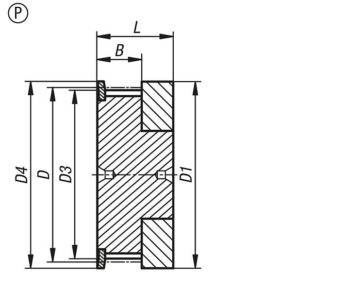
齿形皮带轮 Profil HTD 3M,P 型

更多信息

图纸

齿形皮带轮 Profil HTD 3M,P 型

商品选择/筛选

订货号类型型材B

D

D1
max.
D3D4
max.
L皮带宽度齿数

CAD配件价格订购
22004-030910PHTD3M10,29,55138,791317,5910 根据要求
22004-030912PHTD3M10,211,461510,71517,5912 根据要求
22004-030914PHTD3M10,213,371812,611617,5914 根据要求
22004-030915PHTD3M10,214,321813,5617,517,5915 根据要求
22004-031510PHTD3M179,55138,7913261510 根据要求
22004-031512PHTD3M1711,461510,715261512 根据要求
22004-031514PHTD3M1713,371812,6116261514 根据要求
22004-031515PHTD3M1714,321813,5617,5261515 根据要求
我的 norelemE-Mail密码
购物车
商品数量: 0
总数: 0.00  
点击购物车
欢迎扫描二维码
咨询诺瑞朗官方客服微信
中国
苏ICP备20011289号-1  苏公网安备32058502011222 网页地图 打印 推荐 Top
Copyright © 2025 norelem. 保留所有权利。 电话 +49 71 45/206-44 至 45 · 传真 +49 71 45/206-83