norelem 使用 Cookies 以优化设计和持续改进网页。您通过继续使用网页,同意使用 Cookies。在我们的数据保护声明中可以找到有关 Cookies 主题的详细信息。同意

商品描述/产品说明

查看/筛选所有商品
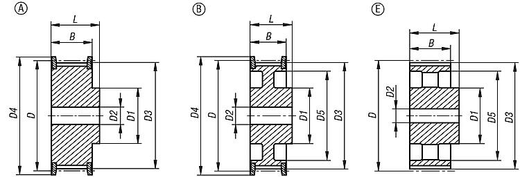
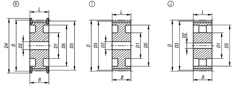
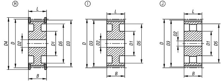
产品说明材料:钢制或灰口铸铁。规格:磷化。提示:标准 HTD 型材,具有公制间距(半圆齿)。至少一个齿形皮带轮应具有法兰轮。齿盘有定心孔或经过预钻孔(这可能因生产技术而异)。因此,表中给出的 D2 最大尺寸是提供齿盘的孔的最大值。预钻孔/定心孔可根据客户要求设置装配孔、带键槽的装配孔或螺纹孔。或者,客户也可以使用衬套来减小直径。

灰口铸铁制成的齿形带轮的辐条数量可能会有所不同。
特点:
RoHS
下载此处为收集信息的 PDF:

查找 CAD 数据?请直接在产品列表中查找。
 Datasheet 22004 齿带轮 HTD 8M 型 295 kB
 齿形皮带 22062 使用说明 1.021 kB

图片(总概述)

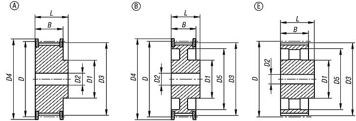
齿带轮 HTD 8M 型
齿带轮 HTD 8M 型

齿带轮,HTD 8M 型,针对皮带宽度 20 mm

更多信息

图纸

齿带轮,HTD 8M 型,针对皮带宽度 20 mm

商品选择/筛选

订货号类型主体
材料
齿数

D

D1
max.
D2
max.
D3D4
max.
D5BLCAD配件价格订购
22004-0820018A钢制1845,84321244,4651-2838 根据要求
22004-0820020A钢制2050,93361249,5657-2838 根据要求
22004-0820022A钢制2256,02431254,6562-2838 根据要求
22004-0820024A钢制2461,12491259,7467-2838 根据要求
22004-0820026A钢制2666,21501264,8473-2838 根据要求
22004-0820028A钢制2871,3551469,9377-2838 根据要求
22004-0820030A钢制3076,39601475,0284-2838 根据要求
22004-0820032A钢制3281,49641480,1288-2838 根据要求
22004-0820034A钢制3486,58701485,2194-2838 根据要求
22004-0820036A钢制3691,67751490,398-2838 根据要求
22004-0820038A钢制3896,77801495,39104-2838 根据要求
22004-0820040A钢制40101,868514100,49108-2838 根据要求
22004-0820044A灰口铸铁44112,059614110,67121-2838 根据要求
22004-0820048A灰口铸铁48122,2310414120,86129-2838 根据要求
22004-0820056B灰口铸铁56142,68014141,231501172838 根据要求
22004-0820060B灰口铸铁60152,798014151,421581272838 根据要求
22004-0820064B灰口铸铁64162,978014161,61681372838 根据要求
22004-0820072B灰口铸铁72183,358018181,971921582838 根据要求
22004-0820080E灰口铸铁80203,729014202,35-1792838 根据要求
22004-0820084E灰口铸铁84213,99014212,53-1902838 根据要求
22004-0820090E灰口铸铁90229,189014227,81-2042838 根据要求
22004-0820112E灰口铸铁112285,219020283,83-2602838 根据要求
22004-0820144E灰口铸铁144366,699020365,32-3422838 根据要求
22004-0820168E灰口铸铁168427,810020426,42-4032838 根据要求
22004-0820192E灰口铸铁192488,9210020487,54-4652838 根据要求

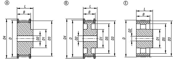
齿带轮,HTD 8M 型,针对皮带宽度 30 mm

更多信息

图纸

齿带轮,HTD 8M 型,针对皮带宽度 30 mm

商品选择/筛选

订货号类型主体
材料
齿数

D

D1
max.
D2
max.
D3D4
max.
D5BLCAD配件价格订购
22004-0830018A钢制1845,84321244,4651-3848 根据要求
22004-0830020A钢制2050,93361249,5657-3848 根据要求
22004-0830022A钢制2256,02431254,6562-3848 根据要求
22004-0830024A钢制2461,12491259,7467-3848 根据要求
22004-0830026A钢制2666,21501264,8473-3848 根据要求
22004-0830028A钢制2871,3551469,9377-3848 根据要求
22004-0830030A钢制3076,39601475,0284-3848 根据要求
22004-0830032A钢制3281,49641480,1288-3848 根据要求
22004-0830034A钢制3486,58701485,2194-3848 根据要求
22004-0830036A钢制3691,67751490,398-3848 根据要求
22004-0830038A钢制3896,77801495,39104-3848 根据要求
22004-0830040A钢制40101,868514100,49108-3848 根据要求
22004-0830044A灰口铸铁44112,059614110,67121-3848 根据要求
22004-0830048A灰口铸铁48122,2310414120,86129-3848 根据要求
22004-0830056B灰口铸铁56142,69014141,231501173848 根据要求
22004-0830060B灰口铸铁60152,799014151,421581273848 根据要求
22004-0830064B灰口铸铁64162,979014161,61681373848 根据要求
22004-0830072B灰口铸铁72183,359514181,971921583848 根据要求
22004-0830080E灰口铸铁80203,7210014202,35-1793848 根据要求
22004-0830084E灰口铸铁84213,910014212,53-1903848 根据要求
22004-0830090E灰口铸铁90229,1810014227,81-2043848 根据要求
22004-0830112E灰口铸铁112285,2110020283,83-2603848 根据要求
22004-0830144E灰口铸铁144366,6910020365,32-3423848 根据要求
22004-0830168E灰口铸铁168427,810020426,42-4033848 根据要求
22004-0830192E灰口铸铁192488,9210020487,54-4653848 根据要求

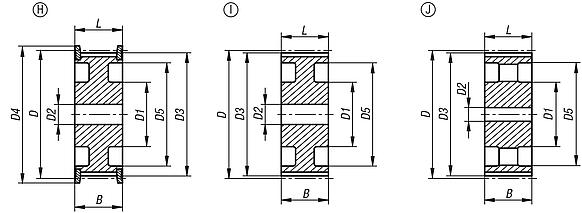
齿带轮,HTD 8M 型,针对皮带宽度 50 mm

更多信息

图纸

齿带轮,HTD 8M 型,针对皮带宽度 50 mm
齿带轮,HTD 8M 型,针对皮带宽度 50 mm

商品选择/筛选

订货号类型主体
材料
齿数

D

D1
max.
D2
max.
D3D4
max.
D5BLCAD配件价格订购
22004-0850018A钢制1845,84321244,4651-6070 根据要求
22004-0850020A钢制2050,93361249,5657-6070 根据要求
22004-0850022A钢制2256,02431254,6562-6070 根据要求
22004-0850024A钢制2461,12491259,7467-6070 根据要求
22004-0850026A钢制2666,21501264,8473-6070 根据要求
22004-0850028A钢制2871,3551469,9377-6070 根据要求
22004-0850030A钢制3076,39601475,0284-6070 根据要求
22004-0850032A钢制3281,49641480,1288-6070 根据要求
22004-0850034A钢制3486,58701485,2194-6070 根据要求
22004-0850036A钢制3691,67751490,398-6070 根据要求
22004-0850038A钢制3896,77801495,39104-6070 根据要求
22004-0850040A钢制40101,868514100,49108-6070 根据要求
22004-0850044A灰口铸铁44112,059614110,67121-6070 根据要求
22004-0850048A灰口铸铁48122,2310414120,86129-6070 根据要求
22004-0850056H灰口铸铁56142,69018141,231501176060 根据要求
22004-0850060H灰口铸铁60152,7910018151,421581276060 根据要求
22004-0850064H灰口铸铁64162,9710018161,61681376060 根据要求
22004-0850072H灰口铸铁72183,3510018181,971921586060 根据要求
22004-0850080I灰口铸铁80203,7211018202,35-1796060 根据要求
22004-0850090J灰口铸铁90229,1811018227,81-2046060 根据要求
22004-0850112J灰口铸铁112285,2111020283,83-2606060 根据要求
22004-0850144J灰口铸铁144366,6911020365,32-3426060 根据要求
22004-0850168J灰口铸铁168427,812020426,42-4036060 根据要求
22004-0850192J灰口铸铁192488,9213020487,54-4656060 根据要求
我的 norelemE-Mail密码
购物车
商品数量: 0
总数: 0.00  
点击购物车
欢迎扫描二维码
咨询诺瑞朗官方客服微信
中国
苏ICP备20011289号-1  苏公网安备32058502011222 网页地图 打印 推荐 Top
Copyright © 2025 norelem. 保留所有权利。 电话 +49 71 45/206-44 至 45 · 传真 +49 71 45/206-83