|
|
|
12021-08耳轴 用于 ISO 15552 / 21287 |
返回 |
|
|
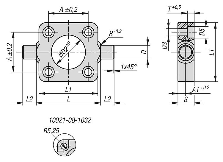
产品说明材料:钢制。规格:镀锌。提示:耳轴用于标准和紧凑型气缸,符合 DIN ISO 15552 和 DIN ISO 21287 标准。 该耳轴用于气缸的旋转安装。
可安装在前部或后部。附件:铰链支架 12021-09。供货范围1x 旋转拉钉。 4x 内六角螺丝。特点: 下载此处为收集信息的 PDF:
查找 CAD 数据?请直接在产品列表中查找。
|
| 订货号 | A | A1 | D
| D2 | D3 | D5 | L | L1 max. | L2 | R | S max. | T | 气缸 Ø | 内六角螺栓 DIN 912 | 适用 | CAD | 配件 | 价格 | 订购 |
|---|
| 12021-08-1032 | 32,5 | 6,5 | 12 | 30 | 6,5 | - | 50 | 46 | 12 | 1 | 14 | 6 | 32 | M6X20 | DIN ISO 15552 / 21287 |  | | 根据要求 | | | 12021-08-1040 | 38 | 9 | 16 | 35 | 6,5 | 10,5 | 63 | 59 | 16 | 1,6 | 19 | 6 | 40 | M6X25 | DIN ISO 15552 / 21287 |  | | 根据要求 | | | 12021-08-1050 | 46,5 | 9 | 16 | 40 | 8,5 | 13,5 | 75 | 69 | 16 | 1,6 | 19 | 8 | 50 | M8X25 | DIN ISO 15552 / 21287 |  | | 根据要求 | | | 12021-08-1063 | 56,5 | 11,5 | 20 | 45 | 8,5 | 13,5 | 90 | 84 | 20 | 1,6 | 24 | 8 | 63 | M8X30 | DIN ISO 15552 / 21287 |  | | 根据要求 | | | 12021-08-1080 | 72 | 11,5 | 20 | 45 | 10,5 | 16,5 | 110 | 102 | 20 | 1,6 | 24 | 10 | 80 | M10x32 | DIN ISO 15552 / 21287 |  | | 根据要求 | |
|
|