|
|
|
12021-02法兰安装 用于 ISO 15552 / 21287 |
返回 |
|
|
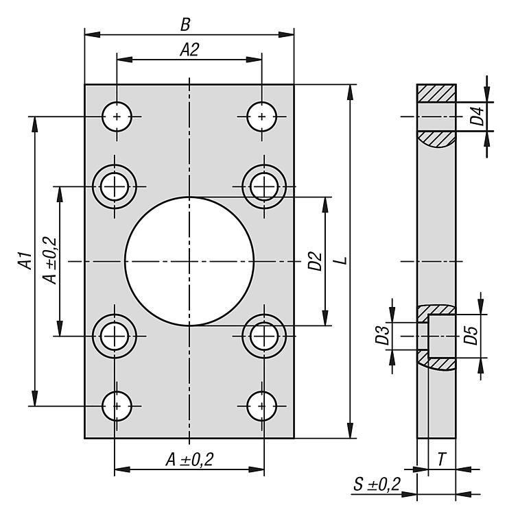
产品说明材料:钢制。规格:镀锌。提示:用于标准和紧凑型气缸的法兰安装,符合 DIN ISO 15552 和 DIN ISO 21287 标准。 这种法兰安装用于气缸的固定安装。
通常情况下,气缸在前后安装有两个法兰安装件。
不过,也可以只在前部或后部安装一个法兰附件。供货范围1x 法兰安装。 4x 内六角螺丝。特点: 下载此处为收集信息的 PDF:
查找 CAD 数据?请直接在产品列表中查找。
|
| 订货号 | A | A1 | A2 | B | D2 | D3 | D4 | D5 | 厚度 | L | T | 气缸 Ø | 内六角螺栓 DIN 912 | 适用 | CAD | 配件 | 价格 | 订购 |
|---|
| 12021-02-1032 | 32,5 | 64 | 32 | 45 | 30 | 6,5 | 7 | 10,5 | 10 | 80 | 6,5 | 32 | M6X20 | DIN ISO 15552 / 21287 |  | | 根据要求 | | | 12021-02-1040 | 38 | 72 | 36 | 52 | 35 | 6,5 | 9 | 10,5 | 10 | 90 | 6,5 | 40 | M6X20 | DIN ISO 15552 / 21287 |  | | 根据要求 | | | 12021-02-1050 | 46,5 | 90 | 45 | 65 | 40 | 8,5 | 9 | 13,5 | 12 | 110 | 8,5 | 50 | M8X20 | DIN ISO 15552 / 21287 |  | | 根据要求 | | | 12021-02-1063 | 56,5 | 100 | 50 | 75 | 45 | 8,5 | 9 | 13,5 | 12 | 120 | 8,5 | 63 | M8X20 | DIN ISO 15552 / 21287 |  | | 根据要求 | | | 12021-02-1080 | 72 | 126 | 63 | 95 | 45 | 10,5 | 12 | 16,5 | 16 | 150 | 10,5 | 80 | M10x25 | DIN ISO 15552 / 21287 |  | | 根据要求 | |
|
|