norelem 使用 Cookies 以优化设计和持续改进网页。您通过继续使用网页,同意使用 Cookies。在我们的数据保护声明中可以找到有关 Cookies 主题的详细信息。同意
旋转法兰叉
适用于 ISO 15552 / 21287
12021-20

旋转法兰叉 适用于 ISO 15552 / 21287

返回

商品描述/产品说明

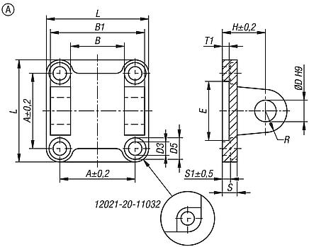
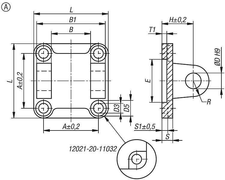
产品说明材料:铝制铰链支架。
带特氟龙的烧结钢滑动轴承。
钢螺栓和螺钉。
规格:铰链支架毛坯。
螺栓和螺钉镀锌。
提示:用于标准和紧凑型气缸的旋转法兰,符合 DIN ISO 15552 和 DIN ISO 21287 标准。 该旋转法兰用于气缸的旋转安装。

安装在后侧(端盖)。

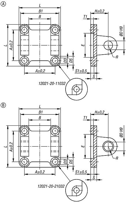
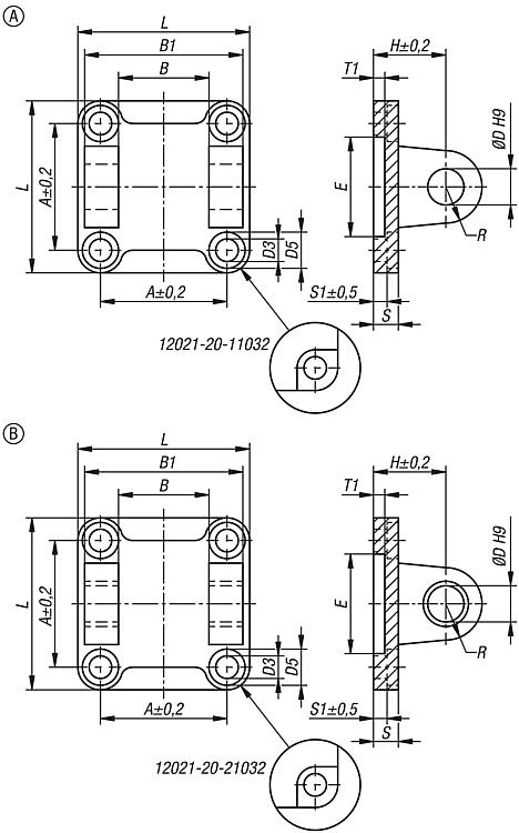
A 型:标准。
形式 B:带烧结青铜滑动轴承。
供货范围1x 旋转法兰。
1x 螺栓。
2 个保险环。
4x 内六角螺丝。
特点:
RoHS
下载此处为收集信息的 PDF:

查找 CAD 数据?请直接在产品列表中查找。
 Datasheet 12021-20 旋转法兰叉 适用于 ISO 15552 / 21287 237 kB

图片(总概述)

旋转法兰叉
适用于 ISO 15552 / 21287

用于 ISO 15552 / 21287 的旋转法兰叉,A 型

更多信息

图纸

用于 ISO 15552 / 21287 的旋转法兰叉,A 型

商品选择/筛选

订货号类型形状类型AB

B1D

D3D5厚度EHLR
最大
S1T1气缸 Ø内六角螺栓
DIN 912
适用

CAD配件价格订购
12021-20-11032A标准32,52645106,6119302245105,5532M6X18DIN ISO 15552 / 21287 根据要求
12021-20-11040A标准382852126,6119352552125,5540M6X18DIN ISO 15552 / 21287 根据要求
12021-20-11050A标准46,532601291511402765126,5550M8X20DIN ISO 15552 / 21287 根据要求
12021-20-11063A标准56,540701691511453275166,5563M8X20DIN ISO 15552 / 21287 根据要求
12021-20-11080A标准725090161118144536951610580M10x20DIN ISO 15552 / 21287 根据要求

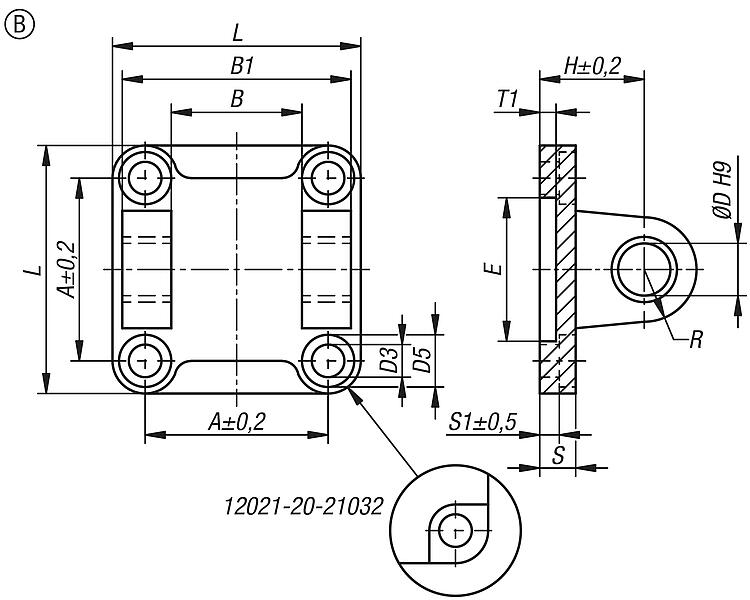
用于 ISO 15552 / 21287 的 B 型旋转法兰叉

更多信息

图纸

用于 ISO 15552 / 21287 的 B 型旋转法兰叉

商品选择/筛选

订货号类型形状类型材料AB

B1D

D3D5厚度EHLR
最大
CAD配件价格订购
12021-20-21032B滑动轴承烧结钢32,52645106,611930224510 根据要求
12021-20-21040B滑动轴承烧结钢382852126,611935255212 根据要求
12021-20-21050B滑动轴承烧结钢46,53260129151140276512 根据要求
12021-20-21063B滑动轴承烧结钢56,54070169151145327516 根据要求
12021-20-21080B滑动轴承烧结钢7250901611181445369516 根据要求
我的 norelemE-Mail密码
购物车
商品数量: 0
总数: 0.00  
点击购物车
欢迎扫描二维码
咨询诺瑞朗官方客服微信
中国
苏ICP备20011289号-1  苏公网安备32058502011222 网页地图 打印 推荐 Top
Copyright © 2025 norelem. 保留所有权利。 电话 +49 71 45/206-44 至 45 · 传真 +49 71 45/206-83