|
|
|
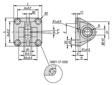
12021-17球形旋转法兰 用于 ISO 15552 / 21287 |
返回 |
|
|
产品说明材料:铝制铰链支架。 钢制万向轴承(原 DIN 648K)。 钢制螺栓。规格:铰链支架毛坯。 镀锌螺栓。提示:用于标准和紧凑型气缸的旋转法兰,符合 DIN ISO 15552 和 DIN ISO 21287 标准。 该旋转法兰用于气缸的旋转安装。
安装在后侧(端盖)。供货范围1x 旋转法兰。 4x 内六角螺丝。特点: 下载此处为收集信息的 PDF:
查找 CAD 数据?请直接在产品列表中查找。
|
| 订货号 | 类型 | 形状类型 | A | B | B1 | B2 | B3 | D
| D3 | D5 | 厚度 | E | E1 | H | L | R1 | R2 | R 最大 | CAD | 配件 | 价格 | 订购 |
|---|
| 12021-17-1032 | A | 标准 | 32,5 | 14 | 10,5 | 4 | - | 10 | 6,6 | 11 | 9 | 30 | 32,5 | 22 | 45 | - | 6,25 | 16 |  | | 根据要求 | | | 12021-17-1040 | A | 标准 | 38 | 16 | 12 | 6 | - | 12 | 6,6 | 11 | 9 | 35 | 39 | 25 | 52 | - | 7 | 19 |  | | 根据要求 | | | 12021-17-1050 | A | 标准 | 46,5 | 21 | 15 | 8 | 51 | 16 | 9 | 15 | 11 | 40 | 47 | 27 | 65 | 18 | 9,25 | 21 |  | | 根据要求 | | | 12021-17-1063 | A | 标准 | 56,5 | 21 | 15 | 8 | - | 16 | 9 | 15 | 11 | 45 | 52 | 32 | 75 | - | 9,25 | 24 |  | | 根据要求 | | | 12021-17-1080 | A | 标准 | 72 | 25 | 18 | 10 | 72 | 20 | 11 | 18 | 14 | 45 | 67 | 36 | 95 | 24 | 11,5 | 28,5 |  | | 根据要求 | |
| 订货号 | S1 | T1 | 气缸 Ø | 内六角螺栓 DIN 912 | 适用 | CAD | 配件 | 价格 | 订购 |
|---|
| 12021-17-1032 | 5,5 | 5 | 32 | M6X18 | DIN ISO 15552 / 21287 |  | | 根据要求 | | | 12021-17-1040 | 5,5 | 5 | 40 | M6X18 | DIN ISO 15552 / 21287 |  | | 根据要求 | | | 12021-17-1050 | 6,5 | 5 | 50 | M8X20 | DIN ISO 15552 / 21287 |  | | 根据要求 | | | 12021-17-1063 | 6,5 | 5 | 63 | M8X20 | DIN ISO 15552 / 21287 |  | | 根据要求 | | | 12021-17-1080 | 10 | 5 | 80 | M10x20 | DIN ISO 15552 / 21287 |  | | 根据要求 | |
|
|