|
|
|
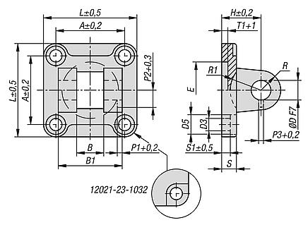
12021-23带扭转止动器的旋转法兰叉 适用于 ISO 15552 / 21287 |
返回 |
|
|
产品说明材料:铝制旋转法兰。 钢螺栓和螺钉。规格:旋转法兰毛坯。 螺栓和螺钉镀锌。提示:用于标准和紧凑型气缸的旋转法兰,符合 DIN ISO 15552 和 DIN ISO 21287 标准。 该旋转法兰用于气缸的旋转安装。铰链支架上的凹槽可防止轴销螺栓转动。
安装在后侧(端盖)。供货范围1x 旋转法兰。 1x 带扭转止动器的螺栓。 1x 保险环。 4x 内六角螺丝。特点: 下载此处为收集信息的 PDF:
查找 CAD 数据?请直接在产品列表中查找。
|
| 订货号 | A | B | B1 | D
| D3 | D5 | 厚度 | E | H | L | P1 | P2 | P3 | R1 | R 最大 | CAD | 配件 | 价格 | 订购 |
|---|
| 12021-23-1032 | 32,5 | 14 | 34 | 10 | 6,6 | 11 | 9 | 30 | 22 | 45 | 3 | 11,5 | 3,3 | 17 | 10 |  | | 根据要求 | | | 12021-23-1040 | 38 | 16 | 40 | 12 | 6,6 | 11 | 9 | 35 | 25 | 52 | 4 | 12 | 4,3 | 20 | 12 |  | | 根据要求 | | | 12021-23-1050 | 46,5 | 21 | 45 | 16 | 9 | 15 | 11 | 40 | 27 | 65 | 4 | 14 | 4,3 | 22 | 14 |  | | 根据要求 | | | 12021-23-1063 | 56,5 | 21 | 51 | 16 | 9 | 15 | 11 | 45 | 32 | 75 | 4 | 14 | 4,3 | 25 | 18 |  | | 根据要求 | | | 12021-23-1080 | 72 | 25 | 65 | 20 | 11 | 18 | 14 | 45 | 36 | 95 | 4 | 16 | 4,3 | 30 | 20 |  | | 根据要求 | |
| 订货号 | S1 | T1 | 气缸 Ø | 内六角螺栓 DIN 912 | 适用 | CAD | 配件 | 价格 | 订购 |
|---|
| 12021-23-1032 | 5,5 | 5 | 32 | M6X18 | DIN ISO 15552 / 21287 |  | | 根据要求 | | | 12021-23-1040 | 5,5 | 5 | 40 | M6X18 | DIN ISO 15552 / 21287 |  | | 根据要求 | | | 12021-23-1050 | 6,5 | 5 | 50 | M8X20 | DIN ISO 15552 / 21287 |  | | 根据要求 | | | 12021-23-1063 | 6,5 | 5 | 63 | M8X20 | DIN ISO 15552 / 21287 |  | | 根据要求 | | | 12021-23-1080 | 10 | 5 | 80 | M10x20 | DIN ISO 15552 / 21287 |  | | 根据要求 | |
|
|