|
|
|
03089Indexing plungers, stainless steel short version with stainless... |
go back |
|
Item description/product images |
|
|
DescriptionProduct description:Indexing plungers are used where it is necessary to prevent changes of position due to lateral forces. Some examples of this are for length, height and position indexing in machines, equipment, furniture and special vehicle construction.
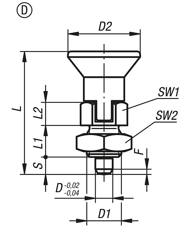
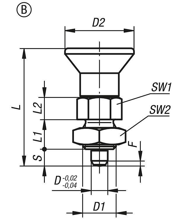
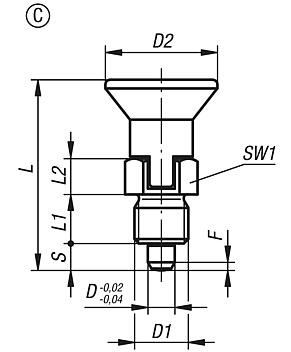
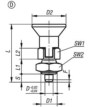
A new indexed position can be only be moved to after the pin has been manually retracted. Form C and D are recommended for applications where the indexing pin should remain disengaged for an extended period and be prevented from springing back.Material:Version:Stainless steel version A1: Threaded sleeve and mushroom grip bright. Indexing pin hardened and ground, bright. Indexing pin not hardened and ground, bright.
Stainless steel version A4: Threaded sleeve bright. Mushroom grip bright or abrasive blasted. Indexing pin ground and chemically nickel-plated. Indexing pin ground, bright.Note:The materials used enable a wide range of applications. Indexing plungers made from A4 stainless steel are recommended for applications with very high corrosion resistance requirements. On request:Special versions.Accessory:Positioning bushes 03099-50. Spacer rings 03089. Fastening set stainless steel for thin-walled parts 03094-10.Drawing reference:Form A: non-lockout type, without locknut Form B: non-lockout type, with locknut Form C: lockout type, without locknut Form D: lockout type, with locknut Special features: DownloadHere is all the information as a PDF datasheet:
Are you looking for CAD data? These can be found directly in the product table.
|
Drawings (total overview) |
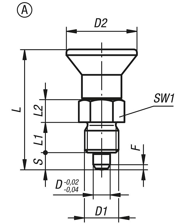
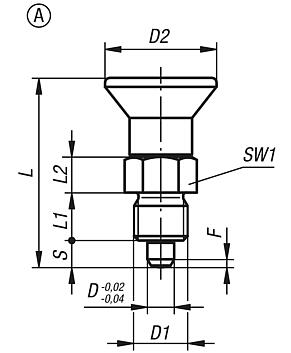
Indexing plungers, stainless steel, short version with stainless steel mushroom grip, without locking slot or lock nut |
More information |
| Order No. | Form | Main material | Steel code | Mushroom grip
| locating pin | D | D1 | D2 | L | L1 | L2 | Travel S | SW1 | Fx30° | Spring force initial pressure F1 approx. N | Spring force final pressure F2 approx. N | CAD | Acc. | Price | Order |
|---|
| 03089-115903 | A | stainless steel | 1.4305 | bright | not hardened | 3 | M6x0,75 | 14 | 25,5 | 6 | 5 | 3,5 | 8 | 0,8 | 3 | 10 |  | | on request | | | 03089-115004 | A | stainless steel | 1.4305 | bright | not hardened | 4 | M8x1 | 18 | 29,5 | 6 | 6 | 4 | 10 | 1 | 4 | 12 |  | | on request | | | 03089-115105 | A | stainless steel | 1.4305 | bright | not hardened | 5 | M10x1 | 21 | 34,5 | 8 | 7 | 5 | 13 | 1,3 | 5 | 12 |  | | on request | | | 03089-115206 | A | stainless steel | 1.4305 | bright | not hardened | 6 | M12x1,5 | 25 | 41,7 | 10 | 8 | 6 | 14 | 1,8 | 6 | 14 |  | | on request | | | 03089-115308 | A | stainless steel | 1.4305 | bright | not hardened | 8 | M16x1,5 | 33 | 54 | 12 | 10 | 8 | 19 | 2,3 | 14 | 28 |  | | on request | | | 03089-115410 | A | stainless steel | 1.4305 | bright | not hardened | 10 | M20x1,5 | 33 | 61 | 15 | 12 | 10 | 22 | 2,8 | 15 | 32 |  | | on request | | | 03089-005903 | A | stainless steel | 1.4034 | bright | hardened | 3 | M6x0,75 | 14 | 25,5 | 6 | 5 | 3,5 | 8 | 0,8 | 3 | 10 |  | | on request | | | 03089-005004 | A | stainless steel | 1.4034 | bright | hardened | 4 | M8x1 | 18 | 29,5 | 6 | 6 | 4 | 10 | 1 | 4 | 12 |  | | on request | | | 03089-005105 | A | stainless steel | 1.4034 | bright | hardened | 5 | M10x1 | 21 | 34,5 | 8 | 7 | 5 | 13 | 1,3 | 5 | 12 |  | | on request | | | 03089-005206 | A | stainless steel | 1.4034 | bright | hardened | 6 | M12x1,5 | 25 | 41,7 | 10 | 8 | 6 | 14 | 1,8 | 6 | 14 |  | | on request | | | 03089-005308 | A | stainless steel | 1.4034 | bright | hardened | 8 | M16x1,5 | 33 | 54 | 12 | 10 | 8 | 19 | 2,3 | 14 | 28 |  | | on request | | | 03089-005410 | A | stainless steel | 1.4034 | bright | hardened | 10 | M20x1,5 | 33 | 61 | 15 | 12 | 10 | 22 | 2,8 | 15 | 32 |  | | on request | | | 03089-065903 | A | stainless steel | 1.4404 | bright | nickel-plated | 3 | M6x0,75 | 14 | 25,5 | 6 | 5 | 3,5 | 8 | 0,8 | 3 | 10 |  | | on request | | | 03089-065004 | A | stainless steel | 1.4404 | bright | nickel-plated | 4 | M8x1 | 18 | 29,5 | 6 | 6 | 4 | 10 | 1 | 4 | 12 |  | | on request | | | 03089-065105 | A | stainless steel | 1.4404 | bright | nickel-plated | 5 | M10x1 | 21 | 34,5 | 8 | 7 | 5 | 13 | 1,3 | 5 | 12 |  | | on request | | | 03089-065206 | A | stainless steel | 1.4404 | bright | nickel-plated | 6 | M12x1,5 | 25 | 41,7 | 10 | 8 | 6 | 14 | 1,8 | 6 | 14 |  | | on request | | | 03089-065308 | A | stainless steel | 1.4404 | bright | nickel-plated | 8 | M16x1,5 | 33 | 54 | 12 | 10 | 8 | 19 | 2,3 | 14 | 28 |  | | on request | | | 03089-065410 | A | stainless steel | 1.4404 | bright | nickel-plated | 10 | M20x1,5 | 33 | 61 | 15 | 12 | 10 | 22 | 2,8 | 15 | 32 |  | | on request | | | 03089-175903 | A | stainless steel | 1.4404 | bright | bright | 3 | M6x0,75 | 14 | 25,5 | 6 | 5 | 3,5 | 8 | 0,8 | 3 | 10 |  | | on request | | | 03089-175004 | A | stainless steel | 1.4404 | bright | bright | 4 | M8x1 | 18 | 29,5 | 6 | 6 | 4 | 10 | 1 | 4 | 12 |  | | on request | | | 03089-175105 | A | stainless steel | 1.4404 | bright | bright | 5 | M10x1 | 21 | 34,5 | 8 | 7 | 5 | 13 | 1,3 | 5 | 12 |  | | on request | | | 03089-175206 | A | stainless steel | 1.4404 | bright | bright | 6 | M12x1,5 | 25 | 41,7 | 10 | 8 | 6 | 14 | 1,8 | 6 | 14 |  | | on request | | | 03089-175308 | A | stainless steel | 1.4404 | bright | bright | 8 | M16x1,5 | 33 | 54 | 12 | 10 | 8 | 19 | 2,3 | 14 | 28 |  | | on request | | | 03089-175410 | A | stainless steel | 1.4404 | bright | bright | 10 | M20x1,5 | 33 | 61 | 15 | 12 | 10 | 22 | 2,8 | 15 | 32 |  | | on request | | | 03089-0659031 | A | stainless steel | 1.4404 | blasted | nickel-plated | 3 | M6x0,75 | 14 | 25,5 | 6 | 5 | 3,5 | 8 | 0,8 | 3 | 10 |  | | on request | | | 03089-0650041 | A | stainless steel | 1.4404 | blasted | nickel-plated | 4 | M8x1 | 18 | 29,5 | 6 | 6 | 4 | 10 | 1 | 4 | 12 |  | | on request | | | 03089-0651051 | A | stainless steel | 1.4404 | blasted | nickel-plated | 5 | M10x1 | 21 | 34,5 | 8 | 7 | 5 | 13 | 1,3 | 5 | 12 |  | | on request | | | 03089-0652061 | A | stainless steel | 1.4404 | blasted | nickel-plated | 6 | M12x1,5 | 25 | 41,7 | 10 | 8 | 6 | 14 | 1,8 | 6 | 14 |  | | on request | | | 03089-0653081 | A | stainless steel | 1.4404 | blasted | nickel-plated | 8 | M16x1,5 | 33 | 54 | 12 | 10 | 8 | 19 | 2,3 | 14 | 28 |  | | on request | | | 03089-0654101 | A | stainless steel | 1.4404 | blasted | nickel-plated | 10 | M20x1,5 | 33 | 61 | 15 | 12 | 10 | 22 | 2,8 | 15 | 32 |  | | on request | | | 03089-1759031 | A | stainless steel | 1.4404 | blasted | bright | 3 | M6x0,75 | 14 | 25,5 | 6 | 5 | 3,5 | 8 | 0,8 | 3 | 10 |  | | on request | | | 03089-1750041 | A | stainless steel | 1.4404 | blasted | bright | 4 | M8x1 | 18 | 29,5 | 6 | 6 | 4 | 10 | 1 | 4 | 12 |  | | on request | | | 03089-1751051 | A | stainless steel | 1.4404 | blasted | bright | 5 | M10x1 | 21 | 34,5 | 8 | 7 | 5 | 13 | 1,3 | 5 | 12 |  | | on request | | | 03089-1752061 | A | stainless steel | 1.4404 | blasted | bright | 6 | M12x1,5 | 25 | 41,7 | 10 | 8 | 6 | 14 | 1,8 | 6 | 14 |  | | on request | | | 03089-1753081 | A | stainless steel | 1.4404 | blasted | bright | 8 | M16x1,5 | 33 | 54 | 12 | 10 | 8 | 19 | 2,3 | 14 | 28 |  | | on request | | | 03089-1754101 | A | stainless steel | 1.4404 | blasted | bright | 10 | M20x1,5 | 33 | 61 | 15 | 12 | 10 | 22 | 2,8 | 15 | 32 |  | | on request | |
|
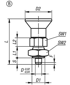
Indexing plungers, stainless steel, short version with stainless steel mushroom grip and locknut |
More information |
| Order No. | Form | Main material | Steel code | Mushroom grip
| locating pin | D | D1 | D2 | L | L1 | L2 | Travel S | SW1 | SW2 | Fx30° | Spring force initial pressure F1 approx. N | Spring force final pressure F2 approx. N | CAD | Acc. | Price | Order |
|---|
| 03089-116903 | B | stainless steel | 1.4305 | bright | not hardened | 3 | M6x0,75 | 14 | 25,5 | 6 | 5 | 3,5 | 8 | 10 | 0,8 | 3 | 10 |  | | on request | | | 03089-116004 | B | stainless steel | 1.4305 | bright | not hardened | 4 | M8x1 | 18 | 29,5 | 6 | 6 | 4 | 10 | 13 | 1 | 4 | 12 |  | | on request | | | 03089-116105 | B | stainless steel | 1.4305 | bright | not hardened | 5 | M10x1 | 21 | 34,5 | 8 | 7 | 5 | 13 | 17 | 1,3 | 5 | 12 |  | | on request | | | 03089-116206 | B | stainless steel | 1.4305 | bright | not hardened | 6 | M12x1,5 | 25 | 41,7 | 10 | 8 | 6 | 14 | 19 | 1,8 | 6 | 14 |  | | on request | | | 03089-116308 | B | stainless steel | 1.4305 | bright | not hardened | 8 | M16x1,5 | 33 | 54 | 12 | 10 | 8 | 19 | 24 | 2,3 | 14 | 28 |  | | on request | | | 03089-116410 | B | stainless steel | 1.4305 | bright | not hardened | 10 | M20x1,5 | 33 | 61 | 15 | 12 | 10 | 22 | 30 | 2,8 | 15 | 32 |  | | on request | | | 03089-006903 | B | stainless steel | 1.4034 | bright | hardened | 3 | M6x0,75 | 14 | 25,5 | 6 | 5 | 3,5 | 8 | 10 | 0,8 | 3 | 10 |  | | on request | | | 03089-006004 | B | stainless steel | 1.4034 | bright | hardened | 4 | M8x1 | 18 | 29,5 | 6 | 6 | 4 | 10 | 13 | 1 | 4 | 12 |  | | on request | | | 03089-006105 | B | stainless steel | 1.4034 | bright | hardened | 5 | M10x1 | 21 | 34,5 | 8 | 7 | 5 | 13 | 17 | 1,3 | 5 | 12 |  | | on request | | | 03089-006206 | B | stainless steel | 1.4034 | bright | hardened | 6 | M12x1,5 | 25 | 41,7 | 10 | 8 | 6 | 14 | 19 | 1,8 | 6 | 14 |  | | on request | | | 03089-006308 | B | stainless steel | 1.4034 | bright | hardened | 8 | M16x1,5 | 33 | 54 | 12 | 10 | 8 | 19 | 24 | 2,3 | 14 | 28 |  | | on request | | | 03089-006410 | B | stainless steel | 1.4034 | bright | hardened | 10 | M20x1,5 | 33 | 61 | 15 | 12 | 10 | 22 | 30 | 2,8 | 15 | 32 |  | | on request | | | 03089-066903 | B | stainless steel | 1.4404 | bright | nickel-plated | 3 | M6x0,75 | 14 | 25,5 | 6 | 5 | 3,5 | 8 | 10 | 0,8 | 3 | 10 |  | | on request | | | 03089-066004 | B | stainless steel | 1.4404 | bright | nickel-plated | 4 | M8x1 | 18 | 29,5 | 6 | 6 | 4 | 10 | 13 | 1 | 4 | 12 |  | | on request | | | 03089-066105 | B | stainless steel | 1.4404 | bright | nickel-plated | 5 | M10x1 | 21 | 34,5 | 8 | 7 | 5 | 13 | 17 | 1,3 | 5 | 12 |  | | on request | | | 03089-066206 | B | stainless steel | 1.4404 | bright | nickel-plated | 6 | M12x1,5 | 25 | 41,7 | 10 | 8 | 6 | 14 | 19 | 1,8 | 6 | 14 |  | | on request | | | 03089-066308 | B | stainless steel | 1.4404 | bright | nickel-plated | 8 | M16x1,5 | 33 | 54 | 12 | 10 | 8 | 19 | 24 | 2,3 | 14 | 28 |  | | on request | | | 03089-066410 | B | stainless steel | 1.4404 | bright | nickel-plated | 10 | M20x1,5 | 33 | 61 | 15 | 12 | 10 | 22 | 30 | 2,8 | 15 | 32 |  | | on request | | | 03089-176903 | B | stainless steel | 1.4404 | bright | bright | 3 | M6x0,75 | 14 | 25,5 | 6 | 5 | 3,5 | 8 | 10 | 0,8 | 3 | 10 |  | | on request | | | 03089-176004 | B | stainless steel | 1.4404 | bright | bright | 4 | M8x1 | 18 | 29,5 | 6 | 6 | 4 | 10 | 13 | 1 | 4 | 12 |  | | on request | | | 03089-176105 | B | stainless steel | 1.4404 | bright | bright | 5 | M10x1 | 21 | 34,5 | 8 | 7 | 5 | 13 | 17 | 1,3 | 5 | 12 |  | | on request | | | 03089-176206 | B | stainless steel | 1.4404 | bright | bright | 6 | M12x1,5 | 25 | 41,7 | 10 | 8 | 6 | 14 | 19 | 1,8 | 6 | 14 |  | | on request | | | 03089-176308 | B | stainless steel | 1.4404 | bright | bright | 8 | M16x1,5 | 33 | 54 | 12 | 10 | 8 | 19 | 24 | 2,3 | 14 | 28 |  | | on request | | | 03089-176410 | B | stainless steel | 1.4404 | bright | bright | 10 | M20x1,5 | 33 | 61 | 15 | 12 | 10 | 22 | 30 | 2,8 | 15 | 32 |  | | on request | | | 03089-0669031 | B | stainless steel | 1.4404 | blasted | nickel-plated | 3 | M6x0,75 | 14 | 25,5 | 6 | 5 | 3,5 | 8 | 10 | 0,8 | 3 | 10 |  | | on request | | | 03089-0660041 | B | stainless steel | 1.4404 | blasted | nickel-plated | 4 | M8x1 | 18 | 29,5 | 6 | 6 | 4 | 10 | 13 | 1 | 4 | 12 |  | | on request | | | 03089-0661051 | B | stainless steel | 1.4404 | blasted | nickel-plated | 5 | M10x1 | 21 | 34,5 | 8 | 7 | 5 | 13 | 17 | 1,3 | 5 | 12 |  | | on request | | | 03089-0662061 | B | stainless steel | 1.4404 | blasted | nickel-plated | 6 | M12x1,5 | 25 | 41,7 | 10 | 8 | 6 | 14 | 19 | 1,8 | 6 | 14 |  | | on request | | | 03089-0663081 | B | stainless steel | 1.4404 | blasted | nickel-plated | 8 | M16x1,5 | 33 | 54 | 12 | 10 | 8 | 19 | 24 | 2,3 | 14 | 28 |  | | on request | | | 03089-0664101 | B | stainless steel | 1.4404 | blasted | nickel-plated | 10 | M20x1,5 | 33 | 61 | 15 | 12 | 10 | 22 | 30 | 2,8 | 15 | 32 |  | | on request | | | 03089-1769031 | B | stainless steel | 1.4404 | blasted | bright | 3 | M6x0,75 | 14 | 25,5 | 6 | 5 | 3,5 | 8 | 10 | 0,8 | 3 | 10 |  | | on request | | | 03089-1760041 | B | stainless steel | 1.4404 | blasted | bright | 4 | M8x1 | 18 | 29,5 | 6 | 6 | 4 | 10 | 13 | 1 | 4 | 12 |  | | on request | | | 03089-1761051 | B | stainless steel | 1.4404 | blasted | bright | 5 | M10x1 | 21 | 34,5 | 8 | 7 | 5 | 13 | 17 | 1,3 | 5 | 12 |  | | on request | | | 03089-1762061 | B | stainless steel | 1.4404 | blasted | bright | 6 | M12x1,5 | 25 | 41,7 | 10 | 8 | 6 | 14 | 19 | 1,8 | 6 | 14 |  | | on request | | | 03089-1763081 | B | stainless steel | 1.4404 | blasted | bright | 8 | M16x1,5 | 33 | 54 | 12 | 10 | 8 | 19 | 24 | 2,3 | 14 | 28 |  | | on request | | | 03089-1764101 | B | stainless steel | 1.4404 | blasted | bright | 10 | M20x1,5 | 33 | 61 | 15 | 12 | 10 | 22 | 30 | 2,8 | 15 | 32 |  | | on request | |
|
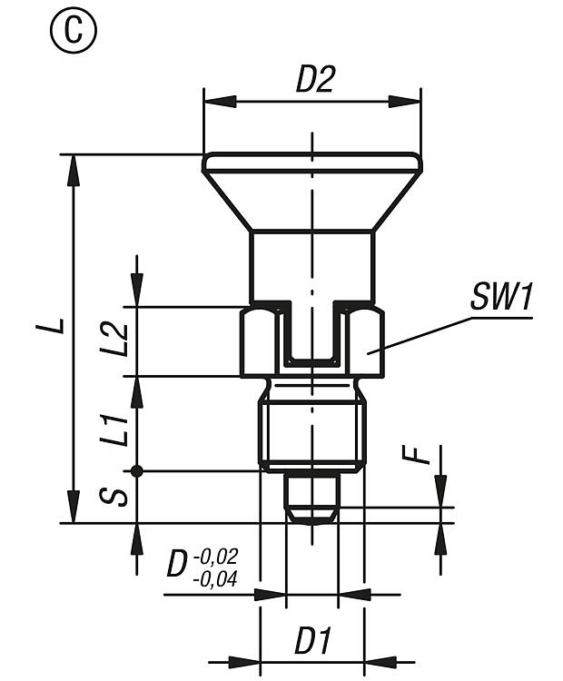
Indexing plungers, stainless steel, short version with stainless steel mushroom grip and locking slot |
More information |
| Order No. | Form | Main material | Steel code | Mushroom grip
| locating pin | D | D1 | D2 | L | L1 | L2 | Travel S | SW1 | Fx30° | Spring force initial pressure F1 approx. N | Spring force final pressure F2 approx. N | CAD | Acc. | Price | Order |
|---|
| 03089-117903 | C | stainless steel | 1.4305 | bright | not hardened | 3 | M6x0,75 | 14 | 25,5 | 6 | 5 | 3,5 | 8 | 0,8 | 3 | 10 |  | | on request | | | 03089-117004 | C | stainless steel | 1.4305 | bright | not hardened | 4 | M8x1 | 18 | 29,5 | 6 | 6 | 4 | 10 | 1 | 4 | 12 |  | | on request | | | 03089-117105 | C | stainless steel | 1.4305 | bright | not hardened | 5 | M10x1 | 21 | 34,5 | 8 | 7 | 5 | 13 | 1,3 | 5 | 12 |  | | on request | | | 03089-117206 | C | stainless steel | 1.4305 | bright | not hardened | 6 | M12x1,5 | 25 | 41,7 | 10 | 8 | 6 | 14 | 1,8 | 6 | 14 |  | | on request | | | 03089-117308 | C | stainless steel | 1.4305 | bright | not hardened | 8 | M16x1,5 | 33 | 54 | 12 | 10 | 8 | 19 | 2,3 | 14 | 28 |  | | on request | | | 03089-117410 | C | stainless steel | 1.4305 | bright | not hardened | 10 | M20x1,5 | 33 | 61 | 15 | 12 | 10 | 22 | 2,8 | 15 | 32 |  | | on request | | | 03089-007903 | C | stainless steel | 1.4034 | bright | hardened | 3 | M6x0,75 | 14 | 25,5 | 6 | 5 | 3,5 | 8 | 0,8 | 3 | 10 |  | | on request | | | 03089-007004 | C | stainless steel | 1.4034 | bright | hardened | 4 | M8x1 | 18 | 29,5 | 6 | 6 | 4 | 10 | 1 | 4 | 12 |  | | on request | | | 03089-007105 | C | stainless steel | 1.4034 | bright | hardened | 5 | M10x1 | 21 | 34,5 | 8 | 7 | 5 | 13 | 1,3 | 5 | 12 |  | | on request | | | 03089-007206 | C | stainless steel | 1.4034 | bright | hardened | 6 | M12x1,5 | 25 | 41,7 | 10 | 8 | 6 | 14 | 1,8 | 6 | 14 |  | | on request | | | 03089-007308 | C | stainless steel | 1.4034 | bright | hardened | 8 | M16x1,5 | 33 | 54 | 12 | 10 | 8 | 19 | 2,3 | 14 | 28 |  | | on request | | | 03089-007410 | C | stainless steel | 1.4034 | bright | hardened | 10 | M20x1,5 | 33 | 61 | 15 | 12 | 10 | 22 | 2,8 | 15 | 32 |  | | on request | | | 03089-067903 | C | stainless steel | 1.4404 | bright | nickel-plated | 3 | M6x0,75 | 14 | 25,5 | 6 | 5 | 3,5 | 8 | 0,8 | 3 | 10 |  | | on request | | | 03089-067004 | C | stainless steel | 1.4404 | bright | nickel-plated | 4 | M8x1 | 18 | 29,5 | 6 | 6 | 4 | 10 | 1 | 4 | 12 |  | | on request | | | 03089-067105 | C | stainless steel | 1.4404 | bright | nickel-plated | 5 | M10x1 | 21 | 34,5 | 8 | 7 | 5 | 13 | 1,3 | 5 | 12 |  | | on request | | | 03089-067206 | C | stainless steel | 1.4404 | bright | nickel-plated | 6 | M12x1,5 | 25 | 41,7 | 10 | 8 | 6 | 14 | 1,8 | 6 | 14 |  | | on request | | | 03089-067308 | C | stainless steel | 1.4404 | bright | nickel-plated | 8 | M16x1,5 | 33 | 54 | 12 | 10 | 8 | 19 | 2,3 | 14 | 28 |  | | on request | | | 03089-067410 | C | stainless steel | 1.4404 | bright | nickel-plated | 10 | M20x1,5 | 33 | 61 | 15 | 12 | 10 | 22 | 2,8 | 15 | 32 |  | | on request | | | 03089-177903 | C | stainless steel | 1.4404 | bright | bright | 3 | M6x0,75 | 14 | 25,5 | 6 | 5 | 3,5 | 8 | 0,8 | 3 | 10 |  | | on request | | | 03089-177004 | C | stainless steel | 1.4404 | bright | bright | 4 | M8x1 | 18 | 29,5 | 6 | 6 | 4 | 10 | 1 | 4 | 12 |  | | on request | | | 03089-177105 | C | stainless steel | 1.4404 | bright | bright | 5 | M10x1 | 21 | 34,5 | 8 | 7 | 5 | 13 | 1,3 | 5 | 12 |  | | on request | | | 03089-177206 | C | stainless steel | 1.4404 | bright | bright | 6 | M12x1,5 | 25 | 41,7 | 10 | 8 | 6 | 14 | 1,8 | 6 | 14 |  | | on request | | | 03089-177308 | C | stainless steel | 1.4404 | bright | bright | 8 | M16x1,5 | 33 | 54 | 12 | 10 | 8 | 19 | 2,3 | 14 | 28 |  | | on request | | | 03089-177410 | C | stainless steel | 1.4404 | bright | bright | 10 | M20x1,5 | 33 | 61 | 15 | 12 | 10 | 22 | 2,8 | 15 | 32 |  | | on request | | | 03089-0679031 | C | stainless steel | 1.4404 | blasted | nickel-plated | 3 | M6x0,75 | 14 | 25,5 | 6 | 5 | 3,5 | 8 | 0,8 | 3 | 10 |  | | on request | | | 03089-0670041 | C | stainless steel | 1.4404 | blasted | nickel-plated | 4 | M8x1 | 18 | 29,5 | 6 | 6 | 4 | 10 | 1 | 4 | 12 |  | | on request | | | 03089-0671051 | C | stainless steel | 1.4404 | blasted | nickel-plated | 5 | M10x1 | 21 | 34,5 | 8 | 7 | 5 | 13 | 1,3 | 5 | 12 |  | | on request | | | 03089-0672061 | C | stainless steel | 1.4404 | blasted | nickel-plated | 6 | M12x1,5 | 25 | 41,7 | 10 | 8 | 6 | 14 | 1,8 | 6 | 14 |  | | on request | | | 03089-0673081 | C | stainless steel | 1.4404 | blasted | nickel-plated | 8 | M16x1,5 | 33 | 54 | 12 | 10 | 8 | 19 | 2,3 | 14 | 28 |  | | on request | | | 03089-0674101 | C | stainless steel | 1.4404 | blasted | nickel-plated | 10 | M20x1,5 | 33 | 61 | 15 | 12 | 10 | 22 | 2,8 | 15 | 32 |  | | on request | | | 03089-1779031 | C | stainless steel | 1.4404 | blasted | bright | 3 | M6x0,75 | 14 | 25,5 | 6 | 5 | 3,5 | 8 | 0,8 | 3 | 10 |  | | on request | | | 03089-1770041 | C | stainless steel | 1.4404 | blasted | bright | 4 | M8x1 | 18 | 29,5 | 6 | 6 | 4 | 10 | 1 | 4 | 12 |  | | on request | | | 03089-1771051 | C | stainless steel | 1.4404 | blasted | bright | 5 | M10x1 | 21 | 34,5 | 8 | 7 | 5 | 13 | 1,3 | 5 | 12 |  | | on request | | | 03089-1772061 | C | stainless steel | 1.4404 | blasted | bright | 6 | M12x1,5 | 25 | 41,7 | 10 | 8 | 6 | 14 | 1,8 | 6 | 14 |  | | on request | | | 03089-1773081 | C | stainless steel | 1.4404 | blasted | bright | 8 | M16x1,5 | 33 | 54 | 12 | 10 | 8 | 19 | 2,3 | 14 | 28 |  | | on request | | | 03089-1774101 | C | stainless steel | 1.4404 | blasted | bright | 10 | M20x1,5 | 33 | 61 | 15 | 12 | 10 | 22 | 2,8 | 15 | 32 |  | | on request | |
|
Indexing plungers, stainless steel, short version with stainless steel mushroom grip, locking slot and lock nut |
More information |
| Order No. | Form | Main material | Steel code | Mushroom grip
| locating pin | D | D1 | D2 | L | L1 | L2 | Travel S | SW1 | SW2 | Fx30° | Spring force initial pressure F1 approx. N | Spring force final pressure F2 approx. N | CAD | Acc. | Price | Order |
|---|
| 03089-118903 | D | stainless steel | 1.4305 | bright | not hardened | 3 | M6x0,75 | 14 | 25,5 | 6 | 5 | 3,5 | 8 | 10 | 0,8 | 3 | 10 |  | | on request | | | 03089-118004 | D | stainless steel | 1.4305 | bright | not hardened | 4 | M8x1 | 18 | 29,5 | 6 | 6 | 4 | 10 | 13 | 1 | 4 | 12 |  | | on request | | | 03089-118105 | D | stainless steel | 1.4305 | bright | not hardened | 5 | M10x1 | 21 | 34,5 | 8 | 7 | 5 | 13 | 17 | 1,3 | 5 | 12 |  | | on request | | | 03089-118206 | D | stainless steel | 1.4305 | bright | not hardened | 6 | M12x1,5 | 25 | 41,7 | 10 | 8 | 6 | 14 | 19 | 1,8 | 6 | 14 |  | | on request | | | 03089-118308 | D | stainless steel | 1.4305 | bright | not hardened | 8 | M16x1,5 | 33 | 54 | 12 | 10 | 8 | 19 | 24 | 2,3 | 14 | 28 |  | | on request | | | 03089-118410 | D | stainless steel | 1.4305 | bright | not hardened | 10 | M20x1,5 | 33 | 61 | 15 | 12 | 10 | 22 | 30 | 2,8 | 15 | 32 |  | | on request | | | 03089-008903 | D | stainless steel | 1.4034 | bright | hardened | 3 | M6x0,75 | 14 | 25,5 | 6 | 5 | 3,5 | 8 | 10 | 0,8 | 3 | 10 |  | | on request | | | 03089-008004 | D | stainless steel | 1.4034 | bright | hardened | 4 | M8x1 | 18 | 29,5 | 6 | 6 | 4 | 10 | 13 | 1 | 4 | 12 |  | | on request | | | 03089-008105 | D | stainless steel | 1.4034 | bright | hardened | 5 | M10x1 | 21 | 34,5 | 8 | 7 | 5 | 13 | 17 | 1,3 | 5 | 12 |  | | on request | | | 03089-008206 | D | stainless steel | 1.4034 | bright | hardened | 6 | M12x1,5 | 25 | 41,7 | 10 | 8 | 6 | 14 | 19 | 1,8 | 6 | 14 |  | | on request | | | 03089-008308 | D | stainless steel | 1.4034 | bright | hardened | 8 | M16x1,5 | 33 | 54 | 12 | 10 | 8 | 19 | 24 | 2,3 | 14 | 28 |  | | on request | | | 03089-008410 | D | stainless steel | 1.4034 | bright | hardened | 10 | M20x1,5 | 33 | 61 | 15 | 12 | 10 | 22 | 30 | 2,8 | 15 | 32 |  | | on request | | | 03089-068903 | D | stainless steel | 1.4404 | bright | nickel-plated | 3 | M6x0,75 | 14 | 25,5 | 6 | 5 | 3,5 | 8 | 10 | 0,8 | 3 | 10 |  | | on request | | | 03089-068004 | D | stainless steel | 1.4404 | bright | nickel-plated | 4 | M8x1 | 18 | 29,5 | 6 | 6 | 4 | 10 | 13 | 1 | 4 | 12 |  | | on request | | | 03089-068105 | D | stainless steel | 1.4404 | bright | nickel-plated | 5 | M10x1 | 21 | 34,5 | 8 | 7 | 5 | 13 | 17 | 1,3 | 5 | 12 |  | | on request | | | 03089-068206 | D | stainless steel | 1.4404 | bright | nickel-plated | 6 | M12x1,5 | 25 | 41,7 | 10 | 8 | 6 | 14 | 19 | 1,8 | 6 | 14 |  | | on request | | | 03089-068308 | D | stainless steel | 1.4404 | bright | nickel-plated | 8 | M16x1,5 | 33 | 54 | 12 | 10 | 8 | 19 | 24 | 2,3 | 14 | 28 |  | | on request | | | 03089-068410 | D | stainless steel | 1.4404 | bright | nickel-plated | 10 | M20x1,5 | 33 | 61 | 15 | 12 | 10 | 22 | 30 | 2,8 | 15 | 32 |  | | on request | | | 03089-178903 | D | stainless steel | 1.4404 | bright | bright | 3 | M6x0,75 | 14 | 25,5 | 6 | 5 | 3,5 | 8 | 10 | 0,8 | 3 | 10 |  | | on request | | | 03089-178004 | D | stainless steel | 1.4404 | bright | bright | 4 | M8x1 | 18 | 29,5 | 6 | 6 | 4 | 10 | 13 | 1 | 4 | 12 |  | | on request | | | 03089-178105 | D | stainless steel | 1.4404 | bright | bright | 5 | M10x1 | 21 | 34,5 | 8 | 7 | 5 | 13 | 17 | 1,3 | 5 | 12 |  | | on request | | | 03089-178206 | D | stainless steel | 1.4404 | bright | bright | 6 | M12x1,5 | 25 | 41,7 | 10 | 8 | 6 | 14 | 19 | 1,8 | 6 | 14 |  | | on request | | | 03089-178308 | D | stainless steel | 1.4404 | bright | bright | 8 | M16x1,5 | 33 | 54 | 12 | 10 | 8 | 19 | 24 | 2,3 | 14 | 28 |  | | on request | | | 03089-178410 | D | stainless steel | 1.4404 | bright | bright | 10 | M20x1,5 | 33 | 61 | 15 | 12 | 10 | 22 | 30 | 2,8 | 15 | 32 |  | | on request | | | 03089-0689031 | D | stainless steel | 1.4404 | blasted | nickel-plated | 3 | M6x0,75 | 14 | 25,5 | 6 | 5 | 3,5 | 8 | 10 | 0,8 | 3 | 10 |  | | on request | | | 03089-0680041 | D | stainless steel | 1.4404 | blasted | nickel-plated | 4 | M8x1 | 18 | 29,5 | 6 | 6 | 4 | 10 | 13 | 1 | 4 | 12 |  | | on request | | | 03089-0681051 | D | stainless steel | 1.4404 | blasted | nickel-plated | 5 | M10x1 | 21 | 34,5 | 8 | 7 | 5 | 13 | 17 | 1,3 | 5 | 12 |  | | on request | | | 03089-0682061 | D | stainless steel | 1.4404 | blasted | nickel-plated | 6 | M12x1,5 | 25 | 41,7 | 10 | 8 | 6 | 14 | 19 | 1,8 | 6 | 14 |  | | on request | | | 03089-0683081 | D | stainless steel | 1.4404 | blasted | nickel-plated | 8 | M16x1,5 | 33 | 54 | 12 | 10 | 8 | 19 | 24 | 2,3 | 14 | 28 |  | | on request | | | 03089-0684101 | D | stainless steel | 1.4404 | blasted | nickel-plated | 10 | M20x1,5 | 33 | 61 | 15 | 12 | 10 | 22 | 30 | 2,8 | 15 | 32 |  | | on request | | | 03089-1789031 | D | stainless steel | 1.4404 | blasted | bright | 3 | M6x0,75 | 14 | 25,5 | 6 | 5 | 3,5 | 8 | 10 | 0,8 | 3 | 10 |  | | on request | | | 03089-1780041 | D | stainless steel | 1.4404 | blasted | bright | 4 | M8x1 | 18 | 29,5 | 6 | 6 | 4 | 10 | 13 | 1 | 4 | 12 |  | | on request | | | 03089-1781051 | D | stainless steel | 1.4404 | blasted | bright | 5 | M10x1 | 21 | 34,5 | 8 | 7 | 5 | 13 | 17 | 1,3 | 5 | 12 |  | | on request | | | 03089-1782061 | D | stainless steel | 1.4404 | blasted | bright | 6 | M12x1,5 | 25 | 41,7 | 10 | 8 | 6 | 14 | 19 | 1,8 | 6 | 14 |  | | on request | | | 03089-1783081 | D | stainless steel | 1.4404 | blasted | bright | 8 | M16x1,5 | 33 | 54 | 12 | 10 | 8 | 19 | 24 | 2,3 | 14 | 28 |  | | on request | | | 03089-1784101 | D | stainless steel | 1.4404 | blasted | bright | 10 | M20x1,5 | 33 | 61 | 15 | 12 | 10 | 22 | 30 | 2,8 | 15 | 32 |  | | on request | |
|
Other items in this category |
|
|