norelem uses cookies to optimally design and continually improve the website. By continuing to use this website, you agree to the use of cookies. You can find more information about cookies in our Data protection declaration.okay
Indexing plungers, steel or stainless steel with plastic mushroom grip and thread lock
03089

Indexing plungers, steel or stainless steel with plastic...

go back

Item description/product images

Show/filter all items
DescriptionProduct description:Indexing plungers are used to prevent any change in locking position due to lateral forces. A new locking position can only be set after the pin has been manually disengaged. Form CP is recommended for applications where the plunger remains disengaged over a long period and the pin should be prevented from springing back.

The thread lock enables the plunger to be screwed in to the exact depth required, no spacer ring is required.
Material:

Steel version:
Threaded sleeve and indexing pin free-cutting steel.

Stainless steel version:
Threaded sleeve 1.4305.
Indexing pin 1.4034.

Mushroom grip thermoplastic.
Thread lock polyamide.

Version:Steel version:
Threaded sleeve black oxidised.
Indexing pin hardened, ground and black oxidised.
Stainless steel version:
Threaded sleeve bright.
Indexing pin hardened and ground, bright.

Mushroom grip black grey RAL7021.

Thread lock blue.
Note:The thread lock is a bonding polyamide coating that is applied pointwise (spot).On request:Special versions.Drawing reference:
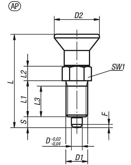
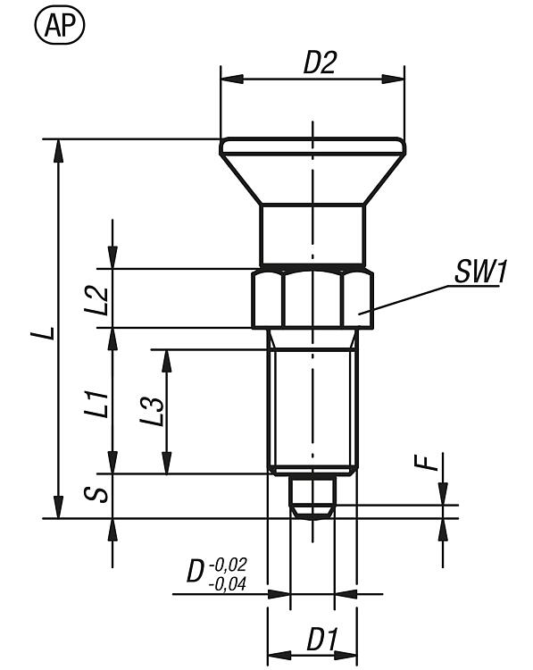
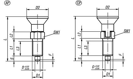
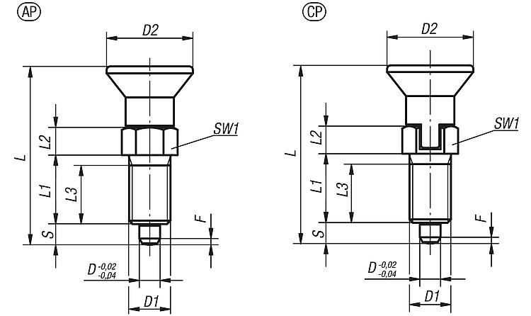
Form AP: non-lockout type, without locknut
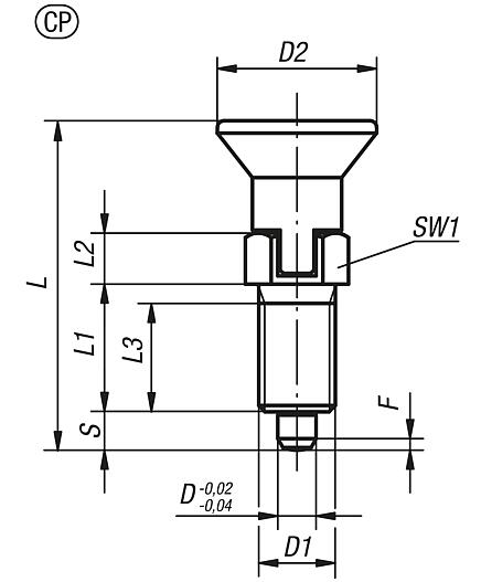
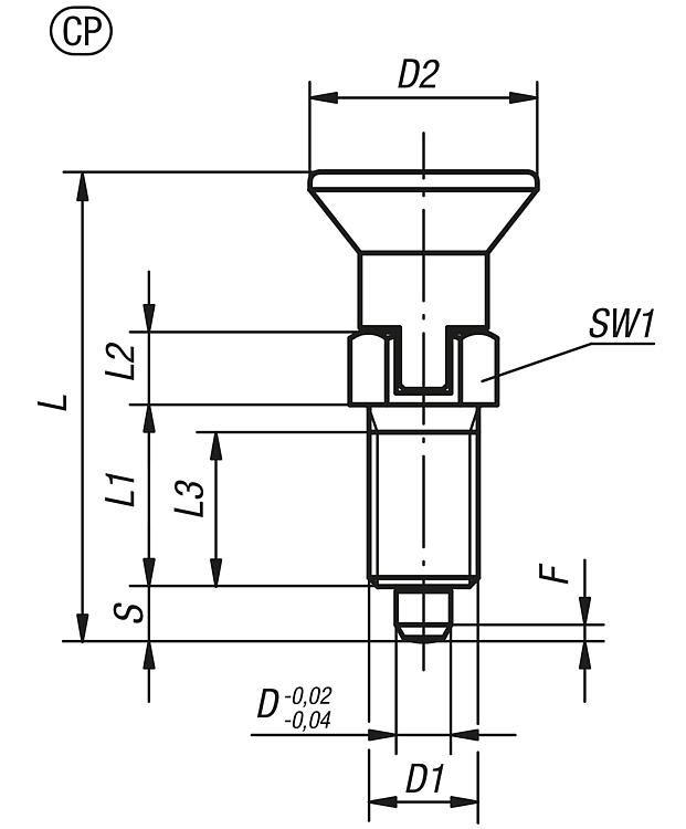
Form CP: lockout type, without locknut
Special features:
RoHS
DownloadHere is all the information as a PDF datasheet:

Are you looking for CAD data? These can be found directly in the product table.
 Datasheet 03089 Indexing plungers, steel or stainless steel with plastic mushroom grip and thread lock 205 kB

Drawings (total overview)

Indexing plungers, steel or stainless steel with plastic mushroom grip and thread lock

Indexing plungers, steel or stainless steel with plastic mushroom grip and thread lock

More information

Drawings

Indexing plungers, steel or stainless steel with plastic mushroom grip and thread lock

Overview of items (compressed)

Item selection/filter
Order No.
steel
Order No.
stainless steel
FormDD1D2LL1L2L3Travel
S
SW1Fx30°Spring force
initial pressure
F1 approx. N
Spring force
final pressure
F2 approx. N
Filter
03089-9190303089-091903AP3M6x0,751431,5125103,580,84,510
03089-9100403089-091004AP4M8x11838,5156134101612
03089-9110503089-091105AP5M10x12143,5177155131,3512
03089-9120603089-091206AP6M12x1,52551,7208176141,8614
03089-9130803089-091308AP8M16x1,533682610238192,31535
03089-9141003089-091410AP10M20x1,5337428122510222,81534
03089-9141203089-091412AP12M20x1,5337828142512222,81539
03089-9151603089-091516AP16M24x2409632182816273,22046

Indexing plungers, steel or stainless steel with plastic mushroom grip, thread lock and locking slot

More information

Drawings

Indexing plungers, steel or stainless steel with plastic mushroom grip, thread lock and locking slot

Overview of items (compressed)

Item selection/filter
Order No.
steel
Order No.
stainless steel
FormDD1D2LL1L2L3Travel
S
SW1Fx30°Spring force
initial pressure
F1 approx. N
Spring force
final pressure
F2 approx. N
Filter
03089-9390303089-093903CP3M6x0,751431,5125103,580,84,510
03089-9300403089-093004CP4M8x11838,5156134101612
03089-9310503089-093105CP5M10x12143,5177155131,3512
03089-9320603089-093206CP6M12x1,52551,7208176141,8614
03089-9330803089-093308CP8M16x1,533682610238192,31535
03089-9341003089-093410CP10M20x1,5337428122510222,81534
03089-9341203089-093412CP12M20x1,5337828142512222,81539
03089-9351603089-093516CP16M24x2409632182816273,22046
My norelemE-mailPassword
Shopping cart
Number of items: 0
Amount: 0.00  
shopping cart
欢迎扫描二维码
咨询诺瑞朗官方客服微信
China
苏ICP备20011289号-1  苏公网安备32058502011222 Sitemap Print Recommended Top
Copyright © 2025 norelem. All rights reserved. Tel. +49 71 45/206-44 to 45 · Fax +49 71 45/206-83