|
|
|
03089Indexing plungers, stainless steel with stainless steel mushroom... |
go back |
|
|
DescriptionProduct description:Indexing plungers are used to prevent any change in locking position due to lateral forces. A new locking position can only be set after the pin has been manually disengaged. Form C or D is recommended for applications where the plunger remains disengaged over a long period and the pin should be prevented from springing back.Material:Stainless steel version A1:
Threaded sleeve and mushroom grip 1.4305.
Indexing pin hardened 1.4034.
Indexing pin not hardened 1.4305.
Stainless steel version A4:
Threaded sleeve, mushroom grip and indexing pin 1.4404. Version:Stainless steel version A1: Threaded sleeve and mushroom grip bright. Indexing pin hardened and ground, bright. Indexing pin not hardened and ground, bright.
Stainless steel version A4: Threaded sleeve bright. Mushroom grip bright or abrasive blasted. Indexing pin ground and chemically nickel-plated. Indexing pin ground, bright.Note:The materials used enable a wide range of applications. Indexing plungers made from A4 stainless steel are recommended for applications with very high corrosion resistance requirements. On request:Special versions.Accessory:Spacer rings 03089. fastening sets for thin-walled parts 03094-10.Drawing reference:Form A: non-lockout type, without locknut Form B: non-lockout type, with locknut Form C: lockout type, without locknut Form D: lockout type, with locknut Special features: DownloadHere is all the information as a PDF datasheet:
Are you looking for CAD data? These can be found directly in the product table.
|
Drawings (total overview) |
Indexing plungers, stainless steel with stainless steel mushroom grip |
More information |
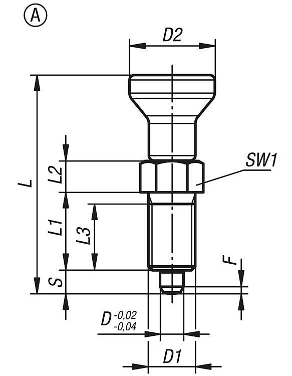
| Order No. | Form | Main material | Steel code | Mushroom grip
| locating pin | D | D1 | D2 | L | L1 | L2 | L3 | Travel S | SW1 | Fx30° | Spring force initial pressure F1 approx. N | Spring force final pressure F2 approx. N | CAD | Acc. | Price | Order |
|---|
| 03089-001903 | A | stainless steel | 1.4034 | - | hardened | 3 | M6x0,75 | 14 | 34,5 | 12 | 5 | 10 | 3,5 | 8 | 0,8 | 4,5 | 10 |  | | on request | | | 03089-001004 | A | stainless steel | 1.4034 | - | hardened | 4 | M8x1 | 18 | 43 | 15 | 6 | 13 | 4 | 10 | 1 | 6 | 12 |  |  | on request | | | 03089-001105 | A | stainless steel | 1.4034 | - | hardened | 5 | M10x1 | 21 | 50 | 17 | 7 | 15 | 5 | 13 | 1,3 | 5 | 12 |  |  | on request | | | 03089-001206 | A | stainless steel | 1.4034 | - | hardened | 6 | M12x1,5 | 25 | 59 | 20 | 8 | 17 | 6 | 14 | 1,8 | 6 | 14 |  |  | on request | | | 03089-001308 | A | stainless steel | 1.4034 | - | hardened | 8 | M16x1,5 | 33 | 77 | 26 | 10 | 23 | 8 | 19 | 2,3 | 15 | 35 |  |  | on request | | | 03089-001410 | A | stainless steel | 1.4034 | - | hardened | 10 | M20x1,5 | 33 | 83 | 28 | 12 | 25 | 10 | 22 | 2,8 | 15 | 34 |  | | on request | | | 03089-001412 | A | stainless steel | 1.4034 | - | hardened | 12 | M20x1,5 | 33 | 87 | 28 | 14 | 25 | 12 | 22 | 2,8 | 15 | 39 |  | | on request | | | 03089-001516 | A | stainless steel | 1.4034 | - | hardened | 16 | M24x2 | 40 | 106 | 32 | 18 | 28 | 16 | 27 | 3,2 | 20 | 46 |  | | on request | | | 03089-111903 | A | stainless steel | 1.4305 | - | not hardened | 3 | M6x0,75 | 14 | 34,5 | 12 | 5 | 10 | 3,5 | 8 | 0,8 | 4,5 | 10 |  | | on request | | | 03089-111004 | A | stainless steel | 1.4305 | - | not hardened | 4 | M8x1 | 18 | 43 | 15 | 6 | 13 | 4 | 10 | 1 | 6 | 12 |  |  | on request | | | 03089-111105 | A | stainless steel | 1.4305 | - | not hardened | 5 | M10x1 | 21 | 50 | 17 | 7 | 15 | 5 | 13 | 1,3 | 5 | 12 |  |  | on request | | | 03089-111206 | A | stainless steel | 1.4305 | - | not hardened | 6 | M12x1,5 | 25 | 59 | 20 | 8 | 17 | 6 | 14 | 1,8 | 6 | 14 |  |  | on request | | | 03089-111308 | A | stainless steel | 1.4305 | - | not hardened | 8 | M16x1,5 | 33 | 77 | 26 | 10 | 23 | 8 | 19 | 2,3 | 15 | 35 |  |  | on request | | | 03089-111410 | A | stainless steel | 1.4305 | - | not hardened | 10 | M20x1,5 | 33 | 83 | 28 | 12 | 25 | 10 | 22 | 2,8 | 15 | 34 |  | | on request | | | 03089-111412 | A | stainless steel | 1.4305 | - | not hardened | 12 | M20x1,5 | 33 | 87 | 28 | 14 | 25 | 12 | 22 | 2,8 | 15 | 39 |  | | on request | | | 03089-111516 | A | stainless steel | 1.4305 | - | not hardened | 16 | M24x2 | 40 | 106 | 32 | 18 | 28 | 16 | 27 | 3,2 | 20 | 46 |  | | on request | | | 03089-061903 | A | stainless steel | 1.4404 | bright | nickel-plated | 3 | M6x0,75 | 14 | 34,5 | 12 | 5 | 10 | 3,5 | 8 | 0,8 | 3 | 6,5 |  | | on request | | | 03089-061004 | A | stainless steel | 1.4404 | bright | nickel-plated | 4 | M8x1 | 18 | 43 | 15 | 6 | 13 | 4 | 10 | 1 | 7 | 15,5 |  | | on request | | | 03089-061105 | A | stainless steel | 1.4404 | bright | nickel-plated | 5 | M10x1 | 21 | 50 | 17 | 7 | 15 | 5 | 13 | 1,3 | 4 | 12,5 |  | | on request | | | 03089-061206 | A | stainless steel | 1.4404 | bright | nickel-plated | 6 | M12x1,5 | 25 | 59 | 20 | 8 | 17 | 6 | 14 | 1,8 | 7 | 14,5 |  | | on request | | | 03089-061308 | A | stainless steel | 1.4404 | bright | nickel-plated | 8 | M16x1,5 | 33 | 77 | 26 | 10 | 23 | 8 | 19 | 2,3 | 15 | 35 |  | | on request | | | 03089-061410 | A | stainless steel | 1.4404 | bright | nickel-plated | 10 | M20x1,5 | 33 | 83 | 28 | 12 | 25 | 10 | 22 | 2,8 | 15 | 30 |  | | on request | | | 03089-061412 | A | stainless steel | 1.4404 | bright | nickel-plated | 12 | M20x1,5 | 33 | 87 | 28 | 14 | 25 | 12 | 22 | 2,8 | 15 | 39 |  | | on request | | | 03089-061516 | A | stainless steel | 1.4404 | bright | nickel-plated | 16 | M24x2 | 40 | 106 | 32 | 18 | 28 | 16 | 27 | 3,2 | 20 | 40 |  | | on request | | | 03089-171903 | A | stainless steel | 1.4404 | bright | bright | 3 | M6x0,75 | 14 | 34,5 | 12 | 5 | 10 | 3,5 | 8 | 0,8 | 3 | 6,5 |  | | on request | | | 03089-171004 | A | stainless steel | 1.4404 | bright | bright | 4 | M8x1 | 18 | 43 | 15 | 6 | 13 | 4 | 10 | 1 | 7 | 15,5 |  | | on request | | | 03089-171105 | A | stainless steel | 1.4404 | bright | bright | 5 | M10x1 | 21 | 50 | 17 | 7 | 15 | 5 | 13 | 1,3 | 4 | 12,5 |  | | on request | | | 03089-171206 | A | stainless steel | 1.4404 | bright | bright | 6 | M12x1,5 | 25 | 59 | 20 | 8 | 17 | 6 | 14 | 1,8 | 7 | 14,5 |  | | on request | | | 03089-171308 | A | stainless steel | 1.4404 | bright | bright | 8 | M16x1,5 | 33 | 77 | 26 | 10 | 23 | 8 | 19 | 2,3 | 15 | 35 |  | | on request | | | 03089-171410 | A | stainless steel | 1.4404 | bright | bright | 10 | M20x1,5 | 33 | 83 | 28 | 12 | 25 | 10 | 22 | 2,8 | 15 | 30 |  | | on request | | | 03089-171412 | A | stainless steel | 1.4404 | bright | bright | 12 | M20x1,5 | 33 | 87 | 28 | 14 | 25 | 12 | 22 | 2,8 | 15 | 39 |  | | on request | | | 03089-171516 | A | stainless steel | 1.4404 | bright | bright | 16 | M24x2 | 40 | 106 | 32 | 18 | 28 | 16 | 27 | 3,2 | 20 | 40 |  | | on request | | | 03089-0619031 | A | stainless steel | 1.4404 | blasted | nickel-plated | 3 | M6x0,75 | 14 | 34,5 | 12 | 5 | 10 | 3,5 | 8 | 0,8 | 3 | 6,5 |  | | on request | | | 03089-0610041 | A | stainless steel | 1.4404 | blasted | nickel-plated | 4 | M8x1 | 18 | 43 | 15 | 6 | 13 | 4 | 10 | 1 | 7 | 15,5 |  | | on request | | | 03089-0611051 | A | stainless steel | 1.4404 | blasted | nickel-plated | 5 | M10x1 | 21 | 50 | 17 | 7 | 15 | 5 | 13 | 1,3 | 4 | 12,5 |  | | on request | | | 03089-0612061 | A | stainless steel | 1.4404 | blasted | nickel-plated | 6 | M12x1,5 | 25 | 59 | 20 | 8 | 17 | 6 | 14 | 1,8 | 7 | 14,5 |  | | on request | | | 03089-0613081 | A | stainless steel | 1.4404 | blasted | nickel-plated | 8 | M16x1,5 | 33 | 77 | 26 | 10 | 23 | 8 | 19 | 2,3 | 15 | 35 |  | | on request | | | 03089-0614101 | A | stainless steel | 1.4404 | blasted | nickel-plated | 10 | M20x1,5 | 33 | 83 | 28 | 12 | 25 | 10 | 22 | 2,8 | 15 | 30 |  | | on request | | | 03089-0614121 | A | stainless steel | 1.4404 | blasted | nickel-plated | 12 | M20x1,5 | 33 | 87 | 28 | 14 | 25 | 12 | 22 | 2,8 | 15 | 39 |  | | on request | | | 03089-0615161 | A | stainless steel | 1.4404 | blasted | nickel-plated | 16 | M24x2 | 40 | 106 | 32 | 18 | 28 | 16 | 27 | 3,2 | 20 | 40 |  | | on request | | | 03089-1719031 | A | stainless steel | 1.4404 | blasted | bright | 3 | M6x0,75 | 14 | 34,5 | 12 | 5 | 10 | 3,5 | 8 | 0,8 | 3 | 6,5 |  | | on request | | | 03089-1710041 | A | stainless steel | 1.4404 | blasted | bright | 4 | M8x1 | 18 | 43 | 15 | 6 | 13 | 4 | 10 | 1 | 7 | 15,5 |  | | on request | | | 03089-1711051 | A | stainless steel | 1.4404 | blasted | bright | 5 | M10x1 | 21 | 50 | 17 | 7 | 15 | 5 | 13 | 1,3 | 4 | 12,5 |  | | on request | | | 03089-1712061 | A | stainless steel | 1.4404 | blasted | bright | 6 | M12x1,5 | 25 | 59 | 20 | 8 | 17 | 6 | 14 | 1,8 | 7 | 14,5 |  | | on request | | | 03089-1713081 | A | stainless steel | 1.4404 | blasted | bright | 8 | M16x1,5 | 33 | 77 | 26 | 10 | 23 | 8 | 19 | 2,3 | 15 | 35 |  | | on request | | | 03089-1714101 | A | stainless steel | 1.4404 | blasted | bright | 10 | M20x1,5 | 33 | 83 | 28 | 12 | 25 | 10 | 22 | 2,8 | 15 | 30 |  | | on request | | | 03089-1714121 | A | stainless steel | 1.4404 | blasted | bright | 12 | M20x1,5 | 33 | 87 | 28 | 14 | 25 | 12 | 22 | 2,8 | 15 | 39 |  | | on request | | | 03089-1715161 | A | stainless steel | 1.4404 | blasted | bright | 16 | M24x2 | 40 | 106 | 32 | 18 | 28 | 16 | 27 | 3,2 | 20 | 40 |  | | on request | |
|
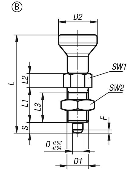
Indexing plungers, stainless steel with stainless steel mushroom grip and locknut |
More information |
| Order No. | Form | Main material | Steel code | Mushroom grip
| locating pin | D | D1 | D2 | L | L1 | L2 | L3 | Travel S | SW1 | SW2 | Fx30° | Spring force initial pressure F1 approx. N | Spring force final pressure F2 approx. N | CAD | Acc. | Price | Order |
|---|
| 03089-002903 | B | stainless steel | 1.4034 | - | hardened | 3 | M6x0,75 | 14 | 34,5 | 12 | 5 | 10 | 3,5 | 8 | 10 | 0,8 | 4,5 | 10 |  | | on request | | | 03089-002004 | B | stainless steel | 1.4034 | - | hardened | 4 | M8x1 | 18 | 43 | 15 | 6 | 13 | 4 | 10 | 13 | 1 | 6 | 12 |  |  | on request | | | 03089-002105 | B | stainless steel | 1.4034 | - | hardened | 5 | M10x1 | 21 | 50 | 17 | 7 | 15 | 5 | 13 | 17 | 1,3 | 5 | 12 |  |  | on request | | | 03089-002206 | B | stainless steel | 1.4034 | - | hardened | 6 | M12x1,5 | 25 | 59 | 20 | 8 | 17 | 6 | 14 | 19 | 1,8 | 6 | 14 |  |  | on request | | | 03089-002308 | B | stainless steel | 1.4034 | - | hardened | 8 | M16x1,5 | 33 | 77 | 26 | 10 | 23 | 8 | 19 | 24 | 2,3 | 15 | 35 |  |  | on request | | | 03089-002410 | B | stainless steel | 1.4034 | - | hardened | 10 | M20x1,5 | 33 | 83 | 28 | 12 | 25 | 10 | 22 | 30 | 2,8 | 15 | 34 |  | | on request | | | 03089-002412 | B | stainless steel | 1.4034 | - | hardened | 12 | M20x1,5 | 33 | 87 | 28 | 14 | 25 | 12 | 22 | 30 | 2,8 | 15 | 39 |  | | on request | | | 03089-002516 | B | stainless steel | 1.4034 | - | hardened | 16 | M24x2 | 40 | 106 | 32 | 18 | 28 | 16 | 27 | 36 | 3,2 | 20 | 46 |  | | on request | | | 03089-112903 | B | stainless steel | 1.4305 | - | not hardened | 3 | M6x0,75 | 14 | 34,5 | 12 | 5 | 10 | 3,5 | 8 | 10 | 0,8 | 4,5 | 10 |  | | on request | | | 03089-112004 | B | stainless steel | 1.4305 | - | not hardened | 4 | M8x1 | 18 | 43 | 15 | 6 | 13 | 4 | 10 | 13 | 1 | 6 | 12 |  |  | on request | | | 03089-112105 | B | stainless steel | 1.4305 | - | not hardened | 5 | M10x1 | 21 | 50 | 17 | 7 | 15 | 5 | 13 | 17 | 1,3 | 5 | 12 |  |  | on request | | | 03089-112206 | B | stainless steel | 1.4305 | - | not hardened | 6 | M12x1,5 | 25 | 59 | 20 | 8 | 17 | 6 | 14 | 19 | 1,8 | 6 | 14 |  |  | on request | | | 03089-112308 | B | stainless steel | 1.4305 | - | not hardened | 8 | M16x1,5 | 33 | 77 | 26 | 10 | 23 | 8 | 19 | 24 | 2,3 | 15 | 35 |  |  | on request | | | 03089-112410 | B | stainless steel | 1.4305 | - | not hardened | 10 | M20x1,5 | 33 | 83 | 28 | 12 | 25 | 10 | 22 | 30 | 2,8 | 15 | 34 |  | | on request | | | 03089-112412 | B | stainless steel | 1.4305 | - | not hardened | 12 | M20x1,5 | 33 | 87 | 28 | 14 | 25 | 12 | 22 | 30 | 2,8 | 15 | 39 |  | | on request | | | 03089-112516 | B | stainless steel | 1.4305 | - | not hardened | 16 | M24x2 | 40 | 106 | 32 | 18 | 28 | 16 | 27 | 36 | 3,2 | 20 | 46 |  | | on request | | | 03089-062903 | B | stainless steel | 1.4404 | bright | nickel-plated | 3 | M6x0,75 | 14 | 34,5 | 12 | 5 | 10 | 3,5 | 8 | 10 | 0,8 | 3 | 6,5 |  | | on request | | | 03089-062004 | B | stainless steel | 1.4404 | bright | nickel-plated | 4 | M8x1 | 18 | 43 | 15 | 6 | 13 | 4 | 10 | 13 | 1 | 7 | 15,5 |  | | on request | | | 03089-062105 | B | stainless steel | 1.4404 | bright | nickel-plated | 5 | M10x1 | 21 | 50 | 17 | 7 | 15 | 5 | 13 | 17 | 1,3 | 4 | 12,5 |  | | on request | | | 03089-062206 | B | stainless steel | 1.4404 | bright | nickel-plated | 6 | M12x1,5 | 25 | 59 | 20 | 8 | 17 | 6 | 14 | 19 | 1,8 | 7 | 14,5 |  | | on request | | | 03089-062308 | B | stainless steel | 1.4404 | bright | nickel-plated | 8 | M16x1,5 | 33 | 77 | 26 | 10 | 23 | 8 | 19 | 24 | 2,3 | 15 | 35 |  | | on request | | | 03089-062410 | B | stainless steel | 1.4404 | bright | nickel-plated | 10 | M20x1,5 | 33 | 83 | 28 | 12 | 25 | 10 | 22 | 30 | 2,8 | 15 | 30 |  | | on request | | | 03089-062412 | B | stainless steel | 1.4404 | bright | nickel-plated | 12 | M20x1,5 | 33 | 87 | 28 | 14 | 25 | 12 | 22 | 30 | 2,8 | 15 | 39 |  | | on request | | | 03089-062516 | B | stainless steel | 1.4404 | bright | nickel-plated | 16 | M24x2 | 40 | 106 | 32 | 18 | 28 | 16 | 27 | 36 | 3,2 | 20 | 40 |  | | on request | | | 03089-172903 | B | stainless steel | 1.4404 | bright | bright | 3 | M6x0,75 | 14 | 34,5 | 12 | 5 | 10 | 3,5 | 8 | 10 | 0,8 | 3 | 6,5 |  | | on request | | | 03089-172004 | B | stainless steel | 1.4404 | bright | bright | 4 | M8x1 | 18 | 43 | 15 | 6 | 13 | 4 | 10 | 13 | 1 | 7 | 15,5 |  | | on request | | | 03089-172105 | B | stainless steel | 1.4404 | bright | bright | 5 | M10x1 | 21 | 50 | 17 | 7 | 15 | 5 | 13 | 17 | 1,3 | 4 | 12,5 |  | | on request | | | 03089-172206 | B | stainless steel | 1.4404 | bright | bright | 6 | M12x1,5 | 25 | 59 | 20 | 8 | 17 | 6 | 14 | 19 | 1,8 | 7 | 14,5 |  | | on request | | | 03089-172308 | B | stainless steel | 1.4404 | bright | bright | 8 | M16x1,5 | 33 | 77 | 26 | 10 | 23 | 8 | 19 | 24 | 2,3 | 15 | 35 |  | | on request | | | 03089-172410 | B | stainless steel | 1.4404 | bright | bright | 10 | M20x1,5 | 33 | 83 | 28 | 12 | 25 | 10 | 22 | 30 | 2,8 | 15 | 30 |  | | on request | | | 03089-172412 | B | stainless steel | 1.4404 | bright | bright | 12 | M20x1,5 | 33 | 87 | 28 | 14 | 25 | 12 | 22 | 30 | 2,8 | 15 | 39 |  | | on request | | | 03089-172516 | B | stainless steel | 1.4404 | bright | bright | 16 | M24x2 | 40 | 106 | 32 | 18 | 28 | 16 | 27 | 36 | 3,2 | 20 | 40 |  | | on request | | | 03089-0629031 | B | stainless steel | 1.4404 | blasted | nickel-plated | 3 | M6x0,75 | 14 | 34,5 | 12 | 5 | 10 | 3,5 | 8 | 10 | 0,8 | 3 | 6,5 |  | | on request | | | 03089-0620041 | B | stainless steel | 1.4404 | blasted | nickel-plated | 4 | M8x1 | 18 | 43 | 15 | 6 | 13 | 4 | 10 | 13 | 1 | 7 | 15,5 |  | | on request | | | 03089-0621051 | B | stainless steel | 1.4404 | blasted | nickel-plated | 5 | M10x1 | 21 | 50 | 17 | 7 | 15 | 5 | 13 | 17 | 1,3 | 4 | 12,5 |  | | on request | | | 03089-0622061 | B | stainless steel | 1.4404 | blasted | nickel-plated | 6 | M12x1,5 | 25 | 59 | 20 | 8 | 17 | 6 | 14 | 19 | 1,8 | 7 | 14,5 |  | | on request | | | 03089-0623081 | B | stainless steel | 1.4404 | blasted | nickel-plated | 8 | M16x1,5 | 33 | 77 | 26 | 10 | 23 | 8 | 19 | 24 | 2,3 | 15 | 35 |  | | on request | | | 03089-0624101 | B | stainless steel | 1.4404 | blasted | nickel-plated | 10 | M20x1,5 | 33 | 83 | 28 | 12 | 25 | 10 | 22 | 30 | 2,8 | 15 | 30 |  | | on request | | | 03089-0624121 | B | stainless steel | 1.4404 | blasted | nickel-plated | 12 | M20x1,5 | 33 | 87 | 28 | 14 | 25 | 12 | 22 | 30 | 2,8 | 15 | 39 |  | | on request | | | 03089-0625161 | B | stainless steel | 1.4404 | blasted | nickel-plated | 16 | M24x2 | 40 | 106 | 32 | 18 | 28 | 16 | 27 | 36 | 3,2 | 20 | 40 |  | | on request | | | 03089-1729031 | B | stainless steel | 1.4404 | blasted | bright | 3 | M6x0,75 | 14 | 34,5 | 12 | 5 | 10 | 3,5 | 8 | 10 | 0,8 | 3 | 6,5 |  | | on request | | | 03089-1720041 | B | stainless steel | 1.4404 | blasted | bright | 4 | M8x1 | 18 | 43 | 15 | 6 | 13 | 4 | 10 | 13 | 1 | 7 | 15,5 |  | | on request | | | 03089-1721051 | B | stainless steel | 1.4404 | blasted | bright | 5 | M10x1 | 21 | 50 | 17 | 7 | 15 | 5 | 13 | 17 | 1,3 | 4 | 12,5 |  | | on request | | | 03089-1722061 | B | stainless steel | 1.4404 | blasted | bright | 6 | M12x1,5 | 25 | 59 | 20 | 8 | 17 | 6 | 14 | 19 | 1,8 | 7 | 14,5 |  | | on request | | | 03089-1723081 | B | stainless steel | 1.4404 | blasted | bright | 8 | M16x1,5 | 33 | 77 | 26 | 10 | 23 | 8 | 19 | 24 | 2,3 | 15 | 35 |  | | on request | | | 03089-1724101 | B | stainless steel | 1.4404 | blasted | bright | 10 | M20x1,5 | 33 | 83 | 28 | 12 | 25 | 10 | 22 | 30 | 2,8 | 15 | 30 |  | | on request | | | 03089-1724121 | B | stainless steel | 1.4404 | blasted | bright | 12 | M20x1,5 | 33 | 87 | 28 | 14 | 25 | 12 | 22 | 30 | 2,8 | 15 | 39 |  | | on request | | | 03089-1725161 | B | stainless steel | 1.4404 | blasted | bright | 16 | M24x2 | 40 | 106 | 32 | 18 | 28 | 16 | 27 | 36 | 3,2 | 20 | 40 |  | | on request | |
|
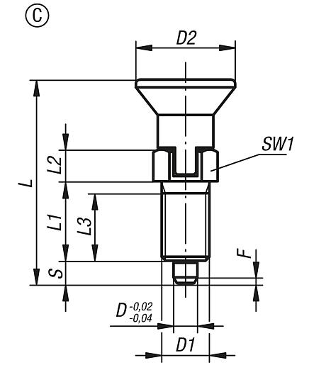
Indexing plungers, stainless steel with stainless steel mushroom grip and locking slot |
More information |
| Order No. | Form | Main material | Steel code | Mushroom grip
| locating pin | D | D1 | D2 | L | L1 | L2 | L3 | Travel S | SW1 | Fx30° | Spring force initial pressure F1 approx. N | Spring force final pressure F2 approx. N | CAD | Acc. | Price | Order |
|---|
| 03089-003903 | C | stainless steel | 1.4034 | - | hardened | 3 | M6x0,75 | 14 | 31,5 | 12 | 5 | 10 | 3,5 | 8 | 0,8 | 4,5 | 10 |  | | on request | | | 03089-003004 | C | stainless steel | 1.4034 | - | hardened | 4 | M8x1 | 18 | 38,5 | 15 | 6 | 13 | 4 | 10 | 1 | 6 | 12 |  |  | on request | | | 03089-003105 | C | stainless steel | 1.4034 | - | hardened | 5 | M10x1 | 21 | 43,5 | 17 | 7 | 15 | 5 | 13 | 1,3 | 5 | 12 |  |  | on request | | | 03089-003206 | C | stainless steel | 1.4034 | - | hardened | 6 | M12x1,5 | 25 | 51,7 | 20 | 8 | 17 | 6 | 14 | 1,8 | 6 | 14 |  |  | on request | | | 03089-003308 | C | stainless steel | 1.4034 | - | hardened | 8 | M16x1,5 | 33 | 68 | 26 | 10 | 23 | 8 | 19 | 2,3 | 15 | 35 |  |  | on request | | | 03089-003410 | C | stainless steel | 1.4034 | - | hardened | 10 | M20x1,5 | 33 | 74 | 28 | 12 | 25 | 10 | 22 | 2,8 | 15 | 34 |  | | on request | | | 03089-003412 | C | stainless steel | 1.4034 | - | hardened | 12 | M20x1,5 | 33 | 78 | 28 | 14 | 25 | 12 | 22 | 2,8 | 15 | 39 |  | | on request | | | 03089-003516 | C | stainless steel | 1.4034 | - | hardened | 16 | M24x2 | 40 | 96 | 32 | 18 | 28 | 16 | 27 | 3,2 | 20 | 46 |  | | on request | | | 03089-113903 | C | stainless steel | 1.4305 | - | not hardened | 3 | M6x0,75 | 14 | 31,5 | 12 | 5 | 10 | 3,5 | 8 | 0,8 | 4,5 | 10 |  | | on request | | | 03089-113004 | C | stainless steel | 1.4305 | - | not hardened | 4 | M8x1 | 18 | 38,5 | 15 | 6 | 13 | 4 | 10 | 1 | 6 | 12 |  |  | on request | | | 03089-113105 | C | stainless steel | 1.4305 | - | not hardened | 5 | M10x1 | 21 | 43,5 | 17 | 7 | 15 | 5 | 13 | 1,3 | 5 | 12 |  |  | on request | | | 03089-113206 | C | stainless steel | 1.4305 | - | not hardened | 6 | M12x1,5 | 25 | 51,7 | 20 | 8 | 17 | 6 | 14 | 1,8 | 6 | 14 |  |  | on request | | | 03089-113308 | C | stainless steel | 1.4305 | - | not hardened | 8 | M16x1,5 | 33 | 68 | 26 | 10 | 23 | 8 | 19 | 2,3 | 15 | 35 |  |  | on request | | | 03089-113410 | C | stainless steel | 1.4305 | - | not hardened | 10 | M20x1,5 | 33 | 74 | 28 | 12 | 25 | 10 | 22 | 2,8 | 15 | 34 |  | | on request | | | 03089-113412 | C | stainless steel | 1.4305 | - | not hardened | 12 | M20x1,5 | 33 | 78 | 28 | 14 | 25 | 12 | 22 | 2,8 | 15 | 39 |  | | on request | | | 03089-113516 | C | stainless steel | 1.4305 | - | not hardened | 16 | M24x2 | 40 | 96 | 32 | 18 | 28 | 16 | 27 | 3,2 | 20 | 46 |  | | on request | | | 03089-063903 | C | stainless steel | 1.4404 | bright | nickel-plated | 3 | M6x0,75 | 14 | 31,5 | 12 | 5 | 10 | 3,5 | 8 | 0,8 | 3 | 6,5 |  | | on request | | | 03089-063004 | C | stainless steel | 1.4404 | bright | nickel-plated | 4 | M8x1 | 18 | 38,5 | 15 | 6 | 13 | 4 | 10 | 1 | 7 | 15,5 |  | | on request | | | 03089-063105 | C | stainless steel | 1.4404 | bright | nickel-plated | 5 | M10x1 | 21 | 43,5 | 17 | 7 | 15 | 5 | 13 | 1,3 | 4 | 12,5 |  | | on request | | | 03089-063206 | C | stainless steel | 1.4404 | bright | nickel-plated | 6 | M12x1,5 | 25 | 51,7 | 20 | 8 | 17 | 6 | 14 | 1,8 | 7 | 14,5 |  | | on request | | | 03089-063308 | C | stainless steel | 1.4404 | bright | nickel-plated | 8 | M16x1,5 | 33 | 68 | 26 | 10 | 23 | 8 | 19 | 2,3 | 15 | 35 |  | | on request | | | 03089-063410 | C | stainless steel | 1.4404 | bright | nickel-plated | 10 | M20x1,5 | 33 | 74 | 28 | 12 | 25 | 10 | 22 | 2,8 | 15 | 30 |  | | on request | | | 03089-063412 | C | stainless steel | 1.4404 | bright | nickel-plated | 12 | M20x1,5 | 33 | 78 | 28 | 14 | 25 | 12 | 22 | 2,8 | 15 | 39 |  | | on request | | | 03089-063516 | C | stainless steel | 1.4404 | bright | nickel-plated | 16 | M24x2 | 40 | 96 | 32 | 18 | 28 | 16 | 27 | 3,2 | 20 | 40 |  | | on request | | | 03089-173903 | C | stainless steel | 1.4404 | bright | bright | 3 | M6x0,75 | 14 | 31,5 | 12 | 5 | 10 | 3,5 | 8 | 0,8 | 3 | 6,5 |  | | on request | | | 03089-173004 | C | stainless steel | 1.4404 | bright | bright | 4 | M8x1 | 18 | 38,5 | 15 | 6 | 13 | 4 | 10 | 1 | 7 | 15,5 |  | | on request | | | 03089-173105 | C | stainless steel | 1.4404 | bright | bright | 5 | M10x1 | 21 | 43,5 | 17 | 7 | 15 | 5 | 13 | 1,3 | 4 | 12,5 |  | | on request | | | 03089-173206 | C | stainless steel | 1.4404 | bright | bright | 6 | M12x1,5 | 25 | 51,7 | 20 | 8 | 17 | 6 | 14 | 1,8 | 7 | 14,5 |  | | on request | | | 03089-173308 | C | stainless steel | 1.4404 | bright | bright | 8 | M16x1,5 | 33 | 68 | 26 | 10 | 23 | 8 | 19 | 2,3 | 15 | 35 |  | | on request | | | 03089-173410 | C | stainless steel | 1.4404 | bright | bright | 10 | M20x1,5 | 33 | 74 | 28 | 12 | 25 | 10 | 22 | 2,8 | 15 | 30 |  | | on request | | | 03089-173412 | C | stainless steel | 1.4404 | bright | bright | 12 | M20x1,5 | 33 | 78 | 28 | 14 | 25 | 12 | 22 | 2,8 | 15 | 39 |  | | on request | | | 03089-173516 | C | stainless steel | 1.4404 | bright | bright | 16 | M24x2 | 40 | 96 | 32 | 18 | 28 | 16 | 27 | 3,2 | 20 | 40 |  | | on request | | | 03089-0639031 | C | stainless steel | 1.4404 | blasted | nickel-plated | 3 | M6x0,75 | 14 | 31,5 | 12 | 5 | 10 | 3,5 | 8 | 0,8 | 3 | 6,5 |  | | on request | | | 03089-0630041 | C | stainless steel | 1.4404 | blasted | nickel-plated | 4 | M8x1 | 18 | 38,5 | 15 | 6 | 13 | 4 | 10 | 1 | 7 | 15,5 |  | | on request | | | 03089-0631051 | C | stainless steel | 1.4404 | blasted | nickel-plated | 5 | M10x1 | 21 | 43,5 | 17 | 7 | 15 | 5 | 13 | 1,3 | 4 | 12,5 |  | | on request | | | 03089-0632061 | C | stainless steel | 1.4404 | blasted | nickel-plated | 6 | M12x1,5 | 25 | 51,7 | 20 | 8 | 17 | 6 | 14 | 1,8 | 7 | 14,5 |  | | on request | | | 03089-0633081 | C | stainless steel | 1.4404 | blasted | nickel-plated | 8 | M16x1,5 | 33 | 68 | 26 | 10 | 23 | 8 | 19 | 2,3 | 15 | 35 |  | | on request | | | 03089-0634101 | C | stainless steel | 1.4404 | blasted | nickel-plated | 10 | M20x1,5 | 33 | 74 | 28 | 12 | 25 | 10 | 22 | 2,8 | 15 | 30 |  | | on request | | | 03089-0634121 | C | stainless steel | 1.4404 | blasted | nickel-plated | 12 | M20x1,5 | 33 | 78 | 28 | 14 | 25 | 12 | 22 | 2,8 | 15 | 39 |  | | on request | | | 03089-0635161 | C | stainless steel | 1.4404 | blasted | nickel-plated | 16 | M24x2 | 40 | 96 | 32 | 18 | 28 | 16 | 27 | 3,2 | 20 | 40 |  | | on request | | | 03089-1739031 | C | stainless steel | 1.4404 | blasted | bright | 3 | M6x0,75 | 14 | 31,5 | 12 | 5 | 10 | 3,5 | 8 | 0,8 | 3 | 6,5 |  | | on request | | | 03089-1730041 | C | stainless steel | 1.4404 | blasted | bright | 4 | M8x1 | 18 | 38,5 | 15 | 6 | 13 | 4 | 10 | 1 | 7 | 15,5 |  | | on request | | | 03089-1731051 | C | stainless steel | 1.4404 | blasted | bright | 5 | M10x1 | 21 | 43,5 | 17 | 7 | 15 | 5 | 13 | 1,3 | 4 | 12,5 |  | | on request | | | 03089-1732061 | C | stainless steel | 1.4404 | blasted | bright | 6 | M12x1,5 | 25 | 51,7 | 20 | 8 | 17 | 6 | 14 | 1,8 | 7 | 14,5 |  | | on request | | | 03089-1733081 | C | stainless steel | 1.4404 | blasted | bright | 8 | M16x1,5 | 33 | 68 | 26 | 10 | 23 | 8 | 19 | 2,3 | 15 | 35 |  | | on request | | | 03089-1734101 | C | stainless steel | 1.4404 | blasted | bright | 10 | M20x1,5 | 33 | 74 | 28 | 12 | 25 | 10 | 22 | 2,8 | 15 | 30 |  | | on request | | | 03089-1734121 | C | stainless steel | 1.4404 | blasted | bright | 12 | M20x1,5 | 33 | 78 | 28 | 14 | 25 | 12 | 22 | 2,8 | 15 | 39 |  | | on request | | | 03089-1735161 | C | stainless steel | 1.4404 | blasted | bright | 16 | M24x2 | 40 | 96 | 32 | 18 | 28 | 16 | 27 | 3,2 | 20 | 40 |  | | on request | |
|
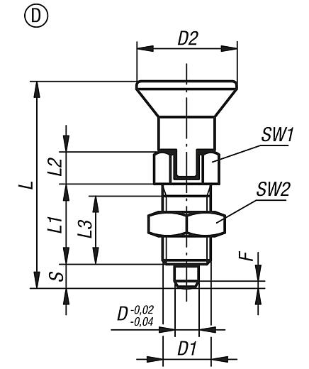
Indexing plungers, stainless steel with stainless steel mushroom grip. Locking slot and locknut |
More information |
| Order No. | Form | Main material | Steel code | Mushroom grip
| locating pin | D | D1 | D2 | L | L1 | L2 | L3 | Travel S | SW1 | SW2 | Fx30° | Spring force initial pressure F1 approx. N | Spring force final pressure F2 approx. N | CAD | Acc. | Price | Order |
|---|
| 03089-004903 | D | stainless steel | 1.4034 | - | hardened | 3 | M6x0,75 | 14 | 31,5 | 12 | 5 | 10 | 3,5 | 8 | 10 | 0,8 | 4,5 | 10 |  | | on request | | | 03089-004004 | D | stainless steel | 1.4034 | - | hardened | 4 | M8x1 | 18 | 38,5 | 15 | 6 | 13 | 4 | 10 | 13 | 1 | 6 | 12 |  |  | on request | | | 03089-004105 | D | stainless steel | 1.4034 | - | hardened | 5 | M10x1 | 21 | 43,5 | 17 | 7 | 15 | 5 | 13 | 17 | 1,3 | 5 | 12 |  |  | on request | | | 03089-004206 | D | stainless steel | 1.4034 | - | hardened | 6 | M12x1,5 | 25 | 51,7 | 20 | 8 | 17 | 6 | 14 | 19 | 1,8 | 6 | 14 |  |  | on request | | | 03089-004308 | D | stainless steel | 1.4034 | - | hardened | 8 | M16x1,5 | 33 | 68 | 26 | 10 | 23 | 8 | 19 | 24 | 2,3 | 15 | 35 |  |  | on request | | | 03089-004410 | D | stainless steel | 1.4034 | - | hardened | 10 | M20x1,5 | 33 | 74 | 28 | 12 | 25 | 10 | 22 | 30 | 2,8 | 15 | 34 |  | | on request | | | 03089-004412 | D | stainless steel | 1.4034 | - | hardened | 12 | M20x1,5 | 33 | 78 | 28 | 14 | 25 | 12 | 22 | 30 | 2,8 | 15 | 39 |  | | on request | | | 03089-004516 | D | stainless steel | 1.4034 | - | hardened | 16 | M24x2 | 40 | 96 | 32 | 18 | 28 | 16 | 27 | 36 | 3,2 | 20 | 46 |  | | on request | | | 03089-114903 | D | stainless steel | 1.4305 | - | not hardened | 3 | M6x0,75 | 14 | 31,5 | 12 | 5 | 10 | 3,5 | 8 | 10 | 0,8 | 4,5 | 10 |  | | on request | | | 03089-114004 | D | stainless steel | 1.4305 | - | not hardened | 4 | M8x1 | 18 | 38,5 | 15 | 6 | 13 | 4 | 10 | 13 | 1 | 6 | 12 |  |  | on request | | | 03089-114105 | D | stainless steel | 1.4305 | - | not hardened | 5 | M10x1 | 21 | 43,5 | 17 | 7 | 15 | 5 | 13 | 17 | 1,3 | 5 | 12 |  |  | on request | | | 03089-114206 | D | stainless steel | 1.4305 | - | not hardened | 6 | M12x1,5 | 25 | 51,7 | 20 | 8 | 17 | 6 | 14 | 19 | 1,8 | 6 | 14 |  |  | on request | | | 03089-114308 | D | stainless steel | 1.4305 | - | not hardened | 8 | M16x1,5 | 33 | 68 | 26 | 10 | 23 | 8 | 19 | 24 | 2,3 | 15 | 35 |  |  | on request | | | 03089-114410 | D | stainless steel | 1.4305 | - | not hardened | 10 | M20x1,5 | 33 | 74 | 28 | 12 | 25 | 10 | 22 | 30 | 2,8 | 15 | 34 |  | | on request | | | 03089-114412 | D | stainless steel | 1.4305 | - | not hardened | 12 | M20x1,5 | 33 | 78 | 28 | 14 | 25 | 12 | 22 | 30 | 2,8 | 15 | 39 |  | | on request | | | 03089-114516 | D | stainless steel | 1.4305 | - | not hardened | 16 | M24x2 | 40 | 96 | 32 | 18 | 28 | 16 | 27 | 36 | 3,2 | 20 | 46 |  | | on request | | | 03089-064903 | D | stainless steel | 1.4404 | bright | nickel-plated | 3 | M6x0,75 | 14 | 31,5 | 12 | 5 | 10 | 3,5 | 8 | 10 | 0,8 | 3 | 6,5 |  | | on request | | | 03089-064004 | D | stainless steel | 1.4404 | bright | nickel-plated | 4 | M8x1 | 18 | 38,5 | 15 | 6 | 13 | 4 | 10 | 13 | 1 | 7 | 15,5 |  | | on request | | | 03089-064105 | D | stainless steel | 1.4404 | bright | nickel-plated | 5 | M10x1 | 21 | 43,5 | 17 | 7 | 15 | 5 | 13 | 17 | 1,3 | 4 | 12,5 |  | | on request | | | 03089-064206 | D | stainless steel | 1.4404 | bright | nickel-plated | 6 | M12x1,5 | 25 | 51,7 | 20 | 8 | 17 | 6 | 14 | 19 | 1,8 | 7 | 14,5 |  | | on request | | | 03089-064308 | D | stainless steel | 1.4404 | bright | nickel-plated | 8 | M16x1,5 | 33 | 68 | 26 | 10 | 23 | 8 | 19 | 24 | 2,3 | 15 | 35 |  | | on request | | | 03089-064410 | D | stainless steel | 1.4404 | bright | nickel-plated | 10 | M20x1,5 | 33 | 74 | 28 | 12 | 25 | 10 | 22 | 30 | 2,8 | 15 | 30 |  | | on request | | | 03089-064412 | D | stainless steel | 1.4404 | bright | nickel-plated | 12 | M20x1,5 | 33 | 78 | 28 | 14 | 25 | 12 | 22 | 30 | 2,8 | 15 | 39 |  | | on request | | | 03089-064516 | D | stainless steel | 1.4404 | bright | nickel-plated | 16 | M24x2 | 40 | 96 | 32 | 18 | 28 | 16 | 27 | 36 | 3,2 | 20 | 40 |  | | on request | | | 03089-174903 | D | stainless steel | 1.4404 | bright | bright | 3 | M6x0,75 | 14 | 31,5 | 12 | 5 | 10 | 3,5 | 8 | 10 | 0,8 | 3 | 6,5 |  | | on request | | | 03089-174004 | D | stainless steel | 1.4404 | bright | bright | 4 | M8x1 | 18 | 38,5 | 15 | 6 | 13 | 4 | 10 | 13 | 1 | 7 | 15,5 |  | | on request | | | 03089-174105 | D | stainless steel | 1.4404 | bright | bright | 5 | M10x1 | 21 | 43,5 | 17 | 7 | 15 | 5 | 13 | 17 | 1,3 | 4 | 12,5 |  | | on request | | | 03089-174206 | D | stainless steel | 1.4404 | bright | bright | 6 | M12x1,5 | 25 | 51,7 | 20 | 8 | 17 | 6 | 14 | 19 | 1,8 | 7 | 14,5 |  | | on request | | | 03089-174308 | D | stainless steel | 1.4404 | bright | bright | 8 | M16x1,5 | 33 | 68 | 26 | 10 | 23 | 8 | 19 | 24 | 2,3 | 15 | 35 |  | | on request | | | 03089-174410 | D | stainless steel | 1.4404 | bright | bright | 10 | M20x1,5 | 33 | 74 | 28 | 12 | 25 | 10 | 22 | 30 | 2,8 | 15 | 30 |  | | on request | | | 03089-174412 | D | stainless steel | 1.4404 | bright | bright | 12 | M20x1,5 | 33 | 78 | 28 | 14 | 25 | 12 | 22 | 30 | 2,8 | 15 | 39 |  | | on request | | | 03089-174516 | D | stainless steel | 1.4404 | bright | bright | 16 | M24x2 | 40 | 96 | 32 | 18 | 28 | 16 | 27 | 36 | 3,2 | 20 | 40 |  | | on request | | | 03089-0649031 | D | stainless steel | 1.4404 | blasted | nickel-plated | 3 | M6x0,75 | 14 | 31,5 | 12 | 5 | 10 | 3,5 | 8 | 10 | 0,8 | 3 | 6,5 |  | | on request | | | 03089-0640041 | D | stainless steel | 1.4404 | blasted | nickel-plated | 4 | M8x1 | 18 | 38,5 | 15 | 6 | 13 | 4 | 10 | 13 | 1 | 7 | 15,5 |  | | on request | | | 03089-0641051 | D | stainless steel | 1.4404 | blasted | nickel-plated | 5 | M10x1 | 21 | 43,5 | 17 | 7 | 15 | 5 | 13 | 17 | 1,3 | 4 | 12,5 |  | | on request | | | 03089-0642061 | D | stainless steel | 1.4404 | blasted | nickel-plated | 6 | M12x1,5 | 25 | 51,7 | 20 | 8 | 17 | 6 | 14 | 19 | 1,8 | 7 | 14,5 |  | | on request | | | 03089-0643081 | D | stainless steel | 1.4404 | blasted | nickel-plated | 8 | M16x1,5 | 33 | 68 | 26 | 10 | 23 | 8 | 19 | 24 | 2,3 | 15 | 35 |  | | on request | | | 03089-0644101 | D | stainless steel | 1.4404 | blasted | nickel-plated | 10 | M20x1,5 | 33 | 74 | 28 | 12 | 25 | 10 | 22 | 30 | 2,8 | 15 | 30 |  | | on request | | | 03089-0644121 | D | stainless steel | 1.4404 | blasted | nickel-plated | 12 | M20x1,5 | 33 | 78 | 28 | 14 | 25 | 12 | 22 | 30 | 2,8 | 15 | 39 |  | | on request | | | 03089-0645161 | D | stainless steel | 1.4404 | blasted | nickel-plated | 16 | M24x2 | 40 | 96 | 32 | 18 | 28 | 16 | 27 | 36 | 3,2 | 20 | 40 |  | | on request | | | 03089-1749031 | D | stainless steel | 1.4404 | blasted | bright | 3 | M6x0,75 | 14 | 31,5 | 12 | 5 | 10 | 3,5 | 8 | 10 | 0,8 | 3 | 6,5 |  | | on request | | | 03089-1740041 | D | stainless steel | 1.4404 | blasted | bright | 4 | M8x1 | 18 | 38,5 | 15 | 6 | 13 | 4 | 10 | 13 | 1 | 7 | 15,5 |  | | on request | | | 03089-1741051 | D | stainless steel | 1.4404 | blasted | bright | 5 | M10x1 | 21 | 43,5 | 17 | 7 | 15 | 5 | 13 | 17 | 1,3 | 4 | 12,5 |  | | on request | | | 03089-1742061 | D | stainless steel | 1.4404 | blasted | bright | 6 | M12x1,5 | 25 | 51,7 | 20 | 8 | 17 | 6 | 14 | 19 | 1,8 | 7 | 14,5 |  | | on request | | | 03089-1743081 | D | stainless steel | 1.4404 | blasted | bright | 8 | M16x1,5 | 33 | 68 | 26 | 10 | 23 | 8 | 19 | 24 | 2,3 | 15 | 35 |  | | on request | | | 03089-1744101 | D | stainless steel | 1.4404 | blasted | bright | 10 | M20x1,5 | 33 | 74 | 28 | 12 | 25 | 10 | 22 | 30 | 2,8 | 15 | 30 |  | | on request | | | 03089-1744121 | D | stainless steel | 1.4404 | blasted | bright | 12 | M20x1,5 | 33 | 78 | 28 | 14 | 25 | 12 | 22 | 30 | 2,8 | 15 | 39 |  | | on request | | | 03089-1745161 | D | stainless steel | 1.4404 | blasted | bright | 16 | M24x2 | 40 | 96 | 32 | 18 | 28 | 16 | 27 | 36 | 3,2 | 20 | 40 |  | | on request | |
|
Other items in this category |
|
|