|
|
|
03089Indexing plungers, steel or stainless steel for thin-walled... |
go back |
|
|
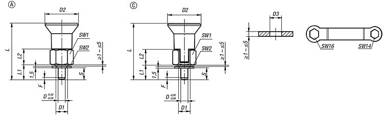
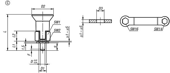
DescriptionProduct description:Indexing plungers are used where any change in locking position due to lateral forces should be prevented. A new indexed position can be only be moved to after the pin has been manually retracted. Form C and D are recommended for applications where the indexing pin should remain disengaged for an extended period and be prevented from springing back.
These indexing plungers are particularly suitable for mounting on thin-walled components. Material:Steel version:
Threaded sleeve and indexing pin free-cutting steel.
Stainless steel version:
Threaded sleeve and indexing pin 1.4305.
Mushroom grip thermoplastic.
Version:Steel version: Threaded sleeve black oxidized. Indexing pin hardened, ground and black oxidized. Stainless steel version: Threaded sleeve bright. Indexing pin not hardened and ground, bright.
Mushroom grip black gray RAL 7021. On request:Special versions.Accessory:A double-ended ring spanner can be supplied as an accessory to tighten the nut.Drawing reference:Form A: non-lockout type Form C: lockout type DownloadHere is all the information as a PDF datasheet:
Are you looking for CAD data? These can be found directly in the product table.
|
Drawings (total overview) |
Indexing plungers, steel or stainless steel for thin-walled parts, with plastic mushroom grip, no locking slot |
More information |
| Order No. | Form | Main material | Surface finish body | D | D1 | D2 | D3 | L | L1 | L2 | Travel S | SW1 | SW2 | Fx30° | Spring force initial pressure F1 approx. N | Spring force final pressure F2 approx. N | Article number double-ended ring spanner | CAD | Acc. | Price | Order |
|---|
| 03089-31105 | A | steel | hardened | 5 | M10x1 | 28 | 10 | 46,5 | 11,5 | 13 | 5-9 | 17 | 14 | 1,3 | 6 | 15 | 03089-91416 |  |  | on request | | | 03089-31206 | A | steel | hardened | 6 | M10x1 | 28 | 10 | 47,5 | 12,5 | 13 | 6-10 | 17 | 14 | 1,8 | 7 | 19 | 03089-91416 |  |  | on request | | | 03089-311105 | A | stainless steel | not hardened | 5 | M10x1 | 28 | 10 | 46,5 | 11,5 | 13 | 5-9 | 17 | 14 | 1,3 | 6 | 15 | 03089-91416 |  |  | on request | | | 03089-311206 | A | stainless steel | not hardened | 6 | M10x1 | 28 | 10 | 47,5 | 12,5 | 13 | 6-10 | 17 | 14 | 1,8 | 7 | 19 | 03089-91416 |  |  | on request | |
|
Indexing plungers, steel or stainless steel for thin-walled parts, with plastic mushroom grip and locking slot |
More information |
| Order No. | Form | Main material | Surface finish body | D | D1 | D2 | D3 | L | L1 | L2 | Travel S | SW1 | SW2 | Fx30° | Spring force initial pressure F1 approx. N | Spring force final pressure F2 approx. N | Article number double-ended ring spanner | CAD | Acc. | Price | Order |
|---|
| 03089-33105 | C | steel | hardened | 5 | M10x1 | 28 | 10 | 46,5 | 11,5 | 13 | 5-9 | 17 | 14 | 1,3 | 6 | 15 | 03089-91416 |  |  | on request | | | 03089-33206 | C | steel | hardened | 6 | M10x1 | 28 | 10 | 47,5 | 12,5 | 13 | 6-10 | 17 | 14 | 1,8 | 7 | 19 | 03089-91416 |  |  | on request | | | 03089-313105 | C | stainless steel | not hardened | 5 | M10x1 | 28 | 10 | 46,5 | 11,5 | 13 | 5-9 | 17 | 14 | 1,3 | 6 | 15 | 03089-91416 |  |  | on request | | | 03089-313206 | C | stainless steel | not hardened | 6 | M10x1 | 28 | 10 | 47,5 | 12,5 | 13 | 6-10 | 17 | 14 | 1,8 | 7 | 19 | 03089-91416 |  |  | on request | |
|
| Order No. | Article description | CAD | Acc. | Price | Order |
|---|
| 03089-91416 | DOUBLE-ENDED RING SPANNER | | | on request | |
|
Other items in this category |
|
|