norelem 使用 Cookies 以优化设计和持续改进网页。您通过继续使用网页,同意使用 Cookies。在我们的数据保护声明中可以找到有关 Cookies 主题的详细信息。同意

商品描述/产品说明

产品说明材料:铝制套筒。
不锈钢波纹管。
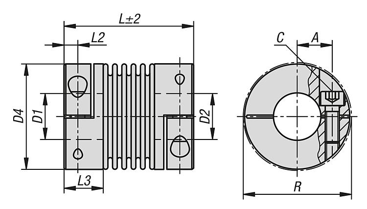
规格:亮色。提示:具有高扭转强度的金属波纹管联轴器。金属波纹管以较低的恢复力补偿轴向、径向和角向轴偏移。带有用于轴安装的夹紧套筒。

它们优先用于需要精确位置和运动传输的情况,如机床、包装机、木工机床和自动化技术中的伺服电机。
温度范围:-30 °C 至 +120 °C。装配:金属波纹管联轴器采用 H7 配合。建议配合间隙为 0.02 mm - 0.05 mm。这种配合间隙和轴颈的润滑有助于组装和拆卸。

在组装和拆卸过程中,金属波纹管的变形最多可以比目录中规定的允许位移值高 3 倍。避免施加任何力。
根据要求:所需的套筒孔 D1 和 D2 分别具有公差等级或公差范围。
键槽符合 DIN 6885 标准。请注意键槽的最大孔径。
下载此处为收集信息的 PDF:

查找 CAD 数据?请直接在产品列表中查找。
 Datasheet 23001 金属波纹管联轴器 带夹紧套筒 323 kB
 联轴器的技术说明 2,5 MB

图纸

金属波纹管联轴器 带夹紧套筒

商品选择/筛选

订货号

尺寸额定扭矩
Nm
惯性矩
(gm²)
扭转刚度
(10³ Nm/rad)
弹簧刚度
径向
(N/mm)
弹簧刚度
轴向
(N/mm)
CAD配件价格订购
23001-018063101018180,042020550 根据要求
23001-018063111118180,042020550 根据要求
23001-018063121218180,042020550 根据要求
23001-018063141418180,042020550 根据要求
23001-018063191918180,042020550 根据要求
23001-018063242418180,042020550 根据要求
23001-018063252518180,042020550 根据要求
23001-030065101030300,153872050 根据要求
23001-030065111130300,153872050 根据要求
23001-030065121230300,153872050 根据要求
23001-030065141430300,153872050 根据要求
23001-030065191930300,153872050 根据要求
23001-030065242430300,153872050 根据要求
23001-030065252530300,153872050 根据要求
23001-060079121260600,3375115090 根据要求
23001-060079141460600,3375115090 根据要求
23001-060079191960600,3375115090 根据要求
23001-060079242460600,3375115090 根据要求
23001-060079252560600,3375115090 根据要求
23001-060079282860600,3375115090 根据要求
23001-060079323260600,3375115090 根据要求
23001-080091121280800,9128120080 根据要求
23001-080091191980800,9128120080 根据要求
23001-080091242480800,9128120080 根据要求
23001-080091252580800,9128120080 根据要求
23001-080091282880800,9128120080 根据要求
23001-080091323280800,9128120080 根据要求
23001-150091141415015011552020280 根据要求
23001-150091191915015011552020280 根据要求
23001-150091242415015011552020280 根据要求
23001-150091252515015011552020280 根据要求
23001-150091282815015011552020280 根据要求
23001-150091323215015011552020280 根据要求
23001-20010116162002001,491752500280 根据要求
23001-20010119192002001,491752500280 根据要求
23001-20010124242002001,491752500280 根据要求
23001-20010125252002001,491752500280 根据要求
23001-20010128282002001,491752500280 根据要求
23001-20010132322002001,491752500280 根据要求
23001-30010520203003003,285026300287 根据要求
23001-30010524243003003,285026300287 根据要求
23001-30010528283003003,285026300287 根据要求
23001-30010538383003003,285026300287 根据要求
23001-50011225255005006,46907790100 根据要求
23001-50011238385005006,46907790100 根据要求
23001-50011242425005006,46907790100 根据要求
订货号

最大轴偏差
径向
(mm)
最大轴偏差
轴向
(mm)
最大
角度偏差
(°)
最高转速
r/min
AC
(ISO 4029)
D1
(H7)
CAD配件价格订购
23001-01806310100,20,51,51280017M510 根据要求
23001-01806311110,20,51,51280017M511 根据要求
23001-01806312120,20,51,51280017M512 根据要求
23001-01806314140,20,51,51280017M514 根据要求
23001-01806319190,20,51,51280017M519 根据要求
23001-01806324240,20,51,51280017M524 根据要求
23001-01806325250,20,51,51280017M525 根据要求
23001-03006510100,150,61,51030020M610 根据要求
23001-03006511110,150,61,51030020M611 根据要求
23001-03006512120,150,61,51030020M612 根据要求
23001-03006514140,150,61,51030020M614 根据要求
23001-03006519190,150,61,51030020M619 根据要求
23001-03006524240,150,61,51030020M624 根据要求
23001-03006525250,150,61,51030020M625 根据要求
23001-06007912120,150,61,5870023M812 根据要求
23001-06007914140,150,61,5870023M814 根据要求
23001-06007919190,150,61,5870023M819 根据要求
23001-06007924240,150,61,5870023M824 根据要求
23001-06007925250,150,61,5870023M825 根据要求
23001-06007928280,150,61,5870023M828 根据要求
23001-06007932320,150,61,5870023M832 根据要求
23001-08009112120,20,51,5690028M1012 根据要求
23001-08009119190,20,51,5690028M1019 根据要求
23001-08009124240,20,51,5690028M1024 根据要求
23001-08009125250,20,51,5690028M1025 根据要求
23001-08009128280,20,51,5690028M1028 根据要求
23001-08009132320,20,51,5690028M1032 根据要求
23001-15009114140,20,51,5690028M1014 根据要求
23001-15009119190,20,51,5690028M1019 根据要求
23001-15009124240,20,51,5690028M1024 根据要求
23001-15009125250,20,51,5690028M1025 根据要求
23001-15009128280,20,51,5690028M1028 根据要求
23001-15009132320,20,51,5690028M1032 根据要求
23001-20010116160,20,51,5640031M1216 根据要求
23001-20010119190,20,51,5640031M1219 根据要求
23001-20010124240,20,51,5640031M1224 根据要求
23001-20010125250,20,51,5640031M1225 根据要求
23001-20010128280,20,51,5640031M1228 根据要求
23001-20010132320,20,51,5640031M1232 根据要求
23001-30010520200,20,51,5600040M1220 根据要求
23001-30010524240,20,51,5600040M1224 根据要求
23001-30010528280,20,51,5600040M1228 根据要求
23001-30010538380,20,51,5600040M1238 根据要求
23001-50011225250,20,51,5500042M1225 根据要求
23001-50011238380,20,51,5500042M1238 根据要求
23001-50011242420,20,51,5500042M1242 根据要求
订货号

D2
(H7)
D1/D2
min.
D1/D2
max.
D1/D2
最大值
带键槽
D4LL2L3R安装螺栓
锁紧扭矩
Nm
CAD配件价格订购
23001-0180631010101025,425,445635,519,547,48 根据要求
23001-0180631111111025,425,445635,519,547,48 根据要求
23001-0180631212121025,425,445635,519,547,48 根据要求
23001-0180631414141025,425,445635,519,547,48 根据要求
23001-0180631919191025,425,445635,519,547,48 根据要求
23001-0180632424241025,425,445635,519,547,48 根据要求
23001-0180632525251025,425,445635,519,547,48 根据要求
23001-03006510101010323056657,524,556,415 根据要求
23001-03006511111110323056657,524,556,415 根据要求
23001-03006512121210323056657,524,556,415 根据要求
23001-03006514141410323056657,524,556,415 根据要求
23001-03006519191910323056657,524,556,415 根据要求
23001-03006524242410323056657,524,556,415 根据要求
23001-03006525252510323056657,524,556,415 根据要求
23001-060079121212123535667910296640 根据要求
23001-060079141414123535667910296640 根据要求
23001-060079191919123535667910296640 根据要求
23001-060079242424123535667910296640 根据要求
23001-060079252525123535667910296640 根据要求
23001-060079282828123535667910296640 根据要求
23001-060079323232123535667910296640 根据要求
23001-08009112121212444482911133,582,984 根据要求
23001-08009119191912444482911133,582,984 根据要求
23001-08009124242412444482911133,582,984 根据要求
23001-08009125252512444482911133,582,984 根据要求
23001-08009128282812444482911133,582,984 根据要求
23001-08009132323212444482911133,582,984 根据要求
23001-15009114141414444482911133,582,984 根据要求
23001-15009119191914444482911133,582,984 根据要求
23001-15009124242414444482911133,582,984 根据要求
23001-15009125252514444482911133,582,984 根据要求
23001-15009128282814444482911133,582,984 根据要求
23001-15009132323214444482911133,582,984 根据要求
23001-20010116161616474790101133890,8125 根据要求
23001-20010119191916474790101133890,8125 根据要求
23001-20010124242416474790101133890,8125 根据要求
23001-20010125252516474790101133890,8125 根据要求
23001-20010128282816474790101133890,8125 根据要求
23001-20010132323216474790101133890,8125 根据要求
23001-3001052020202060601101051338110145 根据要求
23001-3001052424242060601101051338110145 根据要求
23001-3001052828282060601101051338110145 根据要求
23001-3001053838382060601101051338110145 根据要求
23001-5001122525252570701221121542122145 根据要求
23001-5001123838382570701221121542122145 根据要求
23001-5001124242422570701221121542122145 根据要求
我的 norelemE-Mail密码
购物车
商品数量: 0
总数: 0.00  
点击购物车
欢迎扫描二维码
咨询诺瑞朗官方客服微信
中国
苏ICP备20011289号-1  苏公网安备32058502011222 网页地图 打印 推荐 Top
Copyright © 2025 norelem. 保留所有权利。 电话 +49 71 45/206-44 至 45 · 传真 +49 71 45/206-83