norelem 使用 Cookies 以优化设计和持续改进网页。您通过继续使用网页,同意使用 Cookies。在我们的数据保护声明中可以找到有关 Cookies 主题的详细信息。同意

商品描述/产品说明

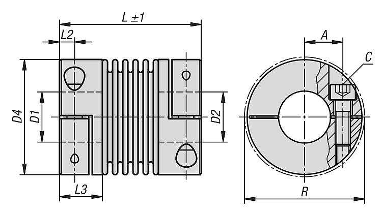
产品说明材料:铝制套筒。
不锈钢波纹管。
规格:亮色。提示:具有高扭转强度的微型无空隙金属波纹管联轴器。金属波纹管以较低的恢复力补偿轴向、径向和角向轴偏移。带有用于轴安装的夹紧套筒。

它们优先用于需要精确位置和运动传输的情况,如高动态定位和伺服系统、编码器、转速计、电位计。
温度范围:-30 °C 至 +120 °C。装配:金属波纹管联轴器采用 H7 配合。建议配合间隙为 0.02 mm - 0.05 mm。这种配合间隙和轴颈的润滑有助于组装和拆卸。

在组装和拆卸过程中,金属波纹管的变形最多可以比目录中规定的允许位移值高 3 倍。避免施加任何力。
根据要求:所需的套筒孔 D1 和 D2 分别具有公差等级或公差范围。
键槽符合 DIN 6885 标准。请注意键槽的最大孔径。
下载此处为收集信息的 PDF:

查找 CAD 数据?请直接在产品列表中查找。
 Datasheet 23003-05 微型金属波纹管联轴器 带夹紧套筒 318 kB
 联轴器的技术说明 2,5 MB

图纸

微型金属波纹管联轴器 带夹紧套筒

商品选择/筛选

订货号

尺寸额定扭矩
Nm
惯性力矩
(gcm2)
扭转刚度
Nm/rad
弹簧刚度
径向
(N/mm)
弹簧刚度
轴向
(N/mm)
CAD配件价格订购
23003-05-005025030350,52,82001810 根据要求
23003-05-005025040450,52,82001810 根据要求
23003-05-005025050550,52,82001810 根据要求
23003-05-005025060650,52,82001810 根据要求
23003-05-01002603031013,43803120 根据要求
23003-05-01002603051013,43803120 根据要求
23003-05-01002605051013,43803120 根据要求
23003-05-01002605061013,43803120 根据要求
23003-05-01002606061013,43803120 根据要求
23003-05-0150260505151,587505915 根据要求
23003-05-0150260506151,587505915 根据要求
23003-05-0150260508151,587505915 根据要求
23003-05-0150260606151,587505915 根据要求
23003-05-0150260608151,587505915 根据要求
23003-05-0150260808151,587505915 根据要求
23003-05-02003806062022713002111 根据要求
23003-05-02003806082022713002111 根据要求
23003-05-02003806102022713002111 根据要求
23003-05-02003808082022713002111 根据要求
23003-05-02003808102022713002111 根据要求
23003-05-02003810102022713002111 根据要求
23003-05-0450411010454,5100650016832 根据要求
23003-05-0450411012454,5100650016832 根据要求
23003-05-0450411014454,5100650016832 根据要求
23003-05-0450411212454,5100650016832 根据要求
23003-05-0450411214454,5100650016832 根据要求
23003-05-0450411414454,5100650016832 根据要求
23003-05-100047121210010233810012027 根据要求
23003-05-100047121510010233810012027 根据要求
23003-05-100047121910010233810012027 根据要求
23003-05-100047151510010233810012027 根据要求
23003-05-100047151910010233810012027 根据要求
23003-05-100047191910010233810012027 根据要求
订货号

最大轴偏差
径向
(mm)
最大轴偏差
轴向
(mm)
最大
角度偏差
(°)
最高转速
r/min
AC
(ISO 4029)
D1
(H7)
CAD配件价格订购
23003-05-00502503030,150,31,5150005,2M23 根据要求
23003-05-00502504040,150,31,5150005,2M24 根据要求
23003-05-00502505050,150,31,5150005,2M25 根据要求
23003-05-00502506060,150,31,5150005,2M26 根据要求
23003-05-01002603030,150,31,5150005,2M23 根据要求
23003-05-01002603050,150,31,5150005,2M23 根据要求
23003-05-01002605050,150,31,5150005,2M25 根据要求
23003-05-01002605060,150,31,5150005,2M25 根据要求
23003-05-01002606060,150,31,5150005,2M26 根据要求
23003-05-01502605050,10,31,5150007M2,55 根据要求
23003-05-01502605060,10,31,5150007M2,55 根据要求
23003-05-01502605080,10,31,5150007M2,55 根据要求
23003-05-01502606060,10,31,5150007M2,56 根据要求
23003-05-01502606080,10,31,5150007M2,56 根据要求
23003-05-01502608080,10,31,5150007M2,58 根据要求
23003-05-02003806060,20,41,5150009M36 根据要求
23003-05-02003806080,20,41,5150009M36 根据要求
23003-05-02003806100,20,41,5150009M36 根据要求
23003-05-02003808080,20,41,5150009M38 根据要求
23003-05-02003808100,20,41,5150009M38 根据要求
23003-05-02003810100,20,41,5150009M310 根据要求
23003-05-04504110100,10,31,51500012M410 根据要求
23003-05-04504110120,10,31,51500012M410 根据要求
23003-05-04504110140,10,31,51500012M410 根据要求
23003-05-04504112120,10,31,51500012M412 根据要求
23003-05-04504112140,10,31,51500012M412 根据要求
23003-05-04504114140,10,31,51500012M414 根据要求
23003-05-10004712120,150,41,51500015,5M412 根据要求
23003-05-10004712150,150,41,51500015,5M412 根据要求
23003-05-10004712190,150,41,51500015,5M412 根据要求
23003-05-10004715150,150,41,51500015,5M415 根据要求
23003-05-10004715190,150,41,51500015,5M415 根据要求
23003-05-10004719190,150,41,51500015,5M419 根据要求
订货号

D2
(H7)
D1/D2
min.
D1/D2
max.
D1/D2
最大值
带键槽
D4LL2L3R安装螺栓
锁紧扭矩
Nm
CAD配件价格订购
23003-05-0050250303338815,5252,5717,50,43 根据要求
23003-05-0050250404438815,5252,5717,50,43 根据要求
23003-05-0050250505538815,5252,5717,50,43 根据要求
23003-05-0050250606638815,5252,5717,50,43 根据要求
23003-05-0100260303338815,5262,5717,50,43 根据要求
23003-05-0100260305538815,5262,5717,50,43 根据要求
23003-05-0100260505538815,5262,5717,50,43 根据要求
23003-05-0100260506638815,5262,5717,50,43 根据要求
23003-05-0100260606638815,5262,5717,50,43 根据要求
23003-05-0150260505531010202638,5210,85 根据要求
23003-05-0150260506631010202638,5210,85 根据要求
23003-05-0150260508831010202638,5210,85 根据要求
23003-05-0150260606631010202638,5210,85 根据要求
23003-05-0150260608831010202638,5210,85 根据要求
23003-05-0150260808831010202638,5210,85 根据要求
23003-05-020038060663141425383,511272 根据要求
23003-05-020038060883141425383,511272 根据要求
23003-05-0200380610103141425383,511272 根据要求
23003-05-020038080883141425383,511272 根据要求
23003-05-0200380810103141425383,511272 根据要求
23003-05-0200381010103141425383,511272 根据要求
23003-05-0450411010106181832,541513343,5 根据要求
23003-05-0450411012126181832,541513343,5 根据要求
23003-05-0450411014146181832,541513343,5 根据要求
23003-05-0450411212126181832,541513343,5 根据要求
23003-05-0450411214146181832,541513343,5 根据要求
23003-05-0450411414146181832,541513343,5 根据要求
23003-05-1000471212126252540,547513,541,54,5 根据要求
23003-05-1000471215156252540,547513,541,54,5 根据要求
23003-05-1000471219196252540,547513,541,54,5 根据要求
23003-05-1000471515156252540,547513,541,54,5 根据要求
23003-05-1000471519196252540,547513,541,54,5 根据要求
23003-05-1000471919196252540,547513,541,54,5 根据要求
我的 norelemE-Mail密码
购物车
商品数量: 0
总数: 0.00  
点击购物车
欢迎扫描二维码
咨询诺瑞朗官方客服微信
中国
苏ICP备20011289号-1  苏公网安备32058502011222 网页地图 打印 推荐 Top
Copyright © 2025 norelem. 保留所有权利。 电话 +49 71 45/206-44 至 45 · 传真 +49 71 45/206-83