|
|
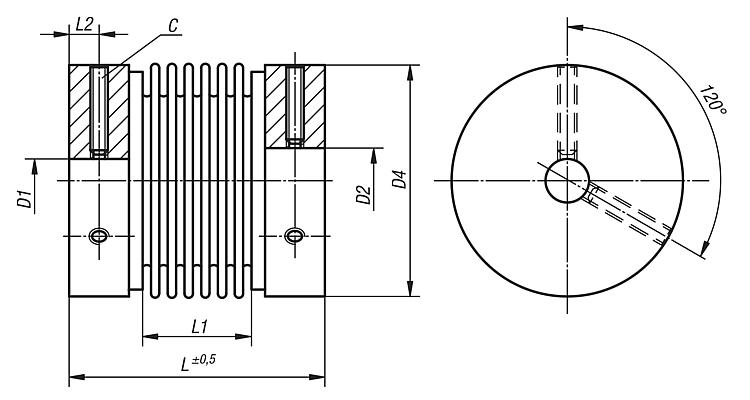
产品说明材料:铝制套筒,不锈钢制波纹管。规格:亮色。提示:对于带径向夹紧套筒(23000)的金属螺纹管联轴器,借助螺纹销夹紧套筒是一种成本较低的可选方案。螺纹销夹紧套筒即使在难以接近的安装空间,也可实现快速安装并显著简化安装工作。注意螺纹销的所需拧紧扭矩。为简化拆卸工作,我们建议为轴配备一个平面。温度范围:-20 °C 至 +90 °C。装配:选择连接轴颈至套筒孔为过渡配合。间隙应介于最小 0.01mm 和最大 0.04mm 之间,例如 轴 Ø 5 k6 孔 Ø 5 G7。 直径可小于 D 最小值,但无法确保联轴器额定扭矩的安全传输。 由于金属波纹管由较薄不锈钢板制成,在安装和拆卸时需要特别小心。波纹管的损坏可能导致联轴器无法使用。根据要求:套筒孔 D1 和 D2 分别具有不同公差等级。特点: 下载此处为收集信息的 PDF:
查找 CAD 数据?请直接在产品列表中查找。
|
| 订货号 | 尺寸 | 额定扭矩 Nm | 惯量 (10⁻³ kgm²) | 抗扭刚度 (10⁻³Nm/arcmin) | 最大 轴向偏差 ± | 最大 径向偏差 | 轴向 弹簧刚度 N/mm | 径向 弹簧刚度 N/mm | CAD | 配件 | 价格 | 订购 |
|---|
| 23002-0004 | 0,4 | 0,4 | 0,00019 | 50 | 0,35 | 0,1 | 10 | 15 |  | | 根据要求 | | | 23002-0005 | 0,9 | 0,9 | 0,00019 | 90 | 0,3 | 0,1 | 21 | 26 |  | | 根据要求 | | | 23002-0020 | 2 | 2 | 0,0029 | 230 | 0,5 | 0,1 | 15 | 15 |  | | 根据要求 | | | 23002-0040 | 4 | 4 | 0,0032 | 460 | 0,4 | 0,1 | 35 | 65 |  | | 根据要求 | | | 23002-0060 | 6 | 6 | 0,016 | 1100 | 0,6 | 0,25 | 45 | 60 |  | | 根据要求 | | | 23002-0080 | 8 | 9 | 0,028 | 1300 | 0,8 | 0,25 | 16 | 24 |  | | 根据要求 | |
| 订货号 | 安装螺栓 锁紧扭矩 Nm | D1/D2 预钻孔 | D1/D2 min. | D1/D2 max. | D4 | C (DIN 916) | L | L1 | L2 | CAD | 配件 | 价格 | 订购 |
|---|
| 23002-0004 | 1 | 3 | 3 | 8 | 16 | M3 | 26 | 12 | 2,3 |  | | 根据要求 | | | 23002-0005 | 1 | 3 | 3 | 8 | 16 | M3 | 27 | 13 | 2,3 |  | | 根据要求 | | | 23002-0020 | 4 | 5 | 5 | 15 | 25 | M4 | 38 | 16 | 3,5 |  | | 根据要求 | | | 23002-0040 | 4 | 5 | 5 | 15 | 25 | M4 | 39 | 17 | 3,5 |  | | 根据要求 | | | 23002-0060 | 8 | 6 | 6 | 20 | 35 | M5 | 54 | 29 | 4,3 |  | | 根据要求 | | | 23002-0080 | 10 | 6 | 6 | 26 | 41 | M6 | 54 | 26 | 5 |  | | 根据要求 | |
|
|