norelem 使用 Cookies 以优化设计和持续改进网页。您通过继续使用网页,同意使用 Cookies。在我们的数据保护声明中可以找到有关 Cookies 主题的详细信息。同意
微型金属波纹管联轴器 带夹紧套筒,不锈钢制
23003-06

微型金属波纹管联轴器 带夹紧套筒,不锈钢制

返回

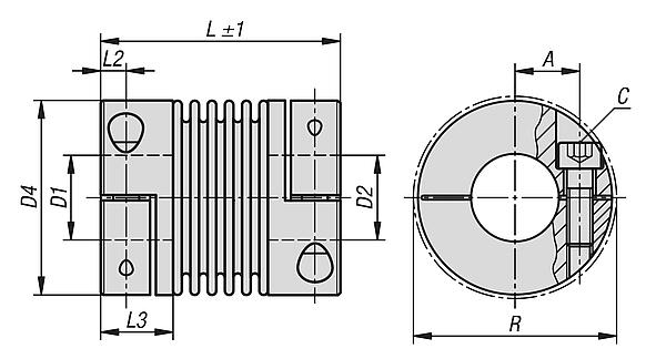
商品描述/产品说明

产品说明材料:不锈钢套筒。
不锈钢波纹管。
规格:亮色。提示:具有高扭转强度的微型无空隙金属波纹管联轴器。金属波纹管以较低的恢复力补偿轴向、径向和角向轴偏移。带有用于轴安装的夹紧套筒。

它们优先用于需要精确位置和运动传输的情况,如高动态定位和伺服系统、编码器、转速计、电位计。
温度范围:-30 °C 至 +120 °C。装配:金属波纹管联轴器采用 H7 配合。建议配合间隙为 0.02 mm - 0.05 mm。这种配合间隙和轴颈的润滑有助于组装和拆卸。

在组装和拆卸过程中,金属波纹管的变形最多可以比目录中规定的允许位移值高 3 倍。避免施加任何力。
根据要求:所需的套筒孔 D1 和 D2 分别具有公差等级或公差范围。
键槽符合 DIN 6885 标准。请注意键槽的最大孔径。
特点:
不锈钢
下载此处为收集信息的 PDF:

查找 CAD 数据?请直接在产品列表中查找。
 Datasheet 23003-06 微型金属波纹管联轴器 带夹紧套筒,不锈钢制 308 kB
 联轴器的技术说明 2,5 MB

图纸

微型金属波纹管联轴器 带夹紧套筒,不锈钢制

商品选择/筛选

订货号

尺寸额定扭矩
Nm
惯性力矩
(gcm2)
扭转刚度
Nm/rad
弹簧刚度
径向
(N/mm)
弹簧刚度
轴向
(N/mm)
CAD配件价格订购
23003-06-005025030350,56,22001810 根据要求
23003-06-005025040450,56,22001810 根据要求
23003-06-005025050550,56,22001810 根据要求
23003-06-005025060650,56,22001810 根据要求
23003-06-01002603031017,53803120 根据要求
23003-06-01002603051017,53803120 根据要求
23003-06-01002605051017,53803120 根据要求
23003-06-01002605061017,53803120 根据要求
23003-06-01002606061017,53803120 根据要求
23003-06-0150260505151,5187505915 根据要求
23003-06-0150260506151,5187505915 根据要求
23003-06-0150260508151,5187505915 根据要求
23003-06-0150260606151,5187505915 根据要求
23003-06-0150260608151,5187505915 根据要求
23003-06-0150260808151,5187505915 根据要求
23003-06-02003806062026013002111 根据要求
23003-06-02003806082026013002111 根据要求
23003-06-02003806102026013002111 根据要求
23003-06-02003808082026013002111 根据要求
23003-06-02003808102026013002111 根据要求
23003-06-02003810102026013002111 根据要求
23003-06-0450411010454,5220650016832 根据要求
23003-06-0450411012454,5220650016832 根据要求
23003-06-0450411014454,5220650016832 根据要求
23003-06-0450411212454,5220650016832 根据要求
23003-06-0450411214454,5220650016832 根据要求
23003-06-0450411414454,5220650016832 根据要求
23003-06-100047121210010513810012027 根据要求
23003-06-100047121510010513810012027 根据要求
23003-06-100047121910010513810012027 根据要求
23003-06-100047151510010513810012027 根据要求
23003-06-100047151910010513810012027 根据要求
23003-06-100047191910010513810012027 根据要求
订货号

最大轴偏差
径向
(mm)
最大轴偏差
轴向
(mm)
最大
角度偏差
(°)
最高转速
r/min
AC
(ISO 4029)
D1
(H7)
D2
(H7)
CAD配件价格订购
23003-06-00502503030,150,31,5150005,2M233 根据要求
23003-06-00502504040,150,31,5150005,2M244 根据要求
23003-06-00502505050,150,31,5150005,2M255 根据要求
23003-06-00502506060,150,31,5150005,2M266 根据要求
23003-06-01002603030,150,31,5150005,2M233 根据要求
23003-06-01002603050,150,31,5150005,2M235 根据要求
23003-06-01002605050,150,31,5150005,2M255 根据要求
23003-06-01002605060,150,31,5150005,2M256 根据要求
23003-06-01002606060,150,31,5150005,2M266 根据要求
23003-06-01502605050,10,31,5150007M2,555 根据要求
23003-06-01502605060,10,31,5150007M2,556 根据要求
23003-06-01502605080,10,31,5150007M2,558 根据要求
23003-06-01502606060,10,31,5150007M2,566 根据要求
23003-06-01502606080,10,31,5150007M2,568 根据要求
23003-06-01502608080,10,31,5150007M2,588 根据要求
23003-06-02003806060,20,41,5150009M366 根据要求
23003-06-02003806080,20,41,5150009M368 根据要求
23003-06-02003806100,20,41,5150009M3610 根据要求
23003-06-02003808080,20,41,5150009M388 根据要求
23003-06-02003808100,20,41,5150009M3810 根据要求
23003-06-02003810100,20,41,5150009M31010 根据要求
23003-06-04504110100,10,31,51500012M41010 根据要求
23003-06-04504110120,10,31,51500012M41012 根据要求
23003-06-04504110140,10,31,51500012M41014 根据要求
23003-06-04504112120,10,31,51500012M41212 根据要求
23003-06-04504112140,10,31,51500012M41214 根据要求
23003-06-04504114140,10,31,51500012M41414 根据要求
23003-06-10004712120,150,41,51500015,5M41212 根据要求
23003-06-10004712150,150,41,51500015,5M41215 根据要求
23003-06-10004712190,150,41,51500015,5M41219 根据要求
23003-06-10004715150,150,41,51500015,5M41515 根据要求
23003-06-10004715190,150,41,51500015,5M41519 根据要求
23003-06-10004719190,150,41,51500015,5M41919 根据要求
订货号

D1/D2
min.
D1/D2
max.
D1/D2
最大值
带键槽
D4LL2L3R安装螺栓
锁紧扭矩
Nm
CAD配件价格订购
23003-06-005025030338815,5252,5717,50,43 根据要求
23003-06-005025040438815,5252,5717,50,43 根据要求
23003-06-005025050538815,5252,5717,50,43 根据要求
23003-06-005025060638815,5252,5717,50,43 根据要求
23003-06-010026030338815,5262,5717,50,43 根据要求
23003-06-010026030538815,5262,5717,50,43 根据要求
23003-06-010026050538815,5262,5717,50,43 根据要求
23003-06-010026050638815,5262,5717,50,43 根据要求
23003-06-010026060638815,5262,5717,50,43 根据要求
23003-06-015026050531010202638,5210,85 根据要求
23003-06-015026050631010202638,5210,85 根据要求
23003-06-015026050831010202638,5210,85 根据要求
23003-06-015026060631010202638,5210,85 根据要求
23003-06-015026060831010202638,5210,85 根据要求
23003-06-015026080831010202638,5210,85 根据要求
23003-06-02003806063141425383,511272 根据要求
23003-06-02003806083141425383,511272 根据要求
23003-06-02003806103141425383,511272 根据要求
23003-06-02003808083141425383,511272 根据要求
23003-06-02003808103141425383,511272 根据要求
23003-06-02003810103141425383,511272 根据要求
23003-06-04504110106181832,541513343,5 根据要求
23003-06-04504110126181832,541513343,5 根据要求
23003-06-04504110146181832,541513343,5 根据要求
23003-06-04504112126181832,541513343,5 根据要求
23003-06-04504112146181832,541513343,5 根据要求
23003-06-04504114146181832,541513343,5 根据要求
23003-06-10004712126252540,547513,541,54,5 根据要求
23003-06-10004712156252540,547513,541,54,5 根据要求
23003-06-10004712196252540,547513,541,54,5 根据要求
23003-06-10004715156252540,547513,541,54,5 根据要求
23003-06-10004715196252540,547513,541,54,5 根据要求
23003-06-10004719196252540,547513,541,54,5 根据要求
我的 norelemE-Mail密码
购物车
商品数量: 0
总数: 0.00  
点击购物车
欢迎扫描二维码
咨询诺瑞朗官方客服微信
中国
苏ICP备20011289号-1  苏公网安备32058502011222 网页地图 打印 推荐 Top
Copyright © 2025 norelem. 保留所有权利。 电话 +49 71 45/206-44 至 45 · 传真 +49 71 45/206-83