norelem 使用 Cookies 以优化设计和持续改进网页。您通过继续使用网页,同意使用 Cookies。在我们的数据保护声明中可以找到有关 Cookies 主题的详细信息。同意
金属波纹管联轴器,短款设计 带可拆卸夹紧套筒
23001-08

金属波纹管联轴器,短款设计 带可拆卸夹紧套筒

返回

商品描述/产品说明

产品说明材料:铝制套筒。
不锈钢波纹管。
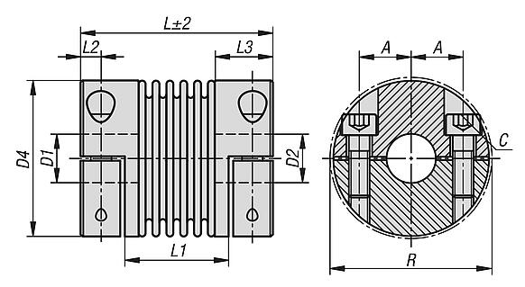
规格:亮色。提示:具有高扭转强度的金属波纹管联轴器。金属波纹管以较低的恢复力补偿轴向、径向和角向轴偏移。带有用于轴安装的夹紧套筒。

它们优先用于需要精确位置和运动传输的情况,如机床、包装机、木工机床和自动化技术中的伺服电机。
温度范围:-30 °C 至 +120 °C。装配:金属波纹管联轴器采用 H7 配合。建议配合间隙为 0.02 mm - 0.05 mm。这种配合间隙和轴颈的润滑有助于组装和拆卸。

在组装和拆卸过程中,金属波纹管的变形最多可以比目录中规定的允许位移值高 3 倍。避免施加任何力。
根据要求:所需的套筒孔 D1 和 D2 分别具有公差等级或公差范围。
键槽符合 DIN 6885 标准。请注意键槽的最大孔径。
下载此处为收集信息的 PDF:

查找 CAD 数据?请直接在产品列表中查找。
 Datasheet 23001-08 金属波纹管联轴器,短款设计 带可拆卸夹紧套筒 348 kB
 联轴器的技术说明 2,5 MB

图纸

金属波纹管联轴器,短款设计 带可拆卸夹紧套筒

商品选择/筛选

订货号

尺寸额定扭矩
Nm
惯性矩
(gm²)
扭转刚度
(10³ Nm/rad)
弹簧刚度
径向
(N/mm)
弹簧刚度
轴向
(N/mm)
CAD配件价格订购
23001-08-018058101018180,032020550 根据要求
23001-08-018058111118180,032020550 根据要求
23001-08-018058121218180,032020550 根据要求
23001-08-018058141418180,032020550 根据要求
23001-08-018058191918180,032020550 根据要求
23001-08-018058242418180,032020550 根据要求
23001-08-018058252518180,032020550 根据要求
23001-08-030058101030300,133872050 根据要求
23001-08-030058111130300,133872050 根据要求
23001-08-030058121230300,133872050 根据要求
23001-08-030058141430300,133872050 根据要求
23001-08-030058191930300,133872050 根据要求
23001-08-030058242430300,133872050 根据要求
23001-08-030058252530300,133872050 根据要求
23001-08-060067121260600,2875115090 根据要求
23001-08-060067141460600,2875115090 根据要求
23001-08-060067191960600,2875115090 根据要求
23001-08-060067242460600,2875115090 根据要求
23001-08-060067252560600,2875115090 根据要求
23001-08-060067282860600,2875115090 根据要求
23001-08-060067323260600,2875115090 根据要求
23001-08-080078121280800,78128120080 根据要求
23001-08-080078191980800,78128120080 根据要求
23001-08-080078242480800,78128120080 根据要求
23001-08-080078252580800,78128120080 根据要求
23001-08-080078282880800,78128120080 根据要求
23001-08-080078323280800,78128120080 根据要求
23001-08-15007814141501500,821552020280 根据要求
23001-08-15007819191501500,821552020280 根据要求
23001-08-15007824241501500,821552020280 根据要求
23001-08-15007825251501500,821552020280 根据要求
23001-08-15007828281501500,821552020280 根据要求
23001-08-15007832321501500,821552020280 根据要求
23001-08-20008316162002001,191752500280 根据要求
23001-08-20008319192002001,191752500280 根据要求
23001-08-20008324242002001,191752500280 根据要求
23001-08-20008325252002001,191752500280 根据要求
23001-08-20008328282002001,191752500280 根据要求
23001-08-20008332322002001,191752500280 根据要求
23001-08-30009420203003002,745026300287 根据要求
23001-08-30009424243003002,745026300287 根据要求
23001-08-30009428283003002,745026300287 根据要求
23001-08-30009438383003002,745026300287 根据要求
23001-08-50010025255005004,456907790100 根据要求
23001-08-50010038385005004,456907790100 根据要求
23001-08-50010042425005004,456907790100 根据要求
订货号

最大轴偏差
径向
(mm)
最大轴偏差
轴向
(mm)
最大
角度偏差
(°)
最高转速
r/min
AC
(ISO 4029)
D1
(H7)
D2
(H7)
CAD配件价格订购
23001-08-01805810100,20,51,51280017M51010 根据要求
23001-08-01805811110,20,51,51280017M51111 根据要求
23001-08-01805812120,20,51,51280017M51212 根据要求
23001-08-01805814140,20,51,51280017M51414 根据要求
23001-08-01805819190,20,51,51280017M51919 根据要求
23001-08-01805824240,20,51,51280017M52424 根据要求
23001-08-01805825250,20,51,51280017M52525 根据要求
23001-08-03005810100,150,61,51030020M61010 根据要求
23001-08-03005811110,150,61,51030020M61111 根据要求
23001-08-03005812120,150,61,51030020M61212 根据要求
23001-08-03005814140,150,61,51030020M61414 根据要求
23001-08-03005819190,150,61,51030020M61919 根据要求
23001-08-03005824240,150,61,51030020M62424 根据要求
23001-08-03005825250,150,61,51030020M62525 根据要求
23001-08-06006712120,150,61,5870023M81212 根据要求
23001-08-06006714140,150,61,5870023M81414 根据要求
23001-08-06006719190,150,61,5870023M81919 根据要求
23001-08-06006724240,150,61,5870023M82424 根据要求
23001-08-06006725250,150,61,5870023M82525 根据要求
23001-08-06006728280,150,61,5870023M82828 根据要求
23001-08-06006732320,150,61,5870023M83232 根据要求
23001-08-08007812120,20,51,5690028M101212 根据要求
23001-08-08007819190,20,51,5690028M101919 根据要求
23001-08-08007824240,20,51,5690028M102424 根据要求
23001-08-08007825250,20,51,5690028M102525 根据要求
23001-08-08007828280,20,51,5690028M102828 根据要求
23001-08-08007832320,20,51,5690028M103232 根据要求
23001-08-15007814140,20,51,5690028M101414 根据要求
23001-08-15007819190,20,51,5690028M101919 根据要求
23001-08-15007824240,20,51,5690028M102424 根据要求
23001-08-15007825250,20,51,5690028M102525 根据要求
23001-08-15007828280,20,51,5690028M102828 根据要求
23001-08-15007832320,20,51,5690028M103232 根据要求
23001-08-20008316160,20,51,5640031M121616 根据要求
23001-08-20008319190,20,51,5640031M121919 根据要求
23001-08-20008324240,20,51,5640031M122424 根据要求
23001-08-20008325250,20,51,5640031M122525 根据要求
23001-08-20008328280,20,51,5640031M122828 根据要求
23001-08-20008332320,20,51,5640031M123232 根据要求
23001-08-30009420200,20,51,5600040M122020 根据要求
23001-08-30009424240,20,51,5600040M122424 根据要求
23001-08-30009428280,20,51,5600040M122828 根据要求
23001-08-30009438380,20,51,5600040M123838 根据要求
23001-08-50010025250,20,51,5500042M122525 根据要求
23001-08-50010038380,20,51,5500042M123838 根据要求
23001-08-50010042420,20,51,5500042M124242 根据要求
订货号

D1/D2
min.
D1/D2
max.
D1/D2
最大值
带键槽
D4LL1L2L3R安装螺栓
锁紧扭矩
Nm
CAD配件价格订购
23001-08-01805810101025,425,44558365,517,547,48 根据要求
23001-08-01805811111025,425,44558365,517,547,48 根据要求
23001-08-01805812121025,425,44558365,517,547,48 根据要求
23001-08-01805814141025,425,44558365,517,547,48 根据要求
23001-08-01805819191025,425,44558365,517,547,48 根据要求
23001-08-01805824241025,425,44558365,517,547,48 根据要求
23001-08-01805825251025,425,44558365,517,547,48 根据要求
23001-08-03005810101032305658317,32156,415 根据要求
23001-08-03005811111032305658317,32156,415 根据要求
23001-08-03005812121032305658317,32156,415 根据要求
23001-08-03005814141032305658317,32156,415 根据要求
23001-08-03005819191032305658317,32156,415 根据要求
23001-08-03005824241032305658317,32156,415 根据要求
23001-08-03005825251032305658317,32156,415 根据要求
23001-08-06006712121235356667338,62466,240 根据要求
23001-08-06006714141235356667338,62466,240 根据要求
23001-08-06006719191235356667338,62466,240 根据要求
23001-08-06006724241235356667338,62466,240 根据要求
23001-08-06006725251235356667338,62466,240 根据要求
23001-08-06006728281235356667338,62466,240 根据要求
23001-08-06006732321235356667338,62466,240 根据要求
23001-08-08007812121244448278429,82782,984 根据要求
23001-08-08007819191244448278429,82782,984 根据要求
23001-08-08007824241244448278429,82782,984 根据要求
23001-08-08007825251244448278429,82782,984 根据要求
23001-08-08007828281244448278429,82782,984 根据要求
23001-08-08007832321244448278429,82782,984 根据要求
23001-08-15007814141444448278429,82782,984 根据要求
23001-08-15007819191444448278429,82782,984 根据要求
23001-08-15007824241444448278429,82782,984 根据要求
23001-08-15007825251444448278429,82782,984 根据要求
23001-08-15007828281444448278429,82782,984 根据要求
23001-08-15007832321444448278429,82782,984 根据要求
23001-08-200083161616474790834310,82990,8125 根据要求
23001-08-200083191916474790834310,82990,8125 根据要求
23001-08-200083242416474790834310,82990,8125 根据要求
23001-08-200083252516474790834310,82990,8125 根据要求
23001-08-200083282816474790834310,82990,8125 根据要求
23001-08-200083323216474790834310,82990,8125 根据要求
23001-08-3000942020206060110945011,832,5110145 根据要求
23001-08-3000942424206060110945011,832,5110145 根据要求
23001-08-3000942828206060110945011,832,5110145 根据要求
23001-08-3000943838206060110945011,832,5110145 根据要求
23001-08-50010025252570701221004813,336122145 根据要求
23001-08-50010038382570701221004813,336122145 根据要求
23001-08-50010042422570701221004813,336122145 根据要求
我的 norelemE-Mail密码
购物车
商品数量: 0
总数: 0.00  
点击购物车
欢迎扫描二维码
咨询诺瑞朗官方客服微信
中国
苏ICP备20011289号-1  苏公网安备32058502011222 网页地图 打印 推荐 Top
Copyright © 2025 norelem. 保留所有权利。 电话 +49 71 45/206-44 至 45 · 传真 +49 71 45/206-83