norelem 使用 Cookies 以优化设计和持续改进网页。您通过继续使用网页,同意使用 Cookies。在我们的数据保护声明中可以找到有关 Cookies 主题的详细信息。同意
金属波纹管联轴器 带夹紧套筒,不锈钢制
23001-01

金属波纹管联轴器 带夹紧套筒,不锈钢制

返回

商品描述/产品说明

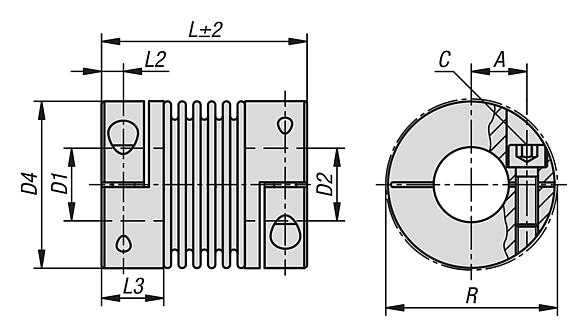
产品说明材料:不锈钢套筒。
不锈钢波纹管。
规格:亮色。提示:具有高扭转强度的金属波纹管联轴器。金属波纹管以较低的恢复力补偿轴向、径向和角向轴偏移。带有用于轴安装的夹紧套筒。

它们优先用于需要精确位置和运动传输的情况,如机床、包装机、木工机床和自动化技术中的伺服电机。
温度范围:-30 °C 至 +120 °C。装配:金属波纹管联轴器采用 H7 配合。建议配合间隙为 0.02 mm - 0.05 mm。这种配合间隙和轴颈的润滑有助于组装和拆卸。

在组装和拆卸过程中,金属波纹管的变形最多可以比目录中规定的允许位移值高 3 倍。避免施加任何力。
根据要求:所需的套筒孔 D1 和 D2 分别具有公差等级或公差范围。
键槽符合 DIN 6885 标准。请注意键槽的最大孔径。
特点:
不锈钢
下载此处为收集信息的 PDF:

查找 CAD 数据?请直接在产品列表中查找。
 Datasheet 23001-01 金属波纹管联轴器 带夹紧套筒,不锈钢制 297 kB
 联轴器的技术说明 2,5 MB

图纸

金属波纹管联轴器 带夹紧套筒,不锈钢制

商品选择/筛选

订货号

尺寸额定扭矩
Nm
惯性矩
(gm²)
扭转刚度
(10³ Nm/rad)
弹簧刚度
径向
(N/mm)
弹簧刚度
轴向
(N/mm)
CAD配件价格订购
23001-01-018063101018180,112020550 根据要求
23001-01-018063111118180,112020550 根据要求
23001-01-018063121218180,112020550 根据要求
23001-01-018063141418180,112020550 根据要求
23001-01-018063191918180,112020550 根据要求
23001-01-018063242418180,112020550 根据要求
23001-01-018063252518180,112020550 根据要求
23001-01-030065101030300,413872050 根据要求
23001-01-030065111130300,413872050 根据要求
23001-01-030065121230300,413872050 根据要求
23001-01-030065141430300,413872050 根据要求
23001-01-030065191930300,413872050 根据要求
23001-01-030065242430300,413872050 根据要求
23001-01-030065252530300,413872050 根据要求
23001-01-060079121260600,9175115090 根据要求
23001-01-060079141460600,9175115090 根据要求
23001-01-060079191960600,9175115090 根据要求
23001-01-060079242460600,9175115090 根据要求
23001-01-060079252560600,9175115090 根据要求
23001-01-060079282860600,9175115090 根据要求
23001-01-060079323260600,9175115090 根据要求
23001-01-080091141480802128120080 根据要求
23001-01-080091191980802128120080 根据要求
23001-01-080091242480802128120080 根据要求
23001-01-080091252580802128120080 根据要求
23001-01-080091282880802128120080 根据要求
23001-01-080091323280802128120080 根据要求
23001-01-150091191915015021552020280 根据要求
23001-01-150091242415015021552020280 根据要求
23001-01-150091252515015021552020280 根据要求
23001-01-150091282815015021552020280 根据要求
23001-01-150091323215015021552020280 根据要求
23001-01-20010122222002003,31752500280 根据要求
23001-01-20010124242002003,31752500280 根据要求
23001-01-20010125252002003,31752500280 根据要求
23001-01-20010128282002003,31752500280 根据要求
23001-01-20010132322002003,31752500280 根据要求
23001-01-30010530303003007,35026300287 根据要求
23001-01-30010538383003007,35026300287 根据要求
23001-01-500112353550050012,46907790100 根据要求
23001-01-500112424250050012,46907790100 根据要求
订货号

最大轴偏差
径向
(mm)
最大轴偏差
轴向
(mm)
最大
角度偏差
(°)
最高转速
r/min
AC
(ISO 4029)
D1
(H7)
D2
(H7)
CAD配件价格订购
23001-01-01806310100,20,51,51280017M51010 根据要求
23001-01-01806311110,20,51,51280017M51111 根据要求
23001-01-01806312120,20,51,51280017M51212 根据要求
23001-01-01806314140,20,51,51280017M51414 根据要求
23001-01-01806319190,20,51,51280017M51919 根据要求
23001-01-01806324240,20,51,51280017M52424 根据要求
23001-01-01806325250,20,51,51280017M52525 根据要求
23001-01-03006510100,150,61,51030020M61010 根据要求
23001-01-03006511110,150,61,51030020M61111 根据要求
23001-01-03006512120,150,61,51030020M61212 根据要求
23001-01-03006514140,150,61,51030020M61414 根据要求
23001-01-03006519190,150,61,51030020M61919 根据要求
23001-01-03006524240,150,61,51030020M62424 根据要求
23001-01-03006525250,150,61,51030020M62525 根据要求
23001-01-06007912120,150,61,5870023M81212 根据要求
23001-01-06007914140,150,61,5870023M81414 根据要求
23001-01-06007919190,150,61,5870023M81919 根据要求
23001-01-06007924240,150,61,5870023M82424 根据要求
23001-01-06007925250,150,61,5870023M82525 根据要求
23001-01-06007928280,150,61,5870023M82828 根据要求
23001-01-06007932320,150,61,5870023M83232 根据要求
23001-01-08009114140,20,51,5690028M101414 根据要求
23001-01-08009119190,20,51,5690028M101919 根据要求
23001-01-08009124240,20,51,5690028M102424 根据要求
23001-01-08009125250,20,51,5690028M102525 根据要求
23001-01-08009128280,20,51,5690028M102828 根据要求
23001-01-08009132320,20,51,5690028M103232 根据要求
23001-01-15009119190,20,51,5690028M101919 根据要求
23001-01-15009124240,20,51,5690028M102424 根据要求
23001-01-15009125250,20,51,5690028M102525 根据要求
23001-01-15009128280,20,51,5690028M102828 根据要求
23001-01-15009132320,20,51,5690028M103232 根据要求
23001-01-20010122220,20,51,5640031M122222 根据要求
23001-01-20010124240,20,51,5640031M122424 根据要求
23001-01-20010125250,20,51,5640031M122525 根据要求
23001-01-20010128280,20,51,5640031M122828 根据要求
23001-01-20010132320,20,51,5640031M123232 根据要求
23001-01-30010530300,20,51,5600040M123030 根据要求
23001-01-30010538380,20,51,5600040M123838 根据要求
23001-01-50011235350,20,51,5500042M123535 根据要求
23001-01-50011242420,20,51,5500042M124242 根据要求
订货号

D1/D2
min.
D1/D2
max.
D1/D2
最大值
带键槽
D4LL2L3R安装螺栓
锁紧扭矩
Nm
CAD配件价格订购
23001-01-01806310101025,425,445635,519,547,48 根据要求
23001-01-01806311111025,425,445635,519,547,48 根据要求
23001-01-01806312121025,425,445635,519,547,48 根据要求
23001-01-01806314141025,425,445635,519,547,48 根据要求
23001-01-01806319191025,425,445635,519,547,48 根据要求
23001-01-01806324241025,425,445635,519,547,48 根据要求
23001-01-01806325251025,425,445635,519,547,48 根据要求
23001-01-030065101010323056657,524,556,415 根据要求
23001-01-030065111110323056657,524,556,415 根据要求
23001-01-030065121210323056657,524,556,415 根据要求
23001-01-030065141410323056657,524,556,415 根据要求
23001-01-030065191910323056657,524,556,415 根据要求
23001-01-030065242410323056657,524,556,415 根据要求
23001-01-030065252510323056657,524,556,415 根据要求
23001-01-0600791212123535667910296640 根据要求
23001-01-0600791414123535667910296640 根据要求
23001-01-0600791919123535667910296640 根据要求
23001-01-0600792424123535667910296640 根据要求
23001-01-0600792525123535667910296640 根据要求
23001-01-0600792828123535667910296640 根据要求
23001-01-0600793232123535667910296640 根据要求
23001-01-080091141414444482911133,582,984 根据要求
23001-01-080091191914444482911133,582,984 根据要求
23001-01-080091242414444482911133,582,984 根据要求
23001-01-080091252514444482911133,582,984 根据要求
23001-01-080091282814444482911133,582,984 根据要求
23001-01-080091323214444482911133,582,984 根据要求
23001-01-150091191919444482911133,582,984 根据要求
23001-01-150091242419444482911133,582,984 根据要求
23001-01-150091252519444482911133,582,984 根据要求
23001-01-150091282819444482911133,582,984 根据要求
23001-01-150091323219444482911133,582,984 根据要求
23001-01-200101222222474790101133890,8125 根据要求
23001-01-200101242422474790101133890,8125 根据要求
23001-01-200101252522474790101133890,8125 根据要求
23001-01-200101282822474790101133890,8125 根据要求
23001-01-200101323222474790101133890,8125 根据要求
23001-01-30010530303060601101051338110145 根据要求
23001-01-30010538383060601101051338110145 根据要求
23001-01-50011235353570701221121542122145 根据要求
23001-01-50011242423570701221121542122145 根据要求
我的 norelemE-Mail密码
购物车
商品数量: 0
总数: 0.00  
点击购物车
欢迎扫描二维码
咨询诺瑞朗官方客服微信
中国
苏ICP备20011289号-1  苏公网安备32058502011222 网页地图 打印 推荐 Top
Copyright © 2025 norelem. 保留所有权利。 电话 +49 71 45/206-44 至 45 · 传真 +49 71 45/206-83