norelem 使用 Cookies 以优化设计和持续改进网页。您通过继续使用网页,同意使用 Cookies。在我们的数据保护声明中可以找到有关 Cookies 主题的详细信息。同意
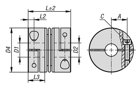
金属波纹管联轴器,短款设计,适用于高扭矩 带夹紧套筒
23001-04

金属波纹管联轴器,短款设计,适用于高扭矩 带夹紧套筒

返回

商品描述/产品说明

产品说明材料:铝制套筒。
不锈钢波纹管。
规格:亮色。提示:具有高扭转强度的金属波纹管联轴器。金属波纹管以较低的恢复力补偿轴向、径向和角向轴偏移。带有用于轴安装的夹紧套筒。

它们优先用于需要精确位置和运动传输的情况,如机床、包装机、木工机床和自动化技术中的伺服电机。

与图纸相反,尺寸 200 只有一个 2 轴金属波纹管。
温度范围:-30 °C 至 +120 °C。装配:金属波纹管联轴器采用 H7 配合。建议配合间隙为 0.02 mm - 0.05 mm。这种配合间隙和轴颈的润滑有助于组装和拆卸。

在组装和拆卸过程中,金属波纹管的变形最多可以比目录中规定的允许位移值高 3 倍。避免施加任何力。
根据要求:所需的套筒孔 D1 和 D2 分别具有公差等级或公差范围。
键槽符合 DIN 6885 标准。请注意键槽的最大孔径。
下载此处为收集信息的 PDF:

查找 CAD 数据?请直接在产品列表中查找。
 Datasheet 23001-04 金属波纹管联轴器,短款设计,适用于高扭矩 带夹紧套筒 295 kB
 联轴器的技术说明 2,5 MB

图纸

金属波纹管联轴器,短款设计,适用于高扭矩 带夹紧套筒

商品选择/筛选

订货号

尺寸额定扭矩
Nm
惯性矩
(gm²)
扭转刚度
(10³ Nm/rad)
弹簧刚度
径向
(N/mm)
弹簧刚度
轴向
(N/mm)
CAD配件价格订购
23001-04-0010035060610100,0089151863 根据要求
23001-04-0010035080810100,0089151863 根据要求
23001-04-0010035101010100,0089151863 根据要求
23001-04-0010035121210100,0089151863 根据要求
23001-04-0010035151510100,0089151863 根据要求
23001-04-0010035181810100,0089151863 根据要求
23001-04-0020039060620200,0215120865 根据要求
23001-04-0020039080820200,0215120865 根据要求
23001-04-0020039101020200,0215120865 根据要求
23001-04-0020039121220200,0215120865 根据要求
23001-04-0020039151520200,0215120865 根据要求
23001-04-0020039181820200,0215120865 根据要求
23001-04-0040046101040400,0435335097 根据要求
23001-04-0040046121240400,0435335097 根据要求
23001-04-0040046151540400,0435335097 根据要求
23001-04-0040046181840400,0435335097 根据要求
23001-04-0040046202040400,0435335097 根据要求
23001-04-0040046242440400,0435335097 根据要求
23001-04-0080055121280800,14536436165 根据要求
23001-04-0080055151580800,14536436165 根据要求
23001-04-0080055181880800,14536436165 根据要求
23001-04-0080055202080800,14536436165 根据要求
23001-04-0080055242480800,14536436165 根据要求
23001-04-0080055282880800,14536436165 根据要求
23001-04-020006016162002000,2813812442287 根据要求
23001-04-020006020202002000,2813812442287 根据要求
23001-04-020006024242002000,2813812442287 根据要求
23001-04-020006028282002000,2813812442287 根据要求
23001-04-040007532324004000,821766815338 根据要求
23001-04-040007538384004000,821766815338 根据要求
23001-04-040007542424004000,821766815338 根据要求
23001-04-065007837376506501,192307910386 根据要求
23001-04-065007838386506501,192307910386 根据要求
23001-04-065007842426506501,192307910386 根据要求
23001-04-10000844242100010002,7457929096756 根据要求
23001-04-15000965050150015004,4569320694639 根据要求
订货号

最大轴偏差
径向
(mm)
最大轴偏差
轴向
(mm)
最大
角度偏差
(°)
最高转速
r/min
AC
(ISO 4029)
CAD配件价格订购
23001-04-001003506060,050,50,51500012M4 根据要求
23001-04-001003508080,050,50,51500012M4 根据要求
23001-04-001003510100,050,50,51500012M4 根据要求
23001-04-001003512120,050,50,51500012M4 根据要求
23001-04-001003515150,050,50,51500012M4 根据要求
23001-04-001003518180,050,50,51500012M4 根据要求
23001-04-002003906060,050,50,51500015,5M4 根据要求
23001-04-002003908080,050,50,51500015,5M4 根据要求
23001-04-002003910100,050,50,51500015,5M4 根据要求
23001-04-002003912120,050,50,51500015,5M4 根据要求
23001-04-002003915150,050,50,51500015,5M4 根据要求
23001-04-002003918180,050,50,51500015,5M4 根据要求
23001-04-004004610100,050,50,51280017M5 根据要求
23001-04-004004612120,050,50,51280017M5 根据要求
23001-04-004004615150,050,50,51280017M5 根据要求
23001-04-004004618180,050,50,51280017M5 根据要求
23001-04-004004620200,050,50,51280017M5 根据要求
23001-04-004004624240,050,50,51280017M5 根据要求
23001-04-008005512120,050,50,51030020M6 根据要求
23001-04-008005515150,050,50,51030020M6 根据要求
23001-04-008005518180,050,50,51030020M6 根据要求
23001-04-008005520200,050,50,51030020M6 根据要求
23001-04-008005524240,050,50,51030020M6 根据要求
23001-04-008005528280,050,50,51030020M6 根据要求
23001-04-020006016160,110,5870023M8 根据要求
23001-04-020006020200,110,5870023M8 根据要求
23001-04-020006024240,110,5870023M8 根据要求
23001-04-020006028280,110,5870023M8 根据要求
23001-04-040007532320,110,5690028M10 根据要求
23001-04-040007538380,110,5690028M10 根据要求
23001-04-040007542420,110,5690028M10 根据要求
23001-04-065007837370,11,51640031M12 根据要求
23001-04-065007838380,11,51640031M12 根据要求
23001-04-065007842420,11,51640031M12 根据要求
23001-04-100008442420,11,51600040M12 根据要求
23001-04-150009650500,11,51500042M12 根据要求
订货号

D1
(H7)
D2
(H7)
D1/D2
min.
D1/D2
max.
D1/D2
最大值
带键槽
D4LL2L3安装螺栓
锁紧扭矩
Nm
CAD配件价格订购
23001-04-00100350606666181832,5355133,5 根据要求
23001-04-00100350808886181832,5355133,5 根据要求
23001-04-0010035101010106181832,5355133,5 根据要求
23001-04-0010035121212126181832,5355133,5 根据要求
23001-04-0010035151515156181832,5355133,5 根据要求
23001-04-0010035181818186181832,5355133,5 根据要求
23001-04-00200390606666252540,539513,54,5 根据要求
23001-04-00200390808886252540,539513,54,5 根据要求
23001-04-0020039101010106252540,539513,54,5 根据要求
23001-04-0020039121212126252540,539513,54,5 根据要求
23001-04-0020039151515156252540,539513,54,5 根据要求
23001-04-0020039181818186252540,539513,54,5 根据要求
23001-04-0040046101010101025,425,445465,517,58 根据要求
23001-04-0040046121212121025,425,445465,517,58 根据要求
23001-04-0040046151515151025,425,445465,517,58 根据要求
23001-04-0040046181818181025,425,445465,517,58 根据要求
23001-04-0040046202020201025,425,445465,517,58 根据要求
23001-04-0040046242424241025,425,445465,517,58 根据要求
23001-04-00800551212121212323056557,32115 根据要求
23001-04-00800551515151512323056557,32115 根据要求
23001-04-00800551818181812323056557,32115 根据要求
23001-04-00800552020202012323056557,32115 根据要求
23001-04-00800552424242412323056557,32115 根据要求
23001-04-00800552828282812323056557,32115 根据要求
23001-04-02000601616161616353566608,62340 根据要求
23001-04-02000602020202016353566608,62340 根据要求
23001-04-02000602424242416353566608,62340 根据要求
23001-04-02000602828282816353566608,62340 根据要求
23001-04-04000753232323232444482759,82784 根据要求
23001-04-04000753838383832444482759,82784 根据要求
23001-04-04000754242424232444482759,82784 根据要求
23001-04-065007837373737374747907810,829125 根据要求
23001-04-065007838383838374747907810,829125 根据要求
23001-04-065007842424242374747907810,829125 根据要求
23001-04-1000084424242424260601108411,832,5145 根据要求
23001-04-1500096505050505070701229613,336145 根据要求
我的 norelemE-Mail密码
购物车
商品数量: 0
总数: 0.00  
点击购物车
欢迎扫描二维码
咨询诺瑞朗官方客服微信
中国
苏ICP备20011289号-1  苏公网安备32058502011222 网页地图 打印 推荐 Top
Copyright © 2025 norelem. 保留所有权利。 电话 +49 71 45/206-44 至 45 · 传真 +49 71 45/206-83