norelem 使用 Cookies 以优化设计和持续改进网页。您通过继续使用网页,同意使用 Cookies。在我们的数据保护声明中可以找到有关 Cookies 主题的详细信息。同意

商品描述/产品说明

产品说明材料:

不锈钢 1.4305。

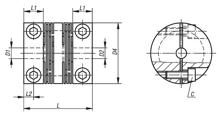
规格:亮色。提示:无间隙、不易扭转、灵活弯曲且免维护的全金属联轴器,用于传输角度同步的旋转运动。创新的开槽结构能够在低恢复力的情况下实现出色的轴向、径向和角向灵活性。非常适合用于伺服电机。配有用于轴紧固的可拆卸夹紧轮毂。温度范围:-50 °C 至 +150 °C。装配:弹簧杆联轴器采用 H7 配合。建议配合间隙为 0.02 mm - 0.05 mm。这种配合间隙和轴颈的润滑有助于组装和拆卸。根据要求:所需的套筒孔 D1 和 D2 分别具有公差等级或公差范围。
键槽符合 DIN 6885 标准。
特点:
不锈钢RoHS
下载此处为收集信息的 PDF:

查找 CAD 数据?请直接在产品列表中查找。
 Datasheet 23012-05 不锈钢弹簧杆联轴器 带可拆卸夹紧轮毂 253 kB
 联轴器的技术说明 2,5 MB

图纸

不锈钢弹簧杆联轴器 带可拆卸夹紧轮毂

商品选择/筛选

订货号

尺寸D1
(H7)
D2
(H7)
D1/D2
min.
D1/D2
max.
D4LL1L2额定扭矩
Nm
扭转刚度
(10³ Nm/rad)
惯性矩
(gm²)
CAD配件价格订购
23012-05-025028081025810612252884161,5580,00631 根据要求
23012-05-02502806062566612252884161,5580,00631 根据要求
23012-05-03004010103010106143040115,5252,5300,01860 根据要求
23012-05-04004815154015156194048115,53611,0080,07580 根据要求
23012-05-050065202050202010265065199,57320,9950,24600 根据要求
23012-05-0250281010251010612252884161,5580,00631 根据要求
23012-05-02502808082588612252884161,5580,00631 根据要求
23012-05-0300400810308106143040115,5252,5300,01860 根据要求
23012-05-04004816164016166194048115,53611,0080,07580 根据要求
23012-05-050065161650161610265065199,57320,9950,24600 根据要求
23012-05-050065101050101010265065199,57320,9950,24600 根据要求
23012-05-030040080830886143040115,5252,5300,01860 根据要求
23012-05-025028061025610612252884161,5580,00631 根据要求
23012-05-0300400610306106143040115,5252,5300,01860 根据要求
23012-05-050065151550151510265065199,57320,9950,24600 根据要求
23012-05-030040060630666143040115,5252,5300,01860 根据要求
23012-05-02502806082568612252884161,5580,00631 根据要求
23012-05-040048060640666194048115,53611,0080,07580 根据要求
23012-05-04004812124012126194048115,53611,0080,07580 根据要求
23012-05-030040060830686143040115,5252,5300,01860 根据要求
23012-05-04004810104010106194048115,53611,0080,07580 根据要求
23012-05-04004810124010126194048115,53611,0080,07580 根据要求
23012-05-050065191950191910265065199,57320,9950,24600 根据要求
23012-05-0600801010601010103060802512,511037,1650,69400 根据要求
23012-05-0600801616601616103060802512,511037,1650,69400 根据要求
23012-05-0600802020602020103060802512,511037,1650,69400 根据要求
23012-05-0600802424602424103060802512,511037,1650,69400 根据要求
23012-05-0700951515701515153570952512,5190196,0241,40700 根据要求
23012-05-0700952020702020153570952512,5190196,0241,40700 根据要求
23012-05-0700953232703232153570952512,5190196,0241,40700 根据要求
订货号最高转速
r/min
最大
角度偏差
(°)
最大轴偏差
轴向
(mm)
最大轴偏差
径向
(mm)
C
(ISO 4029)
安装螺栓
锁紧扭矩
Nm
CAD配件价格订购
23012-05-02502808108000110,1M31,5 根据要求
23012-05-02502806068000110,1M31,5 根据要求
23012-05-0300401010600010,850,1M43,4 根据要求
23012-05-0400481515500010,850,15M57 根据要求
23012-05-050065202050001,50,70,15M614 根据要求
23012-05-02502810108000110,1M31,5 根据要求
23012-05-02502808088000110,1M31,5 根据要求
23012-05-0300400810600010,850,1M43,4 根据要求
23012-05-0400481616500010,850,15M57 根据要求
23012-05-050065161650001,50,70,15M614 根据要求
23012-05-050065101050001,50,70,15M614 根据要求
23012-05-0300400808600010,850,1M43,4 根据要求
23012-05-02502806108000110,1M31,5 根据要求
23012-05-0300400610600010,850,1M43,4 根据要求
23012-05-050065151550001,50,70,15M614 根据要求
23012-05-0300400606600010,850,1M43,4 根据要求
23012-05-02502806088000110,1M31,5 根据要求
23012-05-0400480606500010,850,15M57 根据要求
23012-05-0400481212500010,850,15M57 根据要求
23012-05-0300400608600010,850,1M43,4 根据要求
23012-05-0400481010500010,850,15M57 根据要求
23012-05-0400481012500010,850,15M57 根据要求
23012-05-050065191950001,50,70,15M614 根据要求
23012-05-060080101045001,50,70,15M827 根据要求
23012-05-060080161645001,50,70,15M827 根据要求
23012-05-060080202045001,50,70,15M827 根据要求
23012-05-060080242445001,50,70,15M827 根据要求
23012-05-0700951515400010,330,1M827 根据要求
23012-05-0700952020400010,330,1M827 根据要求
23012-05-0700953232400010,330,1M827 根据要求
我的 norelemE-Mail密码
购物车
商品数量: 0
总数: 0.00  
点击购物车
欢迎扫描二维码
咨询诺瑞朗官方客服微信
中国
苏ICP备20011289号-1  苏公网安备32058502011222 网页地图 打印 推荐 Top
Copyright © 2025 norelem. 保留所有权利。 电话 +49 71 45/206-44 至 45 · 传真 +49 71 45/206-83