|
|
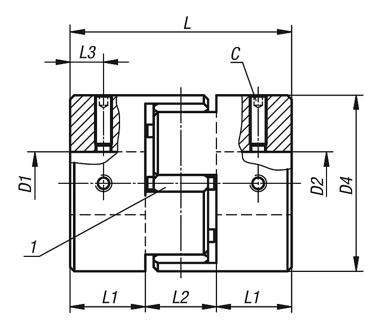
产品说明材料:具有邵氏硬度 98-A 的聚氨酯制联轴器毂,铝制套筒。规格:亮色。提示:对于带径向夹紧套筒(23022)的弹性体爪形联轴器,借助螺纹销夹紧套筒是一种成本较低的可选方案。通过用螺纹销夹紧套筒,可实现短得多的安装时间。 联轴器可在完整组装的状态下安装,或者插接安装。为毂略微上油使安装阻力降至最低。注意螺纹销的所需拧紧扭矩。为简化拆卸工作,我们建议为轴配备一个平面。装配:选择连接轴颈至套筒孔为过渡配合。间隙应介于最小 0.01mm 和最大 0.04mm 之间,例如 轴 Ø 6 f7 孔 Ø 6 H8。 直径可小于 D 最小值,但无法确保联轴器额定扭矩的安全传输。根据要求:套筒孔 D1 和 D2 分别具有不同公差等级。图纸提示:特点: 下载此处为收集信息的 PDF:
查找 CAD 数据?请直接在产品列表中查找。
|
| 订货号 | 尺寸 | 额定扭矩 Nm | 惯量 (10⁻³ kgm²) | 静态 扭曲刚度 Nm/arcmin | 最大 轴向偏差 ± | 最大 径向偏差 | 安装螺栓 锁紧扭矩 Nm | CAD | 配件 | 价格 | 订购 |
|---|
| 23023-0020 | 2 | 2 | 0,00021 | 0,007 | 0,6 | 0,1 | 0,7 |  | | 根据要求 | | | 23023-0050 | 5 | 5 | 0,001 | 0,016 | 0,8 | 0,1 | 0,7 |  | | 根据要求 | | | 23023-0125 | 12,5 | 12,5 | 0,0059 | 0,038 | 1 | 0,1 | 1,7 |  | | 根据要求 | |
订货号 | D1/D2 预钻孔 | D1/D2 min. | D1/D2 max. | D4 | L | L1 | L2 | L3 | C (DIN 916) | CAD | 配件 | 价格 | 订购 |
|---|
| 23023-0020 | 3 | 3 | 6 | 14 | 22 | 7 | 8 | 3,5 | M3 |  | | 根据要求 | | | 23023-0050 | 5 | 5 | 9,53 | 20 | 30 | 10 | 10 | 5 | M3 |  | | 根据要求 | | | 23023-0125 | 8 | 8 | 14 | 30 | 35 | 11 | 13 | 5,5 | M4 |  | | 根据要求 | |
|
|