|
|
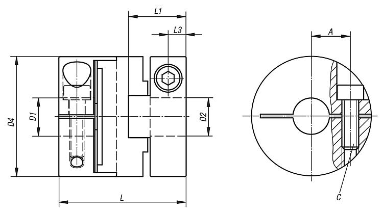
产品说明材料:聚缩醛制十字滑块,铝制套筒。提示:通过径向操纵夹紧套筒,可实现快速安装。联轴器可在完整组装的状态下安装,或者插接安装。注意夹紧螺栓的所需拧紧扭矩。装配:选择连接轴颈至套筒孔为过渡配合。间隙应介于最小 0.01 mm 和最大 0.04 mm 之间,例如 轴 Ø 6 f7 套筒 Ø 6 H8。优点:- 坚固 - 可插拔 - 无间隙 - 较短结构长度根据要求:套筒孔 D1 和 D2 分别具有不同公差等级。 下载此处为收集信息的 PDF:
查找 CAD 数据?请直接在产品列表中查找。
|
| 订货号 | 尺寸 | 额定扭矩 Nm | 转动惯量 (10⁻⁶ kgm²) | 静态 扭曲刚度 Nm/arcmin | 最大 角度偏差 | 最大 径向偏差 | 最高转速 r/min | 安装螺栓 锁紧扭矩 Nm | CAD | 配件 | 价格 | 订购 |
|---|
| 23030-0016 | 16 | 1 | 0,0032 | 0,019 | 2° | 1 | 8000 | 1 |  | | 根据要求 | | | 23030-0020 | 20 | 1,5 | 0,0082 | 0,035 | 2° | 1,5 | 7000 | 1 |  | | 根据要求 | | | 23030-0025 | 25 | 2,5 | 0,026 | 0,058 | 2° | 2 | 6000 | 1,5 |  | | 根据要求 | | | 23030-0032 | 32 | 7 | 0,083 | 0,18 | 2° | 2,5 | 4800 | 2,5 |  | | 根据要求 | |
订货号 | D1/D2 预钻孔 | D1/D2 min. | D1/D2 max. | D4 | A | L | L1 | L3 | C (DIN 912-10.9) | CAD | 配件 | 价格 | 订购 |
|---|
| 23030-0016 | 3 | 3 | 6 | 16 | 5 | 21 | 9,5 | 3 | M2,6 |  | | 根据要求 | | | 23030-0020 | 5 | 5 | 8 | 20 | 6,5 | 22,5 | 10 | 3 | M2,6 |  | | 根据要求 | | | 23030-0025 | 6,35 | 6,35 | 10 | 25 | 8 | 27 | 12 | 4 | M3 |  | | 根据要求 | | | 23030-0032 | 8 | 8 | 14 | 32 | 11 | 35 | 16 | 5 | M4 |  | | 根据要求 | |
|
|