|
|
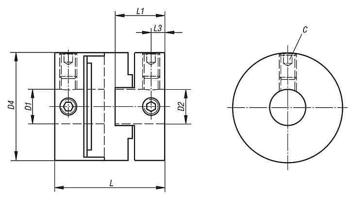
产品说明材料:聚缩醛制十字滑块,铝制套筒。提示:对于带径向夹紧套筒(23030)的十字滑块联轴器,借助螺纹销夹紧套筒是一种成本较低的可选方案。通过用螺纹销夹紧套筒,可实现短得多的安装时间。 联轴器可在完整组装的状态下安装,或者插接安装。注意螺纹销的所需拧紧扭矩。为简化拆卸工作,我们建议为轴配备一个平面。装配:选择连接轴颈至套筒孔为过渡配合。间隙应介于最小 0.01 mm 和最大 0.04 mm 之间,例如 轴 Ø 6 f7 套筒 Ø 6 H8。优点:- 坚固 - 可插拔 - 无间隙 - 较短结构长度根据要求:套筒孔 D1 和 D2 分别具有不同公差等级。特点: 下载此处为收集信息的 PDF:
查找 CAD 数据?请直接在产品列表中查找。
|
| 订货号 | 尺寸 | 额定扭矩 Nm | 惯量 (10⁻³ kgm²) | 静态 扭曲刚度 Nm/arcmin | 最大 角度偏差 | 最大 径向偏差 | 最高转速 r/min | 安装螺栓 锁紧扭矩 Nm | CAD | 配件 | 价格 | 订购 |
|---|
| 23032-0016 | 16 | 1 | 0,0024 | 0,019 | 2° | 1 | 8000 | 1 |  | | 根据要求 | | | 23032-0020 | 20 | 1,5 | 0,081 | 0,035 | 2° | 1,5 | 7000 | 1,7 |  | | 根据要求 | | | 23032-0025 | 25 | 2,5 | 0,018 | 0,058 | 2° | 2 | 6000 | 1,7 |  | | 根据要求 | | | 23032-0032 | 32 | 7 | 0,067 | 0,18 | 2° | 2,5 | 4800 | 4 |  | | 根据要求 | |
订货号 | D1/D2 预钻孔 | D1/D2 min. | D1/D2 max. | D4 | L | L1 | L3 | C (DIN 916) | CAD | 配件 | 价格 | 订购 |
|---|
| 23032-0016 | 4 | 4 | 6,35 | 16 | 18 | 8 | 2,3 | M3 |  | | 根据要求 | | | 23032-0020 | 4 | 4 | 8 | 20 | 20 | 9 | 2,5 | M4 |  | | 根据要求 | | | 23032-0025 | 5 | 5 | 10 | 25 | 25,5 | 11,5 | 3 | M4 |  | | 根据要求 | | | 23032-0032 | 8 | 8 | 14 | 32 | 32 | 14,5 | 4 | M5 |  | | 根据要求 | |
|
|