|
|
|
03090-01Indexing plungers, steel or stainless steel with status sensor... |
go back |
|
|
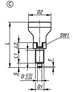
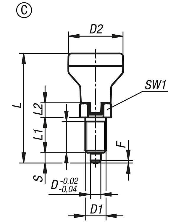
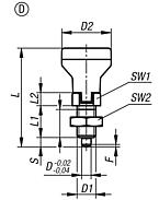
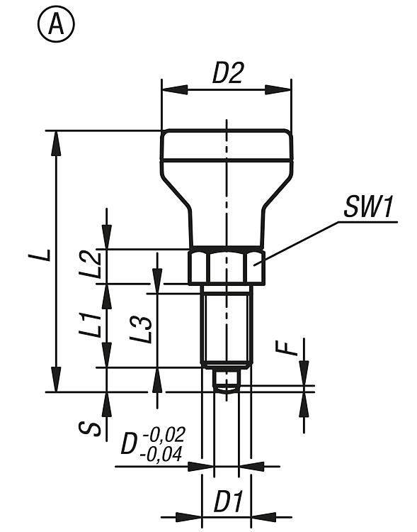
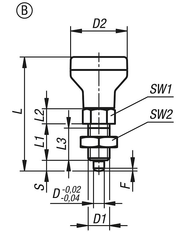
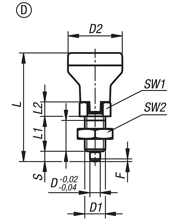
DescriptionProduct description:Indexing plungers are used where any change in locking position due to lateral forces should be prevented. A new indexed position can be only be moved to after the pin has been manually retracted. Form C and D are recommended for applications where the indexing pin should remain disengaged for an extended period and be prevented from springing back.
With indexing plungers with status sensor, the actuation status can be detected and evaluated electronically. Material:Steel version:
Threaded sleeve and indexing pin free-cutting steel.
Stainless-steel version:
Indexing pin hardened:
Threaded sleeve 1.4305.
Indexing pin 1.4034.
Indexing pin not hardened:
Threaded sleeve 1.4305.
Indexing pin 1.4305.
Mushroom knob and cover thermoplastic. Version:Steel version: Threaded sleeve, black oxidised. Indexing pin hardened, ground and black oxidised. Stainless steel version: Threaded sleeve bright. Locking pin hardened, ground and polished. Indexing pin not hardened, ground and bright.
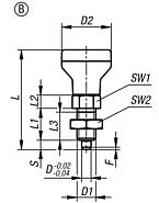
Mushroom knob black-grey RAL 7021. Cap translucent grey.Technical data:See Downloads, Technical Information.Application:Indexing plungers with status sensor allow actuation-dependent process control. It is also possible to ensure that the indexing pin is in the desired actuation status.Advantages:Wireless transfer of actuation status. Laborious cable connections no longer necessary. Intelligent battery management allows long running time No interfering edges.Accessory:85875 GatewaySafety:Indexing plungers with status sensor are not suitable for personnel safety functions.Drawing reference:Form A: non-lockout type, without locknut Form B: non-lockout type, with locknut Form C: lockout type, without locknut Form D: lockout type, with locknut Special features: DownloadHere is all the information as a PDF datasheet:
Are you looking for CAD data? These can be found directly in the product table.
|
Drawings (total overview) |
Indexing plungers, steel or stainless steel with status sensor and plastic mushroom grip |
More information |
| Order No. | Form | Main material | Surface finish body | D | D1 | D2 | Travel S | L | L1 | L2 | L3 | SW1 | Fx30° | Travel S | Spring force initial pressure F1 approx. N | Spring force final pressure F2 approx. N | CAD | Acc. | Price | Order |
|---|
| 03090-01-1105 | A | steel | hardened | 5 | M10x1 | 35 | 5 | 57 | 17 | 7 | 15 | 13 | 1,3 | 5 | 5 | 12 |  | | on request | | | 03090-01-1206 | A | steel | hardened | 6 | M12x1,5 | 35 | 6 | 62 | 20 | 8 | 17 | 14 | 1,8 | 6 | 6 | 14 |  | | on request | | | 03090-01-1308 | A | steel | hardened | 8 | M16x1,5 | 35 | 8 | 76 | 26 | 10 | 23 | 19 | 2,3 | 8 | 15 | 35 |  | | on request | | | 03090-01-1410 | A | steel | hardened | 10 | M20x1,5 | 35 | 10 | 82 | 28 | 12 | 25 | 22 | 2,8 | 10 | 15 | 34 |  | | on request | | | 03090-01-1412 | A | steel | hardened | 12 | M20x1,5 | 35 | 12 | 86 | 28 | 14 | 25 | 22 | 2,8 | 12 | 15 | 39 |  | | on request | | | 03090-01-01105 | A | stainless steel | hardened | 5 | M10x1 | 35 | 5 | 57 | 17 | 7 | 15 | 13 | 1,3 | 5 | 5 | 12 |  | | on request | | | 03090-01-01206 | A | stainless steel | hardened | 6 | M12x1,5 | 35 | 6 | 62 | 20 | 8 | 17 | 14 | 1,8 | 6 | 6 | 14 |  | | on request | | | 03090-01-01308 | A | stainless steel | hardened | 8 | M16x1,5 | 35 | 8 | 76 | 26 | 10 | 23 | 19 | 2,3 | 8 | 15 | 35 |  | | on request | | | 03090-01-01410 | A | stainless steel | hardened | 10 | M20x1,5 | 35 | 10 | 82 | 28 | 12 | 25 | 22 | 2,8 | 10 | 15 | 34 |  | | on request | | | 03090-01-01412 | A | stainless steel | hardened | 12 | M20x1,5 | 35 | 12 | 86 | 28 | 14 | 25 | 22 | 2,8 | 12 | 15 | 39 |  | | on request | | | 03090-01-11105 | A | stainless steel | not hardened | 5 | M10x1 | 35 | 5 | 57 | 17 | 7 | 15 | 13 | 1,3 | 5 | 5 | 12 |  | | on request | | | 03090-01-11206 | A | stainless steel | not hardened | 6 | M12x1,5 | 35 | 6 | 62 | 20 | 8 | 17 | 14 | 1,8 | 6 | 6 | 14 |  | | on request | | | 03090-01-11308 | A | stainless steel | not hardened | 8 | M16x1,5 | 35 | 8 | 76 | 26 | 10 | 23 | 19 | 2,3 | 8 | 15 | 35 |  | | on request | | | 03090-01-11410 | A | stainless steel | not hardened | 10 | M20x1,5 | 35 | 10 | 82 | 28 | 12 | 25 | 22 | 2,8 | 10 | 15 | 34 |  | | on request | | | 03090-01-11412 | A | stainless steel | not hardened | 12 | M20x1,5 | 35 | 12 | 86 | 28 | 14 | 25 | 22 | 2,8 | 12 | 15 | 39 |  | | on request | |
|
Indexing plungers, steel or stainless steel with status sensor, plastic mushroom grip and locknut |
More information |
| Order No. | Form | Main material | Surface finish body | D | D1 | D2 | Travel S | L | L1 | L2 | L3 | SW1 | SW2 | Fx30° | Travel S | Spring force initial pressure F1 approx. N | Spring force final pressure F2 approx. N | CAD | Acc. | Price | Order |
|---|
| 03090-01-2105 | B | steel | hardened | 5 | M10x1 | 35 | 5 | 57 | 17 | 7 | 15 | 13 | 17 | 1,3 | 5 | 5 | 12 |  | | on request | | | 03090-01-2206 | B | steel | hardened | 6 | M12x1,5 | 35 | 6 | 62 | 20 | 8 | 17 | 14 | 19 | 1,8 | 6 | 6 | 14 |  | | on request | | | 03090-01-2308 | B | steel | hardened | 8 | M16x1,5 | 35 | 8 | 76 | 26 | 10 | 23 | 19 | 24 | 2,3 | 8 | 15 | 35 |  | | on request | | | 03090-01-2410 | B | steel | hardened | 10 | M20x1,5 | 35 | 10 | 82 | 28 | 12 | 25 | 22 | 30 | 2,8 | 10 | 15 | 34 |  | | on request | | | 03090-01-2412 | B | steel | hardened | 12 | M20x1,5 | 35 | 12 | 86 | 28 | 14 | 25 | 22 | 30 | 2,8 | 12 | 15 | 39 |  | | on request | | | 03090-01-02105 | B | stainless steel | hardened | 5 | M10x1 | 35 | 5 | 57 | 17 | 7 | 15 | 13 | 17 | 1,3 | 5 | 5 | 12 |  | | on request | | | 03090-01-02206 | B | stainless steel | hardened | 6 | M12x1,5 | 35 | 6 | 62 | 20 | 8 | 17 | 14 | 19 | 1,8 | 6 | 6 | 14 |  | | on request | | | 03090-01-02308 | B | stainless steel | hardened | 8 | M16x1,5 | 35 | 8 | 76 | 26 | 10 | 23 | 19 | 24 | 2,3 | 8 | 15 | 35 |  | | on request | | | 03090-01-02410 | B | stainless steel | hardened | 10 | M20x1,5 | 35 | 10 | 82 | 28 | 12 | 25 | 22 | 30 | 2,8 | 10 | 15 | 34 |  | | on request | | | 03090-01-02412 | B | stainless steel | hardened | 12 | M20x1,5 | 35 | 12 | 86 | 28 | 14 | 25 | 22 | 30 | 2,8 | 12 | 15 | 39 |  | | on request | | | 03090-01-12105 | B | stainless steel | not hardened | 5 | M10x1 | 35 | 5 | 57 | 17 | 7 | 15 | 13 | 17 | 1,3 | 5 | 5 | 12 |  | | on request | | | 03090-01-12206 | B | stainless steel | not hardened | 6 | M12x1,5 | 35 | 6 | 62 | 20 | 8 | 17 | 14 | 19 | 1,8 | 6 | 6 | 14 |  | | on request | | | 03090-01-12308 | B | stainless steel | not hardened | 8 | M16x1,5 | 35 | 8 | 76 | 26 | 10 | 23 | 19 | 24 | 2,3 | 8 | 15 | 35 |  | | on request | | | 03090-01-12410 | B | stainless steel | not hardened | 10 | M20x1,5 | 35 | 10 | 82 | 28 | 12 | 25 | 22 | 30 | 2,8 | 10 | 15 | 34 |  | | on request | | | 03090-01-12412 | B | stainless steel | not hardened | 12 | M20x1,5 | 35 | 12 | 86 | 28 | 14 | 25 | 22 | 30 | 2,8 | 12 | 15 | 39 |  | | on request | |
|
Indexing plungers, steel or stainless steel with status sensor, plastic mushroom grip and locking slot |
More information |
| Order No. | Form | Main material | Surface finish body | D | D1 | D2 | Travel S | L | L1 | L2 | L3 | SW1 | Fx30° | Travel S | Spring force initial pressure F1 approx. N | Spring force final pressure F2 approx. N | CAD | Acc. | Price | Order |
|---|
| 03090-01-3105 | C | steel | hardened | 5 | M10x1 | 35 | 5 | 57 | 17 | 7 | 15 | 13 | 1,3 | 5 | 5 | 12 |  | | on request | | | 03090-01-3206 | C | steel | hardened | 6 | M12x1,5 | 35 | 6 | 62 | 20 | 8 | 17 | 14 | 1,8 | 6 | 6 | 14 |  | | on request | | | 03090-01-3308 | C | steel | hardened | 8 | M16x1,5 | 35 | 8 | 76 | 26 | 10 | 23 | 19 | 2,3 | 8 | 15 | 35 |  | | on request | | | 03090-01-3410 | C | steel | hardened | 10 | M20x1,5 | 35 | 10 | 82 | 28 | 12 | 25 | 22 | 2,8 | 10 | 15 | 34 |  | | on request | | | 03090-01-3412 | C | steel | hardened | 12 | M20x1,5 | 35 | 12 | 86 | 28 | 14 | 25 | 22 | 2,8 | 12 | 15 | 39 |  | | on request | | | 03090-01-03105 | C | stainless steel | hardened | 5 | M10x1 | 35 | 5 | 57 | 17 | 7 | 15 | 13 | 1,3 | 5 | 5 | 12 |  | | on request | | | 03090-01-03206 | C | stainless steel | hardened | 6 | M12x1,5 | 35 | 6 | 62 | 20 | 8 | 17 | 14 | 1,8 | 6 | 6 | 14 |  | | on request | | | 03090-01-03308 | C | stainless steel | hardened | 8 | M16x1,5 | 35 | 8 | 76 | 26 | 10 | 23 | 19 | 2,3 | 8 | 15 | 35 |  | | on request | | | 03090-01-03410 | C | stainless steel | hardened | 10 | M20x1,5 | 35 | 10 | 82 | 28 | 12 | 25 | 22 | 2,8 | 10 | 15 | 34 |  | | on request | | | 03090-01-03412 | C | stainless steel | hardened | 12 | M20x1,5 | 35 | 12 | 86 | 28 | 14 | 25 | 22 | 2,8 | 12 | 15 | 39 |  | | on request | | | 03090-01-13105 | C | stainless steel | not hardened | 5 | M10x1 | 35 | 5 | 57 | 17 | 7 | 15 | 13 | 1,3 | 5 | 5 | 12 |  | | on request | | | 03090-01-13206 | C | stainless steel | not hardened | 6 | M12x1,5 | 35 | 6 | 62 | 20 | 8 | 17 | 14 | 1,8 | 6 | 6 | 14 |  | | on request | | | 03090-01-13308 | C | stainless steel | not hardened | 8 | M16x1,5 | 35 | 8 | 76 | 26 | 10 | 23 | 19 | 2,3 | 8 | 15 | 35 |  | | on request | | | 03090-01-13410 | C | stainless steel | not hardened | 10 | M20x1,5 | 35 | 10 | 82 | 28 | 12 | 25 | 22 | 2,8 | 10 | 15 | 34 |  | | on request | | | 03090-01-13412 | C | stainless steel | not hardened | 12 | M20x1,5 | 35 | 12 | 86 | 28 | 14 | 25 | 22 | 2,8 | 12 | 15 | 39 |  | | on request | |
|
Indexing plungers, steel or stainless steel with status sensor, plastic mushroom grip locking slot and locknut |
More information |
| Order No. | Form | Main material | Surface finish body | D | D1 | D2 | Travel S | L | L1 | L2 | L3 | SW1 | SW2 | Fx30° | Travel S | Spring force initial pressure F1 approx. N | Spring force final pressure F2 approx. N | CAD | Acc. | Price | Order |
|---|
| 03090-01-4105 | D | steel | hardened | 5 | M10x1 | 35 | 5 | 57 | 17 | 7 | 15 | 13 | 17 | 1,3 | 5 | 5 | 12 |  | | on request | | | 03090-01-4206 | D | steel | hardened | 6 | M12x1,5 | 35 | 6 | 62 | 20 | 8 | 17 | 14 | 19 | 1,8 | 6 | 6 | 14 |  | | on request | | | 03090-01-4308 | D | steel | hardened | 8 | M16x1,5 | 35 | 8 | 76 | 26 | 10 | 23 | 19 | 24 | 2,3 | 8 | 15 | 35 |  | | on request | | | 03090-01-4410 | D | steel | hardened | 10 | M20x1,5 | 35 | 10 | 82 | 28 | 12 | 25 | 22 | 30 | 2,8 | 10 | 15 | 34 |  | | on request | | | 03090-01-4412 | D | steel | hardened | 12 | M20x1,5 | 35 | 12 | 86 | 28 | 14 | 25 | 22 | 30 | 2,8 | 12 | 15 | 39 |  | | on request | | | 03090-01-04105 | D | stainless steel | hardened | 5 | M10x1 | 35 | 5 | 57 | 17 | 7 | 15 | 13 | 17 | 1,3 | 5 | 5 | 12 |  | | on request | | | 03090-01-04206 | D | stainless steel | hardened | 6 | M12x1,5 | 35 | 6 | 62 | 20 | 8 | 17 | 14 | 19 | 1,8 | 6 | 6 | 14 |  | | on request | | | 03090-01-04308 | D | stainless steel | hardened | 8 | M16x1,5 | 35 | 8 | 76 | 26 | 10 | 23 | 19 | 24 | 2,3 | 8 | 15 | 35 |  | | on request | | | 03090-01-04410 | D | stainless steel | hardened | 10 | M20x1,5 | 35 | 10 | 82 | 28 | 12 | 25 | 22 | 30 | 2,8 | 10 | 15 | 34 |  | | on request | | | 03090-01-04412 | D | stainless steel | hardened | 12 | M20x1,5 | 35 | 12 | 86 | 28 | 14 | 25 | 22 | 30 | 2,8 | 12 | 15 | 39 |  | | on request | | | 03090-01-14105 | D | stainless steel | not hardened | 5 | M10x1 | 35 | 5 | 57 | 17 | 7 | 15 | 13 | 17 | 1,3 | 5 | 5 | 12 |  | | on request | | | 03090-01-14206 | D | stainless steel | not hardened | 6 | M12x1,5 | 35 | 6 | 62 | 20 | 8 | 17 | 14 | 19 | 1,8 | 6 | 6 | 14 |  | | on request | | | 03090-01-14308 | D | stainless steel | not hardened | 8 | M16x1,5 | 35 | 8 | 76 | 26 | 10 | 23 | 19 | 24 | 2,3 | 8 | 15 | 35 |  | | on request | | | 03090-01-14410 | D | stainless steel | not hardened | 10 | M20x1,5 | 35 | 10 | 82 | 28 | 12 | 25 | 22 | 30 | 2,8 | 10 | 15 | 34 |  | | on request | | | 03090-01-14412 | D | stainless steel | not hardened | 12 | M20x1,5 | 35 | 12 | 86 | 28 | 14 | 25 | 22 | 30 | 2,8 | 12 | 15 | 39 |  | | on request | |
|
Other items in this category |
|
|