|
|
|
03096-10Indexing plungers, stainless steel with plastic mushroom grip... |
go back |
|
|
DescriptionProduct description:Indexing plungers are used where any change in locking position due to lateral forces should be prevented. A new indexed position can be only be moved to after the pin has been manually retracted.
Indexing plungers with remote actuation are used where inaccessible assembly spaces are making it difficult to operate, or where remote actuation is required for ergonomic or safety reasons.
The indexing plunger is connected to the operator side by a Bowden cable. The combination of indexing plunger and actuating element forms a complete system which can be used for many types of application. Form D should be used for applications where the indexing pin should remain disengaged for an extended period and be prevented from springing back.Material:Indexing plunger:
Threaded sleeve 1.4305.
Indexing pin 1.4034.
Actuating element 1.4305.
Mushroom grip thermoplastic
Wire cable 1.4401.
Traction sleeve steel wire with plastic sleeving inside and outside.
End sleeves, set screws and screw nipples brass. Version:Threaded sleeve bright. Indexing pin hardened and ground, bright. Bowden cable casing black. Mushroom grip black grey RAL7021 thermoplastic.Note for ordering:Indexing plungers with remote actuation and actuating element must be ordered separately.Note:The supplied screw nipple (Ø5 x 7 mm) can be used as an alternative to the actuating element to integrate a customised actuating element into the system.
Different lengths of the Bowden cable are available. The Bowden cable can be shortened as required during installation to ensure an exact fit in the application concerned.
Corrosion protection is achieved by selecting a suitable material and surface treatment. The wire cable or cable sheath can be easily replaced if required.
Note the following points when installing Bowden cables: The length of the free end of the cable can change due to layout angle, bend radius and load factors. Therefore, the length of the opposing bracket (cable sheath) must be adjusted using the enclosed set screw after the Bowden cable has been laid. The set screw is also used to set the tension in the Bowden cable system. During installation, take particular care to ensure that the bend radius is not less than the minimum value, which in this case is R = 65 mm. A radius which is too small can lead to increased wear and higher friction. Briefly bending less than the min. bending radius during installation should also be avoided, as this can damage the cable sheath. The sheath is also only designed to absorb compressive forces. If it is pulled too hard, the internal spiral will stretch and be permanently damaged.On request:Special versions.Accessory:Hex nuts 07212. Mounting brackets 03099. Spacer rings 03089. Positioning bushes 03099-50. Actuating elements 03096-10-12420. Bowden cable 03096-14. Wire cables 03096-15. Tension sleeves 03096-20. End sleeves 03096-25. Setscrews 03096-30. Screw nipples 03096-35. Supplied withIndexing plunger with remote actuation: Indexing plunger with preassembled cable, casing, end sleeve, adjusting screw M6 x 34 mm and screw nipple Ø5 x 7 mm.
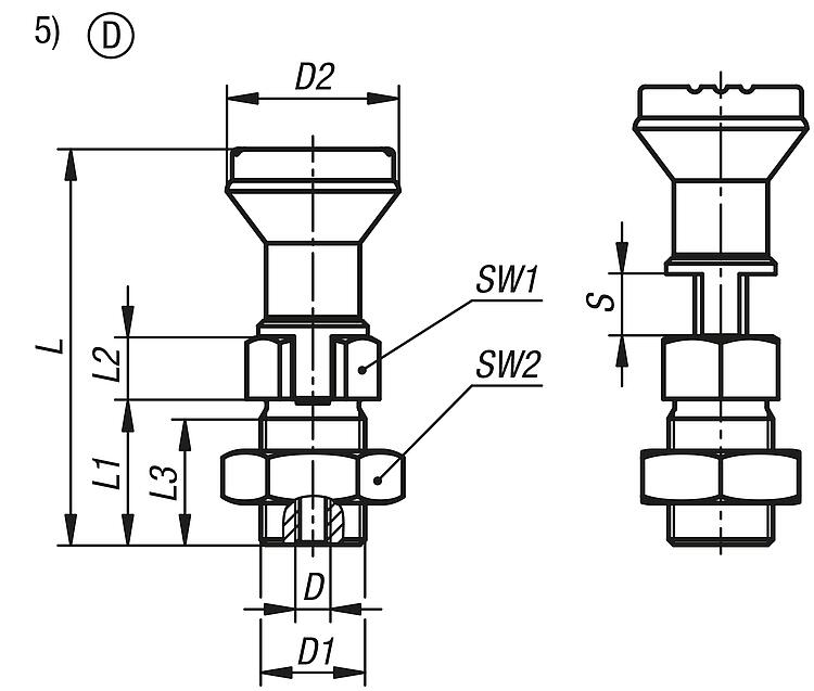
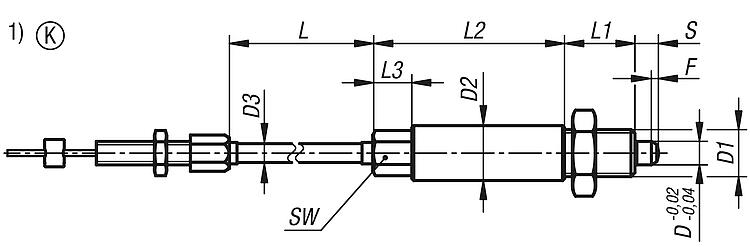
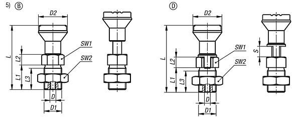
Actuating element: Actuating element with plastic cover.Drawing reference:1) Indexing plunger 2) Bowden cable casing 3) Bowden cable 4) Adjusting screw 5) Actuating element 6) Screw nipple 7) Cover
Form B: non-lockout type, with locknut Form D: lockout type, with locknut Special features: DownloadHere is all the information as a PDF datasheet:
Are you looking for CAD data? These can be found directly in the product table.
|
Drawings (total overview) |
| Order No. | D | D1 | D2 | D3 | L | L1 | L2 | L3 | Travel S | SW | Fx30° | Spring force initial pressure F1 approx. N | Spring force final pressure F2 approx. N | CAD | Acc. | Price | Order |
|---|
| 03096-10-02206X1000 | 6 | M12x1,5 | 14 | 5 | 1000 | 18 | 49 | 10 | 6 | 10 | 1,8 | 6 | 14 |  | | on request | | | 03096-10-02206X3000 | 6 | M12x1,5 | 14 | 5 | 3000 | 18 | 49 | 10 | 6 | 10 | 1,8 | 6 | 14 |  | | on request | | | 03096-10-02206X5000 | 6 | M12x1,5 | 14 | 5 | 5000 | 18 | 49 | 10 | 6 | 10 | 1,8 | 6 | 14 |  | | on request | | | 03096-10-02308X1000 | 8 | M16x1,5 | 19 | 5 | 1000 | 23 | 59 | 10 | 8 | 13 | 2,3 | 15 | 35 |  | | on request | | | 03096-10-02308X3000 | 8 | M16x1,5 | 19 | 5 | 3000 | 23 | 59 | 10 | 8 | 13 | 2,3 | 15 | 35 |  | | on request | | | 03096-10-02308X5000 | 8 | M16x1,5 | 19 | 5 | 5000 | 23 | 59 | 10 | 8 | 13 | 2,3 | 15 | 35 |  | | on request | | | 03096-10-02410X1000 | 10 | M20x1,5 | 23 | 5 | 1000 | 24 | 65 | 10 | 10 | 16 | 2,8 | 15 | 34 |  | | on request | | | 03096-10-02410X3000 | 10 | M20x1,5 | 23 | 5 | 3000 | 24 | 65 | 10 | 10 | 16 | 2,8 | 15 | 34 |  | | on request | | | 03096-10-02410X5000 | 10 | M20x1,5 | 23 | 5 | 5000 | 24 | 65 | 10 | 10 | 16 | 2,8 | 15 | 34 |  | | on request | | | 03096-10-02412X1000 | 12 | M20x1,5 | 23 | 5 | 1000 | 26 | 65 | 10 | 12 | 16 | 2,8 | 15 | 39 |  | | on request | | | 03096-10-02412X3000 | 12 | M20x1,5 | 23 | 5 | 3000 | 26 | 65 | 10 | 12 | 16 | 2,8 | 15 | 39 |  | | on request | | | 03096-10-02412X5000 | 12 | M20x1,5 | 23 | 5 | 5000 | 26 | 65 | 10 | 12 | 16 | 2,8 | 15 | 39 |  | | on request | |
|
|
Actuating elements for indexing plungers with remote actuation, with plastic mushroom grip, locking slot and locknut |
More information |
| Order No. | Colour Cap
| D Internal thread | D1 | D2 | L | L1 | L2 | L3 | Travel S | SW1 | SW2 | CAD | Acc. | Price | Order |
|---|
| 03096-10-1442006 | black grey RAL 7021 | M6 | M20x1,5 | 33 | 76 | 28 | 12 | 25 | 6 | 22 | 30 |  | | on request | | | 03096-10-14420106 | orange RAL 2004 | M6 | M20x1,5 | 33 | 76 | 28 | 12 | 25 | 6 | 22 | 30 |  | | on request | | | 03096-10-14420206 | signal green RAL6032 | M6 | M20x1,5 | 33 | 76 | 28 | 12 | 25 | 6 | 22 | 30 |  | | on request | | | 03096-10-14420306 | blue RAL5017 | M6 | M20x1,5 | 33 | 76 | 28 | 12 | 25 | 6 | 22 | 30 |  | | on request | | | 03096-10-14420506 | light grey RAL 7035 | M6 | M20x1,5 | 33 | 76 | 28 | 12 | 25 | 6 | 22 | 30 |  | | on request | | | 03096-10-14420606 | traffic red RAL 3020 | M6 | M20x1,5 | 33 | 76 | 28 | 12 | 25 | 6 | 22 | 30 |  | | on request | | | 03096-10-14420706 | colza yellow RAL 1021 | M6 | M20x1,5 | 33 | 76 | 28 | 12 | 25 | 6 | 22 | 30 |  | | on request | | | 03096-10-1442008 | black grey RAL 7021 | M6 | M20x1,5 | 33 | 76 | 28 | 12 | 25 | 8 | 22 | 30 |  | | on request | | | 03096-10-14420108 | orange RAL 2004 | M6 | M20x1,5 | 33 | 76 | 28 | 12 | 25 | 8 | 22 | 30 |  | | on request | | | 03096-10-14420208 | signal green RAL6032 | M6 | M20x1,5 | 33 | 76 | 28 | 12 | 25 | 8 | 22 | 30 |  | | on request | | | 03096-10-14420308 | blue RAL5017 | M6 | M20x1,5 | 33 | 76 | 28 | 12 | 25 | 8 | 22 | 30 |  | | on request | | | 03096-10-14420508 | light grey RAL 7035 | M6 | M20x1,5 | 33 | 76 | 28 | 12 | 25 | 8 | 22 | 30 |  | | on request | | | 03096-10-14420608 | traffic red RAL 3020 | M6 | M20x1,5 | 33 | 76 | 28 | 12 | 25 | 8 | 22 | 30 |  | | on request | | | 03096-10-14420708 | colza yellow RAL 1021 | M6 | M20x1,5 | 33 | 76 | 28 | 12 | 25 | 8 | 22 | 30 |  | | on request | | | 03096-10-1442010 | black grey RAL 7021 | M6 | M20x1,5 | 33 | 76 | 28 | 12 | 25 | 10 | 22 | 30 |  | | on request | | | 03096-10-14420110 | orange RAL 2004 | M6 | M20x1,5 | 33 | 76 | 28 | 12 | 25 | 10 | 22 | 30 |  | | on request | | | 03096-10-14420210 | signal green RAL6032 | M6 | M20x1,5 | 33 | 76 | 28 | 12 | 25 | 10 | 22 | 30 |  | | on request | | | 03096-10-14420310 | blue RAL5017 | M6 | M20x1,5 | 33 | 76 | 28 | 12 | 25 | 10 | 22 | 30 |  | | on request | | | 03096-10-14420510 | light grey RAL 7035 | M6 | M20x1,5 | 33 | 76 | 28 | 12 | 25 | 10 | 22 | 30 |  | | on request | | | 03096-10-14420610 | traffic red RAL 3020 | M6 | M20x1,5 | 33 | 76 | 28 | 12 | 25 | 10 | 22 | 30 |  | | on request | | | 03096-10-14420710 | colza yellow RAL 1021 | M6 | M20x1,5 | 33 | 76 | 28 | 12 | 25 | 10 | 22 | 30 |  | | on request | | | 03096-10-1442012 | black grey RAL 7021 | M6 | M20x1,5 | 33 | 76 | 28 | 12 | 25 | 12 | 22 | 30 |  | | on request | | | 03096-10-14420112 | orange RAL 2004 | M6 | M20x1,5 | 33 | 76 | 28 | 12 | 25 | 12 | 22 | 30 |  | | on request | | | 03096-10-14420212 | signal green RAL6032 | M6 | M20x1,5 | 33 | 76 | 28 | 12 | 25 | 12 | 22 | 30 |  | | on request | | | 03096-10-14420312 | blue RAL5017 | M6 | M20x1,5 | 33 | 76 | 28 | 12 | 25 | 12 | 22 | 30 |  | | on request | | | 03096-10-14420512 | light grey RAL 7035 | M6 | M20x1,5 | 33 | 76 | 28 | 12 | 25 | 12 | 22 | 30 |  | | on request | | | 03096-10-14420612 | traffic red RAL 3020 | M6 | M20x1,5 | 33 | 76 | 28 | 12 | 25 | 12 | 22 | 30 |  | | on request | | | 03096-10-14420712 | colza yellow RAL 1021 | M6 | M20x1,5 | 33 | 76 | 28 | 12 | 25 | 12 | 22 | 30 |  | | on request | |
|
Other items in this category |
|
|