|
|
|
03098Indexing plungers, steel or stainless steel, smooth version... |
go back |
|
|
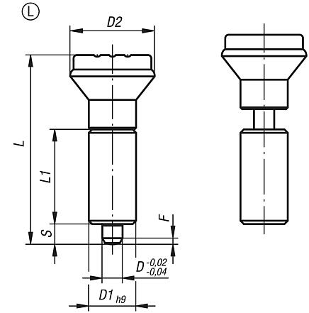
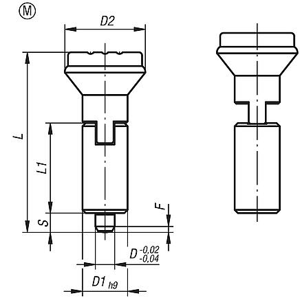
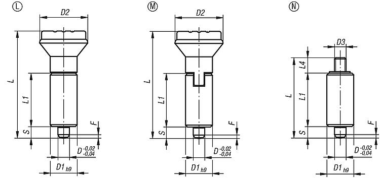
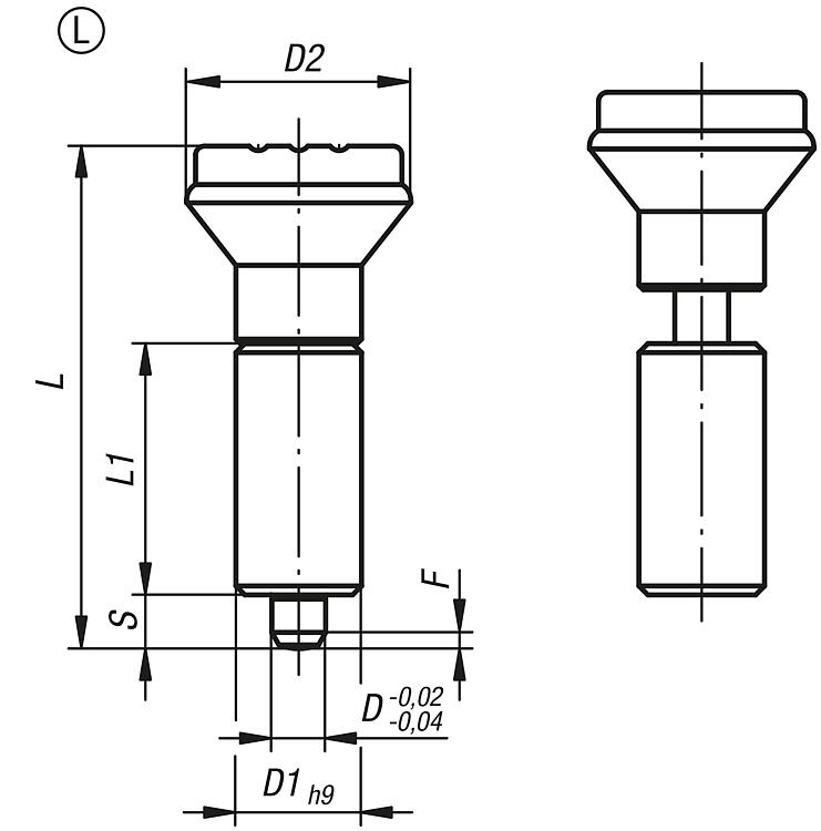
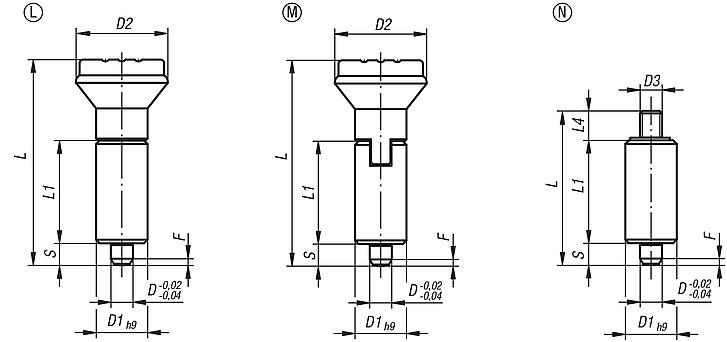
DescriptionProduct description:Indexing plungers are used to prevent any change in locking position due to lateral forces. A new locking position can only be set after the pin has been manually disengaged. Form M is recommended for applications where the indexing plungers should remain disengaged over an extended period and the pin prevented from springing back. Special grips can be fitted on the projecting threaded pin of Form N. This pin is also suitable for actuating the indexing plunger e.g. automatically (program-controlled) with the aid of a pneumatic cylinder or remote controlled with Bowden cables. Material:Steel version:
Indexing pin hardened:
Sleeve 1.0403 weldable.
Indexing pin grade 5.8.
Stainless steel version:
Indexing pin hardened:
Sleeve 1.4301 weldable.
Indexing pin 1.4034.
Indexing pin not hardened:
Sleeve 1.4301 weldable.
Indexing pin 1.4305.
Mushroom knob black grey thermoplastic. Version:Steel version: Sleeve black oxidized, weldable. Indexing pin hardened, ground and black oxidized.
Stainless steel version: Sleeve bright and weldable. Indexing pin hardened and ground, bright. Indexing pin not hardened and ground, bright.
Mushroom grip black gray RAL7021.Note:If the indexing plunger is welded on, the sleeve should be tack welded so that the spring is not thermally damaged due to high temperatures.On request:Special versions.Drawing reference:Form L: non-lockout type Form M: lockout type Form N: with threaded pin DownloadHere is all the information as a PDF datasheet:
Are you looking for CAD data? These can be found directly in the product table.
|
Drawings (total overview) |
Indexing plungers, steel or stainless steel, smooth version without collar, with plastic mushroom grip and cap, no locking slot |
More information |
| Order No. | Form | Main material | Surface finish body | D | D1 | D2 | L | L1 | Travel S | Fx30° | Spring force initial pressure F1 approx. N | Spring force final pressure F2 approx. N | CAD | Acc. | Price | Order |
|---|
| 03098-1105 | L | steel | hardened | 5 | 12 | 21 | 47 | 24 | 5 | 1,3 | 5 | 12 |  | | on request | | | 03098-1206 | L | steel | hardened | 6 | 14 | 25 | 56 | 28 | 6 | 1,8 | 6 | 14 |  | | on request | | | 03098-1308 | L | steel | hardened | 8 | 18 | 33 | 74 | 36 | 8 | 2,3 | 15 | 35 |  | | on request | | | 03098-1410 | L | steel | hardened | 10 | 22 | 33 | 80 | 40 | 10 | 2,8 | 15 | 34 |  | | on request | | | 03098-01105 | L | stainless steel | hardened | 5 | 12 | 21 | 47 | 24 | 5 | 1,3 | 5 | 12 |  | | on request | | | 03098-01206 | L | stainless steel | hardened | 6 | 14 | 25 | 56 | 28 | 6 | 1,8 | 6 | 14 |  | | on request | | | 03098-01308 | L | stainless steel | hardened | 8 | 18 | 33 | 74 | 36 | 8 | 2,3 | 15 | 35 |  | | on request | | | 03098-01410 | L | stainless steel | hardened | 10 | 22 | 33 | 80 | 40 | 10 | 2,8 | 15 | 34 |  | | on request | | | 03098-11105 | L | stainless steel | not hardened | 5 | 12 | 21 | 47 | 24 | 5 | 1,3 | 5 | 12 |  | | on request | | | 03098-11206 | L | stainless steel | not hardened | 6 | 14 | 25 | 56 | 28 | 6 | 1,8 | 6 | 14 |  | | on request | | | 03098-11308 | L | stainless steel | not hardened | 8 | 18 | 33 | 74 | 36 | 8 | 2,3 | 15 | 35 |  | | on request | | | 03098-11410 | L | stainless steel | not hardened | 10 | 22 | 33 | 80 | 40 | 10 | 2,8 | 15 | 34 |  | | on request | |
|
Indexing plungers, steel or stainless steel, smooth version without collar, with plastic mushroom grip and cap, with locking slot |
More information |
| Order No. | Form | Main material | Surface finish body | D | D1 | D2 | L | L1 | Travel S | Fx30° | Spring force initial pressure F1 approx. N | Spring force final pressure F2 approx. N | CAD | Acc. | Price | Order |
|---|
| 03098-2105 | M | steel | hardened | 5 | 12 | 21 | 47 | 24 | 5 | 1,3 | 5 | 12 |  | | on request | | | 03098-2206 | M | steel | hardened | 6 | 14 | 25 | 56 | 28 | 6 | 1,8 | 6 | 14 |  | | on request | | | 03098-2308 | M | steel | hardened | 8 | 18 | 33 | 74 | 36 | 8 | 2,3 | 15 | 35 |  | | on request | | | 03098-2410 | M | steel | hardened | 10 | 22 | 33 | 80 | 40 | 10 | 2,8 | 15 | 34 |  | | on request | | | 03098-02105 | M | stainless steel | hardened | 5 | 12 | 21 | 47 | 24 | 5 | 1,3 | 5 | 12 |  | | on request | | | 03098-02206 | M | stainless steel | hardened | 6 | 14 | 25 | 56 | 28 | 6 | 1,8 | 6 | 14 |  | | on request | | | 03098-02308 | M | stainless steel | hardened | 8 | 18 | 33 | 74 | 36 | 8 | 2,3 | 15 | 35 |  | | on request | | | 03098-02410 | M | stainless steel | hardened | 10 | 22 | 33 | 80 | 40 | 10 | 2,8 | 15 | 34 |  | | on request | | | 03098-12105 | M | stainless steel | not hardened | 5 | 12 | 21 | 47 | 24 | 5 | 1,3 | 5 | 12 |  | | on request | | | 03098-12206 | M | stainless steel | not hardened | 6 | 14 | 25 | 56 | 28 | 6 | 1,8 | 6 | 14 |  | | on request | | | 03098-12308 | M | stainless steel | not hardened | 8 | 18 | 33 | 74 | 36 | 8 | 2,3 | 15 | 35 |  | | on request | | | 03098-12410 | M | stainless steel | not hardened | 10 | 22 | 33 | 80 | 40 | 10 | 2,8 | 15 | 34 |  | | on request | |
|
Indexing plungers, steel or stainless steel, smooth version without collar, with threaded pin |
More information |
| Order No. | Form | Main material | Surface finish body | D | D1 | D3 | L | L1 | L4 | Travel S | Fx30° | Spring force initial pressure F1 approx. N | Spring force final pressure F2 approx. N | CAD | Acc. | Price | Order |
|---|
| 03098-3105 | N | steel | hardened | 5 | 12 | M4 | 37 | 24 | 8 | 5 | 1,3 | 5 | 12 |  | | on request | | | 03098-3206 | N | steel | hardened | 6 | 14 | M6 | 43 | 28 | 9 | 6 | 1,8 | 6 | 14 |  | | on request | | | 03098-3308 | N | steel | hardened | 8 | 18 | M8 | 56 | 36 | 12 | 8 | 2,3 | 15 | 35 |  | | on request | | | 03098-3410 | N | steel | hardened | 10 | 22 | M8 | 62 | 40 | 12 | 10 | 2,8 | 15 | 34 |  | | on request | | | 03098-03105 | N | stainless steel | hardened | 5 | 12 | M4 | 37 | 24 | 8 | 5 | 1,3 | 5 | 12 |  | | on request | | | 03098-03206 | N | stainless steel | hardened | 6 | 14 | M6 | 43 | 28 | 9 | 6 | 1,8 | 6 | 14 |  | | on request | | | 03098-03308 | N | stainless steel | hardened | 8 | 18 | M8 | 56 | 36 | 12 | 8 | 2,3 | 15 | 35 |  | | on request | | | 03098-03410 | N | stainless steel | hardened | 10 | 22 | M8 | 62 | 40 | 12 | 10 | 2,8 | 15 | 34 |  | | on request | | | 03098-13105 | N | stainless steel | not hardened | 5 | 12 | M4 | 37 | 24 | 8 | 5 | 1,3 | 5 | 12 |  | | on request | | | 03098-13206 | N | stainless steel | not hardened | 6 | 14 | M6 | 43 | 28 | 9 | 6 | 1,8 | 6 | 14 |  | | on request | | | 03098-13308 | N | stainless steel | not hardened | 8 | 18 | M8 | 56 | 36 | 12 | 8 | 2,3 | 15 | 35 |  | | on request | | | 03098-13410 | N | stainless steel | not hardened | 10 | 22 | M8 | 62 | 40 | 12 | 10 | 2,8 | 15 | 34 |  | | on request | |
|
Other items in this category |
|
|