|
|
|
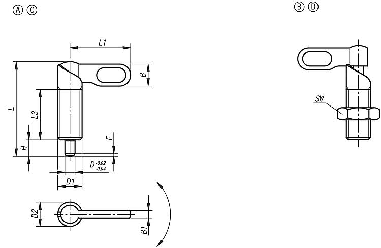
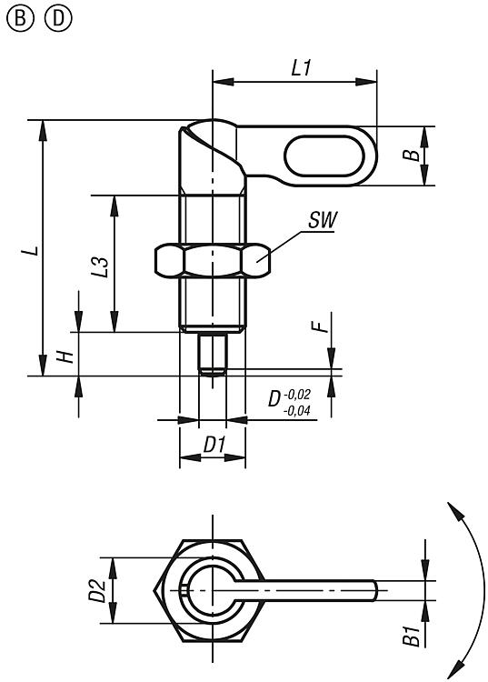
03099Cam-action indexing plungers |
go back |
|
|
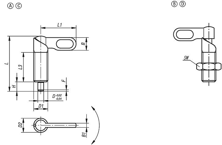
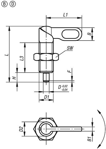
DescriptionMaterial:Steel grade 5.8.Version:Black oxidised. Pin hardened and ground.Note:Cam-action indexing plungers are used when the indexing pin should not project all the time. Turning the handle through 180° retracts the pin and a notch ensures that the handle remains in this position. Drawing reference:Form A: grip uncoated without nut Form C: grip powder-coated without nut Form B: grip uncoated with nut Form D: grip powder-coated with nut Special features: DownloadHere is all the information as a PDF datasheet:
Are you looking for CAD data? These can be found directly in the product table.
|
Drawings (total overview) |
Order No. Form A | Order No. Form C | D | D1 | D2 | L | L1 | L3 | B | B1 | H | Fx30° | Spring force initial pressure F1 approx. N | Spring force final pressure F2 approx. N | Filter |
|---|
| 03099-040410 | 03099-060410 | 4 | M10 | 10 | 38 | 25 | 20 | 9 | 3 | 6 | 1 | 8 | 14 |  | | 03099-040510 | 03099-060510 | 5 | M10 | 10 | 38 | 25 | 20 | 9 | 3 | 6 | 1,3 | 8 | 14 |  | | 03099-040610 | 03099-060610 | 6 | M10 | 10 | 38 | 25 | 20 | 9 | 3 | 6 | 1,8 | 8 | 14 |  | | 03099-0404101 | 03099-0604101 | 4 | M10x1 | 10 | 38 | 25 | 20 | 9 | 3 | 6 | 1 | 8 | 14 |  | | 03099-0405101 | 03099-0605101 | 5 | M10x1 | 10 | 38 | 25 | 20 | 9 | 3 | 6 | 1,3 | 8 | 14 |  | | 03099-0406101 | 03099-0606101 | 6 | M10x1 | 10 | 38 | 25 | 20 | 9 | 3 | 6 | 1,8 | 8 | 14 |  | | 03099-040512 | 03099-060512 | 5 | M12 | 12 | 46,8 | 30 | 25 | 10,8 | 3,6 | 8 | 1,3 | 8 | 15 |  | | 03099-040612 | 03099-060612 | 6 | M12 | 12 | 46,8 | 30 | 25 | 10,8 | 3,6 | 8 | 1,8 | 8 | 15 |  | | 03099-040812 | 03099-060812 | 8 | M12 | 12 | 46,8 | 30 | 25 | 10,8 | 3,6 | 8 | 2,3 | 8 | 15 |  | | 03099-0405121 | 03099-0605121 | 5 | M12x1,5 | 12 | 46,8 | 30 | 25 | 10,8 | 3,6 | 8 | 1,3 | 8 | 15 |  | | 03099-0406121 | 03099-0606121 | 6 | M12x1,5 | 12 | 46,8 | 30 | 25 | 10,8 | 3,6 | 8 | 1,8 | 8 | 15 |  | | 03099-0408121 | 03099-0608121 | 8 | M12x1,5 | 12 | 46,8 | 30 | 25 | 10,8 | 3,6 | 8 | 2,3 | 8 | 15 |  | | 03099-040616 | 03099-060616 | 6 | M16 | 16 | 60,4 | 40 | 32 | 14,4 | 4,8 | 10 | 1,8 | 15 | 35 |  | | 03099-040816 | 03099-060816 | 8 | M16 | 16 | 60,4 | 40 | 32 | 14,4 | 4,8 | 10 | 2,3 | 15 | 35 |  | | 03099-041016 | 03099-061016 | 10 | M16 | 16 | 60,4 | 40 | 32 | 14,4 | 4,8 | 10 | 2,8 | 15 | 35 |  | | 03099-0406161 | 03099-0606161 | 6 | M16x1,5 | 16 | 60,4 | 40 | 32 | 14,4 | 4,8 | 10 | 1,8 | 15 | 35 |  | | 03099-0408161 | 03099-0608161 | 8 | M16x1,5 | 16 | 60,4 | 40 | 32 | 14,4 | 4,8 | 10 | 2,3 | 15 | 35 |  | | 03099-0410161 | 03099-0610161 | 10 | M16x1,5 | 16 | 60,4 | 40 | 32 | 14,4 | 4,8 | 10 | 2,8 | 15 | 35 |  | | 03099-040820 | 03099-060820 | 8 | M20 | 20 | 70 | 50 | 35 | 18 | 6 | 12 | 2,3 | 20 | 60 |  | | 03099-041020 | 03099-061020 | 10 | M20 | 20 | 70 | 50 | 35 | 18 | 6 | 12 | 2,8 | 20 | 60 |  | | 03099-041220 | 03099-061220 | 12 | M20 | 20 | 70 | 50 | 35 | 18 | 6 | 12 | 3 | 20 | 60 |  | | 03099-0408201 | 03099-0608201 | 8 | M20x1,5 | 20 | 70 | 50 | 35 | 18 | 6 | 12 | 2,3 | 20 | 60 |  | | 03099-0410201 | 03099-0610201 | 10 | M20x1,5 | 20 | 70 | 50 | 35 | 18 | 6 | 12 | 2,8 | 20 | 60 |  | | 03099-0412201 | 03099-0612201 | 12 | M20x1,5 | 20 | 70 | 50 | 35 | 18 | 6 | 12 | 3 | 20 | 60 |  |
|
Order No. Form B | Order No. Form D | D | D1 | D2 | L | L1 | L3 | B | B1 | H | SW | Fx30° | Spring force initial pressure F1 approx. N | Spring force final pressure F2 approx. N | Filter |
|---|
| 03099-050410 | 03099-070410 | 4 | M10 | 10 | 38 | 25 | 20 | 9 | 3 | 6 | 17 | 1 | 8 | 14 |  | | 03099-050510 | 03099-070510 | 5 | M10 | 10 | 38 | 25 | 20 | 9 | 3 | 6 | 17 | 1,3 | 8 | 14 |  | | 03099-050610 | 03099-070610 | 6 | M10 | 10 | 38 | 25 | 20 | 9 | 3 | 6 | 17 | 1,8 | 8 | 14 |  | | 03099-0504101 | 03099-0704101 | 4 | M10x1 | 10 | 38 | 25 | 20 | 9 | 3 | 6 | 17 | 1 | 8 | 14 |  | | 03099-0505101 | 03099-0705101 | 5 | M10x1 | 10 | 38 | 25 | 20 | 9 | 3 | 6 | 17 | 1,3 | 8 | 14 |  | | 03099-0506101 | 03099-0706101 | 6 | M10x1 | 10 | 38 | 25 | 20 | 9 | 3 | 6 | 17 | 1,8 | 8 | 14 |  | | 03099-050512 | 03099-070512 | 5 | M12 | 12 | 46,8 | 30 | 25 | 10,8 | 3,6 | 8 | 19 | 1,3 | 8 | 15 |  | | 03099-050612 | 03099-070612 | 6 | M12 | 12 | 46,8 | 30 | 25 | 10,8 | 3,6 | 8 | 19 | 1,8 | 8 | 15 |  | | 03099-050812 | 03099-070812 | 8 | M12 | 12 | 46,8 | 30 | 25 | 10,8 | 3,6 | 8 | 19 | 2,3 | 8 | 15 |  | | 03099-0505121 | 03099-0705121 | 5 | M12x1,5 | 12 | 46,8 | 30 | 25 | 10,8 | 3,6 | 8 | 19 | 1,3 | 8 | 15 |  | | 03099-0506121 | 03099-0706121 | 6 | M12x1,5 | 12 | 46,8 | 30 | 25 | 10,8 | 3,6 | 8 | 19 | 1,8 | 8 | 15 |  | | 03099-0508121 | 03099-0708121 | 8 | M12x1,5 | 12 | 46,8 | 30 | 25 | 10,8 | 3,6 | 8 | 19 | 2,3 | 8 | 15 |  | | 03099-050616 | 03099-070616 | 6 | M16 | 16 | 60,4 | 40 | 32 | 14,4 | 4,8 | 10 | 24 | 1,8 | 15 | 35 |  | | 03099-050816 | 03099-070816 | 8 | M16 | 16 | 60,4 | 40 | 32 | 14,4 | 4,8 | 10 | 24 | 2,3 | 15 | 35 |  | | 03099-051016 | 03099-071016 | 10 | M16 | 16 | 60,4 | 40 | 32 | 14,4 | 4,8 | 10 | 24 | 2,8 | 15 | 35 |  | | 03099-0506161 | 03099-0706161 | 6 | M16x1,5 | 16 | 60,4 | 40 | 32 | 14,4 | 4,8 | 10 | 24 | 1,8 | 15 | 35 |  | | 03099-0508161 | 03099-0708161 | 8 | M16x1,5 | 16 | 60,4 | 40 | 32 | 14,4 | 4,8 | 10 | 24 | 2,3 | 15 | 35 |  | | 03099-0510161 | 03099-0710161 | 10 | M16x1,5 | 16 | 60,4 | 40 | 32 | 14,4 | 4,8 | 10 | 24 | 2,8 | 15 | 35 |  | | 03099-050820 | 03099-070820 | 8 | M20 | 20 | 70 | 50 | 35 | 18 | 6 | 12 | 30 | 2,3 | 20 | 60 |  | | 03099-051020 | 03099-071020 | 10 | M20 | 20 | 70 | 50 | 35 | 18 | 6 | 12 | 30 | 2,8 | 20 | 60 |  | | 03099-051220 | 03099-071220 | 12 | M20 | 20 | 70 | 50 | 35 | 18 | 6 | 12 | 30 | 3 | 20 | 60 |  | | 03099-0508201 | 03099-0708201 | 8 | M20x1,5 | 20 | 70 | 50 | 35 | 18 | 6 | 12 | 30 | 2,3 | 20 | 60 |  | | 03099-0510201 | 03099-0710201 | 10 | M20x1,5 | 20 | 70 | 50 | 35 | 18 | 6 | 12 | 30 | 2,8 | 20 | 60 |  | | 03099-0512201 | 03099-0712201 | 12 | M20x1,5 | 20 | 70 | 50 | 35 | 18 | 6 | 12 | 30 | 3 | 20 | 60 |  |
|
Other items in this category |
|
|